The price of an amplifier made by an individual made in Japan is generally
It costs several thousand dollars. It is expensive because the individual parts are expensive.
The current dollar exchange rate is around 150 yen to 1 US dollar. Don't miss this period. At this rate, you can keep the price down.
I think it would be difficult to get a higher rate than this. In other words, when the price of 150 yen to the dollar falls, the price of amplifier products will rise.
The attached 300B comes with a vacuum tube made in China that is generally available at a lower price.
This produces sufficient sound, but customers are free to purchase WE300B after purchase.
It may be a good idea to research and purchase online yourself, but it is very expensive.
Even if a vacuum tube is new, when you turn it to full power, the emissions will drop and the sound will become quieter.
Please take good care of your new vacuum tubes and use them for a long time and keep the sound low.
The most commonly seen cases are cases where the sound is low. The vacuum tube is already defective.
Please purchase new vacuum tubes. Please use speakers with an efficiency of 100dB/m/w or higher. Please use speakers with an efficiency of 96dB/m/w or higher.
A vacuum tube amp can last more than 20 years if you listen to it carefully and at a low volume, but if you use it roughly, it will expire in a few days.
Even with WE300B, when listening at high volume
It will expire in a few minutes. It ended the lifespan of several thousand dollar tubes. This is entirely the user's responsibility.
The price and lifespan of vacuum tubes have nothing to do with each other. If you use it roughly, it will quickly reach the end of its life.
Mr Hugo Cardenas's home in Lampa Chile on 2024 with Altec Lansing 300B is ENCORE 300B USD $ 2600
Even if I think about it, You can't get an amplifier.
Price of amplifier is USD 2700 USD 1 = 140 Yen and USD 1 =150 Yen what different only USD $ 200 so can not make good price result I have to use cheap chinese component
If rate is going down Yen until USD $1 = 170 Yen USD $ 2700 Amplifier going down USD $2400.if $1 USD = 170 Yen will be price of USD 2400.
Standard single amplifier circuit: More than 98% of 300B single amplifiers in the world use this circuit.
My wife Marlhori passed way 27th May 2024
My beloved wife Marlhori passed away yesterday.
She could easily die from a small wound due to inflammation.
She put it away. It was so hard for her to do anything to help.
It's a sad fact. She was my partner for 42 years.
I sincerely pray for her soul.
Special Version 300B Single Ended Amplifier USD $2200 much better than Made in China this is offer
Low Cost Version USD $ 2200 Bifuu V1
Takumi 匠 300B Single Ended Amplifier USD $ 2800 dollars
If would like to know more ?
I am using this circuit for 300B Single Ended Amplifier all of them .Kanade,Takumi and cocoliso are same circuit
Cocoliso 300B Single Ended Amplifier and Sonus Faber on 5th Feb 2023
Hattt Audio Transformer with 300B
300B Single Ended Amplifier low cost model
This amplifier is just plan .same circuit of any 300B single-ended amplifier current model price is USD $ 2200 dollars when USD1 dollars = 149 Yen.
Audio Transformer is PMF 15WS Black or Silver.looks a little bit small audio transformer but inductance is 22H so good for Bass.
suitable for 300B single ended Amplifier.any one would like to get 300B single ended amplifier but price is over USD $2600 at least .
this is reasonable price of one amplifier. deliver 7 W rms max. you would like to get 300B Single Ended Amplifier but all of expensive.so why do not order.
Hatt Audio Tranformer used USD $ 2400
Sound is quite good by music server
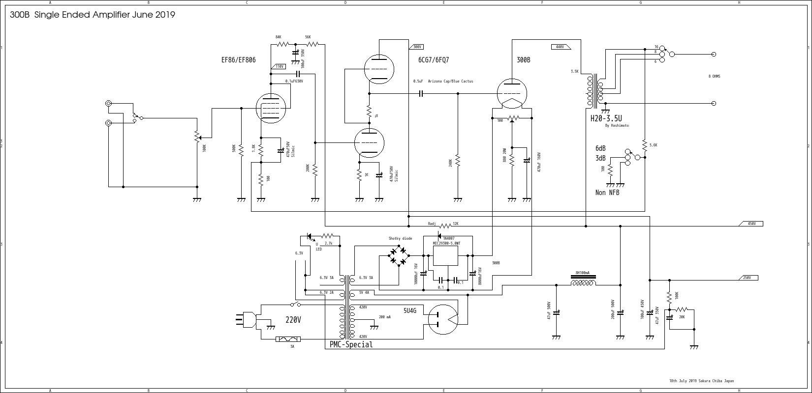
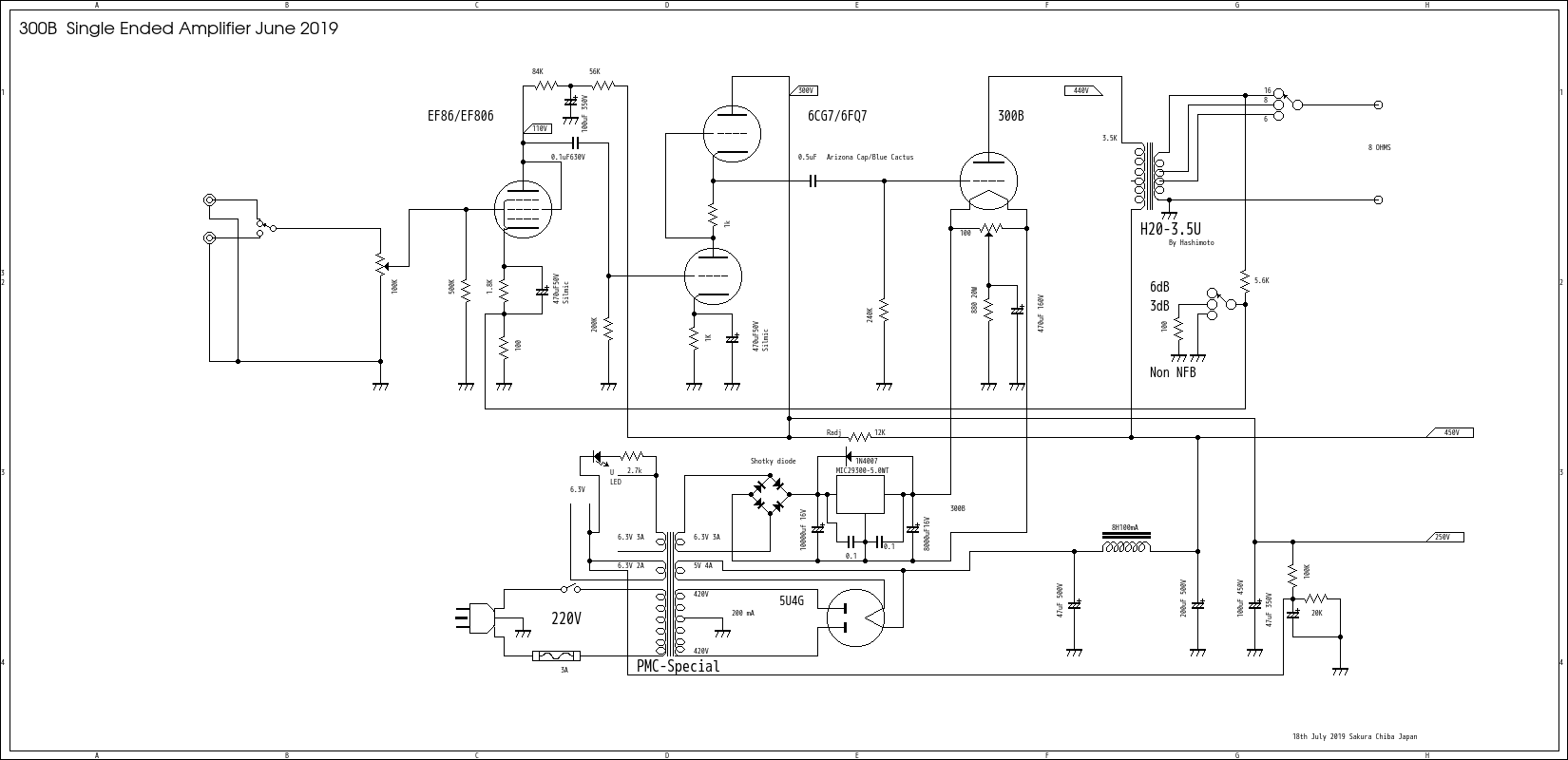
this one show each voltages for 300B setup show on 2024.5.18th
300B/2A3 vacuum tube amplifiers using high-quality components are generally
It cannot be manufactured for less than 390,000 yen.
Please note that it cannot be produced for less than 390000 Yen.
Thank you for your understanding. Look for parts within this price
Includes production costs and shipping costs.
The amp I built is expensive because the transformer is expensive.
Many relatively inexpensive amplifiers make their own audio transformers, making the transformers cheap.
The audio transformer for the amplifier I made is made in Japan and uses an excellent transformer from a famous manufacturer,
so it is relatively more expensive than amplifiers from other manufacturers.
Since the weight of a vacuum tube amplifier is 15Kg to 20Kg, it costs USD $ 600 to send it from Japan to the USA using Japan Post.
It costs about US dollars. The amp I made is not that expensive.
Instead, tube amplifier manufacturers who sell expensive amplifiers using low-quality transformers should lower their prices.
In many cases, there is no shipping charge when the production of my amplifier is completed. There are many cases where you end up in the red just from shipping costs.
The price of my amp is based on the bare minimum parts price, so depending on the availability of parts, it may not be possible to make it with the amount sent.
next: Inside is an amplifier that costs about $2,000. And $1000 is for transformers. The audio transformer and power transformer cost $750.
Heavy amps have high shipping costs. If you send this using a transportation company such as DHL, the cost will jump to about $4,500.
If you use these famous transportation companies from Japan to a foreign country, the procedures are complicated and the shipping costs alone will cost over $1,200.
If you use the Japan Post Office, this will cost around $600. Since the Japan Post Office does not have a dedicated cargo plane, it uses the warehouse section of passenger planes to send items overseas.
Before Covid19, this price was less than $300. Shipping costs have more than doubled due to the effects of the coronavirus. For those who purchased before the coronavirus, they now have a 300B single amplifier for less than $3,000. Even today, if you sell an amplifier for less than $2,800, you'll end up making a loss, and you'll be forced to use cheap components. Lowering the price means using many Chinese parts.
When sending through Japan Post, write the invoice from own home PC. The resulting invoice is then printed on a post office invoice and sent to a foreign country.
Your information is also stored on the Post Office's servers. The post office has a system where you pay the shipping fee for sending the item.
The difference between SAL flights and EMS is that SAL uses aircraft for the sea portion. I think deserts also use airplanes.
EMS uses special aircraft, so even SAL flights can reach South America in a few days. It could be using the same aircraft.
If you use we300b, $2200 will be added to the price of this amplifier, which is $3000. So the price of the amp will be $5200.
Please understand that a vacuum tube amplifier cannot be manufactured at a price lower than this.
Shipping costs will be higher. Even if it is a cheap amplifier made in China, the shipping cost will be the same. How to get an amplifier: buy one made in China
Or It's about DIY.much better.
After covid 19, airfare went from 200 USD to $ 600 USD. This includes shipping fees and special charges, and currently, around 20 kg in the USA costs $600 to $700. A $3,000 USD amp ends up costing $3,700.
If you send this by DHL, it will cost over $5000 USD. It's a simple logic. Shipping to USA is very expensive.
It's easy to make amplifiers cheaper. It will be cheaper if you use a poor quality transformer made in China, but the price won't change much.
That is, the price of a heavy amplifier is good or bad.
It will be expensive. Why is the 2A3 single amplifier expensive? It's complicated internally.
It is also heavy and becomes an expensive amplifier, regardless of its power. I am not a vacuum tube or transformer manufacturer,
so the price of vacuum tube amplifiers is expensive. Still, I think the price is cheaper than products from tube amplifier manufacturers.
USD $1.00 means not 150 Yen . it's means 148 Yen ,always 3 Yen lower than indicated rate,if USD $1.00 is 150 Yen ,I will change price of amplifier.
What are you visiting this page for? I am very skeptical.
The price cannot go below this. This is because lowering the price will increase the cost of parts and shipping.
There are many amps that cost more than the amps I build,
but you buy amps that are more expensive than the amps I build. how is it? How about purchasing a 300B single amplifier? Or do you make your own?
If you relentlessly look at it many times, you can also prevent it from being viewed again from here.
It's the same for my site and other famous sites.
When someone accesses you can detect their IP and trace them to the location of the telephone poles in your country.
Smaller rural providers are more detailed. You can see your house on Google, but the image on Google Maps is from a few years ago to 10 years ago.
If you use an expensive transformer for a tube amp, the weight will be heavy, and the shipping cost will be high. I'm making a very expensive amp,
but it doesn't come with a vacuum tube, and I have to pay for shipping.
If you add the WE300B, the price will go up to $3000 for the vacuum tube only.
valves doesn't include the price of the amp. The tube is $2000 ~ 3000 USD. before covid 19 I could sent amp to USA only USD $200 dollar for shipping.
many audiophile kept mizushima amplifier from before covid19.therefore cost of amplifier going up USD $ 3500.still cheap amplifier.
This counter started on 1st June 2015 has problem server
About the origin of PSVANE The manufacturer describes it as PAVANE
In Japan, it is said to be a pusban by a name given by some idiot, but in some sentences it was written in cursive in the sentences of early trading companies and manufacturers. confirmed
This is a name created by a producer who has knowledge of music classics. The text written in cursive with the name "PAVANE" taken from the song "Pavane for the Dead Princess"
The idiot mistakenly read it as PSVANE. In PSVANE, the reading is described as PAVANE. The idiot mistakenly described it as PSVANE, and in Japan, the idiot audio house was described as "pusvan".
This is actually PAVANE and is written as PSVANE, but it is read as "Pavane". On the Japanese side, the vacuum tube house green old man named Pusban. He is a Japanese without delicacy.
Mail address is only can use 300bmizu@gmail.com for mizushima amlifier because my PC was broken so can not use mailer.
words from my heart
Είμαι ο Kenji Mizushima
Περιμένουμε την πρώτη σας παραγγελία.
Ένας παγκοσμίου φήμης ενισχυτής σωλήνων κενού που ξέφυγε από ένα χόμπι
Τα περισσότερα από αυτά αγοράστηκαν από πελάτες στη Χιλή, τη Νότια Αμερική, αλλά ο αριθμός των χρηστών στις ΗΠΑ και τον Καναδά αυξάνεται. Είναι ένας ακριβός ενισχυτής σωλήνα. Προσφέρουμε ενισχυτές σωλήνων κενού κατασκευασμένους από την καρδιά. Σας περιμένουμε οποιαδήποτε στιγμή.
Νομίζω ότι θα είσαι ο πρώτος παραγγελέας στη χώρα σου,
Σας ευχαριστούμε για τις συχνές σας επισκέψεις.Αδύνατον γιατί μεταφράστηκε από τα Ιαπωνικά χρησιμοποιώντας το Google
Συγχωρέστε με για τη λάθος μετάφραση.
Kenji Mizushima
Ich bin Kenji Mizushima
Wir warten auf Ihre erste Bestellung.
Ein weltberühmter Röhrenverstärker, der einem Hobby entsprungen ist
Die meisten von ihnen wurden von Kunden in Chile, Südamerika, gekauft, aber die Zahl der Benutzer in den USA und Kanada nimmt zu. Es ist ein teurer Röhrenverstärker. Wir bieten Röhrenverstärker aus dem Herzen. Wir warten jederzeit auf Sie.
Ich denke, Sie werden der erste Besteller in Ihrem Land sein,
Vielen Dank für Ihre häufigen Besuche.
Ich habe Google Translate verwendet und denke, dass viele Wörter nicht genau vom Japanischen ins Deutsche übersetzt werden. bitte vergib ihnen.
Kenji Mizushima
About speaker impedance and valve amplifier impedance
Tube amps, especially single-ended amps, usually have an output impedance of 8 to 16 ohms.
It is said that there is no transformer in the world that outputs 4 ohms when using a high-impedance vacuum tube, especially RCA 45.
The output of a tube amp is not constant, and in some cases it is 6 ohms. What happens if you use 4 ohms? A regular transformer may output 2W, but it is said that the output power will be halved if a 4 ohm transformer is used. I think that the straight attack is to output the high impedance vacuum tube with high impedance.
Universal transformer when using vacuum tubes such as 45 and EL84
There are no transformers that can output 4 ohms, as that can be expensive. It is said that it is difficult to output at 4 ohms in the case of a vacuum tube with high internal resistance, that is, 45 or the like. Also, there is no common transformer for vacuum tubes with low internal resistance and vacuum tubes with high internal resistance. Individual transformers with different characteristics can be manufactured, but can be shared
Transformers do not exist in single-ended amplifier transformers.
4 ohms is the problem. 4 ohms is usually used as a speaker for semiconductor amplifiers. In other words, it is said to be a speaker that cannot be used.
If you want to know more, please click the following reference site.
I think you can understand more about the speaker.
I am using profecional chassis for valuve amplifier by Takachi BOX Co Japan.
if do you have intersting on all about profecional metal box for electronics.
please see this site and you can get any kind of good termination of BOX.
Takachi BOX (Takachi Electronic Industrial Co.Ltd)-Special BOX- for Electronics.
please see this page above.if do not understand still you would like to use 4 ohms speaker by high impedanse valves amplifier
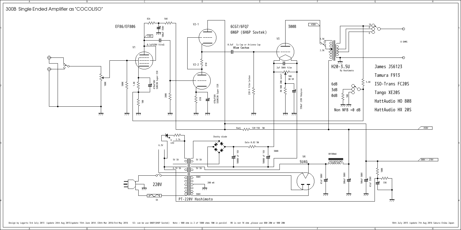
cocoliso 300B same circuit as Kanade 300B
This amplifier's same circuit can build up for EL34/KT88 but triode connection power is from 4W to 6W rms but triode connection or UL connection
I offer only USD 2600 dollars include valves and shipping any country.Audio Transformer is ex TANGO .ISO Tokyo Transformer using
This model is special version for EL34 and KT88 .same circuit using for EL34 but triode connection or UL.300B using China valves
Kanade 300B on 7th Jan 2019 made by Mizushima ASK Price depend on rate of USD
color of knob is only
color of knob is only this one not same as Kanade 300B
USD $ 3000 valve is China 300B
this price not include shipping cost USD $600 dollars is cost of shipping from Japan.because made in Japan hand made by Mizushima
I have critical problem so this time no shipping cost so I make good price for you USD $ 3600
from South America and South Africa are so far way from Japan so USD $ 3600
Knob are same model of cocoliso Type gold knob because I do not have any stock and Knob are discontinue model in Japan
in put is only 2 input in stereo un balanced RCA Type and Voltage is depend on your country current voltage please say voltages when you make order
This Knob only available for 300B single ended amplifier
Por favor, no crea que no puede comprar un amplificador tan caro. Por favor escriba su propio correo electrónico primero. Pasar por una agencia puede ser costoso.
Todos ordenarán directamente de mí.
If would like to know more information ?
¿Si quisiera saber más información?
si ud tiene duda por favor enviar me mail apretar icon de correo electronica arriba
Please watch price is changing every day depend on rate of USD $ .if you order I do not have stock need build up an amplifier to take time around a half
year for I am making your amplifier then send you to your country depend on shipping because covid19 does not function shipping company no normal.
if you have good luck a half year later will be get good 300B single ended Amplifier.please understand.
It is difficult to obtain parts due to covid-19, and some parts are not made in Japan.
It takes about half a year to make one because it is a small workshop. Please understand that.money transfer is 2 way Bank transfer or Paypal
SRPP LCR RIAA to getting good sound with 300B Single Ended Amplifier
This Knob only available for 300B single ended amplifier
This circuit using 300B Sigle Ended Amplifier is very stable and clear sound getting. Jazz and Classic. depend of Power transformer will be get about 8 W rms more
HC203.5U has 2 of primary impedance 2.5 K ohm and 3.5 K ohms can change sound stage .HC203.5U is just audio transformer for 300B.specially good for 300B.
Hashimoto does not have any power transformer for 300B use.so if order must be use 3rd party power transformer which has 400V x2 tap and 6.3V 3A x4 wound.
cololiso is using hashimoto PT-220V but PT-220V does not have over 5V AC.which means 5V AC not able to get 5 V DC .and plate voltage is low for 300B.
It goes without saying that 2A3, 45, EL34, KT88, etc. are products that FC-20S gives excellent low range and mid-high range. Above all,
I think it's good to be flat up to 90KHz even if it's naked, that is, non-NFB.
By the way, the compatible amplifier of 2A3 45 cannot be a completed amplifier unless it is this FC-20S, so Hashimoto HC-203.5U is not recommended for vacuum tubes other than 300B.
And Regarding the characteristics of the recent PSVANE 300B, this vacuum tube is not a special vacuum tube that is normally distributed, but a vacuum tube that is described as PSVANE 300B.
The price is reasonable and cheap, yet it is a vacuum tube comparable to the WE300B.
It's a low-priced tube that many Audiophiles have rated as producing a sound very similar to the WE300B. PSVANE300B is a well-received vacuum tube.
It is a vacuum tube with good sound gloss and good linearity.
The 300B with the best evaluation in Japan is said to be JJ 300B.
How long does a vacuum tube last? I think it will last for more than 5 years after using it every day for several hours.
In my experience, I've been using it for more than 15 years with a few watts of power for hours every day.
Use an efficient speaker to maintain the burden on the vacuum tube.
A high-efficiency speaker is a speaker with an impedance of 96 dB/m/w or higher and an impedance of 8 ohms.
I've been scrutinizing for 10 years and making changes
These two are American Model 300B Single Amplifiers.
I haven't put out unreasonable power so that you can use it for a long time. Maximum 8W
It is about. Output resistance is recommended from 8 ohms to 16 ohms.
The two amplifiers basically use the same circuit. The delicate sound produced by EF86 is the first stage. Drive powerfully with 6CG7.
This amp was developed for listening to recent jazz and classical music in a small room.
ISO Tokyo FC-20S retains the same characteristics as XE-20S, which is famous for tango.
ISO Tokyo FC-20S using 300B Single Ended Amplifier USD $ 3000 but ask detail valve is 300B china
Hatt audio has 2 type HO-808 box type and band type .which better.Band type is good than box type.basecally same but
Band Type is better than box type Mr Omi said . slightly price is small different.both are 80mA max 600 V capability.
This amplifier is special version same circuit using kanade and other 300B is chinese.only one channel input unbalance.
2 volume control .power transformer color is only black.output trans is equivalent of U-808 ex TANGO.
deliver from 7-8 W rms.H808 is seem like FC 20S. Band type of H808 B is much better than box type H808 and quite low cost
and much more inductance Mr Omi said.price is Box type is up almost USD 100 dollars different.
I have been Pioneer Chile 4 years, Sony Japan 5 years Sennheiser Japan 2 years in the past
Panasonic has been an employee for 16 years.still working somewhere in Japan as technician.
for smartphone
Various living environments and lives have gone crazy with convid 19.
Successful development will be after 2023. However, I am doing minor updates. Thank you for visiting this site.
Plays Tomomi Concertiste Mizushima 300B Single Ended Amplifier
easy build up CD type RIAA for Record player LP
hifiberry and 300B Single Ended Amplifier on 2020 lampa chile
Note very impotant:
A seriously made amplifier can be used for more than 20 years took 2nd Nov 2021
WE 300B Single Ended Amplifier with James Transformer
made special name plate for this amplifier
Schematic is next, very clear sound and more powerfull sound I am getting.
casuse of 3 Stages Amplifier.from low frequency to high response are so nice.
I am using FE86 philips old type of FE86 with mesh plate for input line.
in generaly I am using for Main Amplifier at home from 2004.2 stage of 300B SE
with SRPP drive is a little bit difficult push low efficiency speaker like a my
System NS 300(90db/m/w).but this type of 3 stage amplifier is easy to push
low range.I like 300B with James JS-6123HS. Built up early 2004.
Actually ,,still using this 300B Single Ended Amplifier ,,EF83 + 6N1P + 300B EH ..enough ..good bass and mid and high is very clear.
and position of load impedance is 2.5K and I connected 6 ohms speaker 91dB/m/w so equivalent load impedance is around 2.7K ohms.
plate voltages 420V respecto with ground. coupling capacitor are Del Ritmo Vita Q ,low cost capacitor but getting sound very natural.
Max Power is 8 W rms.nominal power is around 7 W rms. much better than 2A3 but I like 2A3 sound from medium Efficiency speaker system.
Note: Single-ended amplifiers have low output power and require high efficiency speakers.
The efficiency must be at least 91dB/m/w. A full range of 96dB/m/w or better is good.
Some people use a horn type speaker with 100 dB/m/w. Choose high efficiency speakers instead of expensive ones.
please comparare with some Tango Transformer,James Transformer is narrow BW
tranformer terminal are assigned counter clockwise.so easily find which is primary and secondary.
Why Japanese Transformer are good !!!! much wide than any transoformer :FE12 Tango
>
This is H20-3.5U semi universal audio transformer USD $ 600 dollars pair
PMF15WS Budget Transformer General Transformer sales co Japan. USD $ 230 dollars pair
James's band width is not wide range, please compare with ISO Tango Transformers.
price is almost same as XE20S but technology does not reach level of ISO Tango Transformers.
if would like to buy James Transformer please see Tango XE(FC-20S)-20S and Hashimoto Transformers,
much better for use single ended Amplifier.even FE-12S ISO Tango is good transformer.
often using Touei Transformer for Test and Kasuga Transformer too and budget transformer.
charactor are not so bad,both are small transformer maker.but get good quiality product.
one thing only making small power transformer.
this time a little bit change few things then changed upgrade sound getting with JS-6123HS.
choose 2.5K ohm impedance much better than before.not so bad sound getting from 300B SE.
Recommended Audio Transformer for 300B Single Ended Amplifier:
ISO Tango :FC-30-3.5S,XE-20S,U-808,FE12S,S-2595(40W 2.7K),S-2197(20W 1.5K)=FE-20-1.5S),(Tango are change impedance
secondary tap for universal transformer.a couple years ago quite.but 2016 started again.
Tamura : F-2007,F-5002,F-7002,are almost max 8W and high price.F-5002 is good.
Recently Tamura has new line fpr Single ended amplifier.each one 's weight is 5 Kg.very heavy.
: F913、F912 and F915 are new .very reasonable price but max power is only 8 W.
Hashimoto : H-30-3.5S,H-20-3.5U(2.5K/3.5K 20W)(Hashimoto's transformer are change impedance at primary)
and
Noguchi Transformer.Noguchi does not have factory but big company made for Noguchi.PFM-15WS (15W)is good.
very nice transformer for single ended amplifier.
WE300B Single Ended Spec table
EH 300B SE and 24 bit DAC on 1st Mar 2012
Then next circuit is version up circuit on Jan 2012
first stage is ECC82(Ecc802S),12AU7 and 2nd stage es 6N1P or ECC88 then 300B.
much better sound getting from 300B. future I would like to replace other MFG Audio Transformer.
I did small up date of my old 300B single ended Amplifier.
frequency response is 20Hz to 75Khz at -1dB non NFB and 20Hz to 85Khz at -1dB with 5dB NFB.
sound is not so bad than before,more clear and good frequency response which using 2.5K .
Power is 7 W rms. must be use fix bias for more power.but 300B tubes are expensive so
does not need much voltages and power for one's pocket money.that's enough.
some day I will try fixed bias for this 300B single ended amplifier.
coupling capacitor are using Tone Factory Vita Q paper oil capacitor.
sound is very good clear tone from Tone Factory Vita Q.I recommended to use single ended amplifier.
this amplifier using KOA resistance.will be replace AMRS resistace at all.
resistance AMRS are good and good C/P has.just quater of price of AMRG but sound are very good.
there are carbon corted resistance.AMRG is also carbon and surface around tube of alminum then
corted by carbon painted. sound is very good low to high range.AMRG is about USD $ 3.0 dollars
in Japan slightly expensive resistor.AMRS is USD $0.6 dollars in Japan.
economy but sound is just same as AMRG.what kind of resistance is good ? Skelton and
Z201 Vishay resistance are very high cost but very good.
all signal resistor are replaced with AMRS and some parts is AMRG.
so what is matter with this amplifier sound ? very clear sound and female voice is
more feminin like and Pianos touch is very real now.this is carbon resistance sound.
But does not get low ranges, this is world of audio.sound is very clear but does not get low.
I will be back to Matal corting film resistance by Takman Electronics co Japan.
Takman Matal film Resistance(REY) by Takman and web site is Takman Electronics Co Japan show above picture is Takman resistance, very budget resistance but sound is best for me.
to get much low range and mid /high is so sweet sound.REX and REY are for Audio resistance.
and this is Metal film resistance RSN1S TDO resistance
Charactor: Sound is good low ranges and good high range . if your amplifier does not get good low(Good Bass).
please try to replace of all resistance of Metal film resistance. You will be get good Bass and high frequency
tone. famous resistance are "KOA metal film MOS1/2C " "Vishay Metal film Z201" "Skelton Fukushima-Furaba"
"TDO, Solist or Takman Metal film" "Vishay MBB0207-50F" "AMRA" "Rikyu RO-25CFK"
"Vishay RN65D" "Takman RLF" "Tokyo Koon denpa RD" "Nikkohm solid resistance RP" "Alfa Electronics FLCX"
"Vishay VSR" "Takman REY" etc etc.
so recently I like sound of "Takman REY" and "Takman RSN1S" to get good bass from
my single ended Amplifiers.Nikkohm RP are good too.
Takman Resistance Co Japan
Nikkohm Matal Resistanceuse for High End Audio and RF
so Resistance change sound of your Amplifiers.
probably the carbon resitance are good for pre-amplifier and some parts in power supply circuit.
how about you ? please try to use different resistance into your amplifier D.I.Y
EF86
If do you have same circuit 300B Single Ended Amplifier or 2A3 Single Ended Amplifier please try to use replace EF86 various and use EF80 instead of EF86.
quite good EF86 of Valvo,Telefunken Mesh Plate.I am using UF86 instead of EF86 this valve is 4 V heater.
UF86 is different type but same charactor.
UF86 can't use this amplifier because filament is 4.0V EF86 is 6.3V.
this UF86 is very low cost to get one good condition.must be modify heater voltages.
Specially speaking, the EF80 is low noise.
Other original mesh plate tubes have low noise
That's right. EF806 Gold is good too.
JJ Gold pin EF806
Good and very low noise EF80 Valvo
My one of customer using EF80 this is 2A3 Single Ended Amplifier in Chile
Altec A7 + 300B Single Ended Amplifier by You tube 2016 Aug
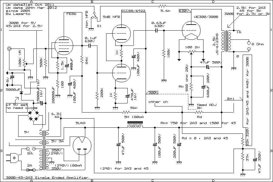
same circuit can be use for 300B,45 and 2A3 Single Ended Amplifier
Same circuit can be use for 45,300B,2A3 for Single Ended Amplifier
few components replaced will be use other type of tubes single ended amplifier.
EH 300B Single Ended Amplifier SPL 91dB/m/w (using fladance mp player) take long time for down load!!
Natalie Cole sing by PSVANE 300B Single Ended Amplifier on Jan 2019 shematic is same circuit of Takumi
EH 300B Single Ended Amplifier 2 type of Music (using fladance mp player)
Plays Diana K by Raspberry Pi B+ and Volumio 1.55 ,DAC is I2S PCM5102A and James 300B Single Ended Amplifier
DSD 2.8 Mhz coverted Dop (PCM) ,I2S DAC is very easy to build up by You.
How to get high voltage from low voltage for 300B single amplifier B+
Recently many Diyer using this kind of circuit .for getting high voltages from low voltages wind of transformer.
just circuit so if try to test this circuit please test cut and try.will be get high voltages easily.
One of hint for 2A3 and 300B compatible Single Ended Amplifier DIY
About circuit diagram ,,show next
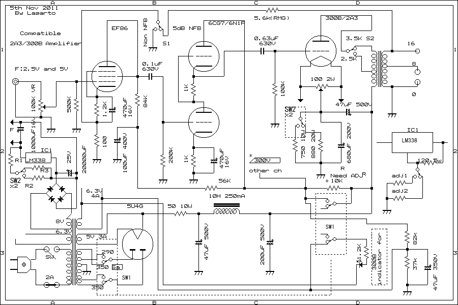
2A3 and 300B Compatible Single Ended Amplifier circuit
This circuit is just design for Dr Tim Williams in Australis. he made it's and good results.please see Note of how to make one of single ended amplifier.
His Audio System DiY A to Z ,He is using James Transformer for 300B and 2A3. please visit to see.
and just one of idea for compatible amplifier for filaments circuit shown next
Note: I am using EH 300B in general.some time using WE300B and 300B Cetron when some visitor came to house. always using EH 300B. impedance is 2.5 Kohms.
3.5K is very histeric sound of girls .so 2.5 K is much better than 3.5K when connected 6 OHM speaker system.sound is soft and much bass before.
many person said Sheungwan 300B-98 is best. so I have some money I will get one pair of 300B-98.
other one is ,,Akihabara in Tokyo best sold 300B is 300B JJ .many audiophile said same words. 300B JJ is good sound stage.
without expensive 300B tubes. and Keiko(NGG) 300B is good.how about ? and what do you think ?
Plays Jazz by Raspberry Pi B+ I2S PCM5102A DAC on 1st June 2015
How about use for sound source from Raspberry Pi B+ This is not toy..High End Audio
My amp production is a product that is produced by prepaying Audiophiles all over the world. We are making and testing with all your heart
Such an amplifier can not be manufactured only by my income. It is a garage maker established by the act of the production client. Please understand it enough
The price of the amplifier costs at least USD $ 3000 dollars. This includes amplifier parts, hassle, and shipping costs is never a profitable job
80% or more is parts cost and use very expensive Japanese parts. The quality of parts made in Japan has fallen and not necessarily made in Japan.
I brew -Hand Made Single Ended Amplifier for you_PRICE LIST of AMPLIFIERS
Western Electric Co Still here
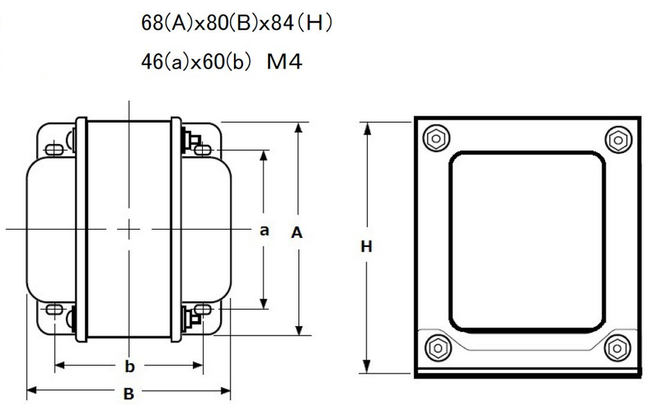
Hashimoto H20 3.5U 300B Single Ended Amplifier
This time will be use H20-3.5U Hashimoto Transformer for 300B Single Ended Amplifier 2016
Still using 300B Single Ended Amplifier with Raspberry Pi Volumio Music Server 2016
PSVANE 300B with James Transformer 300B Single Ended Amplifier on Feb 2016
If would like to build up one of 300B Single Ended Amplifier ,very much stable on May 2016
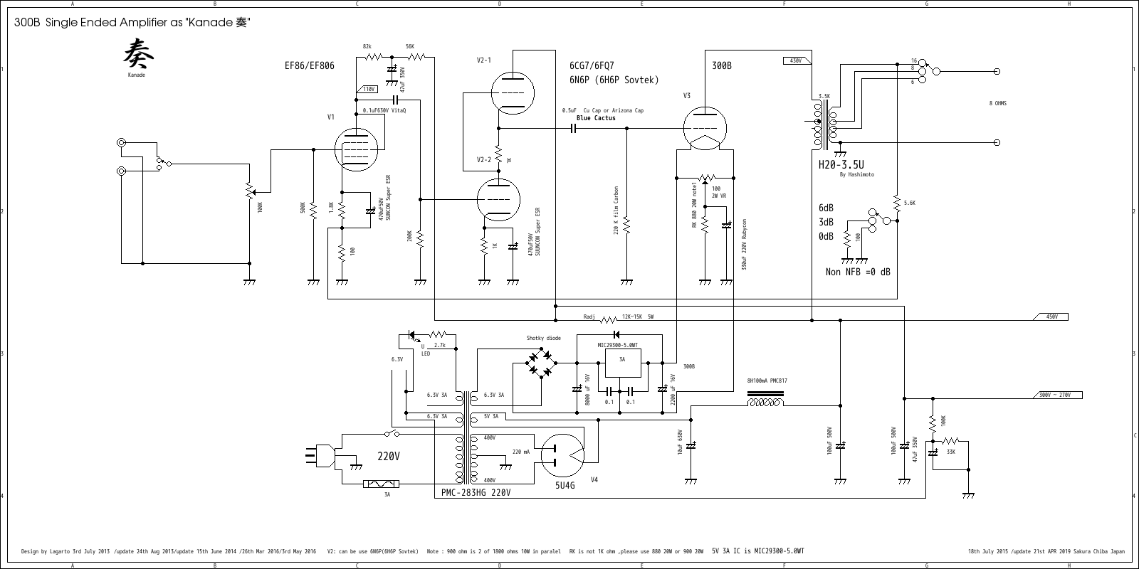
Note: Driver used be use 6DJ8 family but much better use 6CG7/6FQ7 and 6N6P .6N6P is same of Sovtek 6H6N 4.8W dissipation of plate
please adj resistance .12K ~15K .but must at leaset need B+ 420 V.top of plate is 430V ~ 450V respect with ground.
2dry of Power Transformer need at least 360V( recommend to use 380V ~ 400V ) and until ~ 400 V.if you think high getting replace first capacitor of filter to minor value.
if would like to use with James transformer ,nothing problem to use.this circuit.Hashimoto H20-3.5U is very wide frequency response
from 20 Hz to 120 Khz at -6dB NFB. and Non NFB is 20Hz to 90 Khz frequecy response ,just like XE-20S of Tango.
if would like to use PT-220V or PT-220P even PT-220 .please ask dealer of Hashimoto about change spec of transformer.which are replace 0-4-5 3A to 0-4-6.3 V x2 wound.
there are very important ,because 5V AC can not make 5 V DC .4.8V if use shottky diode probably get 6.0 V so it enough to use 300B Single Ended Amplifier.
if use shottky diode will be get around 6 V DC then adjust some sires resistor for adjust voltage of filaments.
PT-220 Hashimoto can not use for 300B Single Ended Amplifier.if would like to buy one of Hashimoto,much better use local transformer at your local.
many small shop can make these kind of transformer for power supply.for ex some motor company, repair shop for motor.small taller repair's motor.
be careful ..... PT-220 Hashimoto can not use any Single Ended Amplifier for Direct heating Single Ended Amplifier which is using DC filament.
Hahimoto does not have any product of Power Transformer for direct heating DC .even Tamura , Noguchi(no own factory,only name).
so have to order to small company. one thing very important ,do not buy PT-220 Hashimoto if would like to get good 300B Single Ended Amplifier.
300B Single Ended Amplifier with WE300B 97 0n July 2016
Hashimoto(Sansui)H20 3.5U 300B Single Ended Amplifier + JBL L40 on Aug 2016 Santiago Chile
Altec A7 + 300B Single Ended Amplifier by You tube 2016 Aug
By PSVANE 300B
Altec A7 with Guitarist Chileno plays ,took on 3rd Sep 2016 by Mr H C
By Shuguang 300B-98 Mesh
Power transformer detail
transformer voltage asignment ,just you need this kind of power transformer
I like Direct Heating Triode Single Ended Amplifier
TAMAOHM
Real Made in Japan for 300B Single Ended Amplifier
This product is New product from TAMAOHM Japan. they make only resistance .photo is 880 OHM 20 W wound resistance .
TRH Type and they has from 5W to 1KW products.type of product is "Power-type non-flammable paint-coated wire wound resistors"
Special made for 300B Single Ended Amplifier.each one price is 1300 Yen(Japanese Yen) ,sales shop name is Seta Musen.
in Akihabara Japan.if would like to make contact Mr Fukunaga fukunaga(a)mars.dti.ne.jp
(a) is instead of @ . a part of e-mail address.and Tamaohm 's Site is TAMAOHM .
for catalogue
ISO (ex ISO TANGO)is re-Started
Started from 2nd OCT 2016 as ISO TRANSFORMERS CO Japan
they have FC-20S instead of XE20S only name of transformer is different.and Name of company is no more TANGO.
New company re-started by ex employee of ISO TANGO.real new company of ex ISO TANGO.and New Name of company is
ISO TRANSFORMERS CO JAPAN.
I am using Kester solder for all amplifier of mine
As you know many guitar Amp maker is using Kester Solder for build up his Amplifier.
long time I am using this Kester Solder. LOT# W121307 .Kester USA why I am using?
because good.more than 10 years using this one.
Just before Burn in 300B Single Ended Amplifier on 26th Nov 2016
300B Single Ended Amplifier on APR 2019 Name is KANADE
300B is very good valve,even China product QC is going up and PSVANE 300B 's sound is very close to WE300B made in USA.
and getting enough power at home.personally I like 2A3 Single Ended Amplifier with good audio transformer,but sometime
not enough power to get.first amplifier for one is EL84/6BQ5 Single Ended Amplifier.2nd Amplifier is 2A3 SET.then 300B SET.
these line are very useful at small room.
Very good sounding from 300B Amplifier on Jan 2017
Schematic diagram is above and getting 9 W rms
And 2017
Hatt Audio Lab HO-808 300B Single Ended Amplifier 20th Mar 2017
with Cetron 300B just seem like original western 300B sound is great than EH300B
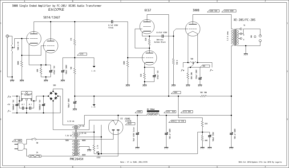
XE20S ( Hirata ) using 300B Single Ended Amplifier on Nov 2017
Schematic Diagram is here ,, EF86 is very difficult to get country side so choose ECC802 in parallel
If going up voltage of B+ ,can be use 10uF 630V at first capacity of power supply after 5U4.will be get B+ 435 V .this transformer capacity is
400V x 2 and 280 mA.so if your amplifier 350V x 2 AC ,can be use 10uF 630V for going up B+ around 400 V.a little more power than 47uF 500V.
just try.
10uF 630V film capacitor for first cap for power supply
This Encore 300B Single Ended Amplifier ,replaced 5814A Sylvania instead of ECC802.very clear and getting tight bass than 12AU7 family.5814A is
one of family of ECC82/12AU7 but different rate of them .sound is very stable and thinking good for Jazz. Piano solo.Sylvania 5814A is good.
first stage of 300B Eingle Ended Amplifier
In Santiago Chile on Feb 2018 with Altec VOT"he said very good match with ATC100 Speaker System
By YouTube,,,up loaded on 25th Nov 2017 ,ES9023 I2S DIY DAC Using 300B Single Ended Amplifier
which 300B Valve's Sound is Best
1 PSVANE 300B Made in China
2 JJ 300B Made in Czech Republic
3 Gold Lion DX 300B made in Russia
4 CCI 300B-98 Made in China
5 WE 300 B Made in USA 1997
6 WE 300 B Made in USA 1987
7 Takatsuki TA-300B Made in Japan
8 EH 300 made in Russia
It is based on the result of voting by 30 Audiophiles some day in Tokyo , it seems that it was "blind test" to exclude prejudice, so let's make a great deal of mind.
so most low price of PSVANE 300B is best to get good sound.I prefer too. actually I am using PSVANE 300B.sound is very good and enough to use my room.
and very much enjoy listen Music every day. very cheapest PSVANE 300B is best price and best sound.
WE 300 B is not necessarily good in the world.
I also feel that the sound is also clear and if used it sounds better. PSVANE 300B is a very good reasonable vacuum tube.
The LM78T05 5V 3A IC has been discontinued
I realized that I hadn't bought the LM78T05, but I thought it would be somewhere. I understood that I was not in Japan and I was asked by an IC importer.
If you check the distribution route, it turns out that there is no, compatible IC is called LT323AT. To be precise, it is a regulator of the LT323AT LDO. It is around 700 yen for 1 piece.
There was other compatibility. MIC29300-5.0WT ◆ The name is 3A, 5V. Therefore, two kinds were hit. I ordered several pieces because each store seems to have stock.
The first 300 B single amp in 2019
The power transformer has been made one rank higher. As you can see from the circuit diagram, it is 430 V even if the B + voltage is loaded. That would have increased the plate current.
The low range has improved considerably. I also feel the same feeling of power, I can create an unmistakable sound either listening to Jazz or listening to an orchestra.
The power supply transformer is a special-purpose transformer for general transformers and sales stocks. The price was also reasonable. I have not measured it, but I think it is within the rating. Various until it produces a result
I tried a transformer. It is change of the existing transformer and the power supply capacitor. The rectifier is 5U4. I was asked to wind 5V 4A from the request to use this vacuum tube overwhelmingly.
I do not understand only the sound of youtube below, but I feel that it is clearly improved when listening to modern music etc.
big size of power transformer using new 300B Single Ended Amplifier on June 2019
Kanade 300B on 7th June 2019
Sound getting from NanoPi-Neo Music Server ES9023 DIY DAC on 7th June 2019
Plays Tomomi Concertiste 300B Single Ended Amplifier
Mr Hugo's room in Lampa Chile on 15th June 2019
Hirata Tango XE20S made on 2018
by Encore Cetron 300B picture came from chile .14th Aug 2019
The sound of these classic 300B tubes, which are a copy of the Western Electric and made in the USA,
is very similar to the Western Electric 300B: medium-range, high-definition range, with a touch of sweetness that does not affect the naturalness of the sound .
The response of the low frequencies is of great presence, perhaps more pronounced than the Western Electic.
The average frequencies go on the air with the same fidelity of the recording: if the recording is bad the sound is horrible, but with high-resolution recordings or high-quality CDs the sound is sublime,
you can distinguish even the different timbres of different violins , and even the timbres of the different strings of the violin ... is the extreme high fidelity.
With these tubes and this amplifier you have to have the entire audio chain with the same high quality. And if the source is not up to the tube and amplifier better forget ...
It is a privilege to enjoy vintage audio jewelry like these Cetron 300B tubes.
It is difficult to imagine that the musicality of the 300B tubes of the Cetron and Western Electric brands can be overcome.
Audiophile greetings,
jbl-fan
at home in Lampa Chile Takumi 2019
on July 2019 update model of 300B Single Ended Amplifier.
Kanade 300B Single-Ended Amplifier on 30th Oct 2019
Kanade 300B on 30th Sep 2019 in Chile
Mr Juan Guillermo Navarro Montecino from Santiago Chile had a KT88 single that I made 16 years ago .photo took at 30th Sep 2019. He passed away on 2021.11.26.
He was 99 years old. Is
I sincerely pray for your soul. It was with Audiophile, which is very famous in Chile.
A friend of mine reported that all the systems were taken over by his son, Audiophie.
It also means that my lovers have increased by one.
Mizushima 300B Single Ended Amplifier Play Piano
This music use is with permission from the person.
RIAA LCR by Mizushima
This RIAA using LCR, uploaded by Mr Victor Serrano in Germany
All of Amplifier are made by Mizushima Japan
USD $ 1600 dollars include shipping and valves,only RCA input MM.
Customers say that they have purchased quite a few RIAA equalizers in the last 20 years.
Some of them cost thousands of dollars, but I was interested in the RIAA that Mr Mizushima made because I had the opportunity to use it.
He said he had time to listen to the thousands of vinyl records again. He said that he was very satisfied with the reproduction sound that was close to the original sound.
I think you can understand it even on youtube.
I think that the sound of recent vinyl discs can be played with a RIAA equalizer manufactured and sold by any major audio manufacturer and feel that the sound is thin.
I think that this LCR type equalizer can give you a relaxed and comfortable sound that you can feel when you listen to it.
You can make your own, but I don't think $1600 is an expensive price.
Mr Victor Serrano says that the sound is highly praised. In his case, it was a prototype, so it cost US$3,000, but he said that there would be people who would buy it for US$5,000.
Only this time, I am thinking of making and selling it for $1600 US dollars only for customers in the USA. We do not have stock, so it will take about 3 months.
Customers are limited to USA. One reason is that due to covid19, EMS distribution is only enabled in the United States.
The best sounding phono equalizer in the world at a low price. A very good sounding equalizer preamp that few people have experienced. make a sound
I'm sure you'll be impressed. This is an equalizer preamp designed in line with the RIAA.
Note:
The Recording Industry Association of America (RIAA) is the trade association of the recording industry in the United States.
Many record labels and distributors are members, and it accounts for 85% of the total distribution volume in the United States
Parafeed 300B Single Ended Amplifier on 2019 Nov design (only plan)if would like to see please going next page
As everyone knows, an electromagnetic transformer can reduce low-frequency attenuation by inserting a gap in the middle of the loop of the transformer core,
although it depends on the winding method. This is because the core is saturated in the low frequency band and the low frequency is insufficient. To prevent this,
make a gap or gap in a part of the core. Of course, the efficiency will be worse, but it will lead to the compensation of low frequencies. As another method,
there is a method to use without passing a direct current through the inductance from the time when the vacuum tube amplifier was invented. This method is called the parafeed method.
This is also not very efficient and is related to inductance and so on.
It is this method that these methods can be used because of the good inductance and the quality of the coupled capacitor these days. Recently,
this method has attracted attention in the development of magnetic materials with low DC resistance and high inductance.
According to the manufacturer of the tube amp, it is called the sound of a transformer.
The sound differs depending on the quality of the transformer and the winding method.
He recommends using a good trance. I think ISO and Hashimoto's transformers are the best. ////Traduce by Google
The idea was devised in 2019, but since then I have changed only the schematics several times. After being pointed out by the Turkish DIYer, the circuit diagram was reviewed.
Fill in the numerical value Fill in the watts such as resistance and re-write.I think it will be a 300B single amp that brings out a crisp low range.
rewrited on 7th Feb 2022.
Cocoliso 300B Single Ended Amplifier has new owner in Chicureo Chile by Mr Pablo Prado Nov 2020
so 300B cocoliso has new owner is very good things
His system with 300B Amplifier Speaker is Diapason Adamantes 6 Ω 91dB/m/w
The Cocoliso 300B has changed owners twice a times and eventually to Mr Pablo Prado of Chicureo, Chile, and about three weeks ago I received an email and asked for a picture
I received the image via email on November 30, 2020, and here it is. The speakers are made in Italy by Diapason Adamantes.he listened to them before using them.
First of all, I'm very happy with them. I'm sure you will take good care of it.
cocoliso 300B Single Ended Amplifier in Chile Dic 2020
This circuit uses a diode bridge, which is very common these days. The rectifier tube is not used as a rectifier tube, it is just used as a damper for the voltage drop of about 60V. The rectifier tube is not used as a rectifier tube.
If you look at Amazon's website, you will see that the PSVANE factory in Shenzhen burned down last year in 2020, and they were unable to get good vacuum tubes, so they made this circuit as a result.
But the rectifier tube does not play the role of rectifier in this circuit.If use normal circuit and normal Japanese transformr will be come good amplifier.these thing is problem of Made in Chaina.
It's a shame, but I think it's a good amp for educational purposes.
this is 2A3/45 Single Ended Amplifier Bohemia .owner live in Tacoma.WA USA 2021
Revox A77 and Takumi 6th Sep 2021 Lampa Chile
If would like to buy one of 300B Single Ended Amplifier from me Kenji Mizushima please ask to me before order . because rate of USD is different every day
Takman where you can buyout of Japan
Takman where you can buyfrom Acoustic-Dimension
Radio Garden warld wide live radio ,you can find any small town's station any counry and country side
If would like to know more ?
Mail by in English , Spanish and Japanese
Since 300B SE Amplifier circuit on July 2004 Yachiyo Chiba Japan last up date 23rd Jan 2026
By JH1DAS ex WB4ACI
How to build up Amplifier Single Ended Amplifier 2003 - 2026