This type of 300B Amplifier built up more than 20 Amplifier ,very clear sound and good bass when using Hashimoto HC-3.5U and FC-20S transformer.
much better than any circuit using single ended 300B Amplifier. I love this type of 300B Single Ended Amplifier.EF86 + 6CG7 and 300B.
Takumi 300B on April 2024 in Lampa Chile
This is the first amp I recommended to him. It was around 2016.
I made it for about $3000. Shipping was expensive and cost about 60,000 yen. I remember making it quite quickly.
At that time, Noguchi did not accept special orders for transformers, so I had no choice but to ask Kasuga Musen. Does not come with ham proof.
But it's not bad.It's a power transformer for 300B. I think this is the third time I've had Kasuga.
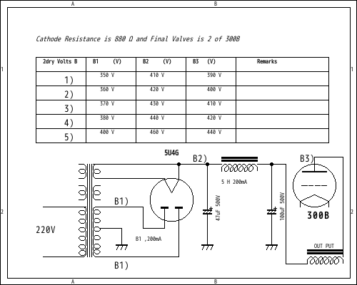
It was a small transformer, probably wrapped in a different way. I didn't know how good 300B's B+ was, so I went with 380v. In other words, it was a 380X2 center tap.
The customer was very happy.The 300B can output more than 10W with fixed bias, but the worry is that it has a short lifespan.
Hashimoto was division of Transformer for ex Sansui Audio Company
Cetron 300B using Single Ended Amplifier on 2016 June
Note: Cetron 300B is made by Rechardson Electronics around 1995 Made in USA .100 % copy or same of WE300B
WE300B (1996)using Single Ended Amplifier on 2016 June
My first 300B Single Ended Amplifier around 1997 after I bought one pair of WE300B on 1996 in Tokyo
my speaker system is 91dB/w/m so just not enough for not all kind of music good when I am using 2A3 single ended amplifier.
still I like sound of 2A3 and 45 but not enough to use low efficiency speaker like less than 91dB .must be use at least 95dB when
using 45 and 2A3.and must be use power band is width.
PSVANE 300B Single Ended Amplifier Feb 2016
Bifuu V1 微風 PMF-20W was using for Audio OUT on 2007
In general ,am using EH300B normal.long time using china's product Goldend Dragon 300B and Golden Dragon 4300.
almost 10 years ago replced with EH 300B until now.I have WE300B and Cetron 300B but only each one pair.I never use these kind
of valves.just keep and see sometime.10 years ago ,this amplifier built up on 2006 ,,,with James Transformer with tap of load is
3.5K ohms. just boring sound.so using 2A3 SET ....listen music with 2A3 single ended amplifier which is using XE-20S Tango.
many person using 3.5 K ohms for load but some spec said correct load of 300B is 2.7 K ohms.a couple years ago change to 2.5 K ohm
then sound is more powerful to getting and good bass.I like cheap EH 300B ,almost 8 years using.EH 300B is good now.
Characteristics of the vacuum tube has changed in almost 9 years.this valves are much better than orginal.
Western WE 300B is WE300B. but EH 300B(long time used) is good for me.la cream de la cream.good for Jazz and fusion etc even Classic.
If would like to see some circuit diagram Schematic diagram for 300B Single Ended Amplifier.
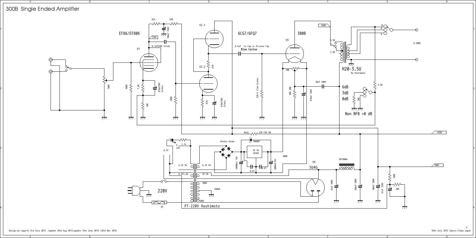
Schematic diagram of Hashimoto H20-3.5U Transformer use 300B Single Ended Amplifier on 20th Jan 2016
if would like to order Takumi Type Amplifier I will be use update version of power transformer show next
Bacecally same as Takumi but power transformer is up grade type using.may be more power but a little than Takumi.
Note :When use 5AR4 for V4 power is around 8W rms max and 5U4G is 7 W rms max. V2 is 6CG7/6FQ7 for normal use.
recommend use 6CG7/6FQ7 in general use.but 6P6N can be use.this is Sovtek ,Sovtek name is 6H6P
This is simbol of 6P6N ,actual Sovtek name is 6H6P
Dissipation of 6H6P Sovtek is around 4.8W each one.more than 6CG7
Show Data of 6H6P Sovtek and Tested on 300B Single Ended Amplifier ,very clear and get good bass
2ndary of power transformer use from 360 V AC to 400V if would like to use 5U4G
if would like to use 274B and CV378 must be use value of C1 is 22uF 500V, 274B is 16uF 500V dont use 47uF 500V.
frquency responce are 10Hz - 80 Khz Non NFB at 0.5W and 6dB NFB can get 10 Hz to 130 Khz response at 0.5 W.
Very much wide range I am thinking good for High Reso replay's Main Amplifier.
this amplifier is need at least 5 years for EAGING.will be good 300B Single Ended Amplifier.
Difficults get more than 8 W rms of 300B SET but 7 W enough for at home if do you have good Speaker
This circuit is using very much common and long time using as James Transformer single ended amplifier.circuit is very stable.and sound stage is fine.
this time will use same as above H20-3.5U Hashimoto.power band is much better than original.
schematic diagram was wrote for 220V AC Use for South America even use for Europa.coupling capacitor is type of Arizona Oil Paper Cap.
valve will be use PSVANE 300B.some one said PSVANE how to read .came from PAVANE .wrong letter of PS and PA in China.
Coupling capacitor is Ariona Blue Cactus capacitor.this amplifier can be use 2.5K and 3.5 K ohm position of load.sound stage is very different each other.Hashmoto and Tamura has
4,8,16 ohm position for speaker impedance.so change by one of Switch at backside.offcouse change NFB Level 3 position,0dB(Non NFB)and 3dB ,4dB.
many case of 300B single ended amplifier use as 3.5K ohm load but sometime thought, 2.5K load much better frequency response and much more bass to get.
saw some case choose 2.7 K ohms load.and many Tamura 's trans use as 3 K ohms.so what's,,, 2.5K if ones has ,recommend to use 2.5 K for Jazz.just try good for Jazz
plays.plate voltages is about 430V means -70 is bias. = Plate Voltages is around 360V.25 W of dissipation,if get good luck may be ,will be get 7 W rms.
300B can get more than 7 W until 10W (18 W rms can be get)but valves are expensive even Chinese much better use 7 W rms for long time use.
If one's have over 96dB Speaker System like JBL A19.A7 etc it's enough to use 7 W rms power of 300B Single Ended Amplifier.
This Amplifier has one of SW for 2.5K and 3.5K plate impedance . 2 impedance is very different sound will be get.how to use this Sw .Jazz for 2.5K amd Classic for 3.K.
out put impedance is 4,8,16 ohms depend on what kind of speaker using.can be select impedance which you 'd like to use.
many person would like to use as NON NFB Amplifier to get natural , clear sound at 0 dB Non NFB position. otherwise can use 3dB and 6 dB of NFB position.selected one
of Switch top panel.6dB of NFB position will be get from 10Hz to 100Khz within +-1dB very flat at 1 W but sound like Solid State Amplifier feel like very dry.
Non NFB of Powe Band is around 10 Hz to 70 Khz. but very clear sound.DF is around 2 at Non NFB and -6dB NFB's DF is around less than 3.
I am using EH 300B + James Trans ,just 10 years nothing problem with 6 W rms.probably much bass getting with 10 years old EH300B than new one.
so any Amplifier must be use more than 10 years.no replace final valves.how about sound of Hashimoto HC20-3.5U 300B Single-Ended Amplifier Sound Stage ?
why 7 W rms max. from 300B Amplifier. because old man never get a lot of pocket money. long life time of use 300B low power or 2A3 SET.2A3 SET is around 4 W rms.
some time not feel enough power.so needed 300B SET.but no need 10W rms.KT88 and KT120 will be get more than 10 W but sound is very different.only Triode Single Amp
feel better.so 300B and 2A3 SET I like.please understand what I would like to say,,,,,,,
I can not show you inside of amplifier because very small space inside of amplifier and using big component using. so very crowed.just like sardina can.
Cathode capacitor are Nichicon 470uF 160V at 300B. other small bypass capacitor are 470uF 16V SUNCON(Sanyo/Panasonic 108 deg)and Coupling Capacitor are Arizona Cap.
all resistance are using Takman Metal film (REY).only two place at grid resistance of 300B are Carbon film (REX).Power resistance are KOWA Kiwame and Dale.
Revox A77 and Takumi 6th Sep 2021 Lampa Chile
Natalie Cole sing by PSVANE 300B Single Ended Amplifier on Jan 2019 shematic is same circuit of Takumi
Rubycon 220uF 200WV MXR made good sound at Cathode of 300B
and driver stages's cathode capacitior using suncon capacitor ,sun con is used be named of sanyo capacitor.some of made in indonesia and Japan.
Rubycon is famous as Black Gate. Rubycon low loss capacitor are good wide range response at low impedance and cheap.I think you can buy any
where in the country.
SUN Industry Co as SUNCON capacitor
Sanyo Capacitor are very famous as OS-CON show photo ,very low impedance at wide range .now available from Panasonic.
but be careful to use where place of high temperature.because change character.never use into valve amplifier.
off course lead of capacitor by solder iron made changed character of original.need at least a week for aging(heat run)
it is very difficult to use these kind of capacitor.but good ....
OS-CON by Sanyo now from Panasonic
Speaker impedance change by switch CV21 ,high end switch show next
CV21 Tokyo-KOON Denpa can be use 2-6 position of high current use pdf file
secondary of transformer is 380V ..so power up to around 9 W rms but life time of 300B is short
I like sound stage of 2A3 and 45 .if one's have over 95dB/w/m Speaker system.getting good sound and wide, clear.and valve cost is not expensive.so prefer 2A3 SET.
New 300B Amplifier is here, 2nd Apr 2016 using Hashimoto HC20-3.5U Name of Takumi 匠
WE300B with 300B Single Ended Amplifier on 12nd June 2016
An Amplifier with Cetron 300B JUne 2016
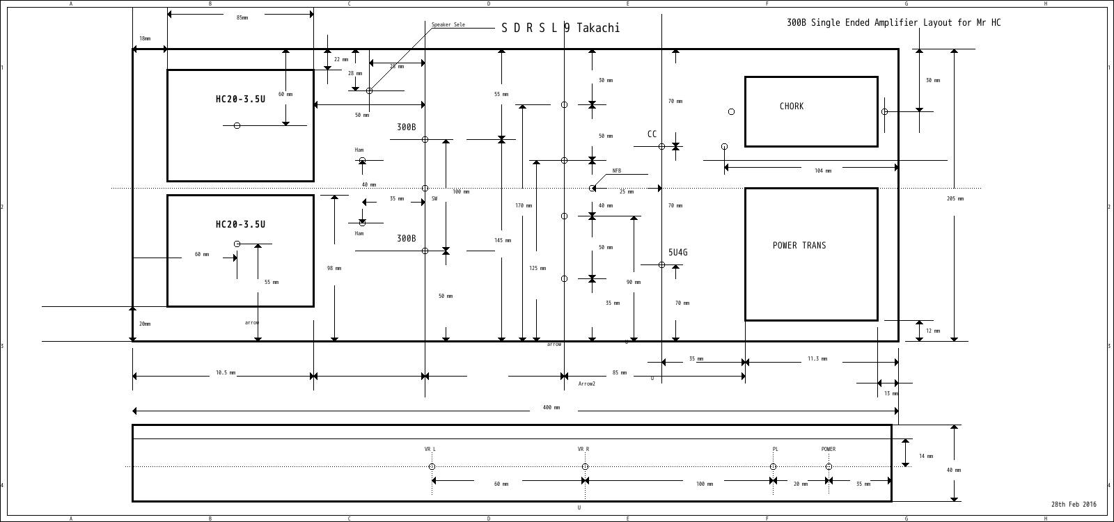
New 300B Single Ended Amplifier Layout
Layout of new 300B SET amp 2016
each position of switch function of 300B single ended amplifier
View
Note very impotant:
Photos of 300B Single Ended Amplifier
Very modern sounding from Hashimoto HC20-3.5U 300B Single Ended Amplifier on Apr 8th 2016
Testing new 300B Single Ended Amplifier on Apr 2016
20th June 2016 at Sakura with Pioneer DAT
Then ,,,,comment in Spanish: 7th July 2016 from Mr Hugo Cardenas in Chile
Hello Dear Maestro Mizushima, I have written the review in Spanish for hifichile. Later I will publish it with photos. Next week Hector Insua (hectori) from the foro will come to listen your 300B. It is sounding spectacularly good...
Have a nice night and day
Fabricante: Mizushima Craft Amplifier Factory (Sakura Chiba, Japan)
El amplificador 300B, modelo Takumi”, diseñado y fabricado por el Maestro Kenji Mizushima en Japón, es una notable obra de arte de la alta fidelidad.
De un diseño clásico y elegante, su fabricación desde la etapa de estudio del circuito hasta su envío a Chile necesitó 5 meses de trabajo en el estudio del Maestro Mizushima.
Usa dos transformadores de alta calidad japoneses, marca Hashimoto, y fue fabricado enteramente en Japón en un período de 4 meses, usando componentes de calidad audiófila y fue
puesto a punto durante más de un mes, ajustando los parámetros a los dos tubos 300B Psvane HI-FI con los cuales llegó el amplificador a Chile.
Como era de esperar, el sonido brindado por este amplificador 300B es de la más alta fidelidad, al escucharlo lo primero que viene a la mente son dos conceptos: claridad, y espacio.
Su sonido es de claridad incisiva y muy espacial, el escenario sonoro se abre delante de uno, brindando una muy agradable sensación acústica que he escuchado en pocos amplificadores.
La fidelidad de la reproducción del tono de los instrumentos es superlativa, y por ejemplo, en una de las combinaciones más demandantes para los equipos de sonido, el quinteto de cuerdas,
con este amplificador no hay problema alguno en diferenciar el sonido de los violines, de la viola y del cello en la hermosa grabación del Grumiaux Trio de los quintetos de Mozart con nada menos que el mismo Arthur Grumiaux en el rol de primer violín (Philips CD 450 950-2).
El amplificador Takumi también es magnífico con música orquestal que demanda gran rango dinámico y espacialidad, como la Danza Bohemia de Carmen (Telarc CD-80040),
donde la enorme presencia de la orquesta tiene el grado justo de dulzura que no distorsiona el sonido natural de la orquesta pero le da un innegable carácter de elegancia que caracteriza a los amplificadores del High End.
Pero, donde este amplificador 300B realmente es sublime, es con la música de cámara, sea de jazz o barroca, y con la voz humana. Por ejemplo, uno de los CDs mejores grabados de mi colección es “Señor Bolero”,
con algunas de las mejores interpretaciones de José Feliciano: el tono cálido e íntimo de su voz, con su vibrato exquisitamente controlado y su casi perfecta afinación y respiración al servicio de su música,
ponen delante de uno el alma de este notable intérprete de la música latina, cuya voz se puede sentir con toda su naturalidad y fuerza interpretativa casi como si uno estuviera en el concierto en vivo.
Parece increíble que algo supere a la experiencia audiófila de escuchar esos magníficos CDs, pero sí lo hay, y es nada menos que escuchar buenos vinilos con una tornamesa y aguja por supuesto de una alta calidad equivalente a la del Takumi 300B del Maestro Kenji Mizushima.
Con vinilos, este 300B realmente muestra todo su pedigree de High Fidelity. Un vinilo magníficamente grabado es Fathers&Sons (CBS Recording Studios, NY),
donde la familia Marsalis y sus amigos despiegan todo su musical virtuosismo en el piano,
la trompeta, el saxofón, el bajo acústico y la percusión. El 300B de Mizushima revive la enorme intensidad interpretative de estas notables interpretaciones, despertando el rico juego de los timbres instrumentales y
la superlativa coordinación rítmica de los vientos y la percusión, con el bajo siempre presente pero nunca ahogando con indebida presencia a sus compañeros del grupo.
El amplificador 300B del Maestro Mizushima es un magnífico exponente de lo mejor que pueden dar los tubos 300B, con gran presencia escénica y espacialidad, siempre con claridad superlativa,
pero impregnada con el toque justo y mínimo de dulzura, lo justo para que no alcance a distorsionar indebidamente el sonido sino que otorgándole el grado preciso de elegancia que caracteriza al High End.
Equipamientot usado:
Amplificador: Modelo Takumni, basado en el tubo 300B.
Tubos principals: Psavane 300B HI-FI, RCA 5U4GB, Tesla EF86 (NOS), 6CG7.
CD player: Sony CDP-3100 CD
Tornamesa: AT-LP-120 con cápsula y aguja Ortofon FF15 XE MkII
Parlantes: Altec Lansing A7-500
************************************************************
////// and in English /////////
Hello Dear Maestro Mizushima, your 300B amplifier is VERY GOOD,
I have been enjoying it for several hours and the sound is much better now than when I first listened it. And with vinyl records the sound is outstanding !!
Please find a short piece of review I wrote for you so perhaps you can upload it to your webpage. I am very happy with this magnificient amplifier.
The Takumi 300B amplifier designed and craft made by Kenji Mizushima is an outstanding piece of sonic art.
It provides a sound plenty of elegance, spaciousness, laser-like clarity without any hint of harshness. Its tonal precision is almost miraculous,
making all but inevitable to easily distinguish even close-family instruments like violin,
viola and cello in difficult to properly record pieces like the Mozart string quintets (Philips CD 450 950-2).
This 300B amplifier provides the best of the classical 300B sound, with a wide sonic stage that impregnates music with elegance and space to breathe to the orquestra as well
as to the human voice and chamber and jazz assembles.
Even though the Takumi amplifier performs very well in music for orchestra like the Danse Boheme from Carmen (Telarc CD-80040), where the wide dynamic range and
spaciousness of the music flourishes without restraint, it is probably best suited to jazz, chamber classical music and the human voice. One of the best recorded CDs in my
collection is “Señor Bolero”, with some outstanding interpretations of Latin music by José Feliciano; in this recording all the musicianship of Feliciano with his warm tone,
controlled vibrato and his almost perfect tuning and breathing at the service of his music are outstandingly conveyed by the Takumi amplifier.
But, after all the good CDs enjoyed using this 300B amplifier made by Kenji Mizushima, it was with vinyl records where the amplifier really shines in its High Fidelity character: in
Fathers&Sons (CBS Recording Studios, NY), the Marsalis family and friends display all their virtuoso mastering of piano, trumpet, sax, acoustic bass and drums, and the Takumi
amplifier easily brings this beautiful concert with all the intensity and precise bass and speedy drums of good modern jazz always maintaining the tonal precision of good vinyl
records reproduced in a high quality system.
The 300B tubes are known for their long break-in periods, so that all the good sound of this beautiful amplifier can only improve as time passes.
Equipment used:
Amplifier: 300B amplifier by Mizushima Craft Amplifier Factory (Sakura Chiba, Japan)
Psavane 300B HI-FI tubes
Sony CDP-3100 CD player
AT-LP-120 turntable with Ortofon FF15 XE MkII needle
Altec Lansing A7-500 speakers
I asked him : How is working Takumi right now ? (on 17th July 2016)by Mail
Thank you for asking about the Takumi.
Today I brought the JBL 4311B speaker from Lampa to Santiago and
conected the Takumi to this JBL monitor, and to a Nad C542 player.
The result was outstanding !! The Takumi amplifier is very good with
this smaller JBL monitor, the sound is sweet and clear, one can hear
everything from jazz and singers, and the bass is present but always
controlled. In the picture you will see a small conector box you made
many years ago in Santiago that can work also to attenuate the input
signal. It is an elegant and good conector box.
Takumi is excellent with large expensive speakers but it is also very
very good with smaller speakers like the JBL 4311B.
I am very happy because this 300B amplifier is versatile and sounds
HI-FI with medium level equipment like the Nad C542 player. One does
not need expensive CD players to enjoy the good sound of Takumi.
---
from Owner in Chile
in Santiago,Chile 17th July 2016
JBL L40 Santiago,Chile
Thank you for your news and advice,
I have just finished a long audio session with a friend listening Takumi and LPs of jazz. Takumi sounds better each day I think... my friend,
Mr C V was truly impressed with the sound of Takumi, and me too. Jazz was so real it was almost like a real concert.
For jazz I use 2.5 kohm as you suggest in your page and the sound is more intimate... very very nice.
I am enjoying very much the 300B sound of Takumi and no need of changing the Psvane tubes, they sound nice.
Prof Hugo C on 22nd July 2016 in Santiago ,Chile
later I go mail from him ,show
Hola estimado Maestro Mizushima, I finally got a pair of Shuguang
300B-98 mesh plate for the Takumi amplifier. I am not impressed by
the sound of these Shuguang tubes, I like more the sound of the Psvane
Hi Fi 300B tubes you sent me with the Takumi amplifier.
The Psvane 300B tubes provide better bass and more defined high
frequencies than the Shuguang 300B-98 mesh plate tubes when listening
jazz, folklore and barroque music. However, with some equalization to
attenuate the mid frequencies the Shuguang 300B tubes sound much
better than without equalization and they produce a nice sound.
I am listening now the Takumi amplifier with the 16 Ohm Jensen K-310A
speakers and the sound is outstanding and very very good. Because the
Takumi amplifier allows to adjust impedance for 16 Ohm speakers, now I
can appreciate how good are the K-310A speakers, with superb
definition and body sound for the mid and high frequencies. These
speakers are a little shy with low frequencies but with gentle use of
equalization the final sound coming from this combination of Takumi
and the K-310A speakers is very very Hi End.
These Jensen speakers from the 50´s belong beyond doubt to the same
league that Altec Lansing A7 Voice of the Theatre, with great
sensitivity for the small nuances of the best jazz vocal
interpretations, but to appreciate all the sound potential of these
magnificient speakers one needs a 300B single-ended amplifier of the
highest quality, like the Takumi amplifier I am so lucky to have here.
I got mail on 21st Aug 2016 Sunday Afternoon
Play LP
Using JBL L40 in Lampa Chile
He said , "sound has improved greatly .
And Takumi with these tubes provides an elegant sound with beautiful
mid range and controlled bass, very very good for jazz listening."
Altec A7 + 300B Single Ended Amplifier by You tube 2016 Aug
Altec A7 with Guitarist Chileno plays ,took on 3rd Sep 2016 by Mr H C
cocoliso 300B Single Ended Amplifier in Chile Dic 2020
Hi, I totally agree that the limiting step in the whole audio quality are always the speakers, because it is the stage that generates more distortion.
And in this prices soar, new or vintage speakers. And the difference between a Hi End speakers with the average price is staggering ... are different worlds.
On the other hand, there is a good supply of high-quality amplifiers for all price ranges, and one has to find what is best to fit your budget and heard, in that order.
But just as we are talking about a few thousand dollars up Americans because high-quality components are expensive.
A pair of audio transformers Hashimoto in Japan has a value of US $ 700 ... and there are some considerably more expensive: Tamura, Tango.
Not to mention yet of the cost of quality tubes. Then the cost of the components of a good amp puts a floor that can not be lowered.
And if this skilled labor in labor cost per hr work is short, it is easy to explain something handmade in Japan have a high price.
When technical work in Japan is as expensive as time graduates and engineers. And in New York the most expensive hr work is Mason, who earn more per hour neurosurgeons.
And in Chile we go there, it is something to see here how much it costs when hiring a technician now compared to 10 years ago. In my view,
the floor of US $ 2500-3000 is impossible to lose without substantially sacrificing important parameters of audio quality, because both teams tubes as in transistors,
most of the time teams high prices are clearly higher than the midrange. But, and this is important, it is not that computers are bad midrange
or not produce pleasure when listening to music with them are enjoyed equally fed up.
So it is not essential to have expensive equipment to enjoy music, so there's room for all budgets in the audiophile world.
If you can pay US $ 3000 for an amplifier it is very good. But it is no disgrace to have cheaper equipment, is something to be happy with what you have.
comment : Prof Hugo Cardenas ,Santiago.Chile 2nd Oct 2016
At Lampa Chile on 1st Oct 2016 with Cat
new photos from Owner of Amplifier on 25th Mar 2017
Prof Hugo Cardenas 's room with Altec 7 and 300B Single Ended Amplifier on 24th Mar 2017 Santiago Chile
300B Single Ended Amplifier here,he said each day different sound getting,,,,
Control for Altec 7
play chopin valve is PSVANE 300B with Altec A7 on 8th Feb 2019
Above photos sent by Google strage,each other using google . exchange sound source Giga byte of sound.
like this one on Googleso can send
sound archives by Google each other are best.
Audition in Chile on Mar 2019
A:The amplifier is a Mizushima 300B, a well-known team in the forum, really the best in valves, which together with the Klipsch RP160 monitors made a perfect match, as two great friends delivered a warm,
pleasant sound, which completely filled the room of listening, that although it is great for some monitors, they managed to flood it completely.
It was pure delight of hearing, the magic of audio in full, accompanied by these two experienced foreros that I imagine, and will complement with their respective appreciations.
It was so good that we already agreed to a new meeting in a while, hoping to add more foreros,
it is worth meeting, sharing and enjoying these auditions in which we all speak the same language (between us we understand crazy
B:Many thanks to forero Geno for his kind invitation to a memorable audition, and to forero @luiscarrasco, both for their extraordinarily pleasant audiophile company.
It's a great pleasure to share high-fidelity audio with friends in an environment of the most extreme audiophile ... all enlivened by delicious canapés and juices.
Both are clearly experienced audiophiles and with a lot of direct knowledge of high fidelity audio,
not only of the equipment but above all they know a lot of music, recordings and top artists of world music.
It was very educational for me to learn from his appreciations of world-class artists as we listened to them.
The test CD prepared by Geno is very professional, it has musical pieces of top artists that illustrate the whole range of tones, frequencies and timbres that one can find in high fidelity music, it was an additional degree of pleasure in this memorable session.
Being able to know the speaker Klipsch of shelving model RP-600M to evaluate it before a possible purchase was a privilege, and I really thank Geno for this opportunity to audition him for about 4 hours: infinitely better than going to listen to him at a store.
The Geno audio room has the ideal acoustics for this couple, and the match single 300B with the RP-600M was perfect. When closing his eyes the sound of the RP-600M had nothing of "shelf", it was a big speaker sound. The RMS 7 watts of the 300B were much more than enough to fill the fairly large audio room with high quality sound.
The realism and fidelity to the sound "live" was impressive, it was like being in front of the instrumentalists.
One of the notable things is that the entire audio chain was "normal", no equipment of monstrously high prices, although all of high quality. And the sound of each instrument and voice was completely natural, without any coloration or timbre: no warm or sweet sound or anything. Each sound with its natural tone almost the same as being next to the singer or instrument. This fidelity to the real sound is what we know as "high fidelity", because it is about reproducing the most true sound live, without any coloration.
One of the remarkable things was the clear but not overwhelming presence of every detail of the sound of the recordings: the scraping of the fingers on the strings of the guitar, the breathing of the singers, the pedal of the piano, the permanence in the time of each note of the contrabass ... all the infinite components of the universe of sound of a live concert in a concert hall with adequate acoustics, those concert halls where the only amplification is provided by the natural acoustics of the room.
Notable is the RP-600M speaker and its accompanying 300B single ended. Both with a good high fidelity CD player are the perfect match for what is probably the best possible hi-fi sound with this technology. If one wants natural sound, without exaggerated or strident high notes, without the touches of warmth or the artificial sweetness that many other good speakers produce, this is the ideal pair.
Of course, nobody likes the definitive word, and there are many good bookshelf speakers that produce sounds with different musical timbres.
I have pretty good bookshelf speakers with medium prices, but the high sensitivity and low distortion of Klipsch sound technology brings them closer to the ideal speaker for high fidelity that does not need high power amplifiers to reach high fidelity. .
Geno's column speakers are a separate chapter, of the highest quality for large audio, with its powerful 300 watt RMS top amplifier providing another type of audiophile experience, the one in which you do not really want to be in the middle of the orchestra . But this hopefully it's for another group audition ...
A cordial greeting and again many thanks to Geno and Luis for sharing such a nice audio session.
took photos at audition in Chile some Audiophile's home on Mar 2019
Next Story 2019 same day in Santiago Chile
Hello friends Geno and jbl fan,
Grateful for the invitation and the opportunity to satisfy my audiophile curiosity on two subjects: to be able to listen to a prestigious tube amp and a speaker that for appearance and specifications tempted me since a long time ago
but I could never listen to it properly because the importer ran out of stock and there was no hope of new importation.
The mizushima was known to me since I listened to it at a meeting at Kurorin's house, although I think it was not the same model of jbl fan, and of course with other speakers.
In any case the amp/speaker duo (I don't remember what they were) sounded very good although nothing very impressive, especially considering the reputation of the amp.
The Mizushima/Klipsch 600 M dupla is really impressive, considering that it is a 7.5 w.
tube amp and a speaker that is supposed to be from a good family, but not hi-end or anything like that and also "only" bookshelf size.
However, we were able to compare the Mizushima with Geno's big Klipschs and to my ears the "small" pair held up admirably, with a midrange and treble almost identical to the "big" speaker,
which we also listened to with the Mizushima (and it handled it without problems).
Only in the more extreme bass the 600M was at a disadvantage, which was to be expected since not only does it have less bass extension (45 hz.)
but the size of the Geno "auditorium" is not ideal for a bookshelf, even considering the 6.5" midrange/woofer of the 600M. In terms of definition,
breadth and depth of soundstage and instrument separation (most evident in the jazz trios) there was almost no difference.
Female vocals were almost identical in both boxes and only male basses in a blues/gospel sounded more realistic in the big boxes.
At the end of the meeting, jbl fan, made a valve change that even to my worn ears was evident,
taking away some fine detail (definition?) but lending a more pleasing smoothness and musicality to an already very pleasant sound. However,
as I told my listening colleagues, if I had to choose for a long listening session, well into the music, I'd go with the second set of valves. Now, scratch for the sum,
the Mizushima combination, with 600M in a more "average" sized room is musical Nirvana:D.
Thanks to Geno and jbl fan for the opportunity to attend an "old fashioned" audiophile meeting and hopefully it will be repeated.
Addendum: The 300B single amps seem to be getting good results with the Hashimoto Transformer HC-20-3.5U.
I have sold several 300B singles and they all seem to have good results with the Hashimoto transformer HC-20-3.5U. This is my thard times using this transformer for 300B SET.
I have had good results with this transformer. The 2A3 has been used twice and the 300B three times.
The other amps were XE-20S or FC-20S. These transformers have also produced very good characteristics.
Klipsch RP600 Spec: good for Single-Ended Amplifier
Original WE300B is only Western Electric not from China
Sound getting by Raspberry Pi B+ from small box show. inside has I2S DAC and Raspberry Pi B+ and 1 Tera HDD.
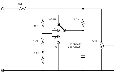
If your Valve Amplifier Single Ended does not have Bass,please try to add next circuit
on feb 2018 in Santiago, Chile
Mr Hugo's System on 6th Mar 2018.2 of 300B Single Ended Amp and one of KT88 Single Ended Amp
Just before Burn in 300B Single Ended Amplifier on 26th Nov 2016
Takumi 300B in Chile 2019 Jan
Kanade 300B on 7th June 2019
Sound getting from NanoPi-Neo Music Server ES9023 DIY DAC on 7th June 2019