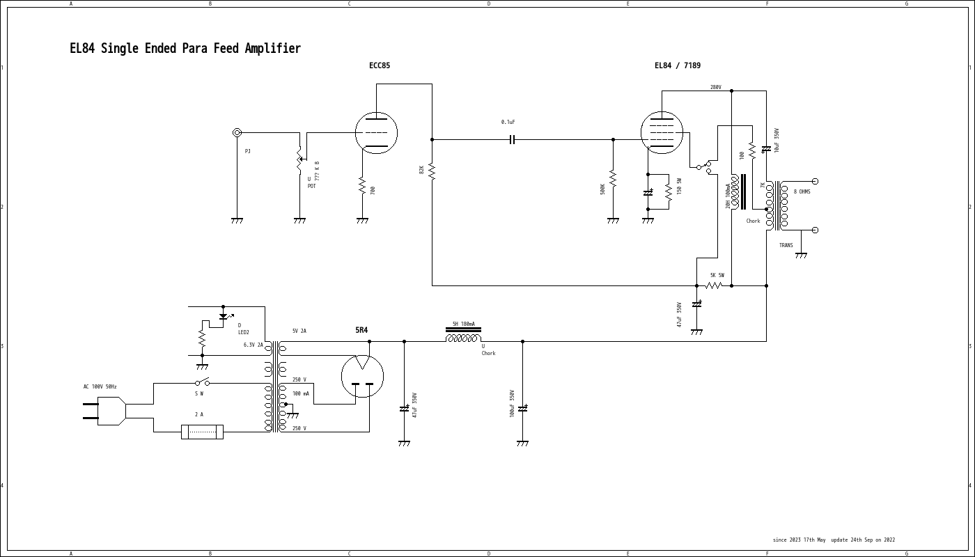
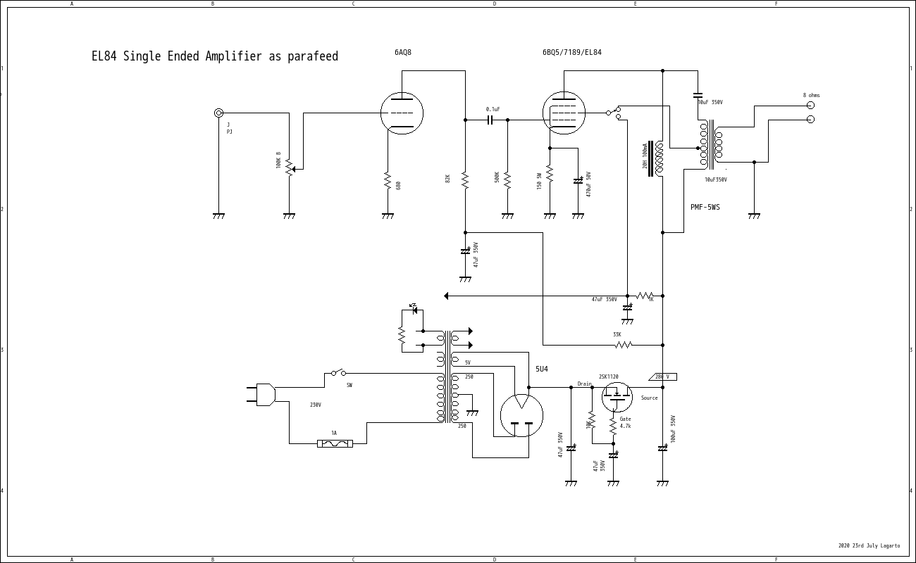
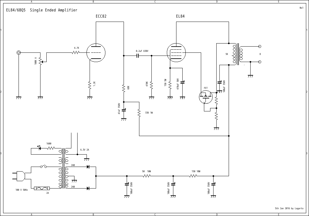
Un gran mini amplificador
Si hay alguna palabra que puede resumir el caracter del sonido del mini
amplificador EL84 es suavidad. El sonido en todo el espectro sonoro es de
una suavidad que nunca llega a la exageracion de distorsionar gravemente
los sonidos. Y la nitidez que subyace a esta extraordinaria suavidad
musical es fuera de lo comun, y ciertamente nunca escuchada en equipos de
precio tan economico como este mini amplificador EL84. Escuche varios CDs
que conozco bien a trav� de un lector de DVD Toshiba, modelo SD3109, y
con mis parlantes preferidos, los Altec Modelo A7.
El magnifico CD de Diana Krall, The Girl in the Other Room (Universal), a
traves del EL84 adquiere una presencia escenica abrumadora, con la
magnifica confluencia del piano y la voz de la extraordinaria interprete,
amalgamada a la perfeccion con el contrabajo, el piano y una bateria que
es sensualmente suave y nunca estridente. El impresionante comienzo de
Stop this World, con un piano tan dulce que no deja ver su cualidad de
cuerdas percutadas, anuncia ya una grabacion de calidad sobresaliente. En
The Girl in the Other Room la presencia de Diana Krall al frente de los
parlantes, con su exquisita modulacion y tecnica perfecta, hacen que su
respiracion nos transporte al ambiente intimo de una sala de jazz, con su
voz envuelta en el acompanamiento de musicalidad extrema de sus
acompanantes. En Narrow Daylight la guitarra hace un delicioso dialogo con
la cantante, con cada una de sus cuerdas llegando nitidamente a uno con el
equilibrio perfecto entre fidelidad y suavidad del sonido del mini
amplificador EL84.
Pero un amplificador puede ser sobresaliente en musica intima y al mismo
tiempo carecer de la capacidad de resolucion sonora ante musica orquestal
compleja. Musica intima en este contexto significa de rango dinamico
reducido y cuya relativa pobreza en instrumentos implica una variedad
reducida de timbres sonoros. Esto se observa frecuentemente en equipos
musicales transistorizados o a tubos de bajo costo. Bueno, ciertamente no
este el caso del mini amplificador EL84, el cual tambien es de una
perfeccion sonora extrema ante musica orquestal compleja.
La Sinfonia N� 40 de WA Mozart interpretada por Nikolaus Harnoncourt
(Teldec) revivio con una delicadeza a la altura de este gran director. El
casi exagerado fraseo y modulacion del tiempo que hace esta orquesta bajo
la direccion de Harnoncourt, entregan una notable interpretacion de
camara, que sin embargo mantiene el caracter sinfonico de una obra muchas
veces interpretadas por orquestas mucho mas numerosas. La intensidad
controlada que impregna a esta sinfonia alcanza probablemente su climax en
el tercer movimiento, donde el juego de contrapunto lleva la memoria
irremediablemente a JS Bach, sin que nunca le falte aire al amplificador
para reproducir todo el rango dinamico de la orquesta. El ultimo
movimiento libera la energia contenida del tercero, finalizando en un
juego de melodias sublimes que despliega toda la maestria superior de la
forma, la orquestacion, la armonia y el contrapunto que en WA Mozart son
la culminacion de un estilo y el augurio de la musica venidera. El noble
mini EL84 revivio en forma perfecta la interpretacion grabada en vivo, con
instrumentos de epoca y la orquestacion original de WA Mozart, entregando
con definicion y nitidez a cada uno de los instrumentos, pero sin
destacarlos exageradamente sobre el todo de la orquesta. Uno no puede
dejar de pensar que esta magica experiencia entregada por el
extraordinario mini EL84, solo puede ser superada por una audicion en
vivo, al frente de la orquesta.
Y si se quiere poner a prueba la suavidad y musicalidad del mini amp
EL84, una prueba de fuego es el Concierto para Orquesta de Bartok. La
interpretacion de Bernard Haitink al frente de la Royal Concertgebouw
Orchestra (CD de Philips) es bellisima, y los bronces y los violines, y
aun las inevitablemente estridentes trompetas, reviven a traves del mini
EL84 con una dulzura sobrenatural, sin que se pierda ni un apice de la
fuerza de la orquesta en la sucesion de fortes impregnados de bronces que
salpican la orquestacion de Bartok hasta el final de la obra.
Conseguir esta altisima alta fidelidad, manteniendo el precio en un rango
muy bajo, es otro de los logros del circuito y manufactura del mini
amplificador EL84, disenado y fabricado con una simpleza clasica, siempre
poniendo la electronica al servicio de la musica.
Dr Hugo Cardenas