High Re-Solution Audio with Raspberry Pi2 B+ I2S DAC DIY
*  🍓🍓Raspberry Pi B+ for Sound source
tube--Wel come to Site----------This site shown D.I.Y Single Ended Amplifiers-----almost valve amplifiers----some of digital staff--- ----Ham Radio --------Hi Fi sound to suppose be high end audio---etc etc-----from Yachiyo Chiba---Japan-------small city of Yachiyo located around 30Km west of down town of Tokyo ------very close to Narita International Air Port--- tube

Japan

조선인을 쫓아내라


counter 7th July 2004

SSLOwn Site is using SSL so very much safety site by GMO(NTT) Japan on 1st of Oct 2024 Marlhori Audio Japan

🍓🍓Let's try to use Raspberry Pi B+ Pi2 Pi3 for Audio source ,flac,DSD HiReso Audio DAC DIY

Actually we can not buy Raspberrypi in Japan ,any where in Japan those product are discontinue model .I am very sad
Be sure to add the SWAP area to install. Compilation will be much faster.
traduce from Japanese to English by Google next part
As of October 2023, there is a possibility that sound may not be output when updating embedded Linux devices due to a problem with python. It uses alsa which is developed in python 2.7.
That's why there is a problem. Also, I cannot compile mpd properly. The impact of Python 3.11 has been felt in a fairly wide range of areas. It probably worked with a patch up to Python 3.9.
python error. Programmers are just idiots who don't think ahead when developing applications. It's egoism. A few months ago I got an error while compiling
A fatal error has occurred. I can't install Ninja. Ninja uses Python. Many applications use Python. alsa is also python 3.11 or higher
The time has come to build. alsa phthon 2.7 version is no longer usable. I'm sorry. Be sure to add the SWAP area to install. Compilation will be much faster.

In order to fully utilize Raspberrypi, he needs to know Linux OS, even if it's at least minimal knowledge.
It is not necessary to master C++, but you do need to be able to freely use Linux. First, let's understand Linux.
Both Windows and Linux will be in a similar position to UNIX. MacOS is also in the same family. The operating systems ported from UNIX are BSD-based UNIX, FreeBSD, Windows, MacOS, and Linux.
It also runs on Linux, Windows, and FreeBSD on intel AT compatible machines. MacOS is a Motorola-based OS. These OS can operate like Windows. It might be better. Many servers are Linux or
It is a BSD-based OS.

Recently, high-quality DAC products exclusively for RaspberryPi have been developed. With simple settings, the USB DAC can be used as a highest quality music server.
Its quality is comparable to that of audio equipment that costs several hundred dollars. By using MPD, it can be used as the best music device. ​
Please buy good USB DAC will be good result and also Hat Type DAC are good for you.



in Spanish

Your Browzer OS are
if indicated X11 ,U,Linux,BSD 、there are BSD/Linux/Unix Family OS
Smartphone is kind of Linux or UNIX



アクセスカウンター

counter started 15th Feb 2015

🇯🇵in Japanese
Rp3 B+ 1G

on 2018 Mar Debut New Raspberry Pi 3 B+ New RP3 B+ on 2018 Mar





Pi-5

Rasberrypi 5 B 4G and 8G Byte on Nov 2023



by sony


RaspberryPi is a SONY product. Sony


penPeople who cannot operate Linux will not be able to make full use of this board. It is not too late to try again after learning how to operate Linux. Thank you.


Flag Counter

Start 18th Mar 2015



Fixed IP on the music server, that is, IPV6 may not produce sound, please add bind_to_address "0.0.0.0" to mpd.conf


Recently, high-quality DAC products exclusively for RaspberryPi have been developed. With simple settings, the USB DAC can be used as a highest quality music server.
The quality is comparable to audio equipment that costs several hundred dollars. By using MPD, you can use it as the best music device is not kind of Toy
OS for raspberrypi MoodeAudio and Volumio2 are good for you and Dietpi and Armbian ,Raspbian are good OS for Rapberrypi.
En utilisant un excellent DAC USB
Vous pouvez créer un serveur de musique haut de gamme.
Les disques durs peuvent être montés automatiquement. Ainsi
Vous pouvez créer un NAS. Utilisez un système d'exploitation tel que MoodeAudio
Vous pouvez facilement créer un NAS ici.




Marlhori
My wife Marlhori passed way 27th May 2024

My beloved wife Marlhori passed away yesterday.
She could easily die from a small wound due to inflammation.
She put it away. It was so hard for her to do anything to help.
It's a sad fact. She was my partner for 40 years.
I sincerely pray for her soul.


Marlhori's Pages  marlhori

please click picture above for visit her page



How to install and use balaena etcher


I also couldn't use Balena Etcher. Is it because I can't authenticate? It was OK with Fedora Core 26, but I'm currently using my wife's PC, who has passed away. With Fedora core 35,
I was having trouble because it was difficult to do. With Fedora 35, you can install it with dnf, but you can install the binary that is available on the Internet. There was one for Fedora, so I downloaded the 64-bit version.
Unzip this and install it. Become root with su to do this. For the binary, download the application that matches your PC from the following URL.
./balena-etcher without --no-sandbox
You will install the image from the command line. It will work.

balena

https://github.com/balena-io/etcher/releases



imager

How to install using Imager - This is convenient


For Debian-based systems, use sudo apt install rpi-imager , but for Fedora core, use sudo dnf install rpi-imager .
https://www.raspberrypi.com/software/



How to install online

Once imager is installed, install it from the terminal using the command line (sudo or su).
Use the command appropriate for your OS: # rpi-imager. Entering this will open a window online.
Burn the desired OS. You'll be asked whether you want to use an online archive or an image downloaded to your PC. Choose one.
It will automatically format the image. Anyone can install it. The Raspberry Foundation has created a great tool.
Once imager opens, select an image. It says "OS." There's a gear icon in the bottom right, so click it and select settings.
Enable SSH, host name, and password. I recommend setting a password.
You can enable these and change the host name after installation, but I think it's better to do it now.



DIY Dac     VNC

all of my product by Mizushima Audio Lab Play in Germany at Mr Victor Serrano's house






In my case, I use it as a file server rather than a music server.
With a good DAC, you can use your music server and other features to your advantage. There is an advantage that a USB hard disk can be easily embedded, so use it to create a 2 tera HDD, that is, a SATA hard disk.
It is on board. My usage is to store more than 50,000 songs and transfer my favorite music to other MPD music servers to enjoy the music at any time. Raspberrypi 4 is his very good SBC.


These products are hoarded by companies and resold at prices several to ten times higher.
A bad example is Amazon. It is sold at a price that cannot be thought of with common sense.
The net price is about 50 US dollars, but it is sold for several to ten times the price.
It's true that there is a shortage of ICs,
but where did the early plan of singing children's PCs under $ 100 go? where did it come from?
Where did the devil's idea of putting it on the market when it turned out to be excellent come from?


Rapberrypi 4B can use as High End Audio Equipment depend on use USB DAC or I2S DAC

Recently, high-quality DAC products exclusively for RaspberryPi have been developed. With simple settings,
the USB DAC can be used as a highest quality music server.
Its quality is comparable to that of audio equipment that costs several hundred dollars. By using MPD, you can use it as the best music device.


my site

for smartphone



  



But "Dont see big Dream with Raspberry Pi 2 ,this is one of Toy Arm MPU board

Raspberry Pi 2 and Raspberry Pi family are ,impossible run with Windows 10 even Linux with X

Almost Toy and not PC ...much better use Intel Atom or x86 with Linux or Windows but ,,,this is small system is
only can use Linux for Arm.
But Not for Linux x86 x11 .
Actually Arm Linux are not Native Linux Smart phone too, just family of Linux and have to use x86 Linux
right now we can buy Pi Zero. actually Pi Zero A + but I think much better for hand held Music server
Note:in Japan any one can not buy only Pi-Zero,Pi-Zero-W PC board.so price is more than USD $ 30.Market of Japan is funny.
But it's the best Music Server on a home LAN. This is not an introduction of toys, it is an introduction of inexpensive but expensive equipment
Play music in any format. If it says that the sound of the equipment of USD $ 500 dollars or more comes out as sound, I think that it is still worth making it.
Since a little board is attached to such a board, a sound similar to a high-end model comes out. By the way,
384KH 32 bit sound can be fulfilled with a machine with less than 10,000 yen.
Well, this semi-self-made device can also be played on PCM with DSD as DoP. DSD Native can also be played by attaching a slightly higher class DAC. Let's do it first.
In addition, this article is a memo after purchasing and using the early model in late December 2014. The current Raspberry Pi is now getting better with improved OS. Of course, as part of high-end audio,
I think that the future is also promised as a headphone amplifier.
The image quality is not inconvenient for MP4 players. However, it is necessary to record in the storage element. You cannot play online videos.until Raspberrypi3 B+
I think Version 4 has much more future than Version 3B+.
Since Raspberrypi does not have a master clock, it cannot output the clock required for music by itself. To equip SPDIF
You need to add the adapter to the board.
ARM PCs equipped with a master clock are typical one-board PCs such as Nanopi-Neo2 and Pine64.
The commonly used method is to use an I2S signal instead of the master clock and use an I2S dedicated DAC to produce sound.


Recently I think: on Feb 2022, why doesn't Raspberrypi output music format sound? It is because the developer has WAV as the basic format of PCM.
WAV is coming out of the port
You don't need a DAC. It has the same audio output as a CD. You can also put it out to the jack in the settings.
Since the level is very small, it can be used just by installing a buffer amplifier.
It is certain that it will be. If it is a music server, the DAC will be driven using the I2S signal. I think the OS and mpd will solve all the sounds.


🐍 Nanopi
cat

Nanopi-Neo2 Music Server
and pine64 has SPDIF out without HAT



Please be careful when purchasing Raspberrypi famliy one board PC. I think it's better to check with your eyes at shop.because
Some models does not have a LAN port.



RaspberryPi4 DEBUT on Monday 24th June 2019


Pi2 zero

Pi Zero Made by Sony Japan but Arm 6

Access all site in a Day Google Chrome

please see by Google Chrome much better to see.because firefox does not support flash.



Rp3 B+ 1G

on 2018 Mar Debut New Raspberry Pi 3 B+ New RP3 B+ on 2018 Mar


Please see above links for New Raspberry Pi3 B+ correct SPEC. and you can see new port of addtional 4 pin for PoE" Power over Ethernet" PoE is please see Wikipedia.



Raspberry Pi B+

And Pi zero W Feb 2017



🍓Music Server DIY

🍓Raspberrypi の応用方法 Comment appliquer Raspberrypi Cómo aplicar Raspberrypi Raspberrypi no ōyō hōhō How to apply Raspberrypi


3 B+

🍓I recommend this model because it is the easiest to use for music servers. Raspberrypi 3 B +


🍓 If you can't find the show you're selling in your neighborhood, look for RS components. I think you can get anything from RS Components I think you can also get it on Amazon.
Si vous ne trouvez pas le spectacle que vous vendez dans votre quartier, recherchez des composants RS. Je pense que vous pouvez obtenir n'importe quoi auprès de RS Components. Je pense que vous pouvez également l'obtenir sur Amazon.
Si no puede encontrar el programa que está vendiendo en su vecindario, busque componentes RS. Creo que puede obtener cualquier cosa de RS Components. Creo que también puede obtenerlo en Amazon.


Vous pouvez facilement créer un serveur de musique en utilisant Raspberrypi 3B+. Tout ce dont vous avez besoin, c'est de la motivation et d'une ligne LAN. Le meilleur LAN est une ligne optique, mais une ligne ADSL est également acceptable. Seuls rasspberrypi 3B + et la carte DAC qui y est attachée. Vous n'avez pas besoin d'une boîte, mais si vous le pouvez, faites un beau coffret et préparez-le. Vous pouvez acheter une carte DAC dédiée. Je pense qu'il est probablement également disponible dans votre pays. Vous aurez besoin de l'ordinateur dont vous avez besoin pour l'installer. Utilisez-le pour écrire un système d'exploitation dédié sur la micro SD. Cela vous permet non seulement de lire des fichiers musicaux, mais vous permet également d'écouter de la musique du monde entier via la diffusion sur Internet.
Il ne reste plus que la motivation et les amplificateurs et haut-parleurs stéréo.
Vous pouvez profiter de la musique du monde entier ici.


Puede crear fácilmente un servidor de música con Raspberrypi 3B +. Todo lo que necesita es motivación y una línea LAN. La mejor LAN es una línea óptica, pero también es aceptable una línea ADSL. Solo rasspberrypi 3B + y la placa DAC adjunta. No necesitas una caja, pero si puedes, haz una hermosa caja y prepárala. Puede comprar una placa DAC dedicada. Creo que probablemente también esté disponible en su país. Necesitará la computadora que necesita para instalarlo. Use esto para escribir un sistema operativo dedicado a la micro SD. Esto no solo le permite reproducir archivos de música, sino que también le permite escuchar música de todo el mundo a través de la transmisión por Internet.
Todo lo que queda es motivación y amplificadores y altavoces estéreo.
Puede disfrutar de música de todo el mundo allí mismo.


You can easily create a music server using Raspberrypi 3B +. All you need is motivation and a LAN line. The best LAN is an optical line, but an ADSL line is also acceptable. Only rasspberrypi 3B + and the DAC board attached to it. You don't need a box, but if you can, make a beautiful case and prepare it. You can purchase a dedicated DAC board. I think it's probably available in your country as well. You will need the computer you need to install it. Use this to write a dedicated OS to the micro SD. This not only allows you to play music files, but also allows you to listen to music from around the world through internet broadcasting.
All that's left is motivation and stereo amplifiers and speakers.
You can enjoy music from all over the world right there.



HDD

HDD for Strage .this HDD is 1 tera byte SATA +USB Adaptor can keep more than 100mil sound files mp3 flac DSF etc


Recomend OS for Music Server

   vlumio   moodeaudio


Volumi2   Moodeaudio   runeaduio



stand alone

Stand Alone by Dietpi --have to know Linux user



menu

Armbian music server mympd

mymod 10.3.3 by Armbian 23.05.1 Jammy with Linux 6.1.30-sunxi64 music server nanopi-neo2



myMPD

myMPD 10.3.3 by Nanipi-neo2 Armbian 23.05 OS



🍓 Music Server

Debut Pi Zero W

And Debut Pi Zero W USD $ 10 (Wifi and Bluethoooth),But Arm6



pi zero

Raspberrypi zero + additional hatt for USB PORT and SPDIF hat for Music Server.
nonsence to buy pi-nero.if would like to buy must be buy Raspberrypi 3B and 4B ,5B much better



raspberrypi zero

Pi-zero 2W is now available 28th Oct 2021 Raspberrypy Zero 2 W + Wifi Blue tooth Performance is Rasp 3 ARM11


In Japan,,,,market , we can not buy only one of Pi zero and Pi Zero W.. shop does not make sale only Pi Zero and Pi Zero-W .so many kids could not buy
Raspberry Pi Zero family.big shop prefer sale AC Adaptor and some small connector and USB LAN and micro USB Memory include Box.so price is going up
to USD 40 dollars.who care ? problem of who ? . so many kid going other type of one board PC. very serious problem in Japan. why why ,,,I do not understand///


RPi 3 is now available 2016 end of Feb, USD $39. they said 10 times more high speed than RP2 B Type.
and has Bluetooth so consumption power is 2.5A.
Raspberry Pi Foundation is why still do not use Intel Processor ? ARM is Kind of TOY as you know.
Wifi and Bluetooth Model is can not sale in Japan, I think in USA too under FCC license .Rap Foundation hold FCC ?
so many country can not sale ... one thing ,, Raspberry Pi are until Pi2. even Pi3 is kind of TOY PC. not value to buy.
Problem of Lazy Arm Processor..Do not buy bad performance of Product any more.Pi3 can not install native Windows 10, Windows 7,8 ?
Answer is never.only Linux for Arm. Linux for Arm does not install WINE. so only element of small server system or Robot .
nothing special .
there are kind of TOY. if would like to buy as PC ,,much better buy MOUSE PC.or Intel Edison
much better PC is AM1I-A mother Board
C/P is Very Best.and very low cost.if buy Pi3 Arm ,I will buy AM1I-A PC still expensive for one of pocket money.
And Powerfull new PC isCall it's UDOO x86This is supported x86 ,Lunux ,Windows Made by Intel and Best C/P.
do not buy any more Raspberry Pi 3 ~ ,enough to buy until Pi2 or B+.Raspberry Pi is stop because only Arm is very slow.you can use for very small system.
and now you can use new system from Udoo.one thing very good for Audio because has SPDIF out and any thing can do ,you would like to use .......even can use as Work Station.
so you can watch Internet TV too.is not kind of Toy any more.

raspberrypiA+plus

Raspberrypi A + plus isnt type A .new one type of Raspberrypi A upgrade model.



Spresense by Sony 2018

this is new product by Sony(Made in Japan) ,see Sony Spresense on Aug 2018



UP Core

UP core by Intel ,very small one board PC for x86 and WindowsUP Board


up board 2018

UP BOARD ==> Same Size of Raspberry Pi 3 UP COARD is  x86 Intel ONE Board PC on 2018



RP 3 made in Japan

Raspberry Pi 3 Made in Japan by Sony ,just show you above

Made by Sony UK


Raspberry pi

Introduce Raspberry Pi



sound

Sound getting from pi4 music server on April 2021



But Raspberry Pi is good for Small Music Server in your house



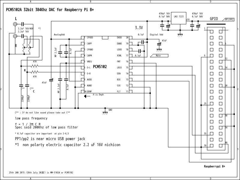
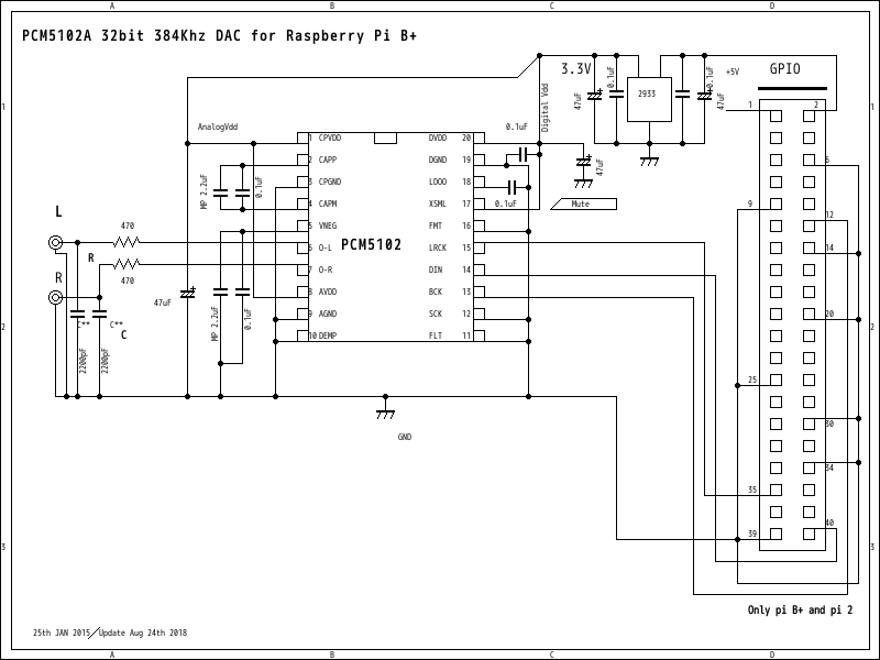
BB(Ti) PCM5102A I2S DAC LSI can play from 32Khz to 358 Khz of PCM sound and DSF into DoP (PCM), DSD Music can play as DoP (PCM) of all Music.easy to configure
and easily to build up D.I.Y and sound is quite good.you can get high end sound from your small gear.
Recommend to USE ES9018 family DAC and ES9023 DAC for DoP,DSD playone thing important ..Raspberry Pi I2S DAC can not play 24,32bit
Sound.is this only problem of Raspberry Pi Music Server.??????? Kind of Toy ?????? 16bit Player no Hireso....???????big question ..I have.now 1st Mar 2016.
I do not have ES9018 DAC so I can not get correct answer...if PCM5102a I2S DAC Using 16bit sound either indicated DSD, 24 bit 48 Khz.etc.

Good for Music Equipment by Rasspberrypi Music Server

How about that? It's mid-2015 when the Raspberrypi B + has begun to appear. This is the sound of the I2S DAC that I bought the PCM5102A and built it into a small universal board.
What on earth have you been doing to make sound?
This is a sound that can come out of a similar playback device that costs more than 50,000 yen. If you force it, you will lose the equipment of 100,000 yen or more.
That is the sound of a DAC made for a few thousand yen. I enjoyed music in 2015.
We recommend this Raspberry pi B + sound for audio files around the world. I also recommended that you study Linux as well. It's a very sharp sound.



My career


I have been Pioneer Chile 4 years, Sony Japan 5 years, Sennheiser Japan 2 years in the past
Panasonic has been an employee for 16 years.not only Audio and even Radio telecommunication experiance.




***🍓🍓***


USB HDD(SATA)

Inside of Volumio ,USB means HDD on USB(SATA= 1 Tera)just connected USB Port on Rasp +B


Black box is 1 Tera HDD = hook up with Raspberry Pi B+ USB Port.USB HDD is SATA inside of Black box. Black box is one of adapter of SATA to USB.
not expensive,around USD $20 you can buy PC local shop.SATA is 2.5 inch 1 tera HDD(about USD$ 50 ). off course necessary power supply of 5V(small one for smart phone)can be use.
and with USB HUB for connected with Raspberry Pi B+ and USB HDD.
there are small Music Station in room. not difficults.can be use as small NAS with Raspberry Pi B+. any one can do.



Volumio 1.55

Raspberry Pi B+ Music Server on Yaesu FT450D



Playing Web Radio by The Groove Jazz under Volumio 1.55 + PCM5102A/PCM5142 I2S DAC show you from "YouTube"

Spec: Vertical Twin Speaker by Yamaha , Power Amplifier is 300B Single Ended Amplifier , Valves are PSVANE 300B ,Audio Transformer is H20-3.5U hashimoto
Music server is Raspberry Pi B+ Volumio 1.55 (Music Player Daemon 0.19.9) DAC is I2S PCM5142
and USB port connected external USB DAC (6DJ8 +FN1242A 24bit DIY/DAC)
This is not special ,,any one can do build up one Music server into your house.any one can do !!! not expensive



Plays Jazz by Raspberry Pi B+ I2S PCM5102A DAC on 1st June 2015

How about use for sound source from Raspberry Pi B+ This is not toy..High End Audio

Raspberry Pi B+

Plays Jazz by Raspberry Pi B + I2S PCM5102A DAC on 1st June 2015


How is it? It's mid-2015 when the Raspberrypi B + has begun to appear. This is the sound of the I2S DAC that I bought the PCM5102A and built it into a small universal board.
What on earth have you been doing to make sound?
This is a sound that can be output from a similar playback device that costs 50,000 yen or more.
If you force it, you will lose the equipment of 100,000 yen or more. That is the sound of a DAC made for a few thousand yen. I enjoyed music in 2015.
I recommend this Raspberry pi B + sound for Audiophiles around the world. I also recommended that you study Linux as well. It's a very sharp sound.



Raspberrypi Made by SONY SONY



Note:on 18th Mar 2016...The Jazz Groove was replace protocol so from yesterday can not catch correctly webradio under volumio.
I am doing ask to The Groove Jazz Station ,,very good station but can not catch now.from them...very sad....but you can get playlist from site
then source can get herethen can get information of URL
The Groove Jazz can replace for moment from $wget http://www.single-ended.com/rasp/archive/webradio/WEBRADIO.tar.gz for Volumio so you can install into volumio.
and later I got mail from the Groove Jazz/ Mr Paul G and gave me next link http://thejazzgroove.com/listen/thejazzgroove-west-mp3-128.pls for replace but only Volumio does not play.
can play from $ xine http://thejazzgroove.com/listen/thejazzgroove-west-mp3-128.pls . but under mpd could not play with volumio.
thank you Paul ... any way can play my edited file are $wget http://www.single-ended.com/rasp/archive/webradio/WEBRADIO.tar.gz please try and enjoy.
Zip file is here http://www.single-ended.com/rasp/archive/webradio/GrooveJazz.zip



The Groove Jazz,playList arethe Groove Jazz


Note: up date 3rd Dec 2016 a part of Audio Phile Jazz Classic file up date
wget http://www.single-ended.com/rasp/archive/AudioPhile.tar.gz
into
$ mkdir tmp
cd tmp
tmp $wget http://www.single-ended.com/rasp/archive/AudioPhile.tar.gz
sudo tar xvzf AudioPhile.tar.gz -C /var/lib/mpd/music/WEBRADIO



Why still are you using,, high end audio equipments and they are super expensive,,,but Raspberry Pi B+ can be use for Music server and
Reproduce high quality of sound like flac, Wav and DSD Audio(Diff and DSX convert DoP PCM) through if do you have good DAC much better.even Raspbeery Pi can
do PCM5142/5102A BB high end DAC until 384Khz 32Bit sound, made by small PCB.not expensive.

Raspberry Pi B+ 2014 Dec

Still I need good PC for ripping and have to buy source from internet(online). if do you have Good DAC probably reproduce good sound from Raspberry Pi B+ Music
server.Raspberry Pi B+ is very small PCB actually small PC for kids in UK.but for Audiophile can be use for Music source.
how much cost ? only around USD $ 30 dollars and micro SD memory, and connection cables. if would like big capacity of memory , you can use USB SATA HDD of few Tera Byte.
I am using one(1 Tera)byte of USB HDD and 2 of NAS. 2 of NAS are using old PC. old PC located corner of room etc.only need one PC for work station.
even can be use control by Wifi smartphone. what is Music server and Music server using Linux OS. distrobution 2 of them are famous .Volumio and RuneAudio.
please try to use Raspberry Pi B+ in your audio room.
OS where get from ?
one thing Raspberry Pi does not have master clock for I2S (The Inter-IC Sound Bus)DAC without general DAC so must be made Master clock ,, idea have some mulifier IC using and will be get master clock from
Bck which is using NB3N2302, PI6C4511WE-ND ,ICS570, LTC1799 so some day I will try hookup my DAC with Raspberry Pi B+..

PCM5102a Single DAC is very nice sound to getting. please try to build up.less than USD $ 15 dollars cost if do you build up by your self.

If easy to get master clock ,,,,not difficult connect any DAC with Raspberry pi with I2C and I2S .so what can I do to..........
this is my home work right now.


Feb 2015 ,,,Now we can get 900 Mhz 4 core Raspberry pi P2 ,,,,and in future MS will be support with Windows 10 ...what's will be....


Volumio 1.55

Volumio ORG

initial of Volumio

Volumio2 support x86 so you can use Intel from July 2016 and support many plat home

Note: Volumio 2 does not work fine from after Volumio-2.185-2017-6-03.zip so no more new version of Volumio2 and new version is not support dsd file name
ssh and so many thing are limited new version of Volumio 2 ,please use until Volumio-2.185-2017-6-03.zip if Volumio 2 new one does not work fine.
and New Version are not free.going down quality but non free...



and can use BeagleBone Black with Master Clock by I2S.


Volumio2 wall paper on 2016

This is New Volumio can choose any your images for wall paper




HDD Detect

forum said ,plugin USB connector few times take out and in when Start Volumio2 then can use USB HDD


Rune Audio Player Version indicated 03 but actually 0.4 and MPD 0.20.18 by ArchiLinux


Rune Audio

RuneAudio last version but does not play DoP by I2S and PCM is fine.



Runa Audio

Actually does not indicated driver for sound so please edit /boot/config.txt by ssh.then you can get sound from your DAC.I am using Justboom Digi HAT
then connected SPDIF to DIY DAC. JustBoom are Compatible of HifiBerry.

DSF play RuneAudio

DSF doing play by Olasonic DDC USB SPDIF converter and DIY DAC 198Khz 24 bit



Upgrade of RUNEAUDIO


Add ADDONS on MENU by ssh

--------------------------------------------------------
rm /usr/local/bin/uninstall_addo.sh
redis-cli hdel addons addo
# reinstall
wget -qN --show-progress https://github.com/rern/RuneAudio_Addons/raw/master/install.sh; chmod +x install.sh; ./install.sh
--------------------------------------------------------
you can add ADDONS on MENU. but need expand memory of micro SD with RUNRAUDIO OS.using # fdisk
you can get a lot of information from CARIBE-RED.COM ,just from A to Z.
Please access next URL for Get Many Informations



ADDONS from RuneAudio Forum
CARIBE-RED.COM
Addons RuneAudio

ADDONS for UpGrade of RuneAudio



mpd update

MPD 0.20.18 indicated



mpd

mpd -V ,you can see mpd is upgraded .and please see more detail of next URL. very important add repository and add files for upgrade RUNEAUDIO

Ref:about resampler setup from mpd 0.20.18

you can play DSD as DoP now by RuneAudio much fun !!!!! :)

Ref:ADDONS on RuneAudio mpd up grade ,etc Ref:ADDONS on RuneAudio mpd up grade ,etc

ssh login

Log in by SSH on 5th May 2018


WEBUI  RuneAudio + SKMPC

Rune Audio + SKY MPC ,WebUI is very heavy to use so using by SKY MPC(mpd Client) .very useful for MPD Server



New RuneAudio mpd 0.20.18

RuneAudio mpd 0.20.18 on May 2018 and Play DSD as DoP nothing problem

after add Addons option and update mpd you can use # pacman -Sy mpd for upgrade mpd



deveroper position

you can see add dev on webUI then you can see developer position





-----------------------------------------------------------------------------------------------------------
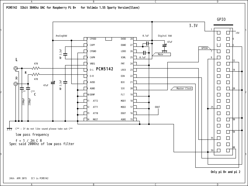
Mr Holriy 's Archives3rd Party Volumio 1.55 with Master Clock
**Mr Horly Web SiteNew Volumio 1.55 please see by tradiction site
this version does produce master clock so can use any DAC with I2S,detail is ,,,will you visit his site please but only Japanese .
this volumio has much option include indicate IP by LCD.left justfi 24bit etc.Master Clock put out from GPIO4.he said any kind of DAC will be get sound.

and Raspberry Pi from

Raspberry Pi
Introduce MOODE Audio Player
mood

This is other side of Volumio and RuneAudio..Call it's MOODE AUDIO for RaspberryPi .Down load is MOODE AUDIO
just like Rune Audio.some one said very stable.forum is Here is Moode-Audio

Moode Raspberry pi

sound is quite good and can play DSF too but can not access by ssh so just kind of music player for raspberry Pi much better RuneAudio

Both type of Volumio holy(Japanese) and moode are same family is not stable.can do reproduce DSD64 .this moment only 1.55 of Volumio is stable to use.
But these DSD are as under DoP(PCM) . DSD convert PCM(DoP).

moode old version

Old version of MoodeAudio 2 by Tim Curtis on 2015 June still work fine 2018


Moode Audio to get good sound on 2018 May
Moode Audio

To Get much more Good Sound



moodeaudio 4X 2018 May

Install is quite easy but need a couple of hours for installation ,sound is just same as volumio2



Play DSD -->> DoP

DSD as Dop Play by MoodeAudio 4.0 on 1st May 2018 ,,just fine depend on DAC




Note : if you can not mount NAS on MoodeAudio 4.0 please try to use next text line by command line by ssh on terminal
if do you have same on LAN line working some small Music Server or NAS is very important .MoodeAudio access to Volumio2 (small server)on same LAN.
make write next line by ssh.

$ sudo mount.cifs //192.168.1.12/NAS /mnt/NAS -o iocharset=utf8


Above text , //192.168.1.12/NAS is small music server IP ,ex volumio2 or NAS server.



NAS mount

You can see Music File of other server music files.



doing play from other NAS on 2018 May

Play Music from data file of other server(volumio2 NanoPi-Neo2) on 3rd May 2018



MoodeAudio4.0 can adjust sound by equalizer set up control on menu.so getting very comfortable sound from my Amplifier.
WEBRADIO : MoodeAudio is using same type of Volumio 1.55 , Funaudio and other type of MPD. so much better to use ,make one of floder of WEBRADIO
even RADIO .save xxx.pls ,mp3 ,flac etc inside of WEBRADIO at some place of NAS and same directly of MoodeAudio micro SD even USB Memory.
can access from moodeaudio player.if do you have a favorite internet radio station save into holder.then can access from moodeaudio.local
important is no save same directly of RADIO of MoodeAudio. because made up froze.sample show
wget http://www.single-ended.com/rasp/archive/WEBRADIO.tar.gz and "Do not open inside of MoodeAudio directry ".this is pls sample.if would like to use.


Nara Jones DSF

Nara Jones by Moode Audio 4.0 DSF



back ground can be replace

Wall paper can be replace




The Front End of MPD and Mopidy

Rompr

The Front End MPD and Mopidyjust like cantata and GMPD

asigne

Assignment of GPIO raspberry PiB+



Schematic Diagram is next ,single IC mode

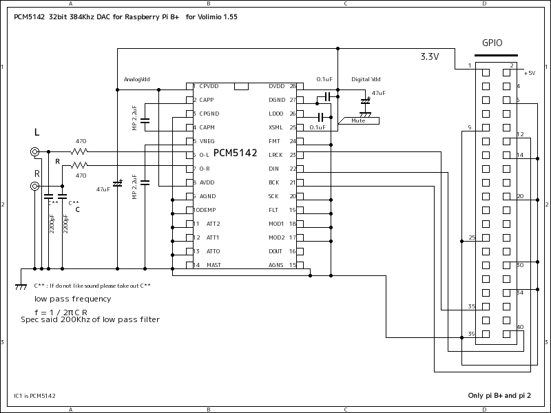
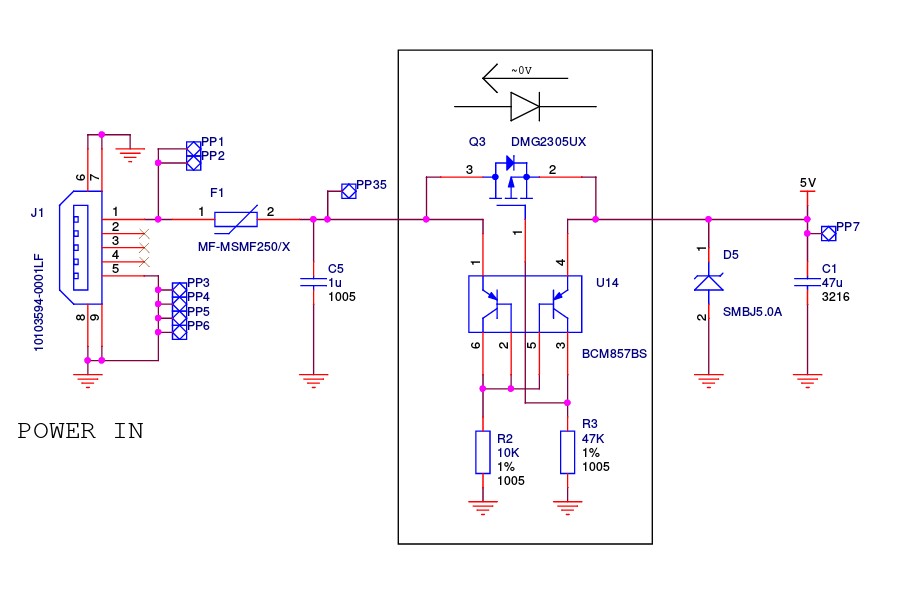
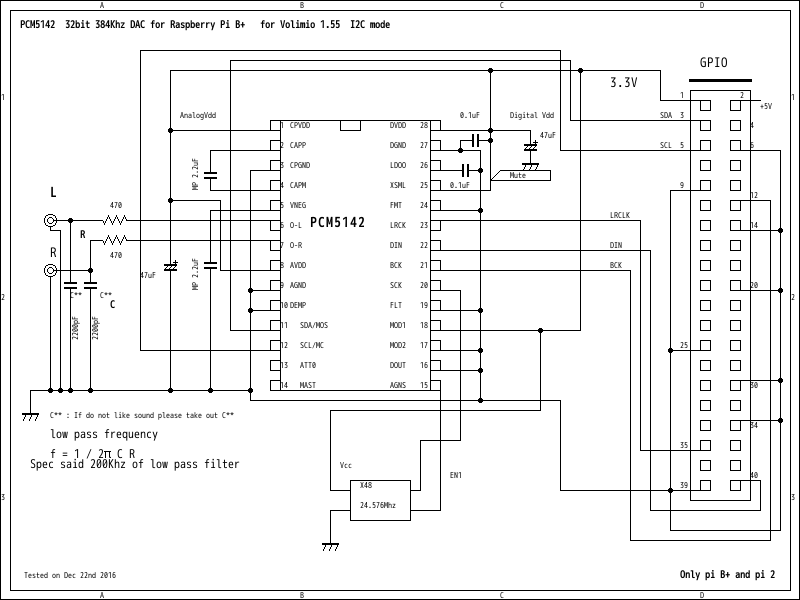
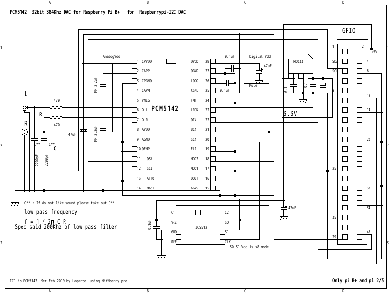
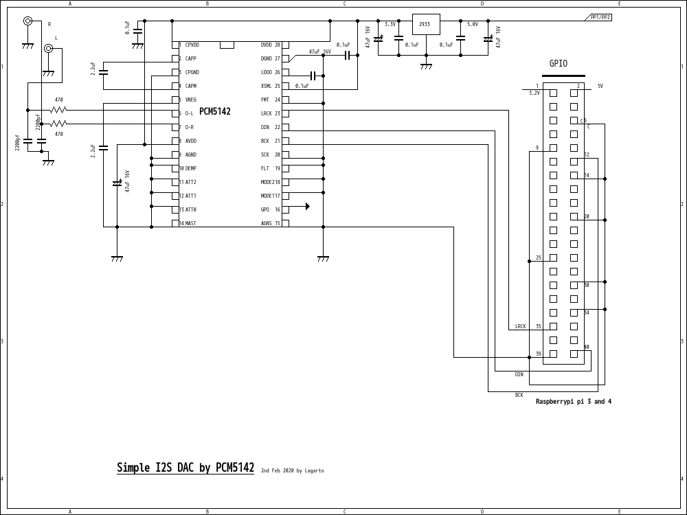
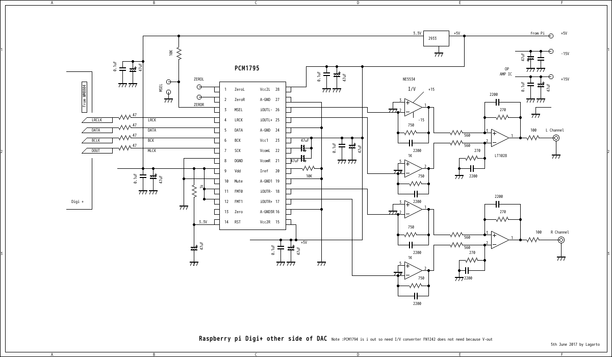
DAC for Raspberry Pi B+

Circuit is very simple and easy to get sound ...how about ?



One thing ,one of big problem of Raspberry Pi B+ is does not have Master-clock(SCK) signal so we can not use any kind of DAC IC,
SCK of PCM5102 must be connected with ground.



PCM5102A Inside ,,Raspberry Pi B+ DAC

built up 2 of them ,,,very budget DAC because DIY and sound is great ,cost is around USD $20 dollars



raspberry pi B+ とDAC

DACと、Raspberry Pi B+ hook up ,,very small Music Server



Raspberry Pi B+ とDAC

DAC and Raspberry Pi B+ will be working for Music Server.



much better use PCM5102a for Raspberry Pi family. very much stable to get good sound and can be change sound connected coupling capacitor.
with out put of PCM5102a and direct to input of an amplifier.

If would like to use Raspberry Pi 2 or Pi B+ etc. what is need for use ?


(1)Raspberry Pi 2 B type or Pi B+ (this is small arm architectur board PC)as you know (RS Components can buy)
(2) DAC USB type DAC has USB input if you do not have one,, please build up DAC by PCM5102a TI easily to build up. even DAC has DSD much better.
PCM5102a small DAC is very easy to build up and will be get good sound.you can by Digikey and RS component any where in the world.
(3) micro SD card (less than 16 giga byte),much better use 32 Giga Byte.
(4)PC Main PC any OS of PC for access by ssh (Main PC is Windows,MAC, Linux etc )
(5)Power supply of 5V 3A with micro USB connector with cable.
(6)if do you have SATA USB HDD or NAS ,if does not have those elements, need one of USB memory big much better for ex less than 64 G byte.
my case is using SATA HDD 1 tere byte with USB BOX.USB box adapter can be use SATA HDD to USB Memory on-line as just like NAS.
even you can use old PC with LAN for NAS .
(7)LAN cable and System of LAN in your house or your company.
(8)USB Cable
---------------------------------------------------------------------------------------------------option
(9)USB Key board(not necessary but if would like to use with HDMI monitor )
(10)Mouse
(11)Monitor HDMI
and Music Server application, there are Linux OS.Volumio or RuneAudio even Free NAS etc.Volumio or RuneAudio can convert High Quality sound passing trough
to your DAC or I2S type DIY DAC into your sound system. please try to build up PCM5102a small DAC. sound is good.!!!!!
Note: Often does not get sound from DAC ,probably got damages LSI DAC then replaced PCM5 xxxx IC fixed,so what's meaning OUT PUT line of DAC have to connect
coupling capacitor then hook up some resistance like 47K ohm respect ground for load.then feed to Maim Amplifier or Pre Amplifier much better to use.
Note: Micro-SD flash memory must choose "Class 10".you can use any Micro SD but slow.so please use Class 10.a little bit high cost than regular Micro SD.
if Do you have Windows PC for install Linux into Raspberry PI need 2 of applications for help.
A) format application.>>>>>Micro SD FormatMicro SDFormatter application from SD Association
B) image installer....>>>>>Win32Disk Imager Imager File Siteto show
You need 2 application for to get OS and install image to micro SD for Raspberry PI.
so not difficult.even If do you have Linux workstation or Linux Terminal ,you can format and install by command line.as you know.

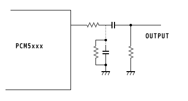
DAC 出力


connection

Connection of Raspberry Pi2 by Volumio at home



Add Master Clock to general DAC

LTC1799 module

very small unit osclate for Master Clock,,,may be...



Master Clock

Master Clock OsclatorLTC1799-SPEC


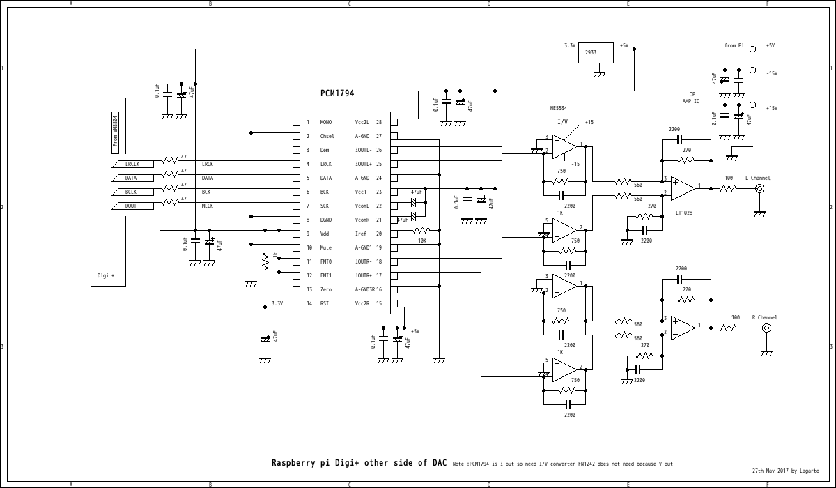
Best simple Mastar Clock OSClator in the world.Just try to make Master clock for other DAC PCM1794 ,PCM5124, FN1242A ........

24.5760 Mhz = 48Khz,96Khz,192 Khz and
22.5792 Mhz = 44.1Khz,88.2Kz ,176Khz will be make Master Clock for DAC.
Spec of LTC1799 PDF file
can make time base clock and can divide 1/10 and1/100 with 3 position of switches.if power supply is +5V can be use until 30 Mhz
and can be use until 20 Mhz when power supply is +3V. frequency is just show around 24 Mhz so must be use +5V Vcc.
Data 1: +5V Set R must be use 5K pot.for 24M hz and if possible to use some buffer or LC transformer.

1799 osc

24 Mhz frequency very stable on 5th Apr 2015


波形 1799

triangle wave ,,just not sine wave ...to see


Master Clcok

Just doing test by Master Clock ,,with LTC1799 OSC ,actually does not need frequency counter for adjust correct frequency.just turn screw of pot by screw
driver like tune frequency with radio dial.frequency is 24.576 Mhz.POT is 3K ohms .sound is a little bit more clear and getting a little bit more bass.but some time get
noise.like pi! but sound is really good than before . more widely and good bass ,,only some time to get noise.noise like scrach,,,on LP.
much better use Xtal module more useful and more cheaper.

modules

simple circuit ,module and potentiometer 3K ohms


Xtal

instead of LTC1799 much Stable and more useful

Then,,,, but some time getting noise from OSCilater

Epson PLL Xtal


秋月

programable crystal osc unit 1Mhz to 125 Mhz


SG-8002DC/DB by Epson Japan.
Jitter 250 ps/output load=15pF Max indicated on Spec and actually 2 type of power supply 3.3V and 5V .can be program by special tool of them.
osc is from 1Mhz to 125Mhz.very cheap and consumption power is quite low.



So,,, added buffer with TTL IC....circuit is next one

schematic diagram add buffer circut 10th Apr 2015

Then Tested .....with buffer stage ,,does not get some noise ....and using internet Radio high resoulution ,,sometime got noise from line condition.
with Master Clock ,,very low level of noise are getting but often.much better than before.and does not get noise from Master Clock oscilator any more.

Testing Master Clock 10th Apr 2015

Just testing InterNet Radio with Master Clock,,sound is much better than before.10th Apr 2015



DAC master clock

Xtal using for Master Clock ,,problem of noise was capacity of power supply then right now get small noise getting
when start Raspberry Pi DAC.then right now fine.this is good DAC and simple is good


Manualy can do
24.5760 Mhz = 48Khz,96Khz,192 Khz and
22.5792 Mhz = 44.1Khz,88.2Kz ,176Khz one of switch can switch by manual.in general InterNet Radio made up 24bit 44.1 Khz so need 22.579 Mhz Master Clock.

These kind of DAC does not need Master Clock. contain PLL Mater inside of PCM51XX DAC. if would like to add please use Master Clock with sync.because get some noise.
or no master clock.

How about Mr Horly's Volumio 1.55 3rd version archive


3rd Party Volumio with Master Clock.

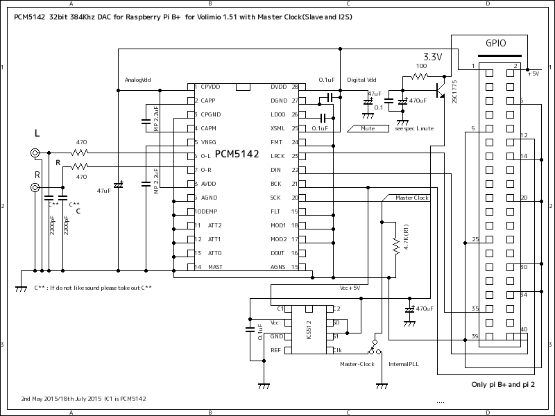
Show you 3rd party Volumio 1.55 modificated by Mr Horliy ,circuit is show above.GPIO 4(Pin 7 is GPIO 4) connected direct with SLCK of PCM5142.
a little bit has noise.but not so bad.
I can use any DAC without Master clock. Maste Clock came from Raspberry Pi B+ with his archive ,Volumio 1.55 horly version. using internal clock for
remote control clock. please try it. Mr Holriy 's Archives3rd Party Volumio 1.55 with Master Clock
works quite good. sound is very clear too please try to use...recommend.


so what to do,,,, still I am getting noise from with Master Clock .....master clock have to make sync with internal signal of DAC.many case use LRclock or Bit Clock.
then ,,, I made order multiple IC like ICS570 or ICS512 for will be get synclonize master clock. with use any DAC.

So 、I got 2 of ICS512 $4 dollars each in Japan.to get 3.072 Mhz signal from BCK into crystal pin as pin1、S0,S1 are pull up ,connected directly Vcc Multipulier works as X 8.
Volumio 1.51 how was work....does not get any noise .works fine.so I will make some slave DAC with Raspberry Pi,.PCM1794 or FN1242A ,PCM1716 etc.because I do not any
stock in my parts box.plays quite good with PCM5142.muy bien,,,,
still if do you have some noise please check RCA cable .good cable need.
will show you pictures.(2nd May 2015)

テスト中

Testing ICS512 and I2S DAC..SPEC ICS512



Ref

Schematic is same as PCM5102A same just different pin of IC



24.5760Mhz

I got 24.5760 Mhz pin 8 of ICS512 and let' me show you circuit.



circuit diagram Master clock....

Sound is very clear and does not get any noise like before.so Master Clock is good for DAC. but these kind of DAC does not need Master Clock any way.
so I will start build up ,slave D A C using other type of DAC IC with Master Clock.and assignment of IC is next.

patern


with Master Clock

Mounted Master Clock from BCK ,good work



Re-Locker and Piano I2S DAC from Volumio
Volumio ReLocker on Oct 2016

Volumio recommend Re-Locker and Piano DAC(ES9023 SABRE )


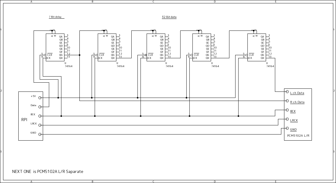
Next One PCM5102A L/R Separate DAC

Sparate Circuit PCM5102

As you know PCM5102A single DAC is good enough ,but how about separate each other Left and Right channel.
circuit show above ..just only time base circuit for 32 bit delay at left channel data.right now I will build up 2 channel DAC and using 2 of PCM5102a
circuit is copy of some circuit got from online.SN74164 is using and there are Shift register IC(TTL),,you can use any kind of shift register TTL.
much better use with PCM1794 mono mode .

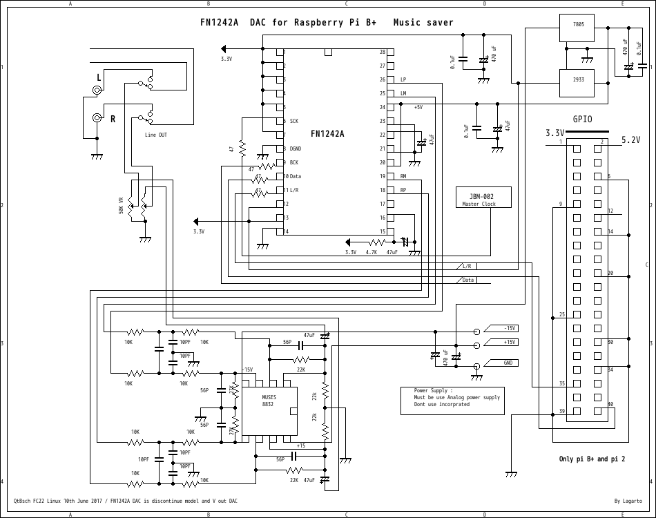
general DAC

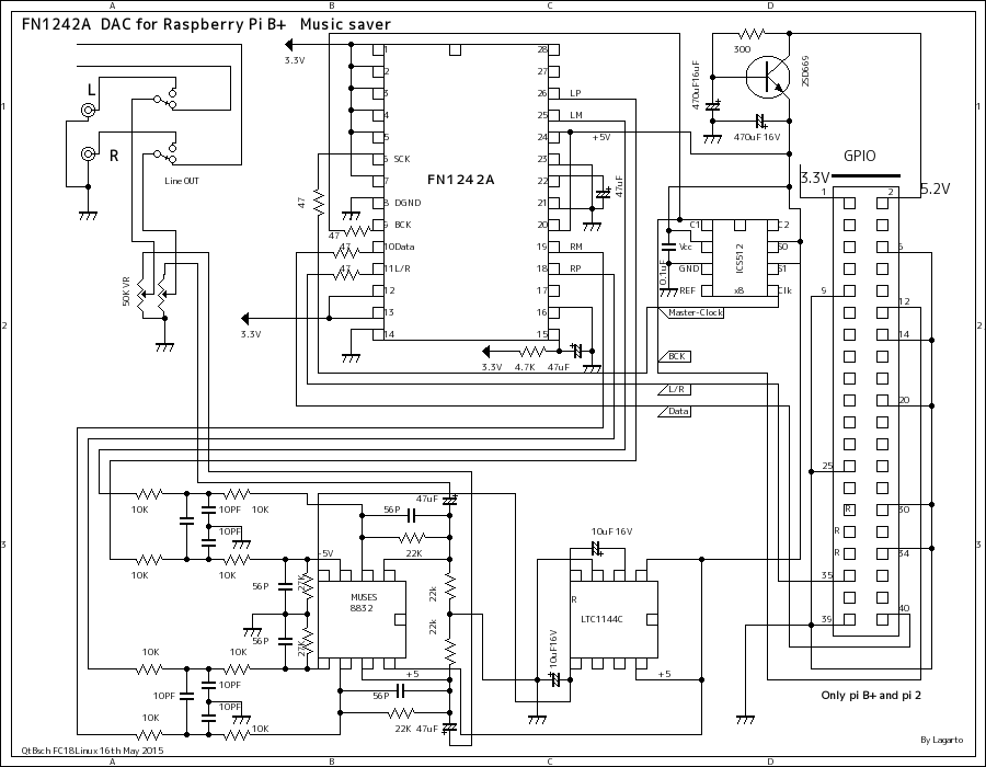
for General DAC if would like to use,this case is FN1242A 24bit 198 Khz DAC


Tested Again on  2016 .Dec 22

Rasp I2C

I2C DAC raspberry Pi B+ + Volumio of Schematic diagram

This is correct circuit of DAC for I2C , it is not I2S. this circuit is only 48 Khz sampling and 192Khz because can not get correct crystal for 44.1Khz
Just same circuit of HifiBerry and can be use for other DAC need Master Clock.like PCM 1974, FN1242A etc.
22nd Dec 2016


If does not get sound from DSF file etc


If does not get sound from DSF ,Diff etc about DSD files but not DSD with I2S signal. please try #raspi-config Update show next



Update

then next photo



Update2

Automatically Update data then you can get with Diff,Dsf and aiff files from MPD 0.19.10



If would like to install LCD indicator


LCD indicator

Circuit diagram show above 2 line 16 charactor LCD(EL) for Music Albums etc


Directly can not indicate ,necessary to install some program under Linux using .py using ssh or HDMI output connect with monitor .have to know
Linux.

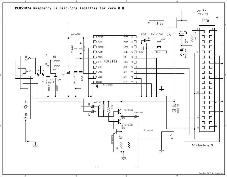
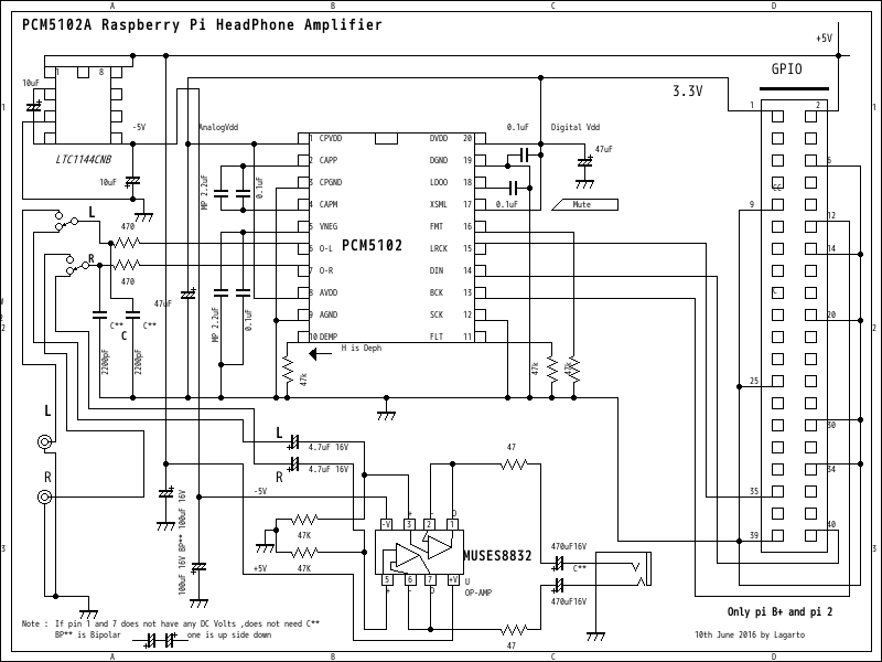
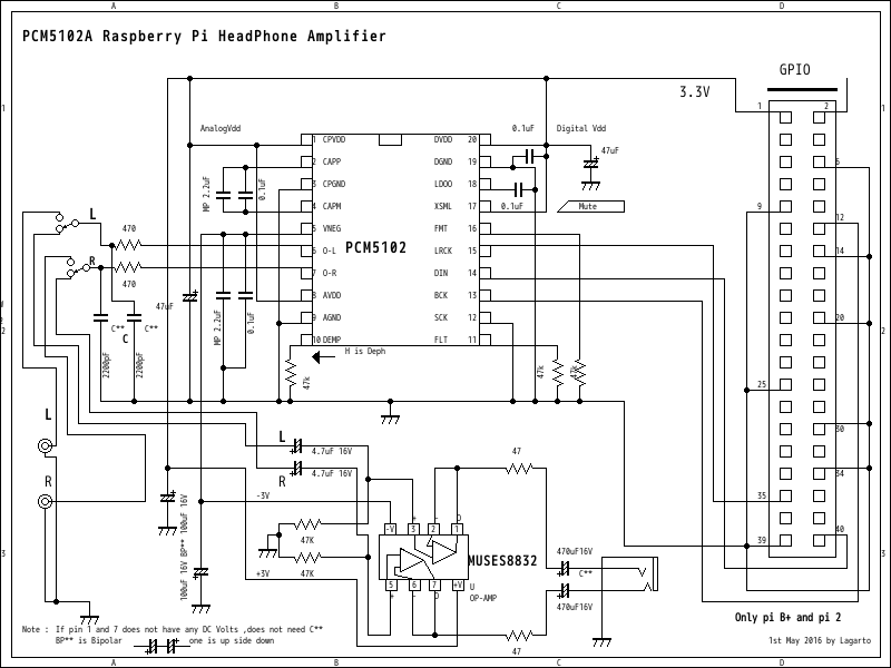
Head Phone Amplifier with Raspberry Pi B+ just show you circuit


Head Phone Amplifier Raspberry Pi B+

Schematic Diagram for Head phone Amplifier



Head Phone Amp Raspberry PI

RPI Headphone and Music Server Volumio 1.55 on 23rd May 2015


play Volumio 1.55


Raspberry Pi B+ I2S DAC and external DAC FN1242A

Main Amplifier 300B Single Ended Amplifier and Raspberry PiB+ I2S DAC 2015 Dec 18th



Finally going to 6DJ8 Valve Buffer with Raspberry Pi B+ DAC


DAC 6DJ8 Raspberry Pi B+

Finally will build up 6DJ8 I2S DAC with Raspberry Pi B+ MUsic Server




Raspberry Pi B+ 6DJ8

Images like this.....6DJ8 DAC






If does not get sound from your Raspberry Pi I2S DAC


first you must learn how to use nano editor.even you can use emacs ,vi editor for Linux.
if already login into Volumio then
# cd /etc/
# ls -a or # ls -l
you can see directory /etc directory and choose modules by nano editor.
# nano modules
so right now you can edit file modules.text is next to see.
first time open nano ,you can see modules on nano editor.
to edite then Cont + O for save.
then Enter
Cont + x for get out from editor.
then reboot.reboot is
# reboot
or
# shutdown -r now
which ever same work for Linux command .



Please try to re-write name of driver at /etc/modules
# /etc/modules: kernel modules to load at boot time.
# This file contains the names of kernel modules that should be loaded
# at boot time, one per line. Lines beginning with "#" are ignored.
# Parameters can be specified after the module name.
#snd-bcm2835
snd_soc_bcm2708
bcm2708_dmaengine
snd_soc_pcm5102a
snd_soc_hifiberry_dac



few case if "snd_soc_pcm5102a" does not find please add this line of name of driver.and
please try to add /etc/asound.conf by root
# touch /etc/asound.conf
then
#vi /etc/asound.conf
some time nano ,emacs instead of vi for write script by ssh access.
file is



pcm.!default {
type hw card 0
}
ctl.!default {
type hw card 0
}




then
pi@raspberrypi ~ $ aplay -l
**** List of PLAYBACK Hardware Devices ****
card 0: sndrpihifiberry [snd_rpi_hifiberry_dac], device 0: HifiBerry DAC HiFi pcm5102a-hifi-0 []
Subdevices: 1/1
Subdevice #0: subdevice #0

if did you get above sentence ,will be fine to get I2S DAC.

Easy to up date mpd 0.19.9 now from Volumio Site



sudo apt-get update
sudo apt-get install libmikmod3
wget http://repo.volumio.org/Packages/Mpd/mpd_0.19.9-2_armhf.deb
sudo dpkg -i mpd_0.19.9-2_armhf.deb
sudo apt-get -f install

then reboot.
Just access and try to install mpd of version up.from herefor update.
and then reboot ,try to use
$ mpd -V
then will be get mpd 0.19.9
right now will get 0.19.9 mpd. off course use under ssh.
sound is a little bit bright than before.if good quality of sound please use NAS and HDD with USB. sound not from USB flash memory.
you can play DSD sound but DoP PCM from Native DSD source .

mpd 0.19.9


Note: If one's using Volumio2 by ssh ,sometimes can not accept passwd from volumio2 . please try to use $ ssh root@192.168.xxx.x -l volumio
then try to access by ssh. then make volumio passwd. and sometimes can't accept ssh by Linux please try to delete .ssh $ rm -R .ssh then make access by ssh on Linux command line.


how to access raspberry pi with out monitor
my case .... I am using Fedora Core Linux long time. so my case is ,,using by terminal from comand line.
$ arp
you can get IP on terminal ...so find Raspberry pi IP in your house(LAN).if does not have Linux terminal please try to use any OS terminal
from any OS. teraterm is very famous in Japan for MS Windows.
so let's try to access from other PC.
$ ssh root@192.168.1.5
then if did you connect with Raspberry Pi they ask pass word so just strike key pass word "Volumio"
you can get login into Raspberry Pi ... so try to re write script of driver. editor is emacs ,long time using emacs so much easily than
any editor for me. you can use vi ,nano etc. have to learn "how to use Linux with comand line" first.
that's all.

About ssh.. in general ,ssh can access from other Linux(Unix)terminal under terminal(xterm,kterm,gnome-terminal etc) if one's using MS windows.
can be use teraterm , putty .for English much better use putty for telenet.putty is just like same as Linux terminal if you are using Windows please
make down load for PUTTY can use same as Linux terminal under ssh.
so does not need HDMI monitor.



So Raspberry Pi B+ can be use for Music Server and getting good sound .She can play DSD (still not but) sound and High Resoulution Audio.
have to try.
let's me see,,,, show you by picture...next

Raspberry Pi how to

then ,,,,,

Raspberry Pi configration


Raspberry Pi configration



my house net work

Sound getting from Raspberry Pi B+ and NAS



My System

Using as Music Server ,small server but very good for you



PCM5102A Data


Raspberry pi + sony ericsson


Androido Volumio 1.51


konqueror + Terminal

Konqueror can do by ssh with browser



Can watch into Volumio under MPD by Linux Terminal


Then into box on FT450D Yaesu Radio


Ham Station for HF

SATA USB 1 Tera HDD with Raspberry Pi B+ DAC for Music server 2nd Mar 2015


Raspberry PI B+ PCM5142 DAC


version up 2015 18th July

small version up of PCM5124 DAC



inside of DAC and server 1


inside 2 of Raspberry pi DAC

Inside of Music server + Raspberry Pi B+ I2S DAC



Dop setup at Volumio

Dop setup,,then you can play DSD Native as Dop PCM ,,,,DSD converted to PCM


If do you have Native DSD player(DAC)and has USB input ,you can connect with each other Raspberry Pi B+ with USB cable and play
Native DSD from your DSD DAC.same page of Volumio has position of type of Audio OUT PUT select your DSD DAC driver.




DoP PCM Play raspberry Pi B+ Volumio

352.5Khz DSF/DoP plays by Narah Jones



How to set up FIX IP (Static)

In general, these kind of Music Server ,PC at home are using DHCP. automatically set up IP. but Often can not connect Home LAN.
so much better use fixed IP. like 192.168.1.8 etc.first search your Modem IP .if IP of Modem is 192.168.1.1 can setup fix IP for each Music Server.
Volumio Case is as root or $ sudo cd /etc/network/ then edit interfacs of file by editer like vi, emacs and nano. which do you like.
you can see $ cat /etc/network/interfaces like next frase/ so if you know IP of modem in your house. please edit correct IP.
gateway is your modem IP and address is Raspberry Pi Volumio 's IP.which ever you like.then $ sudo reboot.you can connect LAN automatically.
much more good for Music Server.if moved place of server. never lost again.next file is located /etc/network/interfaces .

auto lo
iface lo inet loopback


auto eth0
iface eth0 inet static
address 192.168.1.5
netmask 255.255.255.0
gateway 192.168.1.1
nameserver 192.168.1.1

How is sound from Raspberry Pi B+ with DAC PCM5142

Does not have any noise from LAN and even "Breath-in phenomenon" now .ICS512 is good for use Master Clock.slightly more bright sound getting now.

Volumio 1.55 with Raspberry PiB+ can do play DSF ,DFF file until 2.8Mhz but sound is not Native either can play DSD file.sound is good enough with volumio 1.55


Top of FT450D Yaesu


how to add WEBRADIO Stations. more than 50 Stations good.from Volumio repositry


This case is add a lot of stations from Volumio repository source.from ssh comand line through on line.
first access by SSH with some terminal like xterm ,mate-terminal, putty for windowa and teraterm for windows.etc my case is ,Volumio's IP is 192.168.1.6
then open terminal from other PC.
#ssh root@192.168.1.6
#passwd volumio
#cd /var/lib/mpd/music/WEBRADIO
#apt-get install git
#git clone https://github.com/jprjr/internet-radio-streams.git
#cd internet-radio-streams
#./make_links /var/lib/mpd/music/WEBRADIO/ pls
#./make_links /var/lib/mpd/music/WEBRADIO/ m3u

that's all, you can get more than 50 Radio Station for InterNet.Reff Site
and、if do you have Cantata,can add many Internet Radio,Cloud etc by GUI from other PC(Windows,MAC,Linux etc)and easy to supervise your Music .
Note***: This version is for Volumio 1.4 so can not make correctly install each directly of stations holder.but you can get install .pls into WEBRADIO.
if does not like ,pls files have to move each holder.with command of Linux(Unix),problem is made only empty holder.and does not get m3u files.many be some BUG.
and if use #git clone http: ~ instead of https ,much more station will be get.forum does not indicated change position of command.so you can try #pwd
you can know where stay command line... then #cd /var/lib/mpd/music/WEBRADIO then please try install pls and m3u files.will be get more than 50 stations good music.
much more fun.!!!
if does not function #apt-get install git please try to update as #apt-get update then #apt-get install git probably get good result.
this archive is inside of my volumio's WEBRADIO List'sTAR.GZ files can see inside if would like to use.
even can down load by $wget http://www.single-ended.com/rasp/archive/Radio-List.tar.gz on terminal of Linux.

More Stations for WEBRADIO

Web Radio Stations List on Volumio ,Added from Volumio.org more than 50 Stations.




WEBRADIO of Volumio's radio station are, some of stations are does not play....how to fix and add new stations


Because ,,IP is different with original site of stations so please check IP address then replace IP or URL came from Music.or check Shoutcast Site.
SHOUTCastShout Castthen check each site then get pls .m3U files.which do you like.
much better use SSH by other PC then save WEBRADIO on Volumio.、when down load files always files are"tunein-station.pls" so please replace name of file then
copy into Volumio WEBRADIO directly.so easy to get many station which do you like.
then Access by SSH Volumio.
#cd /tmp
then
#wget http://www.single-ended.com/rasp/archive/WEBRADIO.tar.gz

#tar xvzf WEBRADIO.tar.gz -C /var/lib/mpd/music/

#rm WEBRADIO.tar.gz
#cd
#pwd
#reboot
you can get more than 2000 stations 、have a fun. !!! make sure ,,, much better get original files from SHOUTCast.Radiomy
WGBH Boston of Classic 's quality is good.volumio indicated 24bit 48Khz ans sound is very pure and clear.include WEBRADIO.tar.gz
also located WEBRADIO.zip same directly of my site.if would like to use zip file too.off curse have to use unzip.

Some Station can play then goes off ,no sound. ex ABC Radio, ABC Piano etc
WEBRADIO Volumio

Add WEB Radio Stations into Volumio



above list show by other Linux PC's file manager using and see inside of volumio.using samba.off course can do cut out some of file and add files too.
not necessary to use command line ssh.but only can see inside of directly of samba(share)


How to remove(delete)play list on WEBRADIO in Volumio

This is not only Volumio. because Volumio is Linux so please use command of Linux(UNIX),# rm xxxxxxxxx.pls which ever abcdef.mp3 etc.. are one of file name
#rm abcdef.mp3 that's all. you can remove one file which indicated. either if you have some file manager like on Main PC then you can see and delete by mouse.
simple way is access volumio by ssh by other terminal.then delete file.which would like to delete.please see 2 of picture.
ssh using access Volumio

Access by SSH then move to directly



delete file using Linux command

Delete file by command of Linux. very easy


# rm can you remove only one file. so # rm abc-radio.pls if one of holder name is Jazz-vocal , # rm -R Jazz-vocal remove all of holder.



Sound from Raspberry Pi B+


6DJ8 Valve 24 bit 196 Khz DAC D.I.Y



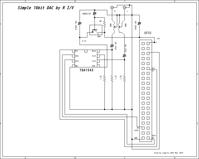
DIY-DAC



Basic I2S DAC list of components

Basic Circuit DIY I2S DAC

and components list is show next

Component
component name
Quantity(QTY)
IC I2S DAC
PCM5102A BB by TI
1
Headder soket see No1
Headder for Raspberry pi B+ 40 pins
1
LSI pcb mount see No2
20 pins dual inline pins for PCM5102A
1
Capacitor film
0.1 uF 16V film
3~4

2200 pF
2 (depend on sound)
resistance carbon
470 ohm 1/4 W
2
Capacitor non polar
2.2 uF 16 V
2
Electric Capacitor
47 uF 16V
2 or more

10uF 16V
1
small universal PCB
5cm x 7cm
1
small LSI PCB for PCM5102A
see No3
1
Wire for backside PCB
Wire
around 10m
headder pins
see picture
some
RCA out put
RCA connector for output
2
LED blue
LED Blue
1
Chassis(box)
box any type by aluminium



 





backside of PCB wire

back side is just like above and           wire for wiring


adaptor and headder Headder and pins

Adaptor PCB for LSI SSOP No3 and            40pins Headder connector and headder pins for addapt


So you can easy to build up I2S DAC less than 30 dollars ,box you can use any kind of box. chocolete box...candy box etc but much better use metal box.
simple circuit but will be get high reso sound from Raspberry Pi B+ .flac,Wav, mp3 , any kind of archive of sound.until 358 Khz 32bit.
you can get from Digikey and RS components any where of local shop.very much simple circuit but will be get High Reso sound.
one thing very impotant,,, winter season some problem getting, one of problem is broken LSI , sometime.I think cause of does not have coupling capacitor.
so does not get sound from I2S DAC, replaced LSI then getting sound. please be careful to use around outside of audio out put circuit.


How to record Music from WebRadio Stations on Volumio


First , make access by ssh raspberry pi server(Volumio) and install application for recode music
then on command line change position using keyboard.
#apt-get install streamripper
then , try to make #streamripper then something to get script ? means OK.
then
#cd /var/lib/mpd/music/RAMPLAY
#mkdir mysong ---> this part is any name you can write. which ever save-music etc.this case use "mysong"can make any name you like.
#cd mysong
#streamripper http://listen.radionomy.com/smoothjazz247
right now you can record some music from stream.but must be write correct URL after #streamripper please use carefully because RAMPLAY does not have much memory.
you can play music some day if recoded. next show photos.Music must be save in USB memory much better.#Cont + C can stop recoder on Volumio .
one thing ,,smoothjazz247 can listen music all country. only USA and by smartphone app.any way can recode.
streamripper http://185.33.22.15:11230
above line is for
stream: 1.FM - Bay Smooth Jazz Radio
also one of good WEBRadio Station.

install application on volumio 1.55

Install Streamripper on Volumio use #apt-get install streaamripper



recording for Raspberry pi server.

Recording The Jazz Groove.com by another terminal on Linux




re play music from Volumio,.

Just re play Music from Ramplay on Volumio



How is Raspberry Pi 2 EL14 ?

6 Times rapid than Raspberry Pi B+ ..... ? last week I bought one of brand new one of P2 but,,,actually I do not think does not get much speed than B+.
I think ,,,, lie........ please wait buy new Raspberry Pi 2 ,,,,,,, I am using 3 year old Sony Vaio with Fedora Core 18 ,,,50 times rapid than Raspberry Pi 2.
I think Windows 10 can not function... with Rasp Pi 2........ What will be ? where going to Raspberry Pi 2 ? but depend on correct window manager make it fast.
I did try watch Hulu but still just like toy PC. we have to wait Windows 10 for Raspbery Pi 2 ????

Fedora 21 Remix install ----on 8th Mar 2015

Actually I do not like Ubuntu(Debian)family of Linux ,,,either I am using Fedora Core 18 Linux on my Vaio VPCJ2 working fine.
just would like to install Fedora into my Raspberry Pi 2 Btype .so I did get archive from Fedora core Remix 21
each version of window manager need around 10 G byte of micro SD. original archive is around less than 1 Giga byte but necessary install on micro SD of around at least 32 G Byte.
first I got xz file from Digital Dream Time UK site. they has 4 type and see detail on Site.
please try to install ,,, then if does not make log in. please try on command line as Cont + Alt + F2 can do command line, as root and passwd is fidora.
then make user # adduser name-of-handle then # passwd name-of-handle
then # reboot you can do grafical login .if would like to upgrade please try #yum update and #yum ugrade.for up grade of Fedora Rimix.
Fedora Core Linux is much faster than Debian and Ubuntu Linux I knew.using until Windows 10 brand new.Wrote 8th Mar 2015 I am so sorry bad english to wrote.!!!
I think ,,,,Raspberry Pi 2 is weak.100 % does not work Windows 10.

One thing Raspberry Pi does not have hard time clock so can not adjust time so some time need adjust like
# timedatectl set-timezone Asia/Tokyo in my case...in Tokyo Japan... so your country is other thing.
please install # yum install ntp too....

Other thing,,,FreeNASfor Raspberry Pi can as NAS.how about...

About Volumio 2


Please Volumio site,
Volumio2 you can get Beta1 Volumio2 right now.please try it's.


$ ssh of Volumio 2 is
just show you next figure.
$ ssh volumio@your IP then Passwd is "volumio".
very much stable to use.I am using under line of IPv6 line but nothing problem .a month ago moved new place and this place using IPv6 and Ipv4 both of
protcol.almost one month does not play good and had been problem so replaced Volumio2.right now no problem to use.

SSH Volumio 2

Volumio 2 by ssh access on 15th Oct 2016




Volumio 2

Back Images can replace any images Volumio 2


Still using Debian family Linux,but limited version.asignment of memory is caluculated much better than before.but not detect USB HDD Memory.
sound is not so good than before.I guess. on 15th Oct 2016.



Remix Fedora core 21 arm 2015 RP2

Remix Fedora 21 ARM with Mate under Raspberry Pi 2 B type on 11st Mar 2015



Fedora Remix 21 for Raspberry pi 2

Fedora Core 21 Remix ,MATE for Raspberry PI2 on 12nd Mar 2015 with Cantata MPD



MATE DC21 Remix Raspberry Pi2 2015 Mar

Fedora Core Remix 21 under Arm Raspberry Pi 2 .... on Mar 2015 MATE Cairo-dock



FC21 Raspberry Pi +B 2 Mar 2015

Raspberry Pi 2 work-station FC21 Remix with Cantata indicated show Alubums from Volumio



ICEWM FC21 Remix Raspberry Pi2  2015 May

ICEWM under Fidora Remix 21 on 23rd May 2015 ,,more light weight window manager for Linux



ICEWM Raspberry Pi2 2015 May

ICEWM Fidora 21 Remix Raspberry Pi2 Armv7 +Cairo-dock much Better than Windows 10





Small Chines DDC PCB using USB I2S DAC DIY


USB DAC I2S 2015 Mar 29

Chinese small PCB DDC using USB I2S DAC



DigiFi15




RS components

Raspberry Pi 2 is can buy at RS compnents in your country




Plays Jazz by Raspberry Pi B+ I2S PCM5102A DAC on 1st June 2015 from USB 1 Tera HDD




Ubuntu-Mate for RP2

Ubuntu Mate Version for RP2 Expand micro USB to 32 G Byte,, 7th June 2015


N01 : in general using 16 G, 32 G byte micro SD memory but always need memory .original partation is very small. fill up soon his micro SD memory.
so expand up to 29 G byte. actually moved /usr and /var are moved into other sector of memory. not difficult and this part can use as NAS too.

No2 :Formal way :
choose to root ,by some terminal from comand line su or sudo then
#fdisk /dev/mmcblk0
then delete 2nd part of line like
Command (m for help): p

Device Boot Start End Blocks Id System
/dev/mmcblk0p1 8192 122879 57344 c W95 FAT32 (LBA)
/dev/mmcblk0p2 122880 3788799 1832960 83 Linux
delete red line then n for make one expand sector.

Command (m for help):
Command (m for help): d
Partition number (1-4): 2

Command (m for help): n
Partition type:
p primary (1 primary, 0 extended, 3 free)
e extended
Select (default p): p
Partition number (1-4, default 2):
Using default value 2
First sector (2048-15351807, default 2048): 122880
Last sector, +sectors or +size{K,M,G} (122880-15351807, default 15351807):
Using default value 15351807
------------------------------------------------
each value is depend on case of memory.this case is 8 gByte of micro USB using.

Command (m for help): w
The partition table has been altered!
--------------------------------------------------------------------
Then ,,# reboot and check how to got partation .
very important comand is
#resize2fs /dev/mmcblk0p2
above comand meke realize expand Partition of memory on maicro SD.
if choose final of sector ,,will be use unitl end of memory.if do you have 32 G byte can be use until end of memory like 29G byte.
please try it's.good for you small your PC Raspberry Pi2 with Linux.if does not get expand partition will you try to reboot then make
#resize2fs /dev/mmcblk0p2 again then reboot , check again with $ df -h can to see partition. this way to expand partition use very carefully to do.

DF-H

indicated by df -h and you can see already up to 29Gbye


Easy Way to Expand ReSize Memory


If are you using Fedora Core or Ubunti family(Debian),please try to install "gparted"
$ sudo apt-get install gparted or $ sudo dnf install gparted
then su or sudo
start gparted
you can see "resize" on /dev/mmcblk0p4
moves resize to end of memory on which means if are you using 32 G Micro SD, Linux OS using around 4 G Byte so still you have
28 G byte on Micro SD.end of memory is /dev/mmcblk0p4 as a "/ " so this partation will be move to final of sector.untill 28 G byte.
then
#resize2fs /dev/mmcblk0p4
# reboot
you can get more memory on Raspberry Pi Linux OS.this is one case of Fedora Core 25 on Raspberry Pi.any way easy to expand memory.

Gparted

Gparted ,easy to expand memory of Raspberry Pi Linux OS this is for Fedora Core 22 Linux



Now you canuse space of memory as NAS mount volumio menu which is libraly.
first must be edit /etc/samba/smb.conf show next

[Share]

comment = Share
path = /var/samba/share
read only = no
public = yes
follow symlinks = yes
wide links = yes

this parts are use as samba directly.after mounted as NAS and IP is same as Volumio's IP.
then you can use around 25 Gbyte as internal memory for keep Music.Volumio can see as NAS.it's enough Music server.
can keep around 500 music of flac.even a couple of DSD Native archive.how about ? I think good idea.!!!

NAS

NAS inside of Volumio




ICEWM Rasp Pi2 under Mate

Ubutu Mate Ver ICEWM Batman theme



MATE UBUNTU RPI2

Ubuntu Mate Raspberry Pi 2



How to use flash movie in Ubuntu Mate with Raspberry Pi 2


gnash can use instead of flash plugin with firefox when if using Raspberry Pi 2 with Ubuntu Mate.
just type
$ sudo apt-get install gnash
$ sudo apt-get install browser-plugin-gnash

then you can use flash movie on firefox.even you can install adobe flash.so .

Marutu Arduino uno clone

Small PC Arduino Testing



Arduino Uno

What can I do ? 2016,11st Nov



oscilo scope

でProcessing on Linux Osciloscope Poor Man Oscilo

Arduino osilo

Oscilo Scope by Arduino

Lxardoscope on Linux

Lxardoscope Linux by Arduino


Visual Analyser 1.8

But this one is Best for Windows.
--Visual Analyser 8.1 down load--
if would like to install and if do you have windows PC please try to install good for workshop and hobby.


VA  wine

Visual Analyser under Wine Linux Fedora Core 22 x86 64bit



Many my friends using and recommend to use and easy to get sound.HifiBerry
Schematic diagram of Hifiberry pro

my friend said get good sound from Hifiberry Pro,so recommend to use ,,,,actually this DAC use as I2S and I2C control.2 xtals for master clock




and ,,,You can get sound of DSD by kit with Raspberry PiDIYINHK DAC KIT

They has many kit's for Digital Audio


raspberryPRaspberry Scematic diagram
Circuit diagram all shematic diaram is here/Raspberry Pi 1-3

Circuit diagram of Raspberry Pi family---Schematic Diagram---

Manual for VolumioCourtesy of Mr Michelangelo Guarise on 11st Oct 2016

Switch Science Japan/Takajin DACSwitch Science Japan

Idea of DAC for Raspberry PiDIY Site from PAVOUK

DAC DIY SiteWWW.DDDAC.COM

Raspberry Pi DAC A to Z TJAEKL.COM

isi's hobby site (Only Japanese)

My Site Access in a day

Easy Audio Kit Japan(only Japanese)

High Soulution Sound Samplefor Down Load from 2L

Free DSD sample down load from dsdmaster.blogspot.jp

Make---Make

Other side of Arm PC....call it's APC Paper

Hifi Statements Net Free Down Load DSF

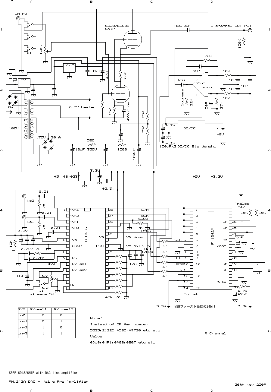
6DJ8 SRPP DAC DIY

Sound converter Linux and Can do re-sampling 32bit

Internet Jazz links

Pi π Music Box

MOPDIY

Raspberrry Pi R2 Scematic Diagram

from Eurpa www.listenlive get pls file

from USA Shout Cast to get pls file

Internet Radio.com to get pls filesト

181 FM

UK Radio Station WebCast

Raspberry Pi Zero and other tip from HongKong

if did you find xxx.pls then copy and drug into some directly of rasbberry pi on Micro SD memory or same folder of
Ramplay .you can add special web-radio and then can be use as web radio.


3 of List of WEB Radio Stations for High bit rate


High End Audio Internet List

More than 1000 WEBRadio can you add in your Volumio.from radionomy.com and AbaucasFMBest Good Site

RedMP3Free Music MP3 down load / any kind of Music enjoy!!!

sometimes change domain please watch on net


Sound quality is very good and very clear.I recommend to add your webradio of Volumio other Music server(Raspberry Pi family)



And to get more High Bit Rate Stations data for Volumio.


HibitRate Stations fromradiobit.50webs.Com

Get Good Sound from BSOBSO Boston Sympjony Orchestra

# wget http://www.single-ended.com/rasp/archive/WGBH-BSO.tar.gz
can get sound from Volumio ,only Classic 24bit 48Khz sound from them

Change position of GPIO webiopi how to install WEBIOPI install by command line

Free Cine and TV

Free Cine and TV Dramas if do you have good line for Internet



My System : 300B Single Ended Amplifier and 2A3 Single Ended Amplifier. valve Pre RIAA for SL1200 ,CD Player was broken last year(2014.Dic)
Speaker is 91dB Vertical Twin,DAC is 6DJ8 Valve FN1242A DAC connected SPDIF with USB Interface 24bit and Raspberry pi B+ PCM5102a I2S DAC.
and Pioneer DAT D-06.Main PC is Fedora Core 18 Linux(Vaio VPCJ2)for work station. 2 of Linux file server using old PC.
High Res source means ,,you have to use Valve Single Ended Amplifier because almost good semiconductor amplifier's frequnecy response are
10Hz to 20Khz (nominal 30Khz ) how can you listen music high reso music from SS Amplifier.valve single ended amplifier made reproduce until 100Khz.
or more high frequency.how about ?


my amp 2015

my amplifier's for Music



Raspberry Pi DAC Amplifier

USB DAC input(71A Single Ended Amplifier),96Khz 24Bit DAC inside




Main PC

My Main PC Fedora Core 18 Linux under ICEWM with Vaio Intel inside on July 2015


DSD(DSF) from PCM  :TASCAM Free Application using for get DSD file


Using TASCAM free application very nice

TASCAM free application using for convert sound wav to DSF this one using under wine Linux


TASCAM Free Sound Editorfor PCM to DSD ,,,,
and easy to install your PC even using Linux ,can be install by wine, nothing problem. very good one for you.
this application contain wasapi so need addtional farm ware. please try to seek asio ,can be use asio4all for ASIO.
for convert PCM to DSF.any way you can listening music PCM sound directly from DSD source with DoO.
one thing you can play until 2.8 Mhz DSF from CD Wav -->> Convert -->> DSF into Raspberry PiB+ then I2S DAC (PCM5102A).
for first step you have try to use ripping which using some kind of ripper and save as WAV file then convert DSF file.
if do you have Native DSD DAC much better.

Wine + x86 64bit Linux play Windows

MS Applications on Native x86 64bit FC22 Linux (Sony Vaio)

If you have Intel PC ,you can install Linux and same way you can use Windows Applications on Linux under Wine Linux.if Raspberry Pi 2 can do x86 Linux
easy to install Wine and play windows applications.I am using Linux more than 10 years, nothing problem with wine.if you can use wine by Raspberry Pi 2
off course you can use Windows XP's applications.only x86 Linux can do.


Note: PCM5102A I2S DAC does not get 24bit automatically.16bit 384Khz PCM either indicated DSD or 24bit on Volumio but actually 16bit high samplinng frequency sound.
Still are you ,would like to use Raspberry Pi Music Server I2S .please use ES9018 family DAC and ES9023 DAC can do DSD >> DoP >>PCM ,24bit high sampling frequency
sound.with I2S.

root@volumio2:~# cat /proc/asound/card0/pcm0p/sub0/hw_params
access: RW_INTERLEAVED
format: S16_LE
subformat: STD
channels: 2
rate: 44100 (44100/1)
period_size: 4410
buffer_size: 22050
24,32bit sound with I2S does not play as correct format by Raspberry Pi I2S DAC.

What do you think ? Raspberry Pi I2S DAC and Raspberry Pi is kind of Toy ?
please seesee problem
so Toy is Toy ?still Toy. Dop Playback from USB memory has problem ,getting noise etc but same source from USB HDD can play with Dop play.
if would like to play Music please try to use USB HDD memory.HDD means Hard Disc Drive,SATA with USB adapter.



any way Sound is good

Sorry, your browser doesn't support embedded videos. EH 300B Single Ended Amplifier SPL 91dB/m/w (using fladance mp player)sound from Raspberry Pi B+ I2S

32bit 96Khz up sampling by sound-converter Linux PCM WAV file


Song by Linda Ronstadt



Cantata indicated

shown by Cantata on Fedora Core Linux 22 x86 Vaio



Testing New 300B Amplifier on 2016 May 1st



Very modern sounding from Raspberry Pi B+ I2S DAC



Testing.. 300B Amplifier Apr 2016

Testing new 300B Single Ended Amplifier on Apr 2016



This is not Raspberry Pi B+ ,,Main PC is Vaio with Fedora Core 22

ICEWM + Emiclock Fedora Core 22 2015

Fedora Core 22 and emiclock,Wbar with Sony Vaio 2015 ,I'm using for ripping sound from CD



Linn Jazz

Linn Jazz watch by Cantata FC22 Linux



Cantata can do anything from terminal

Cantata Can do control volumio server directly, even can play any Internet Radio



HeadPhone Amplifier with Raspberry Pi

head phone amplifier 2016 1st May

Just show you schematic diagram for Head phone Amplifier on 1st May 2016MUSES8832.pdf

As you know,Raspberry Pi +B family has -3V negative voltages. so you can play with OP amp IC's .like MUSES8832 .this kind of OP IC
works from 1.75 V to 14V power supply.not too much enough but can be use negative voltages from Raspberry Pi.how about ? I will try to
test as soon as possible....may be within one month ......


components

just all of component are above,and add few CR too



head phone amp

show small headphone amp for Raspberry Pi I2S

This time use internal power supply of +3.2V and -3.2V from Raspberry Pi B+ at PCM5102A or PCM51XX family DAC. .
if possible to get +7V and -7V power supply. much better to get good sound.
but if can you get LTC1144C switched capacitor IC can get +5V and -5V power supply from internal Raspberry Pi B+ from USB +5V.
if would like to use Negative Voltage at pin 5 of PCM5102A ,please use BP (bipolar capacitor nichicon BP etc)but often use
2 capacitor connected series one of up side down like figure.2 of 100uF 16V = 50uF 32V instead of one BP. why ?
when out of lock music .pin5 will be get 3.2V then changes to -3.2V when came signal from server. so need BP capacitor.
make sure ..please BP capacitor for safe.
finally use as buffer for Headphone amplifier.but effect is very much great.circuit is very simple and getting good sound from hiend headphone.
Evenbudget headphone singing very nice from this part.this buffer for high impedance to low for Headphone impedance.
and you can use any OP IC.if does not have same IC,you can use any IC like 4580 etc but no connected negative power supply just connected ground pin 4
OP IC.if can you get same audio buffer MUSES8832 can connected with Negative voltages.

DC/DC converter

If would like to get more dinamic range must be use DC/DC converter like above MCW03-12D15



Raspberry Pi B+ HeadPhone Amp

This is up date circuit for Raspberry Pi Headphone Amplifier on 10th June 2016


It's enough to use as a Music Server RPi B+ and PCM5102A I2S DIY DAC and DSD,DSF by DoP and any PCM sound
If would like to use DSF file must be get data from HDD(SATA) from USB PORT.to get very much fun, Can play anything.

And Extarnal USB--SPDIF--Home Made DAC

DAC DIY

My DAC on Nov 2009 Using FN1242A 24bit 198 Khz DAC

6DJ8 /FN1242A DAC DIY

I am using external DAC with the other Raspberry Pi connected USB/SPDIF converter(made in china)to DAC show above photo.
this DAC is using FN1242A DAC 24bit 198Khz fuluency DAC but DAC Chip is dicontinous model so can not get any more now.
but you can use any kind of DAC chip like PCM1794 ,etc.build up no difficults and easy to get good sound.
first thing is find good and cheap "USB >> SPDIF converter" SEC is 24bit 32bit at least 198 Khz Sampling Frequency.



Cantata MPD

Ripping(recoding) sound stream by command line on terminal



After almost one year,I am using Volumio 1.55 ,very enjoy Music from Volumio 1.55, but I did try to update and upgrade by ssh.
I thought,memory has 56% of total memory of root.as
$ df -k
0 % memory so nothing to do.what's happen ,
I have to install Volumio 1.55 again. please do not make easy to thinking " update or upgrade " after one year use.
Volumio 1.55 is best than Volumio 2 .because Volumio 2 does not play DSF DSD file. still not on 16th Oct 2016.
and Client MPD does not have volumu control.so from Cliant MPD can not control sound.how about ?? :)Volumio 2 is unstable.
WEBRADIO is not listed in Volumio 2. get from http://api.dirble.com/ ~ so if does not connected Internet can not get any Radio Station.
this is not kind of Linux Debian.is small version of Linux. Volumio 2 .have to use Pi3.prpbably.....I have 3 of these RP so can not buy
any more.some day will buy Edison x86 or may be RP 3.some day...

Volumio2  piB+

Play mp3 with Good sound by Volumio2



Raspberry Pi with Linux Light Window Manager: Best one is ICEWM

If are you using Fedora Core, Ubuntu ,Debian Linux any Linux distribution can be use light weight Window Manager and
Most best one is ICEWM as you know.this Window Manager works background of gnome, Mate ,KDE etc but they are very heavy
so difficult work with Arm processor.ICEWM is very light weight.show next images just like Vista ,XP, more than 100 face has.

ICEWM RP2

ICEWM RP2


Archives is here of Themes, so $ wget http://www.single-ended.com/rasp/archive/themes.tar.gz
you can get more than 100 themes of ICEWM ,
cd tmp then
$ wget http://www.single-ended.com/rasp/archive/themes.tar.gz

icewm can get
$ sudo apt-get install icewm
$ sudo apt-get install icewm-devel
when you are using Ubuntu/Debian family OS. and if using Fedora Core family
# dnf install icewm
if you can get ICEWM window manager please try to install ICEWM themes into your home directly.
cd $ tmp
tar xvzf themes.tar.gz -C /home/papagayo/.icewm
papagayo is depend on user directly.if your name is bob may be /home/bob/.icewm
if User Name is pi ,/home/pi/.icewm so on .
then you can get useful "ICEWM" .ICEWM is most light weight Window Manager for Linux.
please try.

ICEWM screeshot more than 200 themes and depend on your skill

easy to edit ~.icewm of home directly
$ cd /usr/share/icewm
/user/share/icewm $ ls
show all files at icewm directly.
indicated all files so all files must be copy into ~.icewm/ at your home directly
then $ ls
$ icons ledclock menu startup theme toolbar keys mailbox preferences taskbar themes winoptions
if start up ICEWM at home directly automatically made .icewm
this is only empty directly so above files copy into .icewm
then you can use many of themes of ICEWM . so show you some of themes exsample next.any one can do ICEWM and very light weight.
if does not have .icewm please make directly
$ mkdir .icewm
almost set up ICEWM is preferences and menu files must edit.using nano, emacs ,gedit etc etc.

708090 theme

Like XP

ICEBOX

icenine

Like MaC OS

icenine

Vista

More than 200 thems on your RP2 by ICEWM


If would like to indicate fancy clock please try to install cairo-dock and cairo-clock . like next Ubuntu can easy to install.

Cairo Clock under Ubuntu RP2

ICEWM themes Naru with Cairo Clock RPi2



MC install Mid Night commander

This is one of viewer for Linux without X terminal.so helpful for move inside of Linux command line. Linux user knows ,very antic viewer.
# apt-get install mc or $ sudo apt-get install mc
if your Linux terminal has good enough of memory. please install emacs.
for edit any file.much better than Vim Vim nano etc.
$ sudo apt-get install emacs or # apt-get install emacs
this time using nano for editor inside of Volumio.show next figure.

Mid Night commander

Mid Night Commander for Volumio 1.55 even Volumio 2 by ssh


One month ago I moved my old apartment to old apartment but IPv6

first day I hooked up my Volumio to Opctic modem IPv6 and Ipv4 both modem.but I could not see share directly from other PC Linux.
I did many thing,, but nothing to make . only one thing Volumio2 can accept Samba Share. Volumio2 is something different than Volumio 1.55
now samba not use "Share" of word.one was problem is do not use "Share".
so idea get smb.conf from my Main Linux work Station.just some copy of them.
root@volumio-org:~# cat /etc/samba/smb.conf
#======================= Global Settings =======================

[global]

# netbios name = Volumio
workgroup = WORKGROUP
server string = Volumio Audio Player
dns proxy = no
log level = 0
syslog = 0

security = user
passdb backend = tdbsam
guest account = root
#map to guest = bad user
#map untrusted to domain = yes
load printers = no
domain master = no
local master = no
preferred master = no


#======================= Share Definitions =======================

directory mask = 0777
create mask = 0777
then from here are same as Volumio. finally I got fine now.

samba conf volumio

right now I can see Share directly at Volumio 1.55:)



DSD Plays by Audacious FC 22 Linux

Play DSD by Audicious FC 22 Linux x86 64bit Music Server is Volumio 1.55



Play Diana K by Raspberry Pi B+ and Volumio 1.55 ,DAC is I2S PCM5102A and 300B Single Ended Amplifier by Lagarto

DSF 2.8 Mhz into Dop (PCM)



Note :Finally does not work Volumio 2 issue 12.12 version under Raspberry Pi+B.
if would like to interesting on my WEBRADIO please try to install.
$ cd tmp
$ wget http://www.single-ended.com/rasp/archive/Volumio155-webradio.tar.gz
$ sudo tar xvzf Volumio155-webradio.tar.gz -C /var/lib/mpd/music/WEBRADIO
but if are you using Volumio 1.55 more than 3000 WEB Radios Stations listed will be get but.make sure if does not work is not my problem.
just try to down load list then copy to WEBRADO directly.much better. Have a enjoy Raspberry Pi Music Server.
actually working 4 Pi for Music at home.

ICEWM Ubuntu 16.10  2017 Jan

Raspberry Pi 3 with Ubuntu 16.04 ICEWM version 1st Jan 2017..very light WM



Raspberry pi3 Ubuntu 16.04 TLS and ICEWM 



ICEWM Cairo on 15th Jan 2017

ICEWM Raspberry Pi 3 Ubuntu Mate 16.04 tls under ICEWM + Cairo



Rasp pi3 with samba ,Ubuntu 16.04

Raspberry Pi3 with Samba /Ubuntu Mate 16.04 on Rapberry Pi3 and FC 22 x86 Linux


If do you have some problem with samba under Ubuntu 16.04
please install $ sudo apt-get install system-config-samba
so easy to configure and quickly edit file because this tool can find error part of smb.conf
then make enter
$system-config-samba
will be get some error. if did you get please make
# touch /etc/libuser.conf then # system-config-samba you can get gui window for samba configue
my smb.confof Raspberry pi 3 with Ubuntu Mate samba.

ICEWM batman Raspberry Pi 3 samba

samba under Raspberry Pi 3 Ubuntu Mate 16.04 with ICEWM Batman themes micro SD is Class10



2017 ,,,doing I2S again 3rd Jan 2017

I2S for Raspberry Pi 2 and B+ on 3rd Jan 2017 making other one for Test


Basic I2S DAC

Just need these component ,may be can buy local shop.but suppose be by KIT much better? or not



I2S DAC

super easy.. DIY I2S DAC-


So ,,, Have to use more small component, does not need big capacitor too, 4 resistance 5 small capacitior enough !!!
good job of Volumio 2 with Raspberry Pi 2 even Pi 3 too.sound is good USB and I2S DAC.and can use Raspberry Pi3 Ununtu Mate 16.04 TLS.
as NAS.

new I2S DAC inside simple

small RC have to use and not necessary to use high grade component.



Using DAC

Volumio2 and Raspberry Pi2 I2S DAC inside on Jan 2017



I2S DAC on 2017

working I2S DAC inside is RASP Pi3 in small aluminum box by Takachi box



please see this site and you can get any kind of good termination of BOX.
Takachi BOX (Takachi Electronic Industrial Co.Ltd)

-Special BOX-
for Electronics.


Still does not work good Volumio2 ,,,, on 22nd Jan 2017,"Raspberry Pi F" why does not use x86 version ? Arm processor has limited.must be use Intel x86.
But do you have old MAC or PC are x86can be use as Raspberry Pi but x86 ,even may be use with Volumio2.
Here to go "PIXEL for PC and Mac"Make me a happy.I guess...
all of intel PC chip has 「PAE and Anti PAE 」so all of old PC does not install this archive please seek by google " PAE and Anti PAE PC"
if your old PC has XP ,may be you can use but windows 98 ,95 does not work depend on architecture of Intel
Until Raspberry Pi3 ,,,still Kind of Toy. must be make Raspberry Pi 4 x 86. No more Arm Processor.
We are waiting x86 Raspberry Pi . May be Raspberry Pi 4 is x86 ????????



inside of  DAC Yaha

DAC Yaha inside




Yaha Digital Jan 2017

16bit DAC with Yaha AMP on 22nd Jan 2017 Yaha Amp by only Japanese



Raspberry Pi 2 + Volumio2 under Testing (doing Play by Yaha DAC) 


play with Volumio2 Raspberry pi2

Play Volumio2 + Raspberry Pi 2



Volumio2

Aitendo USB cheap 16bit DAC with Volumio2



volumio2 configure

volumio2 + cheap DAC 16bit by Tube headphone Amplifier



Raspi 3 + Ubuntu 16.02

Sound getting from Raspberry Pi B+ and Pi3(for monitor and Audacious ) ,4 Raspberry pi using



RP3 is 64 bit machine as you know

Raspberry Pi 3 is x11 64 bit Machine as you know ..Open SUSE on 8th Feb 2017



OpenSuse 64bit Rasp3 Feb 2017

64 bit Arm OS OpenSuse under ICEWM on 10th Feb 2017 using 64 G Byte microSD


Just any kind of OpenSuse Arm 64 are not useble for WorkStation because kind of archive of Server.nothing to do.
even can not login user.and repository is old so can not install applications for general Linux such as Fedora and Ubuntu.
these are kind of Arch64 Linux.

icewm Ubuntu 16.02 Volumio x 3

Volumio x3 are working as Music server and Monitor is RPi3



This is one mention from Internet ."Arm processor major supported by Intel and Texsas Instrument as you know ?...."


At my room ,network 4 raspberry pi for Audio,3 for Volumio and Ubuntu pi3 monitor, Work Station x86 64bit Vaio



network at my room

Network at my room on 2017



Raspberry pi 2 with USB DAC

Volumio2 and RPi 2 + USB DDC + Home Made DAC FN1242A double DAC play DSF to DoP



you can play by Ubuntu Pi

$ sudo apt-get install invader-clone Can play Invader much fun !!!



Very interesting build up Head phone amplifier by using Pi Zero -W . if I get Pi Zero -W as soon as possible if I have spare time.!!!



Start on 4th Mar 2017



300B Single Ended Amplifier for Raspberry pi I2S DAC Sound Test



Audacity rec

Raspberry pi3 tip by Ubuntu,doing REC from DAT


Play DSF 2.8Mhz

Play DSF 2.8 Mhz by FN1242A DAC


Some one said ,Pi Zero can connect with only one of USB cable with PC(Windows,Mac,Linux etc)
PI 2 Made in Japan by Sony 2017

Pi Zero has only 2 micro USB and HDMI small port so I am thinking need HUB for USB ,Pi Zero W is add Bluethooth and Wifi but when can we get here,
Pi Zero can play and Operate by one of USB cable hook up with Your main PC like windows ,Mac and Linux please see next URL for instruction.
with out LAN connect Here and try to connect ssh and VNC etc.

Pi Zero

Pi Zero ON the Pi2


"Raspberry foundation" will be make ? --------------Raspberry Pi3 -Zero-----------------------------------should be make Raspberry Pi3 -Zero Pi-Zero is not bad idea but must be produce one of product of Pi3 -Zero with LAN base because WIFI is not convenient to use so must with LAN port. and not automatically connect by Wifi under Linux.but Lan is just hook up wire ..then connect .kind of "Benkei no yoseatsume" is Pi-Zero.

BENKEI NO YOSEATUME is Raspberry Pi-Zero

kind of "person of soft ware" is always easy way to choose ..so why using Wifi..Wifi is slow than Metal Cable.I think who made Pi-Zero or Pi-Zero-W ? does not under stand electronics. only know about software..what do you think ? But Pi-Zero is very much good for "Personal Music player" by Hand Made. -------Raspberry Pi Zero is ArmV6 not ArmV7 -----and only can install old archive like Rasbian old.what's mean ? "scam" estafa ... "Must Be Use Arm 7 and same price of USD $ 5.

at home LAN and Wifi

LAN/Wifi almost Raspberry Pi and Linux x86 64bit



Raspbian Pi-Zero

Working for monitor of Music Server using RPi Zero



Volumio2 by Pi-Zero

USB DAC and USB HUB , LAN Adapter Power from Smartphone power supply by Pi Zero



volumio2-pi-zero

Pi-Zero Plays by USB DAC on 18th Apr 2017



$4 dollars kit

we can get USD $ 4 dollars DAC kit for RASP Pi Zero in Tokyo Akihabara-kit



Let's try to build up micro music server by Pi Zero


all main parts are here. for Volumio2



is not difficult build up one of micro music server,just need one of LAN Adopter,USB HUB, I2S DAC few of header.small PCB.
Not recommend to use Wifi because Wifi not fast than LAN metal cable.Pi-zero put together with small alminium case. just made before....with volumio2.show before.later I will inform here.please cut out plastic case of pi. be cause does not fit when using HDMI general connector.show just like photo.practically does not need monitor for Volumio2. but if has some kind of problem with under Linux function so need monitor for watch comand line of without X Linux.if has problem does not make solution of problem by ssh. just need Keyboard, mouse and monitor. I2C DAC is more stable but difficult get crystal so using I2S DAC.left justfi
much better.and any kind of DAC may use but problem is crysatal.if using this kind of DAC DIY can get good Music Server less than USD $50. by Pi Zero, how about ?

I2S DAC simple

Show schematic diagram ,very simple


gpio

That'a all !!!



I2S DAC DIY

component are big so difficult mounted on small PCB but it's all right for DIYer

then


wave form out put of I2S DAC

OUT PUT is OK from I2S DAC then



Volumio 2 play with Pi-Zero

Very nice sound getting from Pi-Zero I2S from NAS (RaspberryPi NAS)


plays quite good and very small Music server getting sound from Local NAS Server and Web Radio this case is getting sound from NAS music server by Rasp + USB HDD. I2S is very nice sound getting.and small size of Music Server
so you can play any where at home and same machine can use your office.too


3 Music server

Raspberry pi-zero with I2S DAC by volumio2-129-2017-0323-pi.img



play anything by NAS

Play by NAS (raspberry pi B+ +HDD)



USB Music

Music from USB HDD by Volumio 1.55 RP B+

Volumio2 3.23 2017 can do any thing and getting information from other Music Server like old Volumio 1.55 Music Server. list of WEB Radio and recorded Music Files from other Music Server on Internal home LAN. old Volumio 1.55 + Rasp B+ MusicServer has USB HDD and hold more than 2000 Music and more than 2000 webradio stations saved.the information saved on the hard drive is automatically organized and orfanizad by each category. This wonderful. to say.....this is Volumio 2 3.23 2017 when if make a click "Genre", just try it's.
Pi-Zero does not work fine with Volumio2 4-21 .but PI2 working very fine but Dop does not work.some diff files work fine.

Note:can not log in by ssh volumio2 it's means can not accept passwd .please try to use like next
$ ssh root@192.168.1.X -l volumio this problem is with same LAN line has same kind of other volumio server.

inside

as a small music server

as a Small Music Server 90mm x 90mm alminum box



Pi-Zero Music Server

As a Small Music Server with headphone out put



Head phone sony

Not so bad



Volumio2 4-21 ver by RP2

Network connectivity is very fine.by PR2 but Pi-Zero is not good.



DSD play DoP by Pi2 + external USB DAC

Pi2 + Volumio-2-12.12 + USB External DAC FN1242A



SPDIF :I am using Small 24bit 96 Khz DDC but you can use WM8804 for Digital OUT to any Home Made DAC


SPDIF out from Raspberry Pi

You can make SPDIF out from directly to your DAC

WM8804 Data

But you can buy few product from local shop.either you can build up SPDIF interface by DIY.so you can use any kind of DIY DAC. if DAC has inter-face of SPDIF.
SPDIF : Sony Philips Digital InterFace, Sony and Philips invent this system long time ago for High End Audio communication. in general Optic out and Metal cable.Metal out put is mare fast than Optic cable.you can use kind of SPDIF interface Hifiberry Digiplus

DIY DAC exsample FN1242A but PCM1794 can be use instead of FN1242A

DAC DIY

watching volumio2

Can do control from out side of room ...by smartphone



volumio images

if does not show image of album of Music.took photo of player them drop same directly of music file


How to clean up PCB (Print Circuit Board)

I do not know the exact name of the resist solution to clean the substrate, but when I was in Sony 45 years ago, I purchased the following resist solution with a resist solution like Matsuya (Matsuyani Pine Resin) at a pharmacy, To make a resist solution and clean the substrate. I think that it is good to produce liquids of various densities. Purchase solder suction wires outside the shielded wire and copper wire, soak in resist liquid, dry it in the sun. Please refer to the image. Easy! It is! It is! If you need a lot, I will do it like this. Let's keep it in a plastic bag with a small chuck because the solder suction line "catch a cold". If you do not use the solder suction line purchased at the store as well, I think that it is better to put it in a plastic bag. If you catch a cold (oxidize), sucking of the solder worsens.

process


wikit

Just Like these ,, let's try and very easily to make one good



Pi Zero Headphone Amp

Pi-Zero  headphone Amp

Using BU7150 Audio Amplifier with Pi-Zero


Finally bought Justboom equivalent Hifiberry digi+ , same circuit same component using but does not get DSF play from DAC. so still using DSF getting USB to SPDIF converter(Olasonic) into my DAC. both play DSF 5.6 Mhz fine.

My DDC (SPDIF from USB on Raspberry Pi2,Pi3 or B+)

Olasonic DDC

Olasonic DDC from USB to SPDIF can do play DSF ,DAC is FN1242A Single DAC DoP

This unit can record 96Khz 24bit from Analog signal . from your analog source.Tape deck,LP player ,even Tuner etc



Play DSF by DAC

It's enough sound ,DSF 2.8Mhz to DoP PCM by home made DAC by Volumio-2

Works good with Olasonic DDC + Home made DAC by Volumio .
Justboom Digi HAT JBM-002 works fine but does not get software volume control at volumio2.


5.6 Mhz DSF to Dop by Home made DAC

Justboom Digi HAT JBM-002 plays Diana K 5.6Mhz DSF to DoP getting good sound



my system on 21st May 2017

Using Justboom JBM-002



Just boom


SPDIF out

Does not need expensive DDC any more.enough use JBM-002

But this kind of "Shield" is not reach till 384Khz by PCM. only 198 Khz by metal cable and Toslink(Optic)is only 98Khz. therefor much better use PCM51XX DAC directly as Raspberry pi Shield.SPDIF has limited.JBM-002 and Hifiberry digi+ are using
as I2S DAC on Raspberry pi setup.
Note :Toslink is Toshiba patented. on 1983 for PCM.

Next one DAC

Next one DAC DIY for Raspberry Pi

and


PCM1795 Single DAC


DAC NOS DAC for Raspberry Pi 2

FN1242A is NOS DAC discontinue model in Japan this DAC is V out





Shield DAC PCM1795

Doing build up DAC for Raspberry pi2 by PCM1795



DAC addtional

Other DAC 32bit 198KHz


How to record into SD Card by USB

SD to USB Adaptor

I got SD to USB Adaptor made in China ,just USD $ 1 at local shop,we call 100 YenShop


Next connected Volumio2 by ssh from other side of PC ,please see next picture.


step1

step2

you can see 2 of media.1AE7-4E5F is USB memory and 7392-5027 is SD memory so move to 7392-5027 directly like a $ cd 7392-5027
then ripping from WEB Radio.if your volumio2 does not have $streamripper must be install .
then you can do record into SD card.off course you can play same time by volumio2 and then you can re-play same music.

step3

So you can record any WebRadio Station into your micro SD , SD ,USB memory.then you can play actually re-play Music by smart phone and any equipment .even your Volumio 2 Music server.how to stop stream ripper. ? $ Ctrl + c at command line of volumio ssh.

just see directly

You can see SD Card as USB in Volumio2 Music server... Volumio 2 is 64bit ?? means good for RP3 suppose be...


WEBRADIO Links

http://west1-mp3-128.streamthejazzgroove.com:80
Groove Jazz West

http://east1-mp3-128.streamthejazzgroove.com:80/
Groove Jazz East

http://89.16.185.174:8000/stream
Linn Jazz

http://89.16.185.174:8004/stream
Linn Classical

http://89.16.185.174:8003/stream
Linn Radio Music

http://listen.ai-radio.org:8000/320.opus?cc=JP&now=1461464901.198&
AI Radio
http://149.210.172.114:9160/
Virginia Music

http://8.38.78.173:8093/stream
Classic Audiophile

http://8.38.78.173:8210/stream
Jazz Audiophile

http://radiart.eu:2199/tunein/canaljazz.pls
Canal Jazz

http://174.36.206.197:8000
Venice Classic

http://stream.srg-ssr.ch/m/rsc_de/mp3_128
Swiss Classic

http://streaming308.radionomy.com:80/SmoothJazzNewYorkCity
Smooth Jazz NYC

http://198.58.106.133:8144/
CD101.9 NYC Smooth Jazz

Chill Out Hirscmilch

CD101.9 NYC Smooth
is very good webradio station ,I love. new type of Fusion.

Note: if do would like to record by streamripper ,If Virginia Music does not get Music. please try next line
$streamripper http://149.210.172.114:9160/listen.pls -u 093800 -r -R 2 149.210.172.114:9160
IP got by Nightingale Linux Version and using Short Cast.

Not only Ubuntu on Raspberry Pi 3

Not only UbuntuFor Solaris ,FreeBSD etc


Circuit CAD for Arm OS like Ubuntu

Kicad for Arm OS

show Kicad for Arm Linux like Ubuntu


Arm Linux does not have many tool for write circuit(Schematic)like for x86 Linux.show one of good tool for design PCB and write circuit diagram
KICAD is name.if are you using Ubuntu(Debian Linux)by RP3 .can install easily .
$ sudo apt-get install kicad
if does not install kicad , please do before install. $ sudo apt-get update then try to install ,kicad is good for Arm Linux instead other type of CAD.

Volumio 2.201

Volumio 2.185-2017-06-03-pi.img very nice connectivity and using pi2, does not need big capa of uSD,sound is good

But does not make access by ssh in this version ???


So 6/3 ver and 6/13 ver both of Volumio 2 are ,can not make access by ssh.and NAS can not read server name. so can not use.
so back to 5/16 version of Volumio2 .I am waiting next update.DSF 5.6 Mhz is good.But .....
Note: from 1.9xxxx version ssh is desable they said for security.so what to do ? so have to use Volumio-2.185-2017-6-03.zip
when if you can not use "Latist version of Volumio2".

then ,,connected HDMI monitor and keyboard , mouse then start up command line....
$ sudo apt-get update
$ sudo apt-get raspi-config raspi-config is needed and setup SSH then "Enable" OK then reboot.
that's all nothing to do more then I connected by ssh from other PC. if you can not make access from other PC(Linux) try to delete .ssh file
$ rm -R .ssh (But can not make connect NAS and USB etc ...)some thing problem with raspi-config .
then access by ssh. and can log in by ssh -l root volumio.local 
Volumio 2.201-2017-06-13-pi.img is
This version of Volumio 2.2xxx can not read(indicate just shown "-") DSD file name and many file name could not read file name.even japanese file name too,
Have to back to Volumio 2.185-2017-06-03-pi.img to get fine.if would like to update ,,must be careful.

Seiko Matsuda sing song Jazz


Matsuda seiko sing Jazz

Seiko Matsuda Sing Jazz 2017 June


Raspberry Pi2 + justdoom + SPDIF D.I.Y DAC with Valve 6DJ8



raspberry connect

Anything about Raspberrypi around programing ,how to use,about Ubuntu(Debian)Linux



Sky MPC for Raspberry pi

This is one of Client of MPD you can use any platohome of PC please see SKYMPCMain Site of SKYMPC
but only in Japanese.

SKY MPC

This is version for Linux 64bit x86 Linux but you can install any plat home of PC But need QT for RP 1-2-3


get QT for Raspberry Pi

Get QT5 binary for Raspberry pi 1-2-3



MPDroid by Android celler

MPDriod by Android Celler can control Volumio Music Server ,very much util app



Volumio2 28 July 2017

Menu of Volumio2 by volumio-2.245-2017-07-28-pi.img.zip



DSD play

DSD Play by Volumio2 volumio-2.245-2017-07-28 but can not make ssh,software volume is enable now

Still can't access by ssh but nothing problem because do not use.
connectivity is very good.DSD plays good by DoP and slightly heavy than before.I think.and can use software volume control again.

plays 5.6 Mhz by SPDIF DAC volumio2

Plays 5.6 Mhz dsd file from SPDIF to home made DAC



Thinker Board

Tinker Board is twice of speed of Pi3 "They Say". By ASUS

ASUS said much better than low spec of x86. but I think does not exist low spec x86. Arm is Arm and ASUS TinkerBoard does not have many future.
just like Pi3. Pi3 is possible by use 64bit , but ASUS can not use 64bit. if use old karnel and old x86 PC using Linux about speed is much better than ASUS.

small digital amplifier 3W

Small Digital 3W Amplifier mult use ,PAM8403 for anythings

PAM8403 You Can buy hereif would like to use



Rasp 2 + Amplifier

Raspberry pi 2 + 3W Amplifier ,quite Good. 2017 Aug


amp with RP2

3W Amplifier and line out with RP2


volumio-2.246-2017-07-31-pi.img update of Volumio2 on 31st July issue does not get any sound so be careful to install
does not indicates dsd file just indicated "-" .why does not indicated "unstable".soft volumum and hard does not get sound.
so back to volumio-2.185-2017-06-03-pi.img better because from volumio-2.245-2017-07-28-pi.img. version does not indicated dsd files just indicated "-".
said "undefined" so "undefined" does not indicate name of files.from volumio-2.2XX-2017-XX-XX-pi.img. which are dsd,dsf,aiff etc.

small amp with Rasp2

91dB/m/w Speaker  can get sound enough,very nice sound getting


About Volumio 2 Developer Position

http: volumio2.local/dev Open the IP of Volumio 2 from the browser and just add /dev, the developer position opens. SSH setting first opens so please enable SSH. After that, it will be displayed as follows. You can do the same by creating an empty ssh file in the / boot directory


dev position


ssh volumio2

one's would like to access by ssh to volumio 2, first make thhp://volumio.local/dev
then make click ssh "enable" then you can access to volumio2 by ssh on terminal .
$ ssh root@192.168.x.x -l volumio
if you can not get rout of communication. terminal said " no have connection route "
$ rm -R .ssh then $ ssh root@192.168.x.x -l volumio again.
some time asking " Are you sure you want to continue connecting (yes/no)? yes then you can connect by ssh.


out side of Raspberry pi family


pine 64

Pine64 Arm 1.2G quad core Cortex A53 64Bit

rock 64

Rock64 is familly of Pine64 Spec is Rockchip RK3328 Quad-Core ARM Cortex A53 64-Bit Processor


they has Rock64 highend model .not very much different with Pine64 but good for mulutimedia and works Linux.
So Raspberry pi4 or pi5 are " I can predict that it will be the highest level Arm PC."or Should be...

Most Smallest D.I.Y Music Server by NanoPi-Neo2


Nanopi neo2

Nanopi

Arm Cortex A53 64bit is same as RP3 Nanopi



Neopi2

DAC DIY

Very Smallest Music Server,you can build up and inexpensive DIY :) if would like see click above Link



Testing I2S DAC

No more USB DAC by NanoPi-Neo2 Any one can do small server play DSD as DoP too、:)




DSF by NanoPi-Neo2 Volumio2

Sound is very clear and very good musical sound getting from NanoPi-Neo2 by Volumio2 Beta



ES 9023 I2S DAC

ES 9023 I2S DAC for NanoPi-Neo2



ES 9023 DAC DIY

Play and Testing I2S DAC by NanoPi-Neo2 on NoV 2017



schmetic diagram ES9023 for NanoPi-Neo2

ES 9023 I2S DIY DAC for NanoPi-Neo2 detail is shown on Nanopi-Neo2 Music Server DIY





I do not know which is good but using 64bit processor.both of Cortex A53 64bit.pine64 is very similar one board PC of Pi3.
Nanopi Neo2 can connected ssh and USB port.Cortex A53 64bit is using,Raspberry pi3,Think board and Pine64.what's will be
Raspberry pi3 and pi2 are very much flexisible for experimenter's and DIY'er.because has many port.many information.
Raspberry Pi Foundation if would like to ,will be make new product as Raspberry Pi 4 ,,must be support 1000 M LAN and Wifi,BL

and Memory is more than 2 G Byte.add kind of Rock Processor. we like Raspberry Pi so ,,what to do ? We like raspberry pi.
By Raspberry pi Foundation I would like you to manufacture Raspberry Pi 4 even better.
I think that it is funny that one user has Raspberry Pi as well. But Pi3 is Best performance ...Pine64 is not so bad but still good.
low cost and low current than Pi family.
if one's would like to buy one of them please wait until Raspberry pi 4 much better.
But new type of One Board PC has SPDIF out put and Master Clock so probably good for Music Server using minimal system.

How to burn OS into micro SD

Burner for Multi Plat Home(PC any OS)

Burner for img file by any plat home OS just down load and install your any PC




Mozilla/5.0 (X11; Linux x86_64) AppleWebKit/537.36 (KHTML, like Gecko) Chrome/46.0.2490.76 Safari/537.36 Pine64 is working as
x86 Machine.show above from log,so Android is some kind of x11 x86_64bit .but actually very very slowly.impossible to watch Netflix and
any kind of movie by Pine64 2 G...finally I have to use some kind of Music server.off course can use from SPDIF and I2C DAC.

on 7th Sep 2017 : back from work ,Pi B+ was down ,very hot around 3.3V Regurator,so suppose be Pi B+ was broken,if CPU is good
I will try to replace 3.3V regurator.on Pi B+.be careful hot in the summer does not have heat sink or fan around Pi.I have 3 of them
one of 3 Music server was down.have to use Pine64 for Volumio2 A.S.A.P.
finally Raspberry pi B+ was broken so Next photo is Pine64 +2G and Volumio2.using DDC and DAC.
recently PC are going move system of 32bit to 64bit PC.why ? cause of problem of MR Dennis MacAlistair Ritchie and Mr Kenneth Lane Thompson
who invented UNIX. and must know problem of 2038 . we say " problem of 2038 " how to Avoidance from 2038 problem.even windows, iphone any
PC are working under UNIX right now.who are great MR Dennis MacAlistair Ritchie and Mr Kenneth Lane Thompson in the world ,,,you must know.

Very important note: Do not buy Pine64 and Pine64 family.because not compatible with raspberry pi.even they has port of PI2 40pins
but not enable.and does not get any information .I said Do Not Buy and Pine64 and Pine Family are "Garbage."because they does not give any information hardware by software.

pine64 + Volumio2

Volumio2 + Pine64 +A64 2G now play by USB DAC on 10th Sep 2017 But can not use I2S "Ref"

ssh root@192.168.1.27 -l volumio ip is depended on your set up


Plan of Sabre ES 9023 I2S DAC for DIYer



ES9023 D.I.Y DAC sound from 300B Single-Ended Amplifier on 25th Nov 2017 Play by NanoPi-Neo2


I2S DAC diy


PCM1974 DAC for Pi I2S

24bit 192Khz I2S DAC Diy for any Pi



I2S easy DAC

NOS I2S DAC easy DAC for any one see NanoPi-Neo2




pi for ham

FreeBSD



dymponi-mpd

Specially for RP3 Japanese MPD but only in Japanse ,sound is High End Audio


light mpd

light MPD(lightmpd) introduce ,can play music by many one borad PC as Music Server but sound from NAS


Note : If your home LAN using both of IPv6 and IPv4 please rewrite /etc/mpd.conf a part of
# For network
#bind_to_address "localhost"
bind_to_address "0.0.0.0"

then #reboot or
#systemctl stop mpd
#systemctl start mpd
for connectively under IPv6 and IPv4.have to choose IPv4 for Music Server for sometimes stop Music Server.
so have to edit /etc/mpd.conf of any mpd server like Raspberry Pi etc too.



runeaudio 0.4

RuneAudio 0.4 mpd 0.20.18 on May 2018 plays DSF



runeaudio 0.4

RuneAudio mpd 0.20.20-1 on June 2018 play DSF 2.8Mhz as DoP sound is fine




moodeaudio 4.0

MoodeAudio 4.0 work very fine and sound is good too but depend on DAC on 3rd May 2018

Sound Quality is quite good , because MoodeAudio has EQ control set up.




Volumio is stable

on May 2018 ,very stable ,play anything format of Music, sound clear


Version 2.389 Volumio2




service broowser

Service Browser/Androido you can find IP in your home LAN



zero Conf

Zero Conf /Android also you can find IP in your home LAN



Pi music server

Pi Music Box







This past few weeks May - June 2018 Smooth Jazz, Virginia Music A lot of Internet radio has gone, what happened?
After this Music Server was made, it was not possible to receive unless there were plenty of internet radio charges charged or it was not Smart-Phone like i-phone etc during a short time since I entered this world.
I think that this is a warning bell in a sense. Abolition has started from internet radio. Let's all think.These are also meaningless dirty business, are not they?
Let's think about Globalization but I think it is a narrow idea.
but A Spotify can do play Music from Smooth Jazz.
But....
We have bunch of Smooth Jazz around USA. all of free.
http://94.75.227.133:8000/ Smooth Choice.com
http://144.217.158.59:5024/stream Smooth Jazz MIX NYC (This same as Smooth Music NYC)
http://192.99.35.215:5294/stream Smooth Jazz Tampa Bay
http://144.217.158.59:5105/stream Smooth Jazz florida HD
http://144.217.158.59:5120/stream Smooth Jazz florida
http://199.180.75.116/stream Smooth Jazz Global
http://144.217.180.30:8099/ Smooth Jazz and more
http://64.95.243.43:8002/stream Best Smooth Jazz UK London
http://185.33.21.112/smoothjazz_mobile_mp3 Bay Smooth Jazz(Japanese)
http://158.69.7.149/stream SmoothJazz.com Global
http://listen.streamonomy.com/sjfplus Smooth Jazz florida Plus
http://149.56.183.178:8020/stream Smooth Jazz Radio KJAC.DB
http://listen.shoutcast.com/smoothjazzcd1019newyork Smooth Jazz Cd101.9 New York
http://listen.radionomy.com/lovesmoothjazzcom LoveSmoothjazz.com
http://listen.radionomy.com/SmoothJazzBox SmoothJazz Box
http://streamingV2.shoutcast.com/SmoothJazzNewYorkCity?lang=ja%2cjv%3bq%3d0.8%2cen-US%3bq%3d0.5%2cen%3bq%3d0.3 Smooth Jazz NYC
Smooth Jazz pls<<<<---- Smooth Jazz tar ball zip
My-Radio<<<<---- InterNet Radio List tar ball zip
2018 Radio List<<<<---- InterNet Radio List tar ball zip
Virginia Music was gone but right now find just like same station Name is Satin Jazz / broadcasting from Torontocast

Satin Jazz

satin Jazz


Note: if would like to use streamripper for record(save)music from them. directly can not use streamripper. please use next line.
$ streamripper http://144.217.253.136:8539/stream -u 093800 -r -R 2 144.217.253.136:8539
then you can save music into your PC.but family of Linux. even you can save Music inside of micro SD and USB Memory too.



DSF 5.6 MMhz Diana Krall ,doing play Music by MoodeAudio 4.0



Moode Audio 4.2 by RP2

DSF 2.8 Mhz Narah Jones , by MoodeAudio 4.2 but does't show logo of MoodeAudio ?



Depending on the frequency of re-sampling, the sound is distorted, especially at a low level position, it becomes rough sounds, but this also consists of a specific frequency. Although readjustment is necessary,
I feel that sound of NanoPi-Neo 2's MPD 0.20.20 is better from compile source version. MoodeAudio 4.2 's mpd 0.20.20 ,but same kind of sound stage.
WEBRADIO is RADIO but it is hard to use, it is easier to use WEBRADIO on the NAS side.and does't show logo of MoodeAudio.
Let's me know ? and only my case.
Special Usage: Mounting as a NAS does not work well, using cifs-utils to copy the contents of two NanoPi-Neo 2 (MPD Ubuntu) and NanoPi-Neo 2 (Volumio 2) in the same home LAN It loads.
NanoPi - Neo 2 Volumio 2 is an intermediary for other servers. It is a server of role to obtain music information from NAS. This is because connectivity is good. This and the shared part of NanoPi-Neo 2 (MPD Ubuntu)
I collect holders of my favorite RADIO stations from WEBRADIO and make holders as MY_RADIO. This information is read in MoodeAudio. With this, you can choose my only Internet radio station you like freely.
Although this method has become a result, I am using the point that it is easy to operate from the simplicity of only MPD Ubuntu's music server. MoodeAudio has a structure that can not recognize the directory, so via NAS
I am getting free operation. Raspberry pi 2 + MoodeAudio 4.2 has become a user-friendly music server by using home LAN together.

moode audio forum

MoodeAudio Forum please visit to get many information



sqlite show webradio list

sqlite3 show webradio list and logo of radio station and how to add logo > ADD LOGO 


But need add applicatione of sqlite into MoodeAudio OS.
$ sudo apt-get install sqlite
then start configure moodeaudio radio station addtional .


fine music by Moode Audio 4.2

fine music by MoodeAudio 4.2 on 10th Aug 2018




re install aug 2018

Suddenly clumping started, it has stopped moving and was reinstalled 16th Aug 2018



re install Moodeaudio into RPi2

Install again MoodeAudio 4.2 on 16th Aug 2018



Moodeaudio 4.2 play DSD

Play DSD by MoodeAudio 4.2   Work Station is Fedora Core 22 x86 64bit



Next Project


I2S DAC DIY

for Rasberry Pi I2S DAC ,we can build up less than USD $ 15. PCB is Universal PCB for RPi



side view I2S DAC DIY

Side View I2S DAC



PCM 5102 A is on the conversion board on the left side. The conversion board is made by some replacement parts company from china.
The DAC board is a universal board dedicated to pie and is sized to be attached to raspberry pie. I obtained it in Tokyo.
The price is 150 yen. Similar boards are now relatively readily available. The header is the one of Aitenou.
The blue pin is scheduled to be attached with TFT liquid crystal touch panel (Adafruit) here. It will be a bit thick
With this I will make it with a stand-alone high resort terminal. I'm going to put it in a box of crates and equipped with a lithium battery for USB and carry it.
Even on the desk I will try to use it.I guess a lot of people have already been tried in the example below. Adafruit 3.2 inch PITFT monitor. Parallel operation with the HDMI monitor is also possible. I think that it is a monitor with few failures anyone can do. These Adafruit PITFT have several types of LCD.
Just follow the link below using SSH and you can get images with few failures to anyone. In my case it is 3.2 inch TFT, but 2.8 inches seems to be popular. However, only Raspbian
I can not install it. Playing the live of Diana Kral of Youtube with USB DAC, it is not bad picture. The sound depends on the DAC.
In addition, I use Clipgrab Linux version for saving movies from youtube .
ClipGrabDown load from youtube movie.

Adafruit PITFT 3.2 inch install


RPi + I2S + LCD

Adafruit TFT touch panel -LCD with RP3



Adafrui 3.2 inc TFT

Adafruit 3.2 inch + Raspberrypi 3 ,just show as monitor



raspberry pi 3 + adafruit

Plays Diana Krall source from share part of Raspberry pi3 by USB DAC DIY



play DSF by Audacious Rasbian

Play DSF(Dop) by Audacious on Rasbian $ sudo apt-get install audacious




I2S DAC DIY

DIY I2S DAC Mount on Rapberry Pi 3 B



simple I2S DAC DIY


2 I2S DAC

Left is FN1242A DAC for RPI and Left is PCM5102A DAC but can be use as I2S for NanoPi-Neo2

SPDIF input24 bit DAC DIY


Play DSD 5.6 Mhz

MoodeAudio 4.2 Play DSF 5.6 Nhz as Dop on 22nd Sep 2018



new one volumio2 sep 2018

Quite good new sep 2018 version of Volumio2 by PCM5102A DIY DAC



simple DIY DAC

DIY Simple I2S DAC but sound is great on 13th Oct 2018



into black box I2S DAC with raspberry pi2

Raspberry Pi2 + I2S DAC Music Server on 14th Oct 2018



Rune Audio 0.4 mpd 0.20.20

RaspberryPi 3 with USB DAC by Rune OS 0.4 mpd 0.20.20 Sound is very sweet and clear made by Arch Linux



Stand alone RuneAudio 0.4 pi3

Rune OS 0.4 mpd 0.20.20 with HDMI monitor ,put together.as Stand Alone on Oct 2018



LCD + RP3 + Digi Hat

LCD + RP3 + Digi .Stand Alone by Moodeaudio 4.2 Monitor is Quimat (MPI3508) 3.5inch

from moodeaudio 4.3 we can get image file from MoodeAudio Org so easy to install now
But I do not know why, this version does not make expand memory. if one's using 32 Gbyte .micro SD used less than 4 G Byte.
have to expand memory as fdisk. 4.2 versing can you any size of micro SD like 32 G Byte.mpd is same of 4.2 version.
RuneAudio is broken OS by problem of update program from Arch Linux update if your RuneAudio is doing fine do not touch and keep last condition.
Be carefull.NO UP DATE RuneAudio and Arch Linux.on 1st NoV 2018.


The appearance of RuneAudio 0.5 Beta , on 2018 Sep


Looking at the forum, there is something called RuneAudio 0.5 Beta. First of all, please refer to the link there. Is it a third party? It is unknown whether it is genuine, but I think it is wonderful. By referring to the link
Please do.  rune audio 0.5
It is mpd 0.20.20. The sound of DSD is distorted in Dop, but I think that the processing method can be found. Please try using it. It is not bad, and the original Arch Linux sound is out. Two versions of the archive are featured.
NAS reading and fine setting is possible than anything. I think that it is wonderful because it is made making MoodeAudio conscious.
RuneAudio OS has 3 type for Raspberry Pi.

RuneAudio 0.5 2018 sept

Rune Audio Version 0.5 Beta for Rapberrypi B + and 2/3 Tested on 4th Nov 2018


runeaudio 0.5 Beta Tested on Nov 2018

Tested : RuneAudio Music Player 0.5 Bata for Raspberry Pi 3 on 4th Nov 2018



By LCD

HDMI monitor show Music Alumb /etc/mpd.conf add format "44100:24:2"



have to edit /etc/mpd.conf and add format "44100:24:2" a part of Audio Driver,
# chattr -i /etc/mpd.conf
# nano /etc/mpd.conf
# chattr +i /etc/mpd.conf

my DAC is using 192Khz 24 bit DIY DAC SPDIF input. /etc/mpd.conf show next.

audio_output {
name "snd_rpi_justboom_digi"
type "alsa"
device "hw:1,0"
dsd_usb "yes"
dop "yes"
auto_resample "no"
auto_format "no"
enabled "yes"
format "176400:24:2"
}
this one is only just in my case.please seeRuneAudio forum about mpd.conf

uname -a    runeaudio

uname- a by Raspberry pi3



Gparted by Linux

If one's have Intel PC like Windows7,8 etc you can make fdisk automatically by Gparted.Gparted is one of util application by Gnome Linux x86
so if are you using 16 G byte or 32 G Byte and using MoodeAudio and RuneAudio. can expand share area of SD memory easily by Gparted Live disk.
please try to expand memory by Gparted Gparted live disk
if would like to use Gparted by your PC please use carefully because delete your main PC OS.and Raspbian can do install gparted by apt-get install.


duke e

show artist information by RuneAudio


first have to ripping internet radio as
streamripper http://west1-mp3-128.streamthejazzgroove.com:80/ -u 093800 -r -R 2 http://west1-mp3-128.streamthejazzgroove.com:80/
ricently $ streamripper http:// IP can not save music so have to use above format for ripping.then listen Music by MoodeAudio ,RuneAudio.
you can get artist information from last fm.lyric .

android app

By Android app Specially for RuneAudio application



IP(rune audio):8080 you can see alsamixer by browzer

alsa mixer runeaudio


and add IP/dev can see deveroper position like volumio2. you can see php WEBUI condition and setup mpd. please see next images. and you can add "Addon" position on
Deveroper Position.Addon can add many options into RuneAudio OS.

dev position under runeaudio

Dev position for RuneAudio show just write IP/dev mpd Version 0.20.20



Add on position

Add Addon position at Devroper position


new RuneAudio totally replaced can read webradio pls file on the other directly, NAS etc. menu are totally replaced . too many things changed.
just try it's.but dsf does not read normally as DoP .so have to edit /etc/mpd.conf as correct escript .presentation is No1 and function very much useful.
Presentation is very good. most good one of any Music Server mpd.

menu

menu and defaults play position



Main Menu

Main Menu



play music

Just play music show



add Webradio by AddON

webradio

Just #cd /mnt/MPD/ then # wget from my site ,,list of WebRadio. or add each time by hand add webradio URL.
cd #/mnt/MPD wget ~ ....Webradio.tar.gz then tar xvzf Webradio.tar.gz you can get pls information at /mnt/MPD/Webradio on RuneAudio
then using do configure Addon menu.you can get Webradio on RuneAudio.

raspberrypiA+plus

Raspberrypi A + plus



as KT120 Single-Ended Amplifier sound from Raspberrypi 3 Runeaudio










lsusb

# lsusb



Play Movie (mp4) by Raspberry pi 3 with HDMI out



Play Movie mp4 by HDMI very nice video by Raspberrypi 3


Play by VLC and hook up USB DAC (98khz 24bit) hdmi monitor is 223V Philips LED Monitor.speed is very fine sound get from USB DAC . enough use for fun.
but can not see you-tube because lose speed so much better down load movie by Clip Grab and fine save share directly.OS is Latest Raspbian Desktop/Raspberrypi 3


I2S DAC DIY


I2S DAC  ES9023

I2S DIY DAC ES9023 Sabre for NanoPi-Neo2



schematic diagram ES9023 Sabre

Schematic Diagram ,very simple and get good sound




RuneAudio + raspberry pi3 Amplifier is 300B Single-Ended Amplifier



LCD with Raspberry pi3

TFT by Raspberrypi 3 Music Server



I2C DAC

I2C DAC using ISC512 multiplier IC for Master Clock this one is just idea



Although I bought Pi-Zero W a few months ago, I made a dedicated I 2 SDAC again in order to carry this.
Is production cost less than $ 15? However, effort is necessary. The price of each part is one dollar or less.


Music Server

Music Server This is just a music server

Only this can launch a music server. It would be possible to install TFT liquid crystal if necessary. In addition to the pie, USB USB adapter, USB HUB, USB conversion cable for data
It will be necessary. Power supply is a charger for smartphones of 100 yen shop. Since the AC adapter for 2.5 A is sold recently at 300 yen, I think that this is good.


headphone / Music Server

Raspberrypi Zero W + headphone Amplifier on 15th Feb 2019


100Yen Shop today

About 10 years ago local shops in all over Japan have 100 yen shop which you can purchase everything with 100 yen. It is a shop that can purchase any category of goods for 100 yen.
Although the company name is Daiso Japan etc., it is also a fact that many competing companies are made.
You can purchase hardware, stationery, household goods, electric products etc. Some items are priced from 300 yen to 500 yen. Electric goods and tools can be mentioned.
For DIYer, these shops are very useful shops. Wood etc. can also be purchased and it is wonderful that you can purchase necessary tools and paint at a low price.
Mostly made in China, some are made in Japan. It is a very comical landscape that Chinese travelers purchase in large quantities.
It is said that these Chinese manufacturing products can not be purchased in China.daiso japan
and we can buy very cheap components from Aitendo Japan just like 100 Yen shop , this I2S DAC just got from Aitendo Japan and 100 Yen Shop.A cute Chinese lady will attend.(^l^)

Aitendo

If Visted Tokyo please viste Aitendo ,you can buy small chinese parts in Zone of Akihabara in Tokyo

basically product from China but not at all ,Japanese too



Pi Zero DAC

Raspberry pi Zero Music Server with headphone Amplifier on 1st Mar 2019




PI-Zero Music Server with Headphone AMP

Op Amp is a little difficults so built up by 3 of small transistors .much better to use



The problem is the power supply of the headphone amplifier. I think that S / N will also be better if you use it at a voltage of about 12 V if you can do it because the voltage is originally low. Taking power directly from the + 5 terminal of GPIO directly plagues terrible noise.
Low at + 3V eventually add 1 transistor filter to + 5V. Find a moderately good value of resistance from the base capacitor and collector. There is no noise at all. Raspberrypi
I think that using too much voltage did not have any difficulty. Very good sound comes out even with such a simple circuit.

Volumio2 with I2S DAC 2019

Raspberrypi Zero + I2S DAC on Mar 2019



Music Server for Office

Music Server for on desk in the office



you tube down load how to under Raspbian



sudo apt-get install youtube-dl
sudo curl -L https://yt-dl.org/downloads/latest/youtube-dl -o /usr/local/bin/youtube-dl
sudo chmod a+rx /usr/local/bin/youtube-dl
sudo pip install --upgrade youtube_dl
$ youtube-dl URL can save video of youtube. actually archive is video-name.mkv mkv file are youtube video files so have convert to mp4.
mp4 convert can convert by some online convertsite as free.and probably can conver by avidemux application under linux.I am using covert site often.
even you can upgrade the other Linux distribution.Fedra Core Linux too.but one thing more
$youtube-dl -F https://www.youtube.com/watch?v=videosite uRL
you can get information of video site like next
[youtube] hoge: Downloading webpage
[youtube] hoge: Downloading video info webpage
[youtube] hoge: Extracting video information
[youtube] hoge: Downloading MPD manifest
[info] Available formats for hoge:
format code extension resolution note

247 webm 1280x720 720p 1350k , vp9, 24fps, video only, 35.56MiB
17 3gp 176x144 small , mp4v.20.3, mp4a.40.2@ 24k
36 3gp 320x180 small , mp4v.20.3, mp4a.40.2
43 webm 640x360 medium , vp8.0, vorbis@128k
18 mp4 640x360 medium , avc1.42001E, mp4a.40.2@ 96k
22 mp4 1280x720 hd720 , avc1.64001F, mp4a.40.2@192k (best)
so choose no18 above line for down load
youtube-dl -f 18 https://www.youtube.com/watch?v=URL you can get archive correctly which is ...18 file. please try it.much fun.!!!
does not need convert mkv to mp4 .you can get only mp4 file directly.but no sound so have to down load by without -f .save ad mkv then
convet mp4.ffmpeg -i input-nameofMusic.mkv -vcodec copy output-NameofMusic.mp4 but have to install ffmepg.

you tube down load from youtube site but mkv files



power supply

If would like to connect Power Amplifier on raspberrypi must be connect before F1 for Power supply of an Amplifier.because regurator of raspberry pi is
very small. must be connect with PP1 or PP2 point.please carefully make solder point of PCB,,because very much delicate PCB.


Play RaspberryPi 3 + I2S DAC + chinese small PAM8403 cheapest digital amplifier unit



small amplifier

Cheap Chinese pam8403 digital amplifier unit actually USD $ 1 dollar. probably less tha USD $ 1.



Music Server + small Amplifier 2W + 2W rms


front of amp+Music server

show front of Music Server + small Amplifier. mar 2019



back side.

Back side view



open head

Open Top cover .you can use any OS(Linux)for Music Server



DAC is


I2S DAC


I2S DAC DIY

DIY I2S DAC



that's all. You can get small Music Server with Digital Amplifier 1.5 W x2 .just enough for using at home.this time using 16 G Byte micro SD and Rapberrypi 3.
by Volumio2 ,you can use RuneAudio, MoodeAudio and MPD too.First, prepare the I2S DAC. An amplifier of 300 yen is enough. The power supply of the amplifier is obtained from the patterns of PP1 and PP2. Because it consumes power, it becomes PP1 and PP2 after the DC jack.
Please solder carefully. You can purchase the DAC or make your own. DAC is made for Pi-Zero as shown in the picture. Pi-Zero is still difficult to use. Externally connected because there is no USB or LAN port
In the end it gets bigger on the device. I think that it is better to choose a board of RapberryPi3 or more, because there is not a good one for USB for LAN. I2S DAC sounds good with ladder type DAC using 16-bit IC
The sampling frequency is up to 48 Khz. I think that the low frequency of multi-bit DAC is substantial.

Multi bit type DAC

Multi bit Type DAC ,very easy to build up as I2S DAC for Nanpopi-Neo2



multi bit DAC

Multibit DAC for Raspberrypi3 I2S DAC



TDA1543 I2S DAC

TDA 1543 I2S DAC for Nanopi-neo2 Very simple DAC but sound is good.


How to search Music Server IP on Home LAN


If you are using Linux, open a terminal and display it with $ arp. In Windows, right-click on the media device in the image below to display the properties. Right-click on the property.
IP comes out at the bottom. If you have Windows, be sure to enable file sharing. If you can see the IP, you can display the initial screen of Music Server by displaying the IP number string displayed there on the Internet browser.
If the initial screen is displayed, it will be done with settings such as the driver, detailed settings and GUI. Don't forget to enable ssh. http: //-IP ---- / dev will display the configuration screen, so click SSH only once.
This will enable SSH. However, this is only for Volumio2.

IP

Net work on windows PC



How to use WebRadio with Rune Audio


Since it becomes a developer position in IP / dev, please turn on the item of DEV first, then activate and add Addon. First of all, after rebooting, make sure that Addon is added at the bottom of the right menu.
Click Addon to bring up the add-on menu and extract the pls file into Webradio. Webradio deploys radio station with pls extension in / mnt / MPD / Webradio or copies from other places
Since the copy can be seen from the bottom of Webradio when Share is enabled, I think it is better to drag a station. This is not effective by itself, so use Addon to activate Webradio.
There is a script inside, and the station is automatically activated. If you see OK, please turn off DEV in IP / DEV. You can use webradio when you boot here and boot up. Be sure to turn off DEV
Please. In OFF, the default status is not displayed and the station name is not displayed. Also, add the individually added stations using ADDON. This will add a list of internet radios. Inside the webradio just pls
If you add it, Webradio will not be activated, so either do it in a script or add Addon and there is an activation item at the bottom of the Addon menu so click on that to activate it and then Please disable DV. In the activation of DV
Can be edited. Next, add the image of the relationship, so please refer to it.RuneAudio uses Arch Linux. It is an OS that has a good reputation for sound.and can add USB Memory by Addon Menu.


dev

IP/dev for deveroper position of runeaudio 0.5



addon

Addon on Rune Audio 0.5



webradio

Webradio configure by Addon Menu Rune Audio 0.5



volumo2 pine 64

Volumio2 for Pine64



How to make Pine 64 sound with little information


When I searched internet, it was described that SPDIF works from Volumio 2, but it was unclear how to connect. ... Well, I think you all know that there is an Euler port.
I made a drawing, so please try it by referring to it. I think it is finished with one resistor and one capacitor. Please experiment to see the value of the capacitor. A beautiful hide pattern is output.
The output of SPDIF is available, so it can be connected to an external DAC. I was able to put out the sound normally. I have uploaded to youtube. More if you can use MoodeAudio or RuneAudio
It's useful, but it has increased usage considerably because only USB DAC can be used. Other I2S seems to have come out. The waveform is very beautiful.
Raspberry pi 3 feels faster than before. The sound has also changed.
It is actual feeling to say
. I think that the waveform of the SPDIF is also very beautiful and influences the sound. I also feel that there is less jitter. For a long time, the sound was not satisfactory except for the USB DAC, but I saw the waveform by looking at this Euler port.
The I2S waveform is also beautiful, and it seems that the master clock is also out. Although it is necessary to analyze, it became a very favorite board. If you have a good DAC, you should try it.
It is good point that power consumption is low. However, this is only possible on Volumi 2 OS. Listen to the sound all day long, the sound is good, the sound is clear. RaspberryPi 3 does not have SPDIF, so if you do not connect HAT
These operations can not be done, but in case of Pine 64 SPDIF comes out from the body as it is, so it is very convenient. I think the jitter is also less.
If you replace the latest version of Volumio2's mpd binary, mpd will be the latest. Copy and use the latest version of rapberrypi 3 mpd. Copy to Pine64's volumio2 /usr/bin. under ssh .
then Music Player Daemon 0.20.18 (d3559e8-dirty) to Music Player Daemon 0.20.6 then easy to replay DSF as DoP.
PINE 64 It can be connected to any DAC with a little processing like one sheet.
There are DACs without USB, some with an SPDIF input, and some older receivers have a DAC input attached. They come alive.
You can enjoy music with Music Server and external DAC. Of course you can also receive internet radio. However, a LAN is required, and a line to which the LAN is connected to the Internet is required.

Pine 64: About Music Server
1) I2S signal is emitted.
2) get a Master Clock.
3) get SPDIF.
4) Dedicated OS is Volumio 2

This allows you to get sound with any I2S DAC or SPDIF. It also has a built-in DAC.all of get from Eluer Port.

I am not sure if it is used properly, but I think it is correct usage that SPDIF will produce a beautiful wave.

You can get the signal from SPDIF. We recommend that you try to validate on your own. I2S is also out, so I think it can be used normally.

Pine 64 uses I2S I2C DAC, and SPDIF uses Euler port. This solves everything.
Shematic Diagram of Pine64<---Circuit Diagram 
I do not know if the circuit diagram is correct, but if you
You can get the signal from SPDIF. We recommend that you try to validate on your own.PINE 64 does not need a special SPDIF HAT daughter board etc
You can pull out SPDIF. You can use a DAC that can receive the signal of SPDIF as it is.

PINE64 SPDIF

SPDIF will do just this wiring PINE64 Volumio2



assignment of Pine64

SPDIF/I2S out from Pine64 on 23rd APR 2019



Euler

Euler Bus Assignment of Pine 64



Pine64 Music Server by 300B Single Ended Amplifier


6DJ8 DAC

6DJ8 SRPP 3 digital input(SPDIF) + 1 analog input



Moode 5.2  May 2019

MoodeAudio 5.2 mpd is 0.21.8 very fine sound even DSF


Moodeaudio, unlike Volumio and Rineaudio, doesn't read other servers very well, can't mount it or doesn't read NAS.
Use
mount.cifs //192.168.1.12/NAS/mnt/NAS -o vers = 1.0 iocharset = utf8   And other server information read. in this case
save music to hard disk on this simple NAS using the NAS of IP 192.168.1.12 seat. USB SATA hard disk to USB port of Music Server as it is
Attach .This is OK. Cifs-utils is already installed.In my case NAS uses NanoPi-Neo2 music server.
artist photo is save as folder.jpg at Artist Name holder.then Click "Update this holder" can see photo when play back.

James Macmillan

into the fement by James macmillan


http://ice1.somafm.com/sf1033-128-aac please add this radio very much interesting



Pi4

USD$35 Dollars :Raspberry Pi4 RaspberryPi4 Debuet



MoodeAudio 5.3.1 is super

Moode Audio 5.3.1 2019

MoodeAudio 5.3 I think it's pretty close to perfection.

Mounting from NAS and other servers is easy. I am using Samba. You can mount quite freely without mounting manually. I also think that the sound is good. As graphic equalizer is attached
I think it is very easy to use. It's almost perfect. It is very nice to be able to expand memory with GUI without fdisk. This method is the same in RuneAudio. mpd is also 0.21.8 to the old version
You can switch.

youtube-dl http://www.youtube.................mp4


Youtube mp4

An example of downloading youtube and flacing it using a sound converter

How to download youtube from the command line


Ubuntu, you can install using $ sudo apt-get install youtube-dl and Fedora core Linux # yum install youtube-dl. It is download by command, but you can download Youtube surely.
Only downloads will convert videos to the desired extension with soundcoverter. In this case it is flac. Convert to wav to convert to DSF. Since Music Server can basically play even MP4, convert it to FLAC forcibly
No need, MP4 can play videos with KODI etc. Sometimes I can not download. This is because the protocol is changed. You can install and repair again. It is a very useful application.
$ youtube-dl http: //www.youtube ...... This application also downloads videos uploaded on facebook etc. Try it

How to use: First, open the terminal, gnome-terminal or whatever Open the terminal named terminal.
First make a holder to download.
$ mkdir Music
$ cd Music
Copy the image URL from youtube screen. It doesn't matter if it's browser search or image information. Copy the URL.
$ youtube-dl https://www.youtube.com/watch?v=VK7G3cKzglw
Write commands on the terminal as above. Now you can download in a few seconds to a few tens of seconds. Now you can download videos with the extension MP4.
Of course you can download it with Rasbian or Ubuntu.
You can play the downloaded video as it is with the video playback application.

Caution !!!! Volumio2

2019 WEBRADIO reception has become unstable since September. This is because the operation of WEBRADIO in Volumio2 of PINE64 and NanoPi-Neo2 that I use is very suspicious,
and the operation of WEBRADIO can no longer be confirmed.
The operation of 3rd party Volumio2 is very unstable. This seems to be harassing internal hidden files. In other words, I think that it will not work other than regular Volumio2.
Not confirmed in Raspberrypi3.Volumio2's WEBRADIO has a special structure, and there is a possibility of fraud of personal information in order to read a special external site of VOLUMIO2 for reading stations.
Please be careful when using Volumio2. We recommend using MoodeAudio or an independent MPD.One hint was obtained when I got back to DHCP because I thought it would become unstable if I fixed the IP.
Loaded WEBRADIO with Volumio2 on Nanopi-neo2. Could I ask the reason? I don't know, Pine64 was unable to return at last. Because the IP is changed with an error and it cannot be restarted as it is
Reinstalled and reconfigured. Of course, the fixed IP was removed. I chose DHCP. This solved it. Using a fixed IP will cause an error. The MPD server has a problem because IP is a script-opening script.
I think there are few. Perhaps you can open it with SSH and edit it. It is unconfirmed.If installation fails with IPV6, there is a possibility of breaking the micro SD,
so be sure to do DHCP without using Static IP with Volumio2. It causes an error.IPV4 is nothing problem to use static IP.

Install Rune Audio 0.5


Rapberrypi Zero and A

Rapberrypi 2,3

Addon is http: //runeaudio.local/dev, and there is a configuration file in it. Please read it, understand it, and build it. However, Pi is not possible with Zero, DoP playback of DSF is interrupted with A and Zero
Please make mpd 0.20.6 or higher because playback is not possible. In other words, DSF cannot be played with RuneAudio, so use a Pi3 or higher board. Use Raspberrypi of CPU of Arm 7, Arm8.
If you use Raspberry pi3, you can play DSF with beautiful sound.


pi zero W 2019

Raspberrypi Zero +W Rune Audio 0.5 mpd 0.20.20


Rune Audio Achive

Raspberrypi 3-zero Rune Audio OS 0.5 down load



Note: Installing al-pine linux on Raspberrypi This is very easy. Just download the image and copy it to the micro SD. Simply copy. Now you can start.

2 of them

Two I2S DACs The left is Nanopi-Neo2 DAC The right is for Raspberrypi3. The same circuit is different in size



power supply

The power supply for the DAC comes from PP1 on the main board. This isolates the power circuit of RP3



volumio2 as volumio3

volumio2 as volumio3 volumio-2.657-10-18.pi.img


There was no sound in the August version, and there was a problem reading the file. volumio-2.657-10-18.pi.img has been improved in many ways. Above all, a considerable number of WEBRADIO stations have been added.
Album covers etc. are automatically loaded. Usability has been improved. I think that the improvement is quite conscious of Moodeaudio 6.x.
Use with Volumio2 in default position. What can be suggested will be Volumio3 in the near future. Raspberrypi 4B + was also sold in Japan. 4G is almost $88 dollars US.
So far, 27th Oct 2019. It will be the world of Raspberrypi 4 B +. I think Raspberrypi 3 B + is also a very good one-board PC.

volumio2/volumio3

Volumio2 volumio-2.657-10-18.pi 27th Oct 2019


latest version volumio2


Install cantata

The operation of Cantata is unstable recently. Raspbian (Raspberry pi 3 B +) went down for some reason due to some trouble. I reinstalled for that. Of course, Cantata
Same as above, but reinstalled, but not the previous version of Cantata. What is the problem? Does not read album art, this trend is also in Fedora Core Linux
Similarly, the album art display is not good. Something has changed. Follow this as there is only git installation.
Please install Qt5 first. All programs related to Qt5 need to be installed. Ubuntu and Fedora Core have different library installation methods
Please install carefully. First, install git. Use git.
$ git clone https://github.com/CDrummond/cantata.git
The expansion will start automatically, so when you are done, look at the file inside. Please install emacs for that. In the expanded folder
$ cd cantata After that, $ mkdir build Then go into build. $ Cd build Then enter $ cmake .. Only this.
If there is no error, do $ make. If there is no error after that, use $ sudo make install. Before that, please uninstall cantata that was installed automatically. *

Cantata 2019 git

Cantata 3.3.0 git version on 10th Nov 2019



Install Rune Audio latest version Latest version from GitHub site

This is a special version called Rune Audio + R e2 version. Addonha has already been abolished and will not be added from previous versions.

rune audio new

Presentation for Rune Audio R-e2 version


new runeaudio 2019 Nov

This is new version of RuneAudio 2019


Comment: The presentation is much better. I think nothing is inferior to the 0.5 Addon version. Settings can also be set in detail. Built with a lot of awareness of MoodeAudio.
The OS is highly complete. I think that setting time is probably because it takes time to download files from the repository.
Now, it was RuneAudio that did not properly prepare for DSF playback, WEBRADIO incorporation and setting, which is a drawback of the conventional version, but this special version will give good results
Let's expect. Is it a resurgence of RuneAudio with good sound?
Although it's good, I feel like it's going to be a music server that can't be used by itself. It's a beautiful and nice music server, but I can't read NAS.
There is no preparation of WEBRADIO. Above all, if SAMBA is not utilized, it is a fool. Also, if the internal file system is not open and a large amount of unused memory cannot be used
What is the music server for? It seems that the developer's head is not enough. It's perfect so far, and you can't read the information of other music servers.
I don't think it's an exaggeration to say. It is a pity that it is difficult to install and build new applications because ArchLinux is used. I would like you to use Debian.

Out of Volumio and Moode now New Music Server for Nanopi-Neo2 and Raspberrypi family

PiCorePlayer

for Nanipi-Neo2 by git



hifiberry

Hifiberry Pro inside of black box on 11st Dec 2019. with Raspberrypi 3 B+


After being asked by the company's boss, a music server was provided free of charge, and a paid music server with built-in Hifiberry Pro was produced.
In the meantime, I added Volumio2. Something happened when I added the Pandora plugin. Webradio and Alas are disabled.
This plug-in consumes more than a few gigabytes of memory, so it can fail when memory is low. Most of the X libraries are installed
It becomes heavy. Alsa will fail and no sound will be heard. Important note. Volumio has stopped developing mpd at 0.20.18, but is there a technical problem with 0.21.xx or higher?
Volumio only can't keep up 0.21.

DC Jack is weak

Raspberry pi are very weak DC Jack so mounted with gruw



Rasbian Buster Desktop window maneger replace


LXQT

LXQT by Raspberrypi 4 Raspbien Buster



First, install your favorite window manager. $ sudo apt-get install lxqt
$ sudo update-alternatives --config x-session-manager
then you can see menu for choose desktop which installed so choose number which you like.
$ sudo reboot
I think it is lxqt when it starts.

LXQT  for Raspbian

Raspbian LXQT Raspberrypi 4



Install Manjaro ARM

Manjaro ARM

I think Manjaro ARM is very light, but Raspbian Buster doesn't lose, I think both are pretty good.
LXQT manjaro linux arm does not get repository. so can not get correctly .stop over LXQT Manjaro ARM.


Manjaro ARM

Manjaro ARM LXQT

The latest Raspbian and the latest Archlinux have mpd 0.21.5 or higher. DSF playback is converted to PCM as DoP without any special settings. We recommend using the latest Raspbian.

USB of Raspberry pi Zero is broken

Two months ago, I brought Raspberrypi Zero to the company. It was a bad idea to show off. However, it was pushed in the train and the USB jack was bent and removed.
This is also very weak with Raspberrypi 3B +. There are rumors that this seems to be made in China. Is Made in UK a lie? What is it?
I finished my work at the end of the year, so I thought I wouldn't do anything, so I installed the USB A jack. I think this will work.
but I found some smart man do it same and very smart so I will show you next site. if some one interesting on same way please see his site.
pi Zero

USA A

USAB A type installation



How to use streamripper

Extract the URL from Webradio and use $ streamripper http:// URL  -u 093800 -r -R 2  http: // URL.
Now you can save your music.


Volumio2 mpd update to 0.21.6


Volumio 2の mpd update Volumio2 update mpd



Raspberrypi 3 A+ I2S DAC


raspberrypi 3 A+ DAC

this is not special but simple is good I2S DAC for Raspberrypi 3 A+



Raspberrypi3 A + dont buy ,,does not have LAN PORT

Do not purchase Raspberrypi 3 A +. There is no LAN port

A monitor is required because there is no LAN port. You also need a USB hub. Basically the same as Raspberrypi Zero W.
Please purchase by looking at it because it is wrong when you buy it on the Internet. be careful.
This type should be called an improved version of Pi-Zero.




I2S DAC 2020

Simple I2S DAC Start make



simple DAC

Just mounted components



Ampache new Client for Music Server


Ampache

Ampache Client for Music Server for Linux



Easy NAS by few component on home LAN


SATA and USB adaptor

SATA 2.5 inch 1 tera and USB/SATA Adaptor made NAS



this is NAS

If possible mount good box for NAS



Easy NAS is using by any Raspberry pi from 2B to 4. with Home LAN. may be can be use file server to even can be use
back up of windows work station and any PC.even can be use file server and using OS are Volumio2 and MoodeAudio.


without raspberry pi SPDIF out from single board PC


Pine 64 has SPDIF OUT. SPDIF can be used with Volumio2 Pine64.

Nano Pi Neo2 has SPDIF OUT in the same way. You can output SPDIF without adding anything on this board.

Do not touch Manjaro Linux. Incomplete distribution. The repository is dead cannot install

Repositories that are very difficult to change to Japanese have been removed, and Japanese has been removed from the base application. There are many repositories, but they have been deleted
I just want to be able to get the image, but I can't install the update because I can't update, and so on Runeaudio too.
I'm not sure if the home is poor, but it seems to be a distribution that individuals are doing for their hobbies. I'm sorry. Terminal location is unknown and commands cannot be operated
Recent Linux seems to have imitated Windows and has a hard time finding a terminal. The menu composition is childish, and this is published in a regular distribution
I don't want it. I am very sorry that it is a very good distribution. The database management is probably not good. Raspbian Buster is very good
We recommend using Raspbian. The same applies to the ARM version of Fedora Core. I can't install it satisfactorily. I feel like a distribution where individuals are just hobbies.
x86 has been giving me errors for a long time, and it's a shame that it doesn't seem like a hobby-only distribution that doesn't improve anything.
Kali doesn't work satisfactorily either
I think this is a shame to say this is a legitimate Linux distribution. I hope you don't announce this in a personal distribution.


Gentoo Linux for Raspberrypi 4 by Miss Sasaki


Miss Sasaki Gentoo Linux


Miss Sasaki's Gentoo Linux for Raspberrypi 4



GitHub

Get Appilication Miss Sasaki's Gentoo Linux for Raspberrypi 4 from GitHub thank you miss Sasaki for archive



Archi Linux for Arm

Arm Archilinux install



LXQT

LXQT by Raspbian buster on 7th Apr 2020 under Raspberrypi 4 B



raspberry pi3 A+

Raspberrypi A+ + I2S DAC inside under Volumio2



volumio2

Volumio2 by raspberrypi 3 A+



Archi Linux for raspberrypi

Archi Linux install into raspberrypi 3 and 4 and easy



archlinux for Raspberrypi 4

Archilinux for Raspberrypi 4 by RaspEX



Note: Miss Sasaki's Gentoo Linux for raspberrypi 4 Linux is very much fine to use and very light please try it. you can use as work station for at home
and very much easy to install your raspberrypi 4 with Gentoo Linux and desktop is only XFCE4 but you can install any window maneger too.


Mikerr archilinux for pi4

Raspberrypi 4 Archilunux Zip By Mikker...I never know who made it's Archilinux for Raspberrypi4 ,easy to install
be carefull ,they asking PGP Key so add PGP Key ,read carefully enter PGP key. then start agan up date.by pacman.

login

SSH from WorkStaion 64bit PC/FC26



Archilinux pi

Archilinux for Raspberrypi 4



Archlinux for Raspberrypi4

Lxqt Archlinux for Raspberrypi 4 show cantata on 12nd April 2020 very fine to use at home



Archilinux raspberrypi4

Raspberrypi 4 by Archlinux 15th April 2020



I had a hard time installing sudo, such as installing yay and getting sudo. If you can not do this you can not install yay, if you do not use yay you need to uninstall
If there is, there is a possibility that there is a conflict and it may break the system. ArchiLinux does not pull in the archive depending on the time, so it is better to install it on the other side of the earth at night.
It may be good, and if possible, it might be good to add a repository in Japan. As for usability, I think that Raspbian will give a total score if it includes freedom.
I think Raspbian Buster is more sophisticated. Since it is a Debian system with many users, it is also noticeable that there are many detailed and polite applications. archilinux is similar to slackware
Similar to OS. ArchiLinux is said to be an OS specialized for audio systems, so I would like to use it for audio systems.

Cantata archilinux PI4

Raspberry 4 Archilinux with Cantata mpd Client



Audiophonic by Raspberrypi 4 and 3


Audiophonic


Emacs works on ArchiLinux of Raspberrypi ARM. When emacs is started from the terminal, the command line (minibuffer) works and I cannot input.
For example, C-x C-C is input, but -C becomes katakana
In other words, C-katakana 1 character is displayed and input is rejected. Middle half When I gave up, that is, if I thought that I would use amateur Linux such as Archilinux like this yakuza, with the start command
$ emacs-nw Now emacs of normal operation is launched. This phenomenon does not appear in SSH etc. Starting from the icon is OK, but the command is not accepted from the terminal. In other words, it cannot be finished.
: I installed emacs on Raspberrypi 4, but I can't use it, is Archlinux done? This is where I thought, $ emacs -nw. This is OK.
Let's use Alias ​​because I can't hit it like this. From the command line
$ alias emacs = 'emacs -nw'
With just this, you can register with emacs. You can now enter it normally and finish normally. You can also see that Alias is a very useful command.
must be write into .bashrc so automaticaly can use emacs.


icewm archilinux

ICEWM archilinux After all, any window manager was heavy and made ICEWM.

Archilinux ARM doesn't recognize Bluetooth, I can pair, but I can't connect. This is the current issue. You can do it with Raspbian Buster.
Archilinux It is said that the sound is good, so I'll use it in a music system. You lose the convenience of Raspbian Buster.

model summer

Summer Model heatsink is a little bit big for summer time




small Fan

It is quite effective. If it has a DAC, noise will occur unless the power supply for the FAN is secured.



Raspbian Buster 's cantata (mpd) does not show cover picture .

so I got source file from Github I got cantata 2.4.1 version.
need compile .and libraly qt4 and qt5 and C++ Cmake.
$ open source
$cd source name
$ mkdir build
build $ cmake ..
$ make
$ make install

compile cantata


cantata mpd

cantata 2.4.1 for Raspbian Buster .show very fine cover picture

this cantata is version git version and complile then install Raspbian Buster



fan

added small USD $ 1 's FAN for Raspberrypi 4 no more heat up


Nothing problem to use in summer time. not up to more than 35 C degree .if no fan ,,going up more than 110 C so getting noise
then broken down music server.

Hifiberry + High End Audio

Hifiberry Pro and Hiend Audio in Lampa Chile 



work station

Raspberrypi 4 Work Station Raspbian Buster



Can watch Netflix by Raspberrypi 4 B


Netflix

doing watch Netflix by Raspberry pi4 B 4Giga type


Netflix


$ sudo url -fsSL https://pi.vpetkov.net -o ventz-media-pi
sh ventz-media-pi

That's all. can watch Netflix by raspberrypi4 B under Media Edition mode by Chromium latest version of Raspbian Buster.
The sound is from where, from the HDMI output. You can get sound from HDMI by setting hdmi=2 in /boot/config.txt,
but it's not very good sounding, so you might want to use a DAC.much better.but not so bad.





That's it. Now you'll see an icon that says "Media Edition" in the chromium. Click on it and you'll be able to play Netflix.
You can also play hule. Raspberrypi4 has become a considerably usable PC by the positive development of the surrounding application.
I think it shall go.
The sound is from where, from the HDMI output. You can get the sound from HDMI by setting hdmi=2 in /boot/config.txt, but it's not very good sounding, so you might want to use a DAC
I don't know, in that case, you'll need a driver. This is done by installing a temporary relay server in your home directory and reading the information from it with chromeium.
I think the same thing is true for a normal x86 Linux PC. The same is true for a regular x86 Linux PC, and the same is true for the Raspberrypi4 B. This handshake application is
This is the Ventz-media-pi file. This file seems to let us watch Netflix on x86 PC Linux with no special handling of Chromium
You can play NetFlix,Hule by. However, the recent Chromium update enables the playback of DRM.
Hule by raspibian ,The above operation from the terminal has installed a script called Venz-media-pi in your home directory. Here's what it looks like.



Hule raspibian

Hule on Raspberrypi4 B



Ventz

The above operation from the terminal has installed a script called Venz-media-pi in your home directory. Here's what it looks like.



Image showing details

An image showing the details is shown below. The first one is how to get the sound out of the HDMI and the second one is a view of the Media Edition, displayed in GoogleChrome.
I clicked on this Media Edition and got this Media Edition in my browser.
You can watch pay sites like Hule and Netflix, Amazon, etc.But You can't watch Youtube, so you have to use a normal browser. The protocol is different.

.
config

Editing config.txt in ssh for sound from hdmi out



Google Chromium Media Edition has been added.


In this menu, the Firefox ESR icon does not come from the Firefox installation, but from the Iceweasel installation, ICEWEASEL=firefox ESR.
It is also possible to install Fire FOX ESR separately. We recommend you to search and install it.



I want to use Qtbsch on Raspbian, but I can't use it. It's an X86 application.


I'm not sure if it is easy to use, but there is a free application called LibrePCB. It's relatively easy to install for X86.

In this case you will have to download the script and install the application in the Root or General User. There are many paid applications that are available, and I'm sure this one is well done. . Installation of Libre PCB

install libre PCB

Installing with ssh





Libre PCB

Libre PCB oct 2020

Kicad Install




$ sudo apt-get update
$ sudo apt-get install kicad


Raspberrypi digital out without HAT


Raspberrypi does not have audio analog out .because originally pwm out then low passfiler by active filter IC ,then get Audio.please see nex URL



digital out from Adafruit idea

detail of digital out idea from Adafruit

Circuit Editor for Linux by Kicad is best



You can use Qtbsch for x86, but these applications are not available for Arm processor PC .so have to choose the other side of application.
Kicad is good for raaspberrypi work station. Kicad is family of KDE and Plasma so have to install plasma desktop into Raspbian.
$ sudo apt-get update
$ sudo apt-get install kicad
that's all.and you can use by Raspbian

kicad

Show Kicad by Raspberrypi 4 Rapbian buster



How to use Kicad



SPDIF using without HAT but not raspberrypi family

SPDIF without HAT board by Nanopi-neo and Pine 64

Select your DAC from Overlay


For Raspberry pi, you can select the I2S DAC by editing /boot/config.txt. The driver is in /boot/overlays/ and you can use your DAC by editing the config.txt file.
You can use Nano or Emacs to edit them. In my case, I use Moodeaudio, which looks like this
pi@moode:/boot $ cat config.txt
disable_splash=1
disable_overscan=1
hdmi_drive=2
dtparam=i2c_arm=on
dtparam=i2s=on
dtparam=audio=off
dtoverlay=justboom-digi
#dtoverlay=pi3-disable-wifi
#dtoverlay=pi3-disable-bt
Hifiberry is expensive in Japan, so I use justboom-digi, and the DAC is a homemade 198Khz 24-bit DAC. I'm very happy with the sound.

RuneAudio 2020


rune audio


For Raspberrypi Zero ,2 and 3 and 4 Down load URL but thaird party



Try again doing build up I2S DAC 9er Dec 2020


I2S DAC

how many times do it's I2S DAC



Circuit diagram creation application for Raspberrypi 4 Raspian

I tried using various applications for ARM, but all of them are difficult to use, isn't it easier to use? There are quite a few digital circuits, but I don't have a library of vacuum tubes. For X86, Qtbsh, Calduas, etc. are very good, but
On ARM, these applications can't be compiled, I think Kicad is good, but it's complicated, so let's use Inkscape here. I think it's very good. The library contains the parts of the schematic made with Qtbsch, which are commonly introduced.
I will use it. Since these can be saved as png originally, make a lot of parts library of PNG file. Cut out the schematic parts and save them with a PNG extension. After that, I will create it with Inkscape. It lacks the freedom of QtBsch,
Well, there is nothing that can't be used. Save the library as SVG or PNG. The save directory is under .config /inkscape /symbol.



Inkscape
Circuit diagram drawn with Inkscape

LibreCAD

For LibreCAD Arm


KiCad is complicated to create components, and even if components are created, detailed settings cannot be made. Basically, since it is CAD for PCB, I think that there is no freedom to create a circuit diagram. I think Inkscape is easier to use.
The component still needs to be crafted with other image editing CAD. There is a drawback that it cannot be saved as a part. There is no better CAD than QtBsch, but since Wine cannot be used on ARM PCs, it is an application for Windows.
cannot be used. Let's use LibreCAD. You can install it with $ sudo apt-get.


inkscape


For Linux, copy the system library into the home directory. It will be .config /inkscape /~. The library opens commonly used schematics in GIMP and displays them in Inkscape.
Make a copy of the library from the schematic. The extension at that time is SVG. If you copy the symbol of the part into the symbol set, it becomes a library of electrical parts. Then draw a schematic using Inkscape
I will go. There are problems such as how to draw lines, but I think it is a usable tool. Once written, save it as SVG or export it as PNG.

gEDA and gschem


The Tool closest to Qtbsch was found.
$ sudo apt-get update && apt-get install geda pcb gerbv
In other words, there was a gschema. It is a circuit diagram Editor that I did not notice after installing it before. You can edit the library lightly, and the lines are easy to stick, so it is a circuit creation editor just like Qtbsch. Lighter than anything else
Also, it is said that you can edit for PCB creation. I think you should make a lot of libraries. I think it is very good that straight lines are easy to draw.


eda

It's basically GEDA. I think it's very light.



qcad is light.


No matter what you use, it's heavy and you can't get a straight line. Even if you can draw a straight line, the line doesn't connect. It's the same that the parts and the straight line don't connect. Kicad is complicated, it doesn't draw lines well, and it doesn't have individual parts.
I can't draw acorn-shaped vacuum tubes or circles clearly, the library is too complicated to enrich the library. In such a case, I easily lose to Qtbsch, and it is difficult to write on an ARM PC. LibreCAD and Qcad are very similar.
But I think Qcad, which has a lot of libraries, is good. The library can be created with Inkscape. If you're writing on an ARM PC, I think it's better to install 64-bit (formerly XP or Windows 7 PC) Linux on an older Intel PC and then install Qtbsch.
Qcad can be installed with $ sudo apt-get install, so please install LibreCAD and use it properly. I think Qcad is light.



qcad

Start drawing Qcad tube schematics



Editing with gEDA Circuit diagram creation


gschem


It is a circuit diagram creation by gEDA. This application is the lightest, but it is very difficult to write because I am used to Qtbsch, but I was able to create a circuit diagram. It was like this when I started using Qtbsch. The sym file is the part. The part creation application
No, so copy the base and delete it to make a new part. The attached parts are large and will protrude from the circuit diagram, so reduce the size to less than half and make the parts. First, open the file manager at the root and click on his sym file to open gschem.
There is an original part, so first delete it, leaving only the name. After that, I will patiently make parts. Save the most frequently used parts together in the tube amplifier parts folder (pseudonym). Close the root file manager and start from the beginning
I will draw a circuit diagram using the created parts. You can also draw a circuit diagram on an ARM PC, that is, Rasbian. I think that only long-suffering people can do it. I will make small parts when I have free time. The parts are
In my case, I saved the vacuum tube library in /usr/share/gEDA / tube. I don't think I'll use it because it's difficult to use, but I tried it.daefaults is black backside so can replace to white paper.
Not only Arm, but also foreign schematic editors are useless. If you want to write schematics in Linux, you need to use Qtbsch.
If you want to draw schematics on Linux, please install QtBsch on your x86 PC and draw schematics on it. If you want to draw schematics on Linux, you should install QtBsch on your x86 PC. It can't be used in applications that can't draw straight lines and intersections accurately.
I can't use it in my applications.



Rechallenge Pi-Zero W Music Server
.

This PI-Zero is an Arm6, so it is slow and lacks a LAN port.
This PI-Zero is an Arm6, so it's slow and doesn't have a LAN port, so I need to add a LAN port to use it.
If you want to use it as a music server, you still need a LAN for the speed setting.
The Nanipi-Neo2 is much easier to use, but there are very few operating systems that can be used with this PC board, such as Armbian or Dietpi.
If you want to use it as a music server or for other experiments, you should use Pi3+B or higher version.
If you are looking for a music server or other experiments, please choose Pi3+B or higher version of Raspberrypi. We have found that small one-board PCs are very difficult to use.


pi-zeroW

DAC

Raspberry pi zero + USB board



Nanopi-Neo2

Nanopi-Neo2 Music Server + ES9023 DIY DAC Volumio2 TKZ Version

.

I've found this Nanopi-Neo2 Music Server to be very good sounding, and the Nanopi-Neo2 is able
to SPDIF the signal directly out of the board's port using the Dietpi Buster.



pi zero

volumio

all of volumio2 by pi-zero



Using Rune audio in the background using as Archilinux Music Server
.

rune audio


This is Runeaudio, a 3rd party version that is very heavy and the menus are not very detailed, but it uses Addons and Cantata to serve as a music server.
It's not so much that it's difficult to build, but that the menus are not very detailed, so you need to be familiar with the normal RuneAudio to get it to work properly.
So I use Cantata and SKYMPD together. I don't use Webui, only the mpd client.Music Player Daemon 0.22.4



Cantata

Cantata is so easy to use that it can be used as a fully featured music server for Archlinux

.

Runeaudio control by Cantata

control by cantata and install radio by comand line sound is very much good archilinux sound


Rune Audio



by text line

This operating system works by editing mpd from the SKY MPC and ssh command line. In other words, the detailed settings are configured using ssh. You can check the operation with runeaudio's WEBUI, but
I think cantata is the easiest to use. This is the fastest way to use RuneAudio. The sound is Achilinux sound. I use Moodeaudio as my NAS.

The Moodeaudio has a 2 tera hard drive, which I mount with CIF. If the connection is stable, this will allow me to transfer music from other servers to this one.
You can listen to music from other servers through this Archlinux music server.
# mount.cifs //192.168.1.2/a4C0-f0f0 /mnt/MPD/Music -o vers=1.0 iocharset=utf8
You can now load the music files from the NAS. For the internal share holder, type # chmod 777 /mnt/MPD/Music or similar from the command line to grant permissions.
so this version has HDMI can use monitor show Album picture. The sound of rAudio is very similar to the sound of Dietpi's compiled version of mpd 0.22.3. rAudio is Archlinux, but Dietpi sounds very similar to the sound of mpd compiled from source.
I think the previous version of rAudio sounds better, but it has the same tendency as Dietpi.

I've installed a new version of rAudio, and the low frequency sounds are much better.

The sound is exactly the same as the compiled version of Dietpi.
I'm not sure if this is a good thing or a bad thing.
You will need to build it with ssh. For internet broadcasting, create a Webradio directory under /mnt/MPD/, download Radio.tar.gz from outside and add it with Addon.
At first, I couldn't log in with ssh, but then I found a description in Github that said #root passwd is ros. This will allow you to edit via ssh.
New rAudio from github,

.



and cantata



rune audio

Rune Audio play DSF as Dop



pi4

RuneAudio by Raspberrypi4 B and sound is Archilinux sound



runeaudio

RuneAudio by Rasp pi4



Halie



2021 rune



rune for pi4

rAudio Rune Audio for pi4 sound is great .very nice

passswd ros for root : new rAudio by ssh


Brand new rAudio github from

rAudio download

Webradio download

by ssh cd /mnt/MPD then wget Webradio.tar.gz then tar xvzf Webradio.tar.gz and go to Addon Webradio add by Addon menu.you can get radio channel.
I've been using the FN1242A for a long time.
I've been using the FN1242A for a long time and it's a very easy to use voltage output DAC.
I think it's very easy to use.

I've been using the FN1242A for a long time.
The disadvantage of this Runeaudio (rAudio) is that it can't select music or stations, you can use SKYMPC to select music, Cantata is also fine.
if you have some problem mpd can not start .you can see error massage on WEBUI of RuneAudio.so use ssh can edit mpd.conf file.
The sound of this mpd and the mpd compiled version of Dietpi are very similar. It's hard to tell which is which in a blind test.
mpd should be compiled with the latest version of the sources.
I think that mpd has everything you need.The presentation of RuneAudio (rAudio) is very good.
a small shock can cause it to stop working.
RuneAudio has a disadvantage in that it is not stable enough to run in a distribution that stops working at all. In addition,
the use of new files for everything makes the library incompatible and unreliable.
This is one of the reasons why the development of RuneAudio has been halted. You need to be off the net to use it properly, and Samba is not perfect.
Since these applications have been removed, the RuneAudio music server cannot be used as a music server, and even if it could be used, it would not last long.
The sound is better and more stable with the Dietpi mpd version compilation. The unstable RuneAudio,rAudio. This has always been the case.
RuneAudio is not a regular version, but it can be updated with Pi Zero and a few. Pi4 is not possible. This is because it is not synchronized with Archilinux.
Zero, A, B, 2 and 3 can be updated.
When I actually update it, mpd is the latest 0.22.6. In Dietpi, it will be 0.22.6 depending on the compilation. I think you should also install emacs.
RuneAudio Linux is Archlinux so standalone music server.does not mount any NAS.

rune update

Update by SSH


RuneAudio and any Archlinux family does not have smbd so can not use as Music Server is bad point


runeaudio raspberrypi B

Raspberry pi B play by mpd 0.22.6 update pi4 can not Update

In the end, SAMBA cannot be done. It's a stand-alone music server. If you use Cantata etc.,
the music of the work station will be read. You can also use Cifs-utils to read the hard disks of other music servers.
So, load the hard disk currently mounted on MoodeOS. As an example, access with ssh.
RuneAudio: ~ # mount.cifs //192.168.1.3/A4C0-F0F0 /mnt/MPD/NAS -o vers = 2.0 iocharset = utf8
This will load the Moode Audio hard disk. The control uses SKYMPC. Cantata is fine. Let me introduce two images.



cantata and ssh

Load with Cantata. Basically, the settings are made using the terminal.



runeaudio

Since the WEB UI is heavy, display it + set it slightly.
The sound is the sound of 022.6 mpd. This is a unique sound of Runeaudio.



Introduce Raspberrypi pico


pico

raspberrypi pico as micro controller・C/C++、MicroPython only can not use Linux



asignement

assignment of pico raspberrypi



runeaudio

If I left runeaudio alone, I think I'm updating it without permission, and I'm also changing the WEB UI without permission. Something is easy to use. However,
Samba doesn't work, so I use CIF to link with other servers. For Webradio, create /mnt/MPD/Webradio as explained before and unzip Webradio here.
You can build an internet radio by configuring with Addon. Webradio can be wgetted from my site or brought from other external sites.
please use slimjet browz for control .slim jet get from

slim jet

Slimi Jet browzer see good



volumio3

Volumio3 is not buster In other words, mpd remained as it was. Why doesn't Volumio use Buster? does not have "no development ability??"
It remains mpd 0.20.18. Better yet, I think it's better to use mpd 0.20.9. If this is the case, the DSF will not skip.



Create m3u Create playlist



$ ls *.mp3 | sort> playlist.m3u

That's it. If you open the terminal and enter the above in the holder, m3u will be created automatically. Because I have Linux
This is easy to make. playlist name make proper name of file




m3u

The internal file is m4a, but please change only the extension



playlist

Playlist makes



play list

The cover can be displayed because there is a play list




Playlists are automatically generated by various methods such as Moodeaudio and Runeaudio, and each link etc. pulls in the carver image.
Generally, if you save it in a folder with a cover called folder.jpg
The image comes out, but I think that there is a hidden code in MP3 and WAV and it pulls in the carver.
I think it's also good to register on last.fm. However, these dangers extend to the hard disk
Because it searches, the cover may be displayed through Google from the label or Amazon, and if you are playing the music you are listening to in the room,
that is, the music on the hard disk, the same song will be displayed from the Internet radio.
What you hear is a very strange phenomenon.
Be sure to change the password as some people access it from the outside even if it is not connected to Wifi. OS is both Mood and Volumio2 Rune. The music server doesn't stop suddenly, so if someone accesses it or tries to fix it
It will stop in case of so it is recommended to change the password. Defaults are high risk and the contents of your hard disk can be stolen or deleted. be careful.


moodeaudio

Click the + icon, write the data in the menu that pops up, and add the Internet URL



MKV youtube file sound conversion


MPD 0.22.6 can basically play anything. MKV used on youtube can be played in the same way as mp4. No format conversion required, although early MPDs couldn't play in any format
You can play the default mpd of Ubuntu Buter that is currently used in any format. Now MKV is easy to convert to MP4. If it can be converted to WAV, it can also be converted to DSF based on it.
The easiest way to use MKV is with VLC. The sound is very good even with MP4, and when played with Mood Audio, it is displayed as Mpeg.



VLC

VLC sound convert from MKV to wav



Schosrakowitsch

youtube MKV saved file play by MoodAudio 7.1



I think that people who have a site are in trouble due to the abolition of flash player.



I think the person who owns his site was very confused by the abolition of Adobe Flash Player at the end of 2020 last year. This was a fairly complicated script, but I played it using an embedding called fladance.
It was said that it can be played in HTML5. That said, you need to study HTML5 and you also need an application.
There has always been an easy way. So let's introduce it here. Youtube has a copyright relationship, so permission is not given and I upload it to Youtube by trial and error.
It usually doesn't go smoothly.

replaced flash player

video



His demo of NASA is his Video.




Mood Audio FN1242A DAC + SPDIF Hat is used 2A3 single amplifier

This video needs to be edited with Avideomux because the same MP4 could not be played on the smartphone MP4. I got an error in the mp4 before edit.
For that purpose, edit the video to fit the website.

Avideomux

I'm using Avideomux of Fedora core Linux very much usefull application for edit video


Edit mp4

If you do not edit the video taken with your smartphone to introduce the video, you will not be able to introduce it on this site and an error will occur. I edited this operation in detail more than 5 years ago.
Recently, thanks to youtube, I didn't edit these and just uploaded the video to Youtube. Since the flash player has been abolished, it is necessary to edit the video again.
In my case, I use Avideomux. I use it to edit AVI and MP4.



Raspberrypi OS for Raspberrypi 4 64bit


Down Load Raspberrypi OS

Astro pi Project

Raspberrypi 4/Raspberrypi Kano/windows 10 pro


kano


There seems to be a Raspberrypi 10 pro by Raspberrypi Kano version, but I think it's a slow speed. This Kano is an educational PC for children.
I won't introduce it here, but it seems that there is also a product version called Raspberrypi 400. I will introduce the link.
Because it is a collection of Benkei, the performance has not improved. It is unavoidable that it only operates slowly. Kano seems to be Raspberry pi OS developed by micro soft?

kano windows 10 pro

Raspberrypi 4 + Kano /windows 10 pro



Kano OS



Raspberrypi 400

Install netdata on moodeaudio

actually moodeaudio 7~ is ranpbian buster so can install netdata on moodeaudio 7.xx

sudo apt update
sudo apt install netdata


sudo emacs /etc/netdata/netdata.conf


[global]
run as user = netdata
web files owner = root
web files group = root
bind socket to IP = 192.168.1.X //// your music server IP at home

This will save it. I only use emacs, so please install emacs.
$ sudo systemctl restart netdata
$ systemctl status netdata



moodeaudio netdata

netdata by moodaudio 7.xx you can watch netdata for moodeaudio 7~ buster



Fenix Linux for Raspberrypi and PC


fenix linux

Fenix Linux OS for Intel PC and Arm Raspberrypi 4



Moodaudio is dangerous. Frail firewall


Moodeaudio is dangerous, it will be attacked from the outside and the contents will be deleted, please be careful



using slimjet for Music server show can automatically traduce your language


salimjet

Slimjet show you your language



Rune Audio update


https://www.runeaudio.com/documentation/troubleshooting/updating/ Please update using ssh according to
. I think slimjet is a good display. Anything can be displayed in the language. In other words, it can be displayed in the language used.
RuneAudio cannot read music from other servers because SAMBA is not enabled, so mount it as follows.
RuneAudio: ~ # mount.cifs //192.168.1.2/6e24-5d74 /mnt/MPD/USB -o vers = 2.0 iocharset = utf8
//192.168.1.2/6e24-5d74 is another running music server or NAS. In my case, I use a 2tera hard disk for Moode Audio, so I use it as a music source.
Arm of runeaudio archlinux has a poor library and is useless It is difficult to download the first OS and then modify it, isn't it?
This OS is up to now. I don't think Archilinux should be used just because it sounds good on an OS with a lot of instability that changes every day,
which is the reason why development has stopped.
I think it's good for making sounds, but I think it's a good idea to install a new version of Runeaudio each time.



runeaudio

Rune Audio update



Install pi-apps

Please refer to the link below. You can install a special installation application.



pi-apps


x86 Emulator


When I searched for

, I noticed that there was an x86 Emultor. It has Box86 in pi-apps.
I thought this was an emulator for Arm, and when I searched for it, I arrived at this page.


Install Box86

Please try it first. Let me do it too. Now that QtBsch has the potential to work, it's great news. With this, various applications for windows may work. may be ???
I think it's justified to use a Linux application for x86. Well, what happens, it takes a lot of time to install.
Mainly games for x86, but there is a description that it works quite well. Now if the schematic editor for X86 etc. works, you don't need other workstations of Raspberry pi.
install by git much better then source install because take a time to install library. so much better use git.please install git before start github.
Githhub Box86

Box 86 install Japanese to English

Box86 + wine using windows Game example




wine install get information from You tube



x86

x86 can do By raspi 4



how to use Slimjet


Slimjet used in multiple languages. I will write it in the edit of the site like this, but to make an English version, save this as txt. does not have a menu to open the file in slimjet, possibly
Perhaps there will not be found. Enter the "/" slash in the URL entry window to see the directories on your PC. Find the desired file in it and translate it into the desired language.
I can point out some differences in translation, but it's better than Google. Right-click on the screen and you will be asked if you want to translate, so select the language. This will give you a better translation than Google.

Slimjet used in multiple languages. I will write it in the edit of the site like this, but to make an English version, save this as txt. Slimjet doesn't have a menu to open a file, maybe it
does, but I can 't find it. Enter the "/" slash in the URL entry window to see the directories on your PC. Find the desired file in it and translate it into the desired language.



slimjet



Installing Emicrock for win32 on Box86
.

Using Winetrics
I installed emiclock using Winetrics, or to be more precise, using the Wine file manager menu. The application is emiclock for 32bit.
Download the 32bit application for windows and save it in the holder. After that, just select the application from the menu. The installer came up. Maybe you can do it.
I thought. After installing it, emiclok was ready. It stuck to my desktop. Thanks everyone, the instructions on the Qiit site and well, it was helpful.
This is good enough for me. I'm going to go ahead and install various applications. What did you do in the end? A spell 
sudo systemctl restart systemd-binfmt Is this the one you installed? I checked the starters with this and it was starting fine.
Traduce by Deepl



emiclock

emiclock is working properly

.


Refer to Qitta's website and install winetric and others.
When you install the software, you will see icons in the menu and you can follow them to install the applications.
Bsch does not seem to have an icon, so you will need to create one through the path.
I'm not sure if you have to install it each time, but you can search the net for a library of symbols.
I have a reasonably updated version on my site. VA is Visual Analyser, which is a 32bit application recommended for Linux Wine.
Icons and configuration are reasonably well done. I will try to make it cheaper to use.



menu

Wine menu show above

.

Qtbsch

Bsch 32bit windows version

.


Bsch library Bsch usage
Bsch Usage


Va

Visual Analyser for windows 32 bit and Linux 32 bit version

.

I've been using it for half a day, and it still doesn't work very well, sometimes it just freezes. I think they are useful. I'm not sure if it's a good idea, but it's a good idea.
I think it's great to be able to draw schematics smoothly and 100 times more flexible than Kicad or other drawing applications.
I'm using the windows 32bit version of the application.
I'm using a 32 bit version of the application, so I can run it just fine.
I think you should use a larger monitor and a regular PC key board. I'm using a 16" LCD. If you have a little patience.

I'm sure time will tell if the Windows version of Office is stuck or not. I think it's good enough to be used as a toy for both children and adults.



caldus circuit

Caldus Circuit do fine too version 32bit



windows applications

Audio and make circuit too using windows application



Instrumentation applications running on Wine
.


VA

This application is fully usable as a measuring instrument. It includes a distortion meter, a spectrum analyzer, an oscilloscope, and a signal generator



VA

Visial Analyser for windows 32bit (wine)




pi@raspberrypi:~ $ winetricks allfonts fakejapanese
Apparently, this is important, so after this, I copied the CD and started it from the .exe file in it and did the installation. The result is as follows. This MS is the official version.
Registration is recommended. The PC I used to use this application on no longer exists, so I will continue to use it.



excel for windows

Of course, I was able to install Excel. All I need is Excel

.

photo editor for windows but free


Can install by wine .photoscape X.



Photoscape x

photoscape X for windows

photoscape X for windows using with wine




Game TORC by Raspberrypi4 B



raspberrypi + wine

Raspberrypi 4 Raspbian Buster + wine



Hidemaru Editor install


For version, please download hm897_signed.exe. I was able to install this version. The configuration is very well done and the installation went smoothly.
There are many excellent free editors available for Linux, and some, such as EMACS, also function as mailers.
I thought there was no need to use a paid editor for Windows, but I did.



hidemaru

Hidemaru Editor for Windows + wine


Installing Bsch on Raspberry pi4
.

bsch

Here is the latest version of Sugyodo's BSCH binaries and library 6.2021

.


First, download bs3vp16050rtl. Unzip it and save it in the wine directory. wine maneger will specify the file. First, install the included RUNTime called C++. Then
Install the Bsch book file, RUNtime is not specified on the file, Microsoft C++ will be installed when RUNtime is installed. This is RUNTIME. Then install Qtbsch.
. When the installation is complete, a BSCH window will open, and you can open an existing file or create a schematic. This is the BSCH for Windows. You can now create a schematic.
By the way, you need to install LCO and other Bsch families each time. You can install them each time. It's not clear whether it will work normally if you pass it through, but it's a good idea to use it every time you install it.
I think this is a good idea. This is the first time that Bsch can be used freely on Raspberrypi Raspbian Buster.



You can write it like this.



Qtbsch

Bsch 32bit windows version

.

GMPC

GMPC and Raspbian Buster



It's a great breakthrough to run Bsch on Raspbian Buster, thanks to WineHQ who developed wine. I think WineHQ has done a great job.
It's great to be able to draw tube circuits and digital circuits on the Raspbian Buster with the monitor attached, just like on an X86 PC.
I've been using the Raspberry Pi4 for a while now, and I'm sure it will be able to run Windows 10 soon.
I can use it as a SUB PC like this without any problems. No power consumption.
You can watch Youtube and of course Netflix and Hule. I've been using it for a few years now.
This is definitely a useful PC for children.
I was able to install photo shop .Itune and Mario Bros game for Nintendo. This part was edited on 24th June 2021.
This is the Microsoft version installed on the Raspberrypi 4 Rasbian Buster by Wine 5. 
I'm using Visual Studio Code to edit this. I'm not sure how to use it yet, but Visual Studio Code exists for Linux, but not for Arm.
When you install Wine, you can use it on the Raspberrypi4, and to install Bsch, you need to install RunTime, which is also a free C++ application from Micro Soft.
This is a recent development by Micro Soft, which is aware of Linux. I'm not sure if this is a good thing or not, but it's a good thing.
Now let's try to transfer the file from the Raspbian Buster terminal using GFTP. I used VisualStudioCore for editing, but it was too slow,
so I used BlueFish. There is no problem with the transfer, but other operations are a bit sluggish.
Since I am using LXQT, it might be better to use LXDE or ICEWM, or even JWM or Flwm. The window manager needs to be lightened.


raspbian buster win wine

Windows applications installed with Wine: Drawing and Editor installations

.

archive

windows old archive from A to Z



old version achive

old archive for windows



wine 5 and raspberrypi 4 B

Raspberrypi 4 Raspbian Buster + wine --version 5



TASCAM Hireso editor Let's try it out
.

First things first.
Prepare the WAV file and transfer it to the Raspberry Pi4 B's Raspbian Buster using SAMBA.If you have SAMBA enabled, you can download the file from a music server.
Start up TASCAM's Hi-Res Editor. Import your music files. Then EXPORT. You will be asked what you want to set it to, so set it to 2.8 Mhz.dsf.
All you have to do is EXPORT. Depending on the capacity, the conversion will be done at a very slow speed. Reading takes a lot of time,
but EXPORT also takes a lot of time to make DSF.convert from wav to DSF is a lot of time to take .x11 64bit do about a half of minute but this Case
took time for convert file about 5 minute from wav file to Dsf file by TASCAM editor under raspbian buster with wine 5.xx



DSF TASCAM

doing convert WAV to DSF music file then send to Music Server for play Dsf tested very fine as DoP (PCM)



GFTP

transfer files by gftp raspbian buster



Plasma KDE

Using Plasma KDE by Raspbian Buster



Netflix

This is an image of listening to Netflix in google-Chrome's media position

.

invader clone

Invader Clone, can be installed with apt-get

.

Invader Clone.
$ sudo apt-get upgate
$ sudo apt-get install open-invaders
That's it. This is all you need to do to install it.
This is a coolon invader game that I used to have in a coffee shop. It is almost the same. You'll enjoy it!



case of Nanopi-neo2 Music server OS is Dietpi Buster


Bill Evans

I still have a few hundred albums left, but I'll put the cover image in the folder



Norah johns

she is best looking for any Music Server



By the way, click on the icon on the right for a sample of mympd.conf data

this is only sample for help configure file of mympd.conf located /etc/mympd.conf



under current bill evans

Under Current by Bill Evans and Jim Hall




pull up

Modify Nanopi-neo2 as above, just attach one resistor and capacitor OS uses Dietpi Buster



Nnopi-neo2

This is the only one attached and removed I2S DAC then add header terminal



music server


Basically, the music file of the PC using NAS or Raspberry pi is mounted and the music file is read. Playback is performed on this Nanopi-Neo2. You can also attach a DAC to the Nanopi-neo2,
Since it has an SPDIF output, you can play it by connecting it to your existing DAC with an SPDIF input. In other words, you need an external DAC. In my case, I use my own 24-bit 198 Khz DAC.



windows11 raspi

Let's try install windows 11 into Raspberrypi 4



Windows 11 for Raspberrypi4



How to use the current raspberry pi 4 music server

Currently, raspberrypi4 moodaudio is installed. I make sounds only occasionally, what are you using it for? I am using it as a file server. Because it's hard to use,
I don't think the sound is so bad, but I use it quietly as a NAS or file server because it gets stuck in the GUI. The hard disk has 2 terabytes.
The sound source is used by producing sound from the Naopi-Neo2 Music server on another LAN. Since Nanopi-Neo2 has few ports etc., from the SPDIF output of Nanopi-Neo2 to a self-made DAC
I'm connected. For Nanopi-Neo2, Dietpi Buster is the OS. mpd has been compiled and is now 0.22.11. The mpd Client is controlled by using Cantata and SKYMPC of myMPD PC together.
mpd is 0.22.11. When the latest version comes out, I compile it and always use the new version of mpd. After 0.20.X and above, it became possible to play music files with many extensions.
You can also play MKV and ZIP. ZIP can be played even if it is solidified without decompressing anything. That is the feature of the new MPD. DSF can also be played as a DoP without writing a special script.
Voumio2 still uses old UBUNTU, so mpd has not been updated, MoodAudio is a version of MPD close to the latest version. In my case Moodaudio is used as a file server
I think it is fully functional.
Recent Raspberry Pi: Since it is not an application shop, Raspberry pi without a master clock has no purpose to use, for the time being, 3 units are always operating, but a file server and
I use it as a music server. I've been unemployed due to the influence of Corona, so there's nothing I'm looking for in Raspberry Pai. I don't need expensive DACs, and I have DACs I made a long time ago.
If that DAC breaks, it will run a raspberry pie music server. Raspberry Pai 4 has SATA hardware 2 Tera, so run that file with the latest Nanopi-neo2 mpd.
With only one music server, things can be used satisfactorily. Nanopi-Neo2 is a weak but very good music server. The controls use SKYMPD and Cantata. There is a self-made DAC Nanopi-Neo2
I am enjoying music by transferring with SPDIF of
. This is also a technique that cannot be done without a Raspberry pi4 file server.



photoscape

Edit images with Microsoft photoscape



I am editing an image using MicroSoft photoscape. You can do the same with the Raspberry pi4 Raspbian buster. The application is installed using Wine.
There are various items, so I think it's good to master them.


raspberrypi B+

Old version of Raspberrypi B+ does not play new Volumio2 so using ver old



Rune Audio new version 0.6


New version Rune Audio

I can create Rune Audio from Archilinux, but I don't have such knowledge, because Archilinux has a complicated method and may damage the hard disk, so I made it a general method. prize.
Here is how to download a general image. First, download the image from the link introduced and burn it to a micro SD.
Let's bake using Echer. The partition is then spread with gperted. This time it is Raspberrpi B + of the old board. Burn Rune Audio0.6 to this.



Remove RaspberrypiB + from the music server and repair it. I installed the latest version of Volumio2, but Samba share was not recognized and saved, but I could not play it.
This music server will be provided to acquaintances. Currently, there are 3 music servers running at home, so this is enough. There are two Nanopi-Neo2, two Raspberry Pi, and one Pine64.
SPDIF output is 3 units. Only one DAC is installed. SPDIF connects to a self-made DAC at the output. This is enough. DSF is for PCM only because there are not many sound sources and there is no chance to hear it.
A PCM sound source is sufficient.



rune audio 0.6

Rune Audio 0.6 new version does not work so this is old version 2020

mount is used by mounting a temporary NAS from Moodeaudio's hard disk. Rune / Archilinux does not enable samba, so mount it using cif-utils. You can use it with this.
Or attach hardware or USB memory to USB to play music. WebRadio imports WebRadio from the outside.
The method is as introduced earlier. First of all, play music by mounting the hard disk
mount.cifs //192.168.1.3/6e24-5d74/ /mnt/MPD/NAS -o vers = 2.0 iocharset = utf8
The new version did not work. This time it is Raspberrypi B +, so it may work with other versions.



How to use fdisk



# fdisk: /dev/mmcblk0
Welcome to fdisk (util-linux 2.30.2).
The contents set here are retained only in the memory until the write command is executed.
Be careful when using the write command.

Command (help with m): p
Disk /dev/mmcblk0: 14.4 GiB, 15502147584 bytes, 30277632 sectors
Unit: Sector (1 * 512 = 512 bytes)
Sector size (logical/physical): 512 bytes/512 bytes
I/O size (minimum/recommended): 512 bytes/512 bytes
Disk label type: dos
Disk identifier: 0x7feae948

Device boot start position Sector size from the end Id type
/dev/mmcblk0p1 40960 245759 204800 100M c W95 FAT32 (LBA)
/dev/mmcblk0p2 245760 4440063 4194304 2G 82 Linux swap /Solaris
/dev/mmcblk0p3 * 4440064 12582911 8142848 3.9G 83 Linux

If you have been using Linux for a long time, you will understand. It's the Linux world that starts with cutting the HDD partition.
This is an example of micro SD, but the same is true for HDD disks. This will delete and create a sector. You can see it by looking at help. Set with the
command. Delete is d, p is a command to look inside the partition. This technique is the same for DOS.
And cut a new partition with n. Then cut off from the primary. You will be asked interactively how to do it automatically
Please decide the address of the partition. The sectors are numbered and the memory is set accordingly. After setting
It will be saved q just leaves this fdisk. Hand it over to the kernel with w and save it. At this time, an error code appears on the screen
Since it may appear, a note will be issued at that time, that is, an error will occur if it does not connect well with the kernel of the PC.
Since you cannot proceed with the process after that, please reboot the PC to make the same screen. I think it's normal.
You can also fill the partition with this operation, but here, do not use this and use Gparted again to set and format
Please go. Even if you can't format it with Gparted, it often works well if you delete it with fdisk and reassemble the partition.
You can use fdisk and Gparted to initialize HDD and micro SD. I think you should try it many times.



Linn Jazz can not get Sound


Ricently Linn Server is down so does not get contact with server
if would like to get Linn Jazz please pls file . as File1=http://radio.linnrecords.com:8000/stream
then you can get now and 8003 Linn Radio and 8004 is Linn Classic
http://radio.linn.co.uk:8000/stream instead of radio.linnrecords.com
please access by ssh and edit by vi or emacs .edit data files.



Raspberrypy B and Pi-Zero 1000Bps LAN adapter


Lan Adapter



People who have Raspberrypi B or A (without LAN), Pi-Zero people will feel the need for LAN and the LAN speed is slow at 100 Bps with old-fashioned Raspberry Pi.
Pi-Zero is about 1800 yen including tax with this LAN adapter Yamada Denki. You can buy B + from the beginning, but if you don't know, you can get 1000bps with this adapter.
If you have trouble with skipping sound, just plug this adapter into USB to improve speed.
The built-in LAN port is no longer needed. I think it is convenient and useful for Pi-Zero.



VNC

How to use VNC control



Run Raspbian using VNC

First, let's show the image you are using, you can run Raspbian.local on your main PC. It's very easy, so I think you should try it. I think you can use Raspberry pi more than 120%

VNC

It looks like it is controlled by Fedora Core 26 64bit using VMC



By doing this, you can watch and operate the games installed on Raspbian Buster and the videos of Hule and Netflix from the main PC (Windows, MAC OS, Linux WorkStation. Of course, you can operate anything.
"Settings" of Raspbian Buster of Raspberry pi4 --- "Settings of raspberrypi" Then set VNC to "Enable" This operation is set on the PC side of Raspberry pi4.
After that, please install "VNC View" on the client's PC side. By doing this, if you are connected via LAN, you can study Linux using VNC even on a Windows PC.
The game can be a slow game, but it seems impossible to play the video. The image quality is poor and the movement seems to be sluggish.
You can check the operation of VNC. Applications installed on Linux and other operating systems
I think it is better to uninstall and install a dedicated and highly compatible application. You don't have to use Samba to transfer files, etc.
If you use it as a server
Internal editing is ready. On the Raspberrypi side, there is no need for a monitor, mouse, or keyboard other than the initial stage. Please try it.
I think it will be an easy-to-use TOOL depending on how you use it.
If the menu is displayed with $ sudo raspi-config, enable VNC. Open a terminal to this and execute.
When the menu is displayed with $ sudo raspi-config, enable VNC. Open a terminal to this and execute.


Download and install the VNC View application for each OS Install this on your main PC



Setup VNC

Just show you how to by 2 of photo's and please try do it. very easy to do.



first step and then

this setup by Raspbian Buster by small PC



raspi-config

this configure set up ssh ssh@raspberrypi.local



The above image is an image taken from a Linux PC, that is, a shot screen taken from the Linux screen of Fedora Core 26


VNC can be operated remotely not only on Linux terminals but also on PCs with different OSs.
If you can not install it with the initial settings, I think that it is a very useful TOOL when the teacher will teach you remotely.



Music server and myMPD that can be done without Raspberrypi


mpd mympd

mpd 0.23.2 and myMPD by Nanopi-Neo2



mympd 2021

myMPD by Nanopi-Neo2 Dietpi Buster on 22nd Nov 2021



In the case of Nanopi-Neo2 etc., it is necessary to develop independently using Dietpi, Armbian .
Ubuntu are not supported. That's a risk, but depending on how you think about it
You can create a music server as shown above. In the case of Nanopi-Neo2, SPDIF can be output directly from the port, so you can use your own DAC. Since the master clock is out
You can also use a DAC that is normally distributed. It is not necessary to rely on I2S DAC, but you also need to compile MPD etc. by yourself. You can also use the new MPD.



apt-get install samba-vfs-modules Bullseye is a debian-generated Samba error-free, invisible failure, unauthenticated issue. Therefore, files cannot be exchanged.
I was in great trouble. The same is true for Armibian, and when I saw it on the net, it was avoided and I was in trouble because there was no report.
If you install samba-vfs-modules described in the blog of the person who moved to Atlanta, USA
It can be avoided, but the entire OS will be enabled, but I don't think it can be used.
As I said somewhere, the Samba error reminds me that sharing would cause security issues and would be abolished. So I have to avoid it in some way
Debian isn't too lazy, Samba just made sharing unusable, not an error. I don't know what to do with this, but it's pretty good in Armbian, so Armbian got his 4.8.
Maybe you're still using it. If you renew anything, you will not be able to reinstall it. The previous version is python3, but this Bullseye is python 3.9, so the previous version is
I can't compile even the source.
winbind: Is it a shared program to be embedded in Samba? The conventional Samba had these built-in. Starting with 4.13, this winbind is required. In this application
It will be possible to use it in the same way as conventional samba. For CentOS
yum -y install samba-winbind samba-winbind-clients ← winbind installation
It is said to be
, so you can find an application that does the same thing in Debian. There are other settings.



mympd

myMPD + Nanopi-neo2 Music Server 30th Dec 2021 just show you good



Good news, I was able to enable Samba on Debian Bullseye as well. It's not too difficult and anyone can solve it. So I think it can be used on Bullseye workstations such as the Raspberry pi 4.
This site has the following page, so please have a look there. Use the new Bullseye.next page Next Page


Raspberry pi4 comes with Bluetooth


Moodeaudio has a Bluetooth function, let's use that function and pair using a smart phone. Music stored inside the smart phone
The image shown below is the one that is transferred to Moodeaudio and played from the music server. Sound can be played normally.
It goes without saying that Raspberrypi has various other functions, and it is a music server that you can use freely and conveniently.

MoodeAudio

Moodeaudio is listening to music stored inside the smart phone



Voumio3

Volumio3 is very fine and Music Server by Volumio3 is very good and mpd is 0.21.18




CEO Raspberrypi doesn't mention anything

However, it is said that there is a global shortage of goods, and it seems that production has been suspended due to the shortage of goods.
This is true. The price is rising accordingly.
In the market in Japan, the arrival is undecided at retail stores, major bases RS, etc. until April. At least no lathberry pie is sold in Japan. This is said to be the effect of Convid-19.
In addition, there is a fact that it is used for medical equipment related to the heart and respiratory organs, and it is said that the spread of embedded Linux equipment is related to the shortage of goods. Amazon and others sell at several to 10 times the regular selling price.

If you stick only to the music server, it is a fact that you can make a music server with Nanopi-ne02 at a low price even if it is not a Raspberry pie, and it depends on your ability as a hobby.
The question is to study Linux. I'm an active office worker over 71 years old, a home experimenter, and a garage maker. It is even poorer. But in a world where you can build your favorite audio cheaply
Is it because of mpd? Mpd will make the sound even better. Let's get better sound from your music device amplifier and speakers



Mile Davis

Nanopi-Neo2 mympd and mpd is 0.23.6 on 6th May 2022



mympd by nanopi-neo2

Nanopi-Neo2 Music Server mpd 0.23.6 new version mpd



Raspberrypi Zero W by Bluetooth with MoodeAudio Sound depends on the DAC, but I think it's an easy-to-use method.



mood audio 8

Moodaudio 8 by old Raspberrypi B and show by Microsoft Edge Linux version



Moodeaudio ver 8 is a problem that samba share cannot be done


MoodeAudio 7,8 cannot samba share, so the shared part can only be USB or mounted. That would reduce the convenience.
This is because Version 8 uses Bullseye as the original OS, so Samba cannot be used. However, other mounts are not possible. When I tried to mount it, it was rejected
Why? Speaking of which, Debian Linux, the OS that is the basis of this OS, can install Samba from the new Linux distribution, but it has been removed.
I'm guessing that the Samba share was removed because the number of people using Linux for the music server increased and the security deteriorated.
This has been an OS that cannot be shared by Archilinux for several years. After migrating from Buster to Bullseys, I realized that Share was not possible.

So I will use the wsdd method based on the same experience as Armbian Nanopi-neo2. Since it will be 100% successful, please use this method to secure the Share part.
I will post the Link, so I will install it referring to it. You can also transfer files with Moodaudio 8.
By doing this, you can mount the NAS and access it from your PC, please try it, and you can use many internet sites with Cantata.


Links to solutions  ask




moodeaudio 8

Using Moodeaudio 8 with Samba Share mpd 0.23.5



samba

You can use samba share with MoodeAudio 8



Production of Raspberry pi has stopped. It is the influence of Corona Covid19. The whole world is spoiling China. It's very regrettable. The world is flooded with Chinese products and problems are piled up.
The countries and the United Nations that do not resolve them politically have finished their role. Production of the Raspberry pi has stopped worldwide. When will the Raspberrypi 3B + be resold?
I think it is the responsibility of the nation that even Japan has no products made in Japan due to the fact that the manufacturing industry in the world has left it to China. It will be very important to be reviewed.
If you use it only for music, Nanopi-Neo2 is enough. Two music servers made with Nanopi-Neo2 are in operation. Call for early remanufacturing of the Raspberry pi. A set of hugs by these turmoil
Sales and price increases should be avoided. What about the plan to give PCs to children around the world at the lowest prices? I just want to avoid raising prices with human ego.



moodaudio 8.x uses Debian Bullseye


Bullseye OS has disabled samba. Therefore, I made the Shre part unreadable. Here, we will incorporate a server called WSDD into these servers. As a result, even with Moodeaudio 8, NAS mount
is now possible. I think that WSDD will be incorporated by Default in the future. This integration makes it easy to enable Samba. Please try it.



samba

I think this is good news for Debian-based operating systems. I use Fedora Core 26 for my workstation. It's been a few years since the end of support, but I was using a technique other than Samba. External application I don't know if it's called
or RunTime, but it came with an application other than Samba. Well, it is a Debian system, but I will tell you the method below. I think it's good news. It is obvious when you look at the image above.
There is an example of this process seen somewhere. I'll give you a link so you can test it yourself. There are no particularly difficult settings. Just in case, I will write it as a memo here as well.


solution for samba ask



bullseye

Bullseye + cantata Music Server and Samba




1] Connect to it directly in explorer by it's ip address - for example:
\\192.168.1.100
[2] Win10 can use mDNS to connect to the server - addressed by it's host name with a .local attached at the end:
\\ubuntu-server-host-name.local
Just make sure avahi is installed on Ubuntu:
sudo apt install avahi-daemon
If you really want Win10 to be able to discover your server you really only have 2 options:
[A] Win10 uses something called WS-Discovery ( WSD ) to discover hosts. Samba doesn't do WSD but with a bit of work you can make it work:
Download the folder:The person who stated that it will work with a few operations wrote the method. Download and install wsdd.

wget https://github.com/christgau/wsdd/archive/master.zip
UnZip it:
#unzip master.zip
Rename the python script:
sudo mv wsdd-master/src/wsdd.py wsdd-master/src/wsdd
Copy it to bin:
sudo cp wsdd-master/src/wsdd /usr/bin
Copy the systemd service file to /etc/systemd/system:
sudo cp wsdd-master/etc/systemd/wsdd.service /etc/systemd/system
Reload the service:
sudo systemctl daemon-reload
Start the service:
sudo systemctl start wsdd
Enable the service so it starts at boot:
sudo systemctl enable wsdd
[B] Enable NetBIOS on both Win10 and Ubuntu - This is something Win10 is trying to get away from since it considers it a security issue:
In Win10: Control Panel > Programs and Features > Turn Windows features on or off > SMB 1.0/CIFS File Sharing Support > SMB 1.0/CIFS Client.
In Ubuntu: Edit /etc/samba/smb.conf and right under the workgroup = WORKGROUP line add this one:

server min protocol = NT1

You would think that a simple restart of the service would be enough - and it might be in your case:
$sudo service smbd restart

But NetBIOS is a relic of a bygone era and you might have to reboot the box.
NetBIOS is a nasty thing to work with so you may need to do some other tweaks to get it working.
as Share



samba

Moode Audio 8 + wsdd samba music from NAS using samba



VNC

This is the screen for operating Raspbian Buster from Fedora Core Linux using VNC Viewer. Wine is installed on the Raspberry pi side, and the light application for Windows is
It is ready to work. The image below is the login screen. Basically, if you can see the network, you can use VNC.



network

It is in the state of Network, and it is not displayed because Windows 7 is not turned on. In the case of Bullseye, it will be a little different


If you are using Raspbian Bullseye, you may not be able to do VNC without installing wsdd. Please understand that. First, install WSDD and configure the settings I think it will be after
.



Login

Login screen



Recently I use Google Translate. Please understand that the meaning may not match.
I hope Google's accuracy will improve, but it seems impossible. Thank you for your understanding.



raspberry B+

Raspberrypi B+ Music Server



raspberry B +

Raspberrypi B + Music Server Old element 14 Raspberrypi B +



Sony does not manufacture any new products, so I don't think the domestic version of Raspberry pi will be available in stores for the time being. If you only have a music server, you can also use Nanopi-ne2, so please use that.
on 20022 july , due to the influence of Covid 19, Raspberry pi B + 3B + Zero w 4B is no longer sold in Japan. Production will be discontinued for several years.
It is an unstable country with unstable domestic politics and no political party to dominate. Prices are rising, and it is regrettable that Pfizer's vaccine will kill more people. Japan will end as it is.
This music server can be manufactured with a commercially available DAC hat, and can also be used with a high-end DSD playback board. Since the latest version of MoodeAudio 8 or later uses Bullseye, knowledge of Linux is
Required. I don't think you can install and use it sufficiently unless you can type at least commands. Even old people can do it, so make some effort. In the output part in the circuit
Please add a non-polar capacitor of about 2.2uF 16V to the output. Also, if you have Zero W, you can easily use Bluetooth with Moode Audio.
Since it is a Bluetooth receiver, you can operate it in the same way as the sound bar. Now you can pair your smartphone with your smartphone.
I'm so sorry about English etxt is traduced by Google from Japanese tetxt.


schematics

Music Server schematic diagram for Raspberry pi B+





Whoever made the Raspberypi Zero is either stupid or dumb


Even if it's made small, it's difficult to build, and since it doesn't have a LAN port, you'll need to attach a LAN adapter. The same goes for A+. why did you make something like that
Should we? I don't understand, I didn't make it smaller to improve performance, I just made it smaller by removing the stuff that came with the Raspberrypi B3+. It's good for use as a board
Because it is small, if you attach a peripheral device, it will be too big and it will not fit in a small case, so there is no advantage.
Nanopi-Neo2 is small, but the LAN port and USB are normal size. Moreover, it is 64bit, and you can work without any inconvenience. It is because GPIO is divided into two systems
It's easy to work with, and it's great that the master clock is available. The raspberry pi does not have a master clock, so if you want to make it a music server, you have to use limited hardware.
The external attachment is not too large. The Raspberrypi 3B+ is a masterpiece, but the others are just garbage. It is also out of production due to the corona virus. Dreams like this
Is it over? Mr. Sony, please take care of him, Mr. Raspberry Foundation. Sony cannot make new products because it depends on China.
This sentence was translated by stupid Google.


zero W

only one I have Raspberrypi Zero w (zero inside) as Music Server with I2S DAC



last one

this is last one which I have pi4 but sold to Germany Audiophile . 12nd Aug 2022



It's August 2022, and there are no longer any normal-priced Raspberrypi boards in Japan. At prices more than 10 times higher than the general public and retailers who own a large amount
It is now available for sale. Even in the regular version, the name is changed and the price is raised to a commercial level. Dream children's Raspberry Pi's gone, with grown-up egos
Low cost boards are gone. I think it will take 10 years to get back to normal. In the meantime, will it be out of print, and will the dream PC disappear in a dream?
There are boards (HAT) that can be used for 4G such as LTE boards, so if Raspberrypi is resold, it is expected that it can be used for phones. no body at all
The United Nations no longer exists if the WHO does not question China's full responsibility for causing the corona Covid 19 and fleeing. The earth has become a satellite of the ego.
In a sense, has the earth entered its apocalypse? It is unfortunate. Japan is also anarchy. Korean residents in Japan can do whatever they want. Where are USA's powers going?
Is it wrong?


A Raspberrypi is required to create a music server, but if you understand Linux even a little, you can use Nanopi-Neo2, Beegleboan, or even Aruduino.
And it was discontinued, and the regular manufacturing company was discontinued.
PocketBeagle and others are PCs for using Claud9 and cannot be used as they are. It doesn't ask for an internet connection.
we can't update because I can't connect to the internet. TI is obligated to develop a one-board OS that solves them. Moreover, the OS is a third party.
And Sony,
I think that Sony's inability to announce new products is closely related to the lack of official versions of these Raspberrypi's being sold.
It is a bad result that a Japanese sound maker handed over all the manufacturing rights to China. It will be something that Japanese sound makers have to think about.
In a way, 50 years ago, manufacturers in all categories that existed in many countries around the world could not compete with Japanese products, and all domestic industries in those countries went bankrupt. should.
And this may be a sin against Japan. I think the CEO of each manufacturer should understand that. The CEOs of Japanese manufacturers are money thieves and ignorant of technology.
Is this the end of the era of the Electronics superpower that is based on such a foundation? Japan is done with Raspberrypi. I stole my children's dreams.
There is no box in elect.It is Japanese English. It should be defined by the Ministry of Education at an early stage. You should say Elelectronics
But Japanese no learn name of electronics . Aere-ctoronics



right now from now on the world of Arduino. A little late challenge, but I bought an ESP32


Is it difficult at this age? I started with Arduino, I did a little bit a few years ago, but I found it difficult to give up. I'm going to study Scratch from now on,
First of all, I bought this to update his DAC for Nanopi-neo2 and Raspberrypi Zero music servers. Currently a 24bit 198Khz DAC made about 10 years ago
I'm using , but I'm making a DAC to replace it. There is a wall of Arduino, so I think it is impossible for the time being, but I would like to try.



ESP 32 USB DAC DIY

pico

This is a Raspberrypi pico, but it is an Arduino that cannot be used as a music server or server.Knowledge of Arduino is required. Knowledge of python is required.
And the Raspberrypi 3 B + and he 4B, which are no longer available for the poor, have become a dream one-board PC.
Only Nanopi-Neo2 can be used and purchased in Japan. This one-board PC can be used as a music server.
There is no official OS and you will be using Armbian or Dietpi. Raspberrypi 3 B+ and 4B are no longer available in Japan and are discontinued one-board computers. Unfortunately it's true



nanopi-neo2

Music Server by Nanopi-Neo2 one board PC lowest cost of them. mpd is 0.23.9 by compiled



pine 64   volumio2

We can do to use as Music Server by Pine64 OS is Volumio2 and SPDIF OUT and I2S

Same way can be use Nanopi-Neo2 by Volumio2 too. very good performance for music server both board are no needed additonal hat board



zero




I currently have two Raspberrypi's. Raspberrypi Zero W and Raspberrypi 4B only. Others are Pine64+A and two Nanopi-neo2 machines. I use it as a music server.
Raspberrypi Zero W is also a music server. Moodeaudio is on it. 2 TeraByte HDD is installed. It's SATA. I have it mounted with a USB adapter. Below is
I am compiling Nanopi-Neo2 music server from source with mpd 0.23.10.


<

Last one Music Server from Germany by Mr Victor Serrano



nanopi-neo2 mpd 0.23.10

Compiling with Nanopi-Neo2 mpd ssh It's already been about 20 hours. It will be over soon



mpd

Unit 1 Music Server Dietpi Buster by Nanopi-Neo2 Buster It was a fairly short compilation. mpd 0.23.10



A note on compiling: Please remove the hard disk when installing. Note that directories under music/ will be deleted.
Please also note that the configuration path in samba will be deleted.



install youtube-dl


Installation of youtube-dl. I thought Git was good, but I thought pip was better because of the library.
The old version had problems with SSL due to a bad python version. I was in trouble, but I was able to install with PIP.
sudo -H pip install --upgrade youtube_dl
In this case, it's Ubuntu, but you can install the latest version with pip on Fedora core as well.



Qiita.com Reference

For MPD servers mpd 0.23.10 0.22 or higher can be played regardless of the extension In other words, MKV can also be played.
You can play the sound of youtube videos. It can not be played on other players, but if it is a player using MPD, it can be fixed with Zip.
You can play it.
It will be a youtube-URL. Get the URL of the video by clicking on the youtube video with the mouse.
open terminal
$youtube-dl Video URL 
Now you can download the video. Of course, you can save it to the hard disk and play it from the music server.
Videos can be played with video applications. By the way, you can also download Facebook videos



recently Raspberrypi 3B+ which we can not buy market on 2023.after covid 19 but Raspberrypi 3A+ can get .

After covid 19 we can't buy Raspberrypi 3B+ for reasonable price.but we can buy Rapberrypi 3A+ easy. but this model does not contain
LAN port and have only one USB port.so need one of USB Hub and USB LAN adaptor.


A+

LAN USB    USB HUB

Raspberrypi3 A+ Raspberrypi Zero W Needed 2 component USB LAN and USB HUB

then setup normal setting up raspberrypi function as music server and workstation.etc because Rapberrypi 3A+ has only one USB port and does not have LAN port.



youtube -dl can no longer be reinstalled if there is a problem with SSL, development has stopped in 2021.

Youtube is now yt-dlp, which is being developed in the same department. You can use it with the $ yt-dlp URL.
$wget -qO /usr/local/bin/yt-dlp https://github.com/yt-dlp/yt-dlp/releases/latest/download/yt-dlp
Now you can use it.
For example $yt-dlp https://youtu.be/KbNQXnsZZhI?t=28
It will look like this. Playback can be transferred to the music server and the sound can be played with any extension. Videos use other applications.



youtube

A clip playing a youtube video



LXQT buster was destroyed by the mischief of Koreans living in Japan from the outside. It's broken from time to time.



After LXQT install, when you boot up again, you will get stuck in Bluetooth and an error will occur and you will not be able to reach the login screen. Press F2 and you will see the status.
A Bluetooth helper error has occurred and the process has stopped there, so in order to avoid that, it is necessary to operate on the host PC with SSH, but I don't want to create an empty file for ssh
I forgot, so you need to remove the micro SD and create an empty file under /boot. You'll have to edit from there.


Excerpts below Introducing reference sites. https://diysmartmatter.com/archives/778
rfkill list is a command to know the status of the wireless unit. When I ran this, I could see 2 Bluetooth and 1 WiFi modules working.

$ rfkill list
0: phy0: Wireless LAN
Soft blocked: no
Hard blocked: no
1: hci0: Bluetooth
Soft blocked: no
Hard blocked: no
2: hci1: Bluetooth
Soft blocked: no
Hard blocked: no

Turn off built-in BT at startup

I searched and found, at the end of the /boot/config.txt file,

dtoverlay=disable-bt

If you add the line , it seems that you can turn off the built-in Bluetooth at startup. With the sudo vi /boot/config.txt command, I added this line and rebooted the RPi.
Confirm that it has become non-operational

After rebooting, I tried the hciconfig command again.

pi@raspberrypi:~$hciconfig
hci0: Type: Primary Bus: USB
BD Address: 00:1B:99:99:99:99 ACL MTU: 310:10 SCO MTU: 64:8
UP RUNNING
RX bytes:1216 acl:0 sco:0 events:70 errors:0
TX bytes:2052 acl:0 sco:0 commands:70 errors:0

Only hci0 is available. It seems that the UART connection module has disappeared and the USB connection module has moved to hci0.

I also tried the rfkill list command again.

$ rfkill list
0: phy0: Wireless LAN
Soft blocked: no
Hard blocked: no

What is this? This is because he has bluetooth and gets stuck with a bluetooth error early in the Linux startup.
This is a article to avoid this. First, create an empty ssh file in /boot. Without this, ssh cannot be used.

I would like to show you on VNC, but a young IT guy from Chonkoro infiltrates VNC and withdraws money from my bank account. Although it is a cyber crime, the National Police Agency
It is a sloppy Japanese national police organization with no management ability. What is the Cyber Crime Division for? A corrupt organization should be abolished.



Introducing again Raspberrypi Music Server MoodeAudio


Raspberrypi Music Server

Raspberrypi Zero Music Server



This is a Raspberrypi Zero W music server. The Zero Type has no LAN port and only one USB connector. for that
A USB port board has been added, and a red board is attached to the bottom. That board is the one that converts the I2S signal to SPDIF. Now you can use it as a music server.
Due to COVID19, it is difficult to obtain Raspberrypi, so I have no choice but to use it in this way. The USB port comes with a USB LAN adapter.
The board above has a USB HUB, a SATA + USB adapter, and SATA is a hard disk. There are 2 Tera bytes. Now as a NAS
You can use it. This hard disk stores tens of thousands of songs, and you can play sounds from an external music server. In my case all sound is SPDIF output
It is managed and finally the DAC is connected. The NAS is great and all music information is available on all music servers.
Actually, in my case, I have four music servers set up in the same home LAN. You can listen to music freely at any time. We live in a very convenient world.



NAS

Moode Audio music server



nanopi-neo2 music server

nanopi-neo2 Music server It's a music server



Armbian nanopi-neo2

Armbian + mpd + myMPD nanopi-neo2 music server



my mpd

nanopi-neo 32bit Armbian Music Server mympd 11.04 SPDIF out on 3rd Sep 2023



youtube down load


I reinstalled Linux after my PC crashed. Python3.7 is selfish and related applications do not work, so youtube-dl no longer works.
I installed it with git, so it's the source. This was recently replaced by Yt-dlp, which also caused malfunctions. Python is being selfish
I can't even compile mpd. I can no longer download videos. Did Google notice it while searching?  youtube download
I added the plugin to firefox. A green icon will appear as shown below. It doesn't matter which browser you use, just the one you usually use.
It has this mark. This is said to be a privilege only available to people who upload a lot of YouTube videos. Recently, there have been a lot of uploads of amplifier sounds, so
I think it's related to that. They started posting instructions on how to do things in the comments. It seems to be connected to Google and Facebook,

For example, even if it's a song, I'll indicate that I think it's a violation, and the comment will show that there are no problems, so I'm uploading the video.
If you make the thumbnail beautiful, everyone will be instructed to browse it.



down load

down load icon added by youtube



yt-dlp from git



You can get the compiled binary of yt-dlp using git. I don't know if python 3.7 needs to be installed.
Just download yt-dlp and unzip it at home. It will be saved on your home page, so create a holder called youtube. cd youtube as
Run. You can install it inside root, but I don't. Run in home.
And run through the path from there.
https://github.com/yt-dlp/yt-dlp/releases is where you can get it.
Example) /home/kmizushima/yt-dlp_linux/yt-dlp_linux https://youtu.be/PJi0PhJVk7k?t=12
It becomes. This is enough to use. Library threads live in these.



fourplay

This is an image of the video downloaded with yt-dlp and played with mpd music player



moodeaudio 8

MoodeAudio 8.x 32bit version cannot enable SAMBA and SSH. Only attaching memory or hard disk to USB is possible.
However, these may be possible with the 64-bit version. The image above is Raspberrypi Zero



MoodeAudio 8.x 32bit version cannot enable SAMBA and SSH. Only attaching memory or hard disk to USB is possible.
However, these may be possible with the 64-bit version. The image above is Raspberrypi Zero and is not the responsibility of Moodeaudio
The original Debian Linux has a problem with Samba due to his Python. You can use it if you make Samba older, but update the basic language
In some cases, there may be no sound or samba may not be installed properly. The problem with samba not being enabled is on Debian Linux.
The current situation is that it is undeveloped. However, it may be OK for the 64-bit version. Either way, it's better than no sound.
The cause is that you are using an old OS such as Bullseye. I think there are a lot of problems that prevent you from using the new version of the OS.
mpd is also not up to date, the latest mpd is 0.23.15. The one used here is mpd 0.23.4, but it is actually mpd 0.23.04, which is written differently.
You can compile and install the source of mpd 0.23.15 with nanopi-neo, etc., but Moodeaudio does not use it.
Is there a reason?



rasp-zero volumio2

Moodeaudio8 does not support SAMBA and cannot be used. However, I was able to use Moodeaudio7 up to Moodeaudio7, but in the end I ended up using Volumio2.



32 bit Rap like pi zero does not have any Volumo .volumio is only 63bit SBC.

32bit PC

Recently I've only been using the Nanopi-neo 32 bit music server, and I use the Raspberrypi as a NAS.



NAS

The white case contains a NAS with a Raspberrypi zero W + USB, LAN hat board, and two Tera hard disks. This is where I store my music.




Details: A LAN USB hat is attached to the Raspberrypi zero +W. It can be used as a music server, but since it does not have a DAC, you will need to install a DAC I2S DAC
to use it as a music server. Volumio is the OS. The hard disk uses SATA. This is mounted to the power supply via a USB adapter.
The USB hard disk can be mounted automatically by attaching the USB connector. This sound source will be listened to on another music server.
mount.cifs //192.168.1.13/USB/6E24-5D74 /var/lib/mpd/music/Music -o vers=2.0 iocharset=utf8
The above command is the URL for mounting the NAS. This music server uses Nanopi-neo. This is a command line command for the Dietpi OS.
By entering this from the music server side, you can mount the NAS audio source. Tens of thousands of songs are stored, so you can listen to them freely.



music server

Nanopi Mpd Music Server myMPD mpd 0.23.15




🍓 🍓 🍓 ♬ Building a server this parts 23rd April 2025

Nanopi is no good anymore. It's a kernel problem. C++ is low, and there are other problems

Introducing a music server made with Raspberrypi. Using Raspbian

Nanopi-neo does not have an OS. There is an OS, but the kernel is an early model, so MPD source cannot be compiled. However, there are problems with Raspbian. All OSs released after 2020
The Raspberrypi Foundation has not made any changes to the problem of not being able to SSH. I have sent several emails but they have been ignored. It is a sad fact that Sony, whose sales are doubtful, is turning its back on them.
Here, we will use an SPDIF hat on the raspberrypi. Both I2S and I2C signals are required. The driver is built into the OS, so all that's left is to set it up.
The only setting is to edit /boot/config.txt. With this, sound will come out via SPDIF. The rest depends on the DAC and amplifier. If you add the driver as is, the speed will be about 10% faster, so we'll solve that.
The hat board uses a Hifiberry-digi or justboom digi board.
I found that there is an old Raspberrypi Bullseye on the Raspberrypi org site. The buster ended in 2020 and Bullseye was released in 2021. SSH is only possible with versions prior to October 30th.
Boot exists up to this point, but from this point on it becomes Bootfs. SSH is not possible with Bootfs. After testing it several dozen times, SSH is not possible with OSs where Boot is Bootfs.
The FTP site is listed below. If you insert a partial string of the driver in config.txt, it will not fast forward. If you do not add this line, the speed will be faster.
dtoverlay=hifiberry-digi,slave=true> The slave=true part controls the speed. Without this string, the speed will be about 10% faster.
As an aside, be sure to create an empty ssh file in Boot. SSH cannot be used without this. Create the empty file in the microSD.

From here on, I will build MYMPD, but I don't know if it will go smoothly. It worked fine on Nanopi, but I don't know about Rapberrypi.
This is pretty good, I used SPDIF in my case, but I2S would be fine too. Building is relatively easy, just write it in Config.txt.
There is no need to use Volumio, and the sound is good. The installation of mympd was also very good.
The price has dropped so I recommend the raspberrypi 3B+. Use that. The 4 is fine too.



raspberrypi mympd

Mympd for Rapberrypi 3A+ myMPD 20.1.3

>
mympd

mympd on 24th April 2025



kissin

mympd by raspberrypi bullseye on 24th April 2025



Rasiberry ORG site by down load

An example of the Hifiberry digi driver

mympd is currently not working properly. I don't know why. I think it will be solved with time.





Cantata and SKYMPC are used to operate MPD. The image below shows the amplifier and the board.



cantata     amp and raspberrry


From now on, I will build MYMPD, but I don't know if it will go smoothly. It worked fine on Nanopi, but I'm not sure about Rapberrypi.



diana krall
Diana Krall sing by Rapbian OS mympd 20.1.3


mympd

I use the 2020 version of bullseys, which has no SSH restrictions. It can't be used after that. I use Dietpi or Armbian.



LAF

Please install niginx and mympd by looking at this site. Before that, install and test samba and mpd. After that, install mympd.



I realized that Sony and the Raspberrypi Foundation are taking measures to deny access to Raspberrypis around the world from hackers.



Rapbian OS has a write denial script in the OS, and if you forcibly rewrite the level, the name of the level will change from lowercase to uppercase, i.e., capital letters.
Generally, there is a program equivalent to MRB that determines the initial settings. Its name is boot. OSs around the world are configured like this, but only in Raspberrypi, its name is bootfs.
Simply put, this alone changes the path of the command string in the application program. This makes SSH impossible. In the initial state, SSH becomes possible if you create an empty file called ssh in the boot area, but in raspberrypi OS from 2020 onwards, the name of boot is boots. This prevents Debian OS from modifying political programs.
rapberrypi has been set to not allow SSH since 2020. This is because Korean hacker groups living in Japan are being denied the ability to hack using SSH. If Korean residents in Japan and Koreans are excluded, I think such problems will disappear. Debian's clone OS, Armobian and Dietpi, and music server OS, Volumio and MoodeAudioOS, are not set up like this. They have been rewritten.
This is a prediction, but in order to be attacked by hackers, they are basically designed so that SSH is possible but editing via SSH is not possible. Bootfs display is also set to Boot once accessed. The location of config.txt has also been moved to fireware. There is config,txt in it. Edit that. Edit config.txt to make sound.
When burning the OS, install it with an imager. If you burn it with echer, SSH will fail, so please install it using an imager from your PC. At that time, you will choose your password and OS. There was a problem with mympd due to Cmake, so it could not be compiled on a 64-bit OS. Therefore, a 32-bit OS was used. The name of bootfs seen from the line is also Bootfs. It cannot be edited from the line.
traduce by google



my mpd


mt mpd


myMPD myMPD 20.1.3 mpd 0.22.5 Raspian OS bulleye 32 bit versin Raspberrypi 3 A+ Hifiberry digi SPDIF OUT. as Music server



my mpd


mt mpd


myMPD myMPD 20.1.3 mpd 0.22.5 Raspian OS bulleye 32 bit versin Raspberrypi 3 A+ Hifiberry digi SPDIF OUT. as Music server



🍓🍓

To use these, you must have a NAS. For the NAS, use Raspberrypi zero without a playback unit, i.e. without a DAC, and install a hard disk
to create a simple NAS. Or install a hard disk in the main unit. Use SATA for the hard disk. Attach a USB adapter to the hard disk.
This makes it very convenient to use. Use Volumio as the OS for the simple NAS. No DAC is required. Transfer music from this NAS.


When you hear the sound, mount the NAS iP hard disk with the following command. Mount the NAS created with Volumio on the raspberry pi database.
Once executed, the link will not be broken unless the power is turned off, so it can be used continuously for years. Below is the command. For example, create a shared folder called Music on the raspberry pi.
The folder is created using SSH. Create it with $ sudo mkdir Music. Mount the music folder on the NAS to this Music folder. Here is my example.

sudo mount.cifs //192.168.1.6/USB/81EC-DFF5 /var/lib/mpd/music/Music -o vers=2.0 iocharset=utf8

above comand before make ,before install cifs-utils and avahi-daemon must install .
This command can be used for anything, so please take good care of it. 81EC-DFF5 is the hard disk. The hard disk will be displayed on the NAS created with volumio,
so copy it. If you cannot mount it, change vers=2.0 to 1. Be sure to install samba and mpd and check that they work
before proceeding. If it works, expand the area with raspi-config. Now you can save all the music in the free space inside the memory.
mympd is a music server that you create yourself, so it may be a bit difficult, but if you fail, just start over. Please fail as many times as you like and improve the quality.
Linux rules: After creating a directory, make sure to give permission to the path: $ sudo chmod 0777 /var/lib/mpd/music/Music
This will give permission to Music. For a file, use $ sudo touch XXX. For a directory, use $ sudo mkdir XXX.
Check whether it is a directory or a file and create it. When you are done, give permission to the path. You will not get lost. Copy and save complex files.
Do this: $ sudo cp XXX XXX-org. If the original file is incorrect, you can just copy XXX-org again. Do this when you are worried.
If you save mpd.conf etc. somewhere, you can use it many times. You cannot save it on another PC from the command line, so copy it to the music file folder.
traduce from japanese by google



Reference Site

very important page must be read



mympd

myMPD on 2025 version 0.20.3 OS is 2020.30th Oct Bullseye version



The 2025 version of Raspbian OS is unstable in every respect. Samba is bad, SSH is unstable. Burn it with the imager application. However
the operation is unstable. There are 32-bit and 64-bit versions, but they are unstable. If possible, please use the 2020.10.30 version.



mutter

Mutter  myMPD by Bullseye Debian 2020 30th Oct version



I found a way to use SPDIF without a Hat, so I'll introduce it here

SPDIF with out Hat daughter board

SPDIF with out Hatt board 🍓


I'll do more experiments in the future. This is for B+, but I think it can be done with A+. That's because recent boards are 32-bit compatible boards
First, read the article and install the driver. You can also convert HTML to PDF for free. Use the add-on. It was possible by default before



🍓The file with the URL solidified into PDF is as follows. PDF file

🍓🍓 I tried again with a new attitude

I burned it again from the internet onto the microSD of my raspberrypi late last night on May 4th. This time it was the 64bit version of Bookworm. I wrote it when there were no hackers around. This version cannot be attacked by hackers. It is a distribution that is difficult to hack from an outside line. It is quite stable after installation. samba is also normal.
The RapbianOS net image is probably updated over time, and it has improved a lot. In my case, I use Fedora core Linux, so I write it from the command line with # rpi-imager. If you type this from the command line like this, the raspbianOS installation window will open.


raspbian 64bit


raspbian music server

SPDIF out Raspbien Music Server 5th May 2025



NASmount is next show when you have volumio as NAS.
pi@raspberrypi:~ $ sudo mount.cifs //192.168.1.6/USB/81EC-DFF5 /var/lib/mpd/music/Music -o vers=2.0 iocharset=utf8
Password for root@//192.168.1.6/USB/81EC-DFF5: password
pi@raspberrypi:~ $ sudo mount.cifs //192.168.1.6/USB/6E24-5D74 /var/lib/mpd/music/Music -o vers=2.0 iocharset=utf8
Password for root@//192.168.1.6/USB/6E24-5D74: password


nympd 1

Mympd 10.3.0 very much stable .bookwoam 64 bit version



mympd  2

Mympd 10.3.0 very much stable .bookwoam 64 bit version 5th May 2025



SPDIF music server

using Just boom -digi music server. 6th May 2025 Can not attack by hacker



mympd

This music server uses an OS that hackers cannot attack. mympd v 10 bookworm raspbian OS



You'll get better results if you create the OS from the Internet. You can write the latest archive to the microSD. SSH can also be set up without any problems.
The BOOTFS format is BOOT, but it looks like BOOTFS from the outside. config.tex is not placed under boot, but is in the fireware below it.
These are probably to prevent hackers from attacking. It's a pretty good process for an apartment like mine, where there are Korean hackers living in Japan.



new one 20th May 2025

No errors occur during data loading for Bookworm Raspbian 20th May 2025 samba



Caribe

rapberrypi OS Bookwoarm 64bit samba is good function image is by net install



my mpd

Mympd is neatly organized with 24-hour database updates. Please turn off wifi in the settings.



WIFI OFF SET UP

Settings to turn WIFI OFF



Dtoverlay=disable-wifi
If you want to disable it on a hardware level, add dtoverlay=disable-wifi to the end of config.txt. If you also want to disable Bluetooth, add dtoverlay=disable-bt.
You must restart the OS to reflect the settings. # Disable onboard Bluetooth dtoverlay=disable-bt




Learn how to build it on the Nanopi-neo page on another page. Once you can get sound out of the mpd music server, install mympd.
How to install


Linux

Look at the items in this link and install NGINX. After that, install MYMPD.
It's not a difficult operation, and you'll be successful. The secret to success is to make sure the MPD server works perfectly
and then install these. You can build a beautiful MYMPD in your music server.

Be sure to do the following operations. This is different from MPD's mpd detection and mympd's mpd detection. So, do it like this:
sudo mkdir /run/mpd : then
sudo systemctl disable mpd.socket
Please try this first. I think that the socket will come out with this.
If it doesn't come out # systemctl enable mpd.socket
If you enable it, it may appear.
simlink /etc/systemd/system/sockets.target.wants/mpd.socket → /usr/local/lib/systemd/system/mpd.socket It will be linked to
, so # reboot after this. # If you type ls /run/mpd/ and socket is displayed in red
mpd is linked. For mympd mpd sees /run/mpd/socket. It should now appear.
when no started mympd automatically
# mympd #####checked mympd on browser
$ sudo systemctl enable mympd
$ sudo service mympd start
If no message appears, enter
sudo mympd. I'm sure it will start. Anyone can do it.


mympd


myMPD 21.0.0
(c) 2018-2025 Juergen Mang
https://github.com/jcorporation/myMPD

raspbian OS mympd monitaring



mpd config example

I want a Raspberrypi-os server, it's heavy for a workstation


Install mpd 0.24.1 version on Raspberrypi OS Note


After careful investigation, I found that RapbianOS does not have a swap area. It seems that adding swap area will solve the problem. First, add swap area. There is a link to a detailed explanation of how to add swap on this site
on Nanopi-only, so first add swap. I think the compilation will go smoothly.
The bottleneck is to update cmake and fmt if possible. At the moment cmake is 31 and fmt is 11. I was able to install 11 until a few weeks ago,
but it seems that the thread was deleted and only up to 9 can be installed. When I try to install 11, I get a compilation error. It's a dirty way to use Microsoft applications like this, I would like them to compile on Linux without using Visual or whatever application. If engineers can't use Linux,
put an end to their engineering career. It's a nuisance. I would like the calculation formulas and compilation methods to be clearly written, but I guess young people who don't compile manually can't do that?
It's unfortunate. Also, this site will be closed on August 31st and will move to a US site. The domain will also change, so it will take some time for automatic hits.
These are caused by welfare, but they are also harassment from NTT Onamae.com. Recently, NTT Communications has been harassing me a lot, raising the rental server fee without permission,
canceling the server support phone, and doing whatever they want. NTT's management is sloppy. It's a bit excessive to also abolish phone support. I write it in a message board-like email,
and call, but I can't accept the system where I can't get a proper answer because I get a half-hearted response from a robot lady.

Compiling mpd source

Continuing with the compilation. It's already the third day. It's the second day since I adjusted the swap. The compilation is almost done, but I think it will take another day.
ninja: Entering directory `output/release'
[231/388] Compiling C++ object src/db/....a.p/simple_SimpleDatabasePlugin.cxx.o
157 remain. It will complete after that, but I think the remaining time will be a day or more. It is normal for compilation to take a long time. If FMT was 11, it might be faster.
If cmake version was 31, it might be faster. These two could not be compiled.I do not have a time for stay this server I will soon move to other server in USA,
this server is too expensive for me. I will be single-ended.org soon.
this part traduced by google


mpd 024.3


new mpd

finally installed mpd new one 0.24.3 on 18th July 2025


cmake version 3.25.1 and fmt (GNU coreutils) 9.1
Copyright (C) 2022 Free Software Foundation, Inc. and Music Player Daemon 0.24.3 (0.24.3)
Copyright 2003-2007 Warren Dukes


mpd 0.24.3

mpd 0.24.3 got now and install mid night Raspbian music server



Status

Make sure status is show above


































































Raspbian Foundaton


all of 🍓schematicdiagram of Raspberrypi's



Linux Audio Foundation

Introduce myMPD how to install ,Good for install myMPD any Linux OS




Open audio


kali

Kali Linux for all arquitecture



webSDR

Ham Radio worldwide watch on line



online linux

On line Linux can do from any OS



Free MP3

Free Down load MP3 from Classic,POP to Jazz any kind of Music




Music Server

LAN at home



remnant





I was an employee of @SONY \ JAPN when I was young.

Raspberry pi Family are product of SONY



how to use volumio

echer

image file wrost tool ,application good for any OS




youtube

this is Youtube List for my site please viste



Bit Scope

Raspberrypi Become high end pro osillosope by BitSCOPE



Radiko

Japanese Radio Network on Line



radio garden

Radio Garden warld wide live radio ,you can find any small town's station any counry and country side



RetroPI

Retro Game play by Raspberry pi 2/3

if your raspberrypi already installed raspbian can install manually RetroPi into your Raspberry pi.




----Important:Raspberry Pi Music Server If would like to(Install)and(use) at least need know--"how to use Linux" and lean Linux first !!----

[Currently owned one board PC is 3 RaspberryPi 3, Raspberry Pi 2 1, Raspberry Pi - Zero 1 (lender) and 2 NanoPi - Neo 2. It's all for experiments]


blue note



[ Audio System : RP2 + Justboom Digi Hat + SPDIF + Home brew FN1242 DAC and Power Amp is EL156 Single Ended Amplifier]


Let's listen to music more than things shapes and techniques


play pi

play raspberrypi as home control by smartphone(Celler phone) so far way from home



Fm Steram ORG

Station Finder



DAC etc---Show DAC DIY Site in Japan


Very Important :finally " Raspberry Pi 2-3" are very stable One Board PC for C/P and Good for "Experimenter" around OS, programing and hard skill etc .


How to install ICEWM into Raspberry pi Linux

How to use ICEWM by Linux x86 x11 only Japanese

You Tube for Tube Amplifier


Facebook


7th Avenue


since 15th JAN 2015 Raspberry Pi B+ Music Server how to last up date 30th Jan 2026

How to build up Amplifier Single Ended Amplifier 2026 Yachiyo Chiba Japan