osiro  SRPP RIAA LCR Amplifier D.I.Y
Japan

조선인을 쫓아내라

SSL

アクセスカウンター

this counter started on 18th Feb 2018

Flag Counter

this counter started 23rd Feb 2019

Please see with Firefox better see on your PC
Real Audiophile no use Push Pull Amplifier

JPJapanese

SRPP RIAA Pre-Amplifier


Highly successful LCR RIAA DIY that anyone can build up LCR RIAA can buy from me



The sound of this LCR RIAA is highly praised by Sr Victor Serrano (based in Germany).The sound makes you think of the sound coming out of a CD.That's the LCR type RIAA.
This RIAA is a prototype, and although it is a prototype, it has been sold. How about that? The first thing Mr. Victor Serrano said was this prototype LCR RIAA, which can cost over $10,000.
It seems that the dynamic range is wider than the sound of a CD, and the sound is lively. He found the sound to be better than many expensive high-end devices he had heard in the past. He remodeled it from the outside in his own way.
Victor said he listened to many LPs over and over again, and he said he also listened to old LPs over and over again to reaffirm that the sound was imprinted on the old records. . He said it was a great machine.
I still remember the first email I received from him, in which he excitedly told me that it was the most amazing experience he had ever had at RIAA.



The people who use this RIAA use quite a lot of the products I made. I would say that I really liked it.
My name is Victor. I made this equalizer for another customer, but he saw it and decided to buy it a few years ago. He arrived in Germany several months ago.
Those were anxious days. Kenji, this is a great machine. He said he had heard many Equalizers in the past, but this one was the best. He said he was worth more than $10,000. He said he was completely defeated by the bright, informative sound. That is the RIAA/ Decca equalizer that uses LCR. Inside is
It contains four choke transformers. A ferrite core is used to make it smaller. This is an inexpensive and high quality preamplifier for vinyl.



for vanta

RIAA for Sales USD $ 1600



RIA LCR on 25th Oct 2023



RIAA

LCR RIAA only




passive tone and line input. 24 step atteneuter .only can use MM. any one can build up this RIAA pre-Amplifier if you can get LCR network.
sound is quite good. I think.As you can see in the music video uploaded to youtube,
I think you can confirm that it is out. Although it is a hum jar, if RIAA is located on the left side of SL1200, hum will be generated when the volume is full from the right channel,
so when using SL1200, be sure not to place a preamp(RIAA) on the left side.
Aside from that, I think you can understand that RIAA using this coil has good sound and few failures. If you are interested, we recommend you make your own. As you can see in the music video uploaded to youtube,
I think you can confirm that it is out. FRQH FRQL is the name of the part. These can be purchased at General Trance / Sales. We also sell fine-metted chalk.
As a final result, the level may be insufficient due to the small gain, but it can be avoided by examining the constants of the final circuit or using a higher vacuum tube. Line input is fine, but if you can do it,
I think good results will come out. This coil is not necessarily used, but if you have a tester that measures inductance, you can make this coil yourself.


The sound of this LCR RIAA that produces the sound that Sr Victor Serrano praised.The sound that makes you think of the sound coming out of a CD is the LCR RIAA

This RIAA is a prototype.It was a prototype, but I sold it. How about that? The first word Mr Victor Serrano said was this prototype LCR RIAA, priced at over $10,000.
It seems that the dynamic range that surpasses the CD sound and the lively sound worked perfectly.
It outperformed many of the expensive high-end devices he had heard in the past. He modified it from the outside in his own way.
Even DIY is cheap, I think DIY is good. RIAA with good results.
If you can make coils and have a tester that can measure inductance, I think you can get good results with your own LCR RIAA.acutually Decca.
so never again use PCB ,then made 2 of universal PCB for LCR / Decca .no is RIAA only can use DECCA.more than enough.



Unit LCR


Price is USD $ 1600


LCR RIAA on 2024 Just testing with EL3N Single Ended Amplifier





PLay Organ by 12A Single Ended Amplifier Atsuko 2023 in Germany





Note:Why is this set more expensive than other similar devices?
The product may be deformed due to the load applied during delivery.
That's why the price is set a little high. chassis etc.
I am using a product that is used for a vacuum tube amplifier, so it will take a long time to deliver.
It needs to be sturdy to soften the impact. The price is set at $1500 including shipping. MM only.
Available for RIAA and Decca. It produces a very bright and solid sound.
input RCA one channel for MM and Output is only one line and with alps potentiometer. out put is almost 0 dB and Gain has 40 dB.4 tubes 12AT7 x2 and ECC83 x2
current is depend on your country .230V or 120V


EFQH FEQL

FEQH 45mH chork coil and FEQL chork Coil



LCR network and ripple filter added 1st Sep 2019



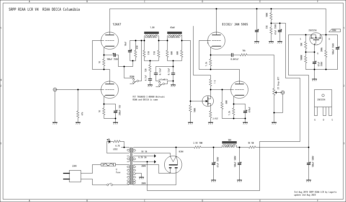
RIAA DECCA

Just Same as V1 this is RAA and Decca shcematic on 25th Oct 2023



emi

Just buil up RIAA LCR on 22nd March 2024



sound is a little bit small may be

kieth   chick   bill

Test Disc Vinyl


down load(sound sample)

Using DL-103 and RIAA is hand made RIAA LCR convert flac .file are zip file.this is sound sample






serrano

Perke Drive's 2A3/45/46/47 single amplifier LCR RIAA Mizushima fan in Germany 2022


This owner has several devices that I built. It was sold at a bargain price. I made it at the lowest price, but in the end I got a bonus
We have been friends for more than 10 years. He likes the RIAA quite a bit and says it's better than the RIAA, which costs thousands of dollars. Below is the schematic

Victor said that he listened to many LPs repeatedly, and that he reaffirmed that the old LPs had been listened to again and again, and that the missing sounds were engraved on the old records. rice field. He said it was a great machine.
I still remember how excited he was when he first emailed me about what an amazing RIAA experience he had never had before.


porco

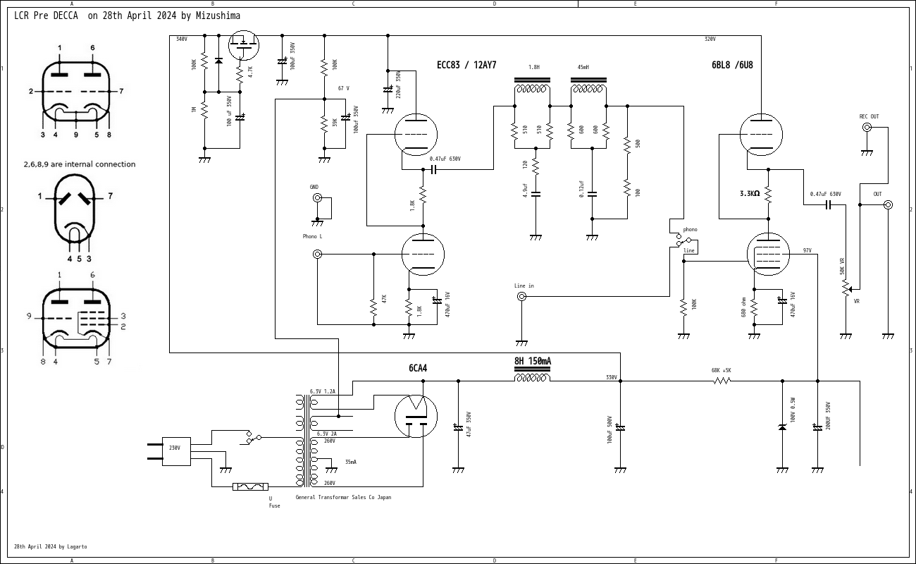
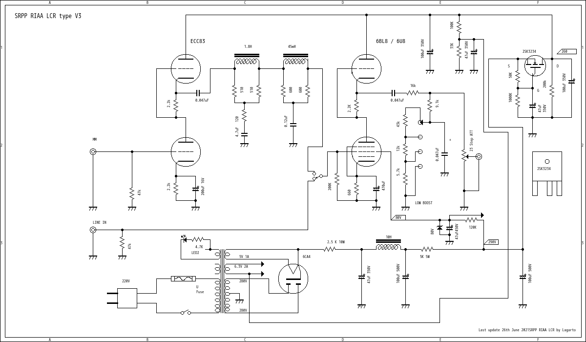
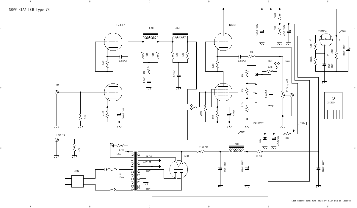
RIAA V3

replaced driver for more output voltge Perque SRPP drive



RIAA LCR DIY by You tube



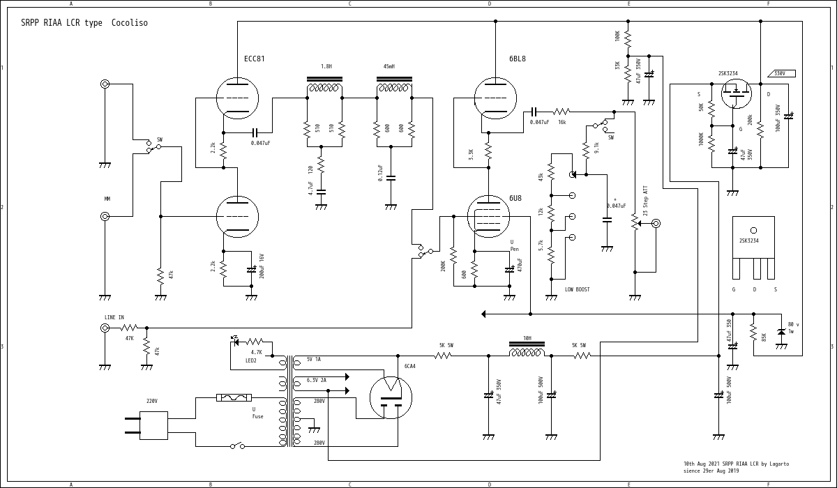
long play by LCR RIAA Pre-Amplifier on 22nd Aug 2021


There's nothing wrong with it for personal use, but the gain is a little low.

There's nothing wrong with it for personal use, but the gain is a little low, and I've tried using other tubes, and the gain is a little higher, but not by much, so I decided to use Pelke-drive.
I'm not sure if this is a good idea or not, but I think it's a good idea.
This drive system has improved the low frequency range. It can also be turned off. Of course, a line input has been added.
OUT put valve are 6BL8 and input valve are ECC81 ( 12AT7) or ECC88 but much better to use ECC82.


Thomas Demenga Bach Suitr No4 Es -Dur



venta

USD $ 1600 dollars include shipping and valves,only RCA input MM.

miz

Money transfer is 2 way .Bank transfer or PayPal.



Customers say that they have purchased quite a few RIAA equalizers in the last 20 years.
Some of them cost thousands of dollars, but I was interested in the RIAA that Mr Mizushima made because I had the opportunity to use it.
He said he had time to listen to the thousands of vinyl records again. He said that he was very satisfied with the reproduction sound that was close to the original sound.
I think you can understand it even on youtube.

I think that the sound of recent vinyl discs can be played with a RIAA equalizer manufactured and sold by any major audio manufacturer and feel that the sound is thin.
I think that this LCR type equalizer can give you a relaxed and comfortable sound that you can feel when you listen to it.
You can make your own, but I don't think $1600 is an expensive price.
Mr Victor Serrano says that the sound is highly praised. In his case, it was a prototype, so it cost US$3,000, but he said that there would be people who would buy it for US$5,000.
Only this time, I am thinking of making and selling it for $1600 US dollars only for customers in the USA. I do not have stock, so it will take about 3 months.
Customers are limited to USA. One reason is that due to covid19, EMS distribution is only enabled in the United States.
Past RIAA preamplifiers
It sounds like it's not the real sound of vinyl.
It is a semiconductor preamplifier that has been sold until now.
This is the expression that Victor says. Such a good preamplifier for phono.
I express that it has never happened before.
This is also how to use it, it was certainly recorded on vinyl.
They said they were giving signals faithfully.
I couldn't hide my surprise when I received the product. It said.
Is it true? You can either DIY it or buy it from me. This time I designed the lowest function. Complex
Removed the switch. In addition, it can be used only with MM.



Chork transformer for sale


chork


USD $ 280 By Japan POST EMS shipping but this price for USA only


4 chork transformer actually felite core chork coil



I do not have any in stock, so please allow one month for the transformer to be ordered from the transformer factory,
and I will send it later.please ask if would like to get this component.any infomation ask to me thank you.
detail: 2 of FEQH and 2 of FEQL are USD $ 200 and shipping fee is USD $ 150 = USD$ 350 dollars.first ask to me.
ferrite.core using special core for this RIAA chork coil.Chorke Size

new phono phono 1 and 2 .... line input 1 and 2


 the other one

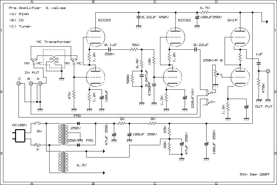
3 stage amplifier and phono 2 input and 2 line input



My Equipment for Vinyl player

SL-1200 MK3、 Denon DL 103 ,Audio Tehnica AT-33 ,AT- 150 (mm) MC-Trans : TK83 Tamura   使用アンプは 300B Single Ended Amplifier HO-808



DL-103  AT-150  At-33

I am using these cartrige for Test




kieth   chick   bill

Test Disc Vinyl


down load(sound sample)

audacity

if do you have PC you can record Vinyl sound from out of player



My Equipment

SL-1200 MK3、 Denon DL 103 ,Audio Tehnica AT-33 ,AT- 150 (mm) MC-Trans : TK83 Tamura   使用アンプは 300B Single Ended Amplifier HO-808



DL-103  AT-150  At-33  AT-33


carbon

just cleaner of Vinil but works good.

carbon cleaner for Vinil
LCR RIAA Pre-Amp


price

USD $ 1300 phono pre for RIAA , shipping and valves include and original RIAA was made for Mr Serrano USD $ 2000


I don't have stock, so it takes time to make. It will take about 3 months from when you transfer the full amount to my account.
Please let me know the voltage of your country before transferring money. It is basically MM specification.
Please use a step-up transformer for MC. Thank you for your curiosity.

Sales: In the case of only the RIAA made with the basic circuit, we will make a prototype for about $ 2000
To foreign countries, it will be a machine equivalent to $ 2000 with labor and shipping.
Since it is an open chassis, various vacuum tubes can be exchanged freely.
In the case of the integrated type covered by the housing, it looks good, but it is difficult to replace the vacuum tube and the space is limited. is.
Customers say that they have purchased quite a few RIAA equalizers in the last 20 years.
Some of them cost thousands of dollars, but he was interested in the RIAA that I made because he had the opportunity to use it.
He said he had time to listen to the thousands of vinyl records again. He said that he was very satisfied with the reproduction sound that was close to the original sound.
I think you can understand it even on youtube.




cocoliso RIAA

RIAA 2 input phono and 2 input line



Mr Victor Serrano said in forum



comment from forum in Chile .Hifichile.cl this comment for RIAA LCR



RIAA mizushima


replaced 6Q7 in germany



porco


V6

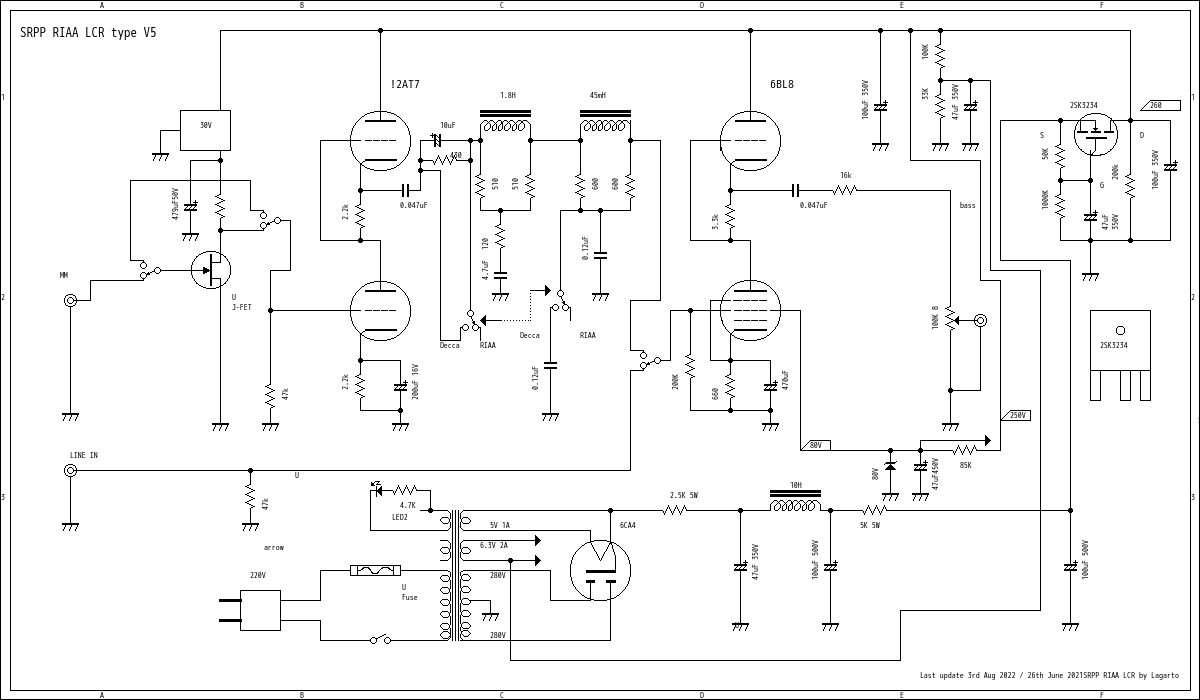
Update circuit on 3rd Aug 2022 by Lagarto


first stage is 2Sk30 then SRPP LCR perque drived SRPP .this version does not have any option and can replace decca and RIAA .victor said good for Deccca.
old version is not for Decca. I understand what is meanning .so this version add decca swich for turn over .



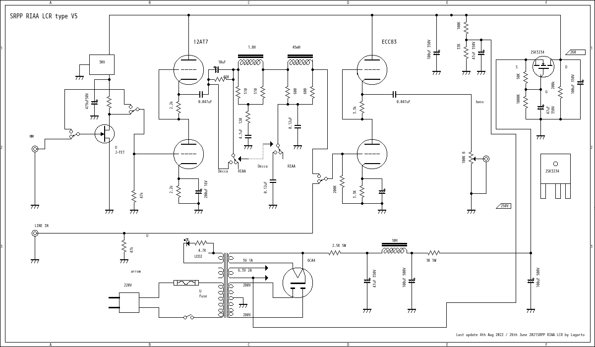
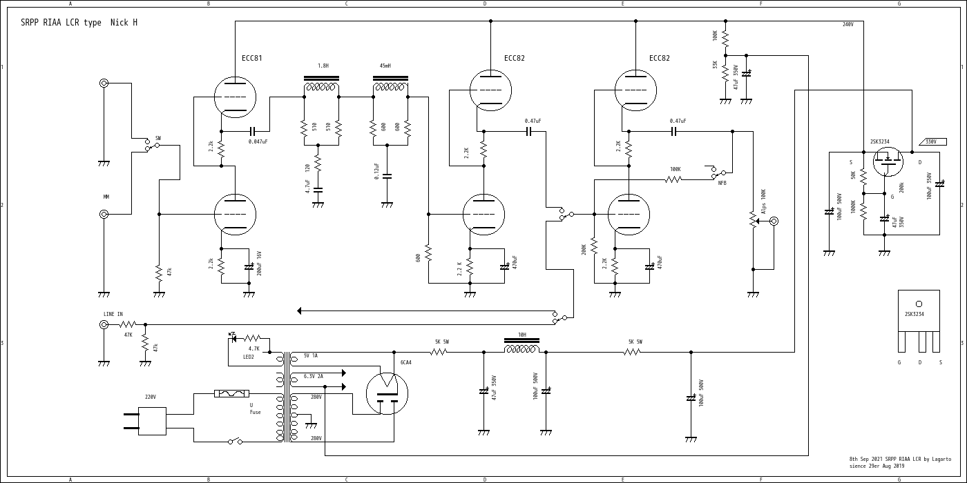
RIAA V7

Up date circuit 4th Aug 2022 by Lagarto



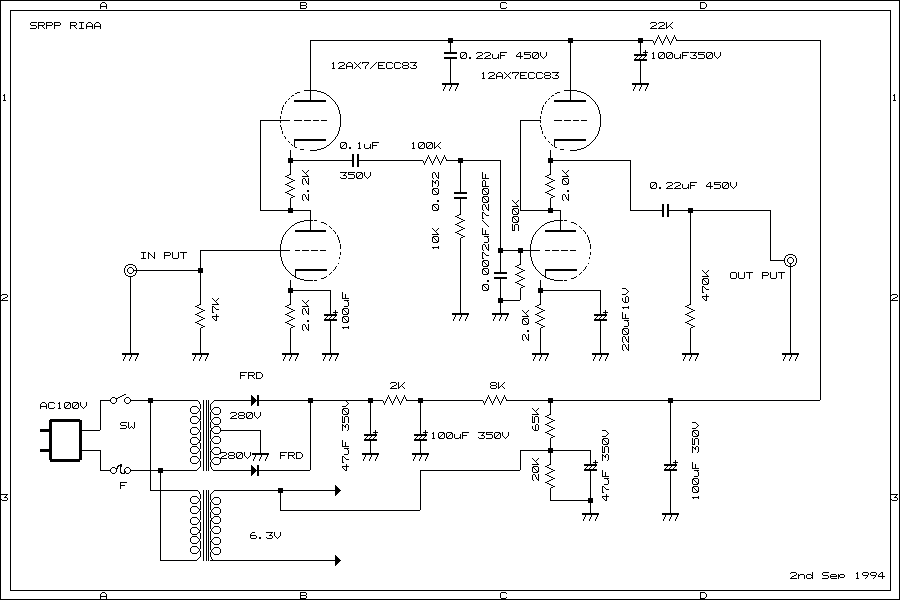
SRPP RIAA


This Pre Amplifier for RIAA was built up early 1994 and restration of
Pre-Amplifier on Sep 2009 starting.this pre was consist with 7 valves,tone control and
RIAA , Pre-amplifier.REC OUT.improve only a parts of RIAA.I like SRPP RIAA sound
with CR Network and 4 valves of SRPP.
T1 determind 6.8K and 0.047uF,56K and 0.0047uF.
T2 is determind with 6.8K, 0.047uF and T3 is calculated by realation T1 and T2.
T1 is 3.18mS ,T2 is 0.318mS and T3 is 0.075mS from RIAA Spec.please see RIAA Site
for more information of RIAA value.
RIAA OrgRIAA INformationplease see.
depend on how to caluculate , different value indicated by designer.
RIAA 3

I have very nice sound from these RC network values.almost american old Jazz tested good.
Tested : ECM /Keith Jarrett Stella by Starlight,Milestone Records/Red Alert Red Garland
Miles Davis"Round About MidNight"/CBS more are very natural.
Classic: Just tell you, just played Pablo Casals and Rudolf Serkin recorded on 1953
Beethoven Sonata for Cello & Piano.disc is very old one but remaster recorded on
1984 by CBS. I felt "they are playing a front of my eyes".very good sound and natural.
just few components are used but sound very good.old Jazz LP's played so nice.


It can be made with parts that are sold at local electric parts shops.
It is very simple. I think that it is good to express it as a sound like good and very bright CD.
It is a sound like a new style DAC. The only drawback is easy to pick up external noise. It is easy to pick up the ON / OFF noise of electric products in the household.

This RIAA with EL34 Single Ended Amplifier on 18th Feb 2019



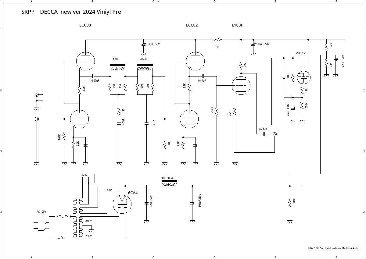
Version Up Model on 2024


Model Marlhori

version up model 10th Sep 2024




replaced CR Net work value on 23rd Feb 2019



V4

This is Version up model LCR RIAA 2nd Aug 2023



Deny access from Belarus and Vietnam

"Igory" sent me an order mail, but unfortunately he had a crooked way of thinking and I couldn't get any reply to the mail. To

I believe you asked me to steal data from Ideas and Views. Dirty way. Therefore, we deny access from specific IPs in Vietnam and specific Belarusian.
Of course, access from Russia is also denied. Please understand that.





New RIAA 2009


Play LP 2009


RIAA SRPP 2009

RIAA SRPP 1994 Sep

Only RIAA SRPP design on 2 Sep 1994



Vexmove

free Movie Site -----Vexmovies



LCR RIAA DIY using LCR any one can do with very few failures

new circuit SRPP RIAA

Aside from that, I think you can understand that RIAA using this coil has good sound and few failures. If you are interested, we recommend you make your own



new SRPP RIAA

RIAA

RIAA SRPP inside



pearl-hifi.com

Note: Reff Pearl Hifi dot com detail for CR RIAA adaptor please visit above site



Pre SRPP MC/MM Amplifier only schematic

Pre Amplifier

RIAA SRPP Pre Amplifier for MC/MM



RIAA SRPP 1994 Sep

Only RIAA SRPP design on 2 Sep 1994



RIAA

schematic diagram for RIAA using only LCR component



Link for RIAA something can help you


porco stereo

He is using all of Mizushima product .live in Germany and he is using only vinyl .sound show only vinyl




The Bona's HomePageRIAA how to?

Minor Audio dot.comRIAA how to calculate?Only Japanese

Back Ground UKhow to calculate SRPP etcfrom UK

SRPP 2C51 RIAA 2C51 SRPP RIAA + tone circuit this is Type of Anzai

Actually Mr Anzai tought to me when we had been in Panasonic Japan. about 30 years ago.1990 ~ so CR type SRPP is almost he tought me all of them


Marutu about RIAA only version Japanese traduce by Google
2004 my house

at home 2004 in Sakura Chiba Japanabout 2C51 RIAA


Pre front

front of Pre+RIAA KAZE RIAA



Back side

Back side

right now still using in ItaliyPre KAZE v1


Quad 22 RIAA



7th Avenue



If would like to know more ?


Since 3rd Sep 2009 in Sakura Chiba Japan last update 10th Mar 2026 Yachiyo Chiba Japan

Single Ended Amplifier D.I.Y

How to build up Amplifier Single Ended Amplifier 2003-2026