*  Hatt HO-808 300B Single Ended Amplifier

This counter started 30th Oct 2016

300B Single Ended Amplifier D.I.Y



日本語
Western Electric WE300B

WE300B is only Western Electric not from China

Western Electric Site




Bifu V3 by Mizushima

300B Single Ended Amplifier D.I.Y by H 808 Transformer just images



300B Single Ended Amplifier Bifu V3

Bifu V3 300B Single Ended Amplifier on 2017




V2

V2 Model Kayra 2A3

Clients (Owner)said, "he has a lot of ECC82 "so first stage is using ECC82 in parallel .Just same as Kayra 2A3 Single Ended Amplifier. Kayra 2A3 show
at link.Audio Transformer are clone of U808 ISO Tango.actually charactor is same like XE-20S of ISO Tango.pair of Audio Transformer is around USD $400
Dollars.the band Type of Transformer is USD $ 250 Dollars.next shown schematic of HO-808 300B Single Ended Amplifier.Owner said does not important input
voltages line of AC 100V .AC 100V Type of Transformer are more economic price than 220V/240V Transformer.
probably use PMC264M Noguchi Transformer Co.or 264HG,3520HG .HG type is Silver painted.HO-808 is one of product of Hatt Audio Lab Co Japan.

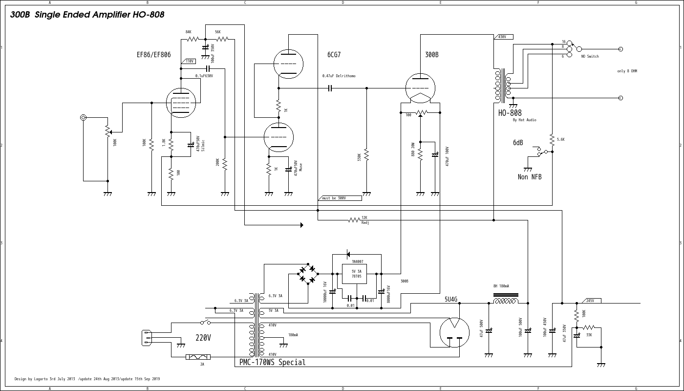
HO-808 300B Single Ended Amplifier


300B Single Ended Amplifier by Hatt Audio Lab HO-808

Very much Modern Sounding 300B Single Ended Amplifier on 20th Mar 2017




HO 808 300B Single Ended Amplifier on 20th Mar 2017

Schematic Diagram for HO-808 Hatt Audio Lab 300B Single Ended Amplifier



300B 2019

Low Cost model Bifuu V4 300B Single Ended Amplifier on 2019 Sep



Links from my Site

Hatt Audio

Takumi 300B Single Ended AmplifierHashimoto HC20-3.5U using

Kayra 2A3 Single Ended AmplifierKayra 2A3 is same circuit

7th Avenue

since 30th Oct 2016 last update 15th Sep 2019

Single Ended Amplifier D.I.Y edited by Linux Blue Fish

How to build up Amplifier Single Ended Amplifier 2016-2019