45 and 300B Single Ended Amplifier is Just like above
just planing 300B Single ended Transed drived Amplifier
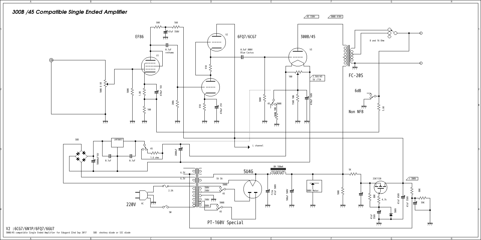
This Amplifier is ,some Audiophile from end of Europa thinking order in future.he said may I use both of 45 and 300B can be use by bunch of switch,
schematic is shown above, 2 of switch can use each other of valves. 45 and 300B. amplifier is using ,,suppose be use FC-20S ISO Transformer universal
audio transformer.just show in circuit diagram. 45 is 1.6 W and 300B is 8 W rms max.out put impedance are 8 and 16 ohms.
NFB is overall 6dB and Non NFB.45 is 5K ohm of plate impedance and 3.5 K ohms for 300B.replace by one of switch selector at secondary.
Still this is only one of idea of an Amplifier compatible 45 and 300B.
(since 20th Sep 2017 and update on 22nd Sep 2017 from Sakura Chiba Japan
Single Ended Amplifier D.I.Y
How to build up Amplifier Single Ended Amplifier 2010