300B Single Ended Amplifier with XE-20S(FC20S)
*   300B Single Ended Amplifier by XE-20S(FC-20S)
カウンター

Started 2nd Apr 2017


日本語

300B on 2017



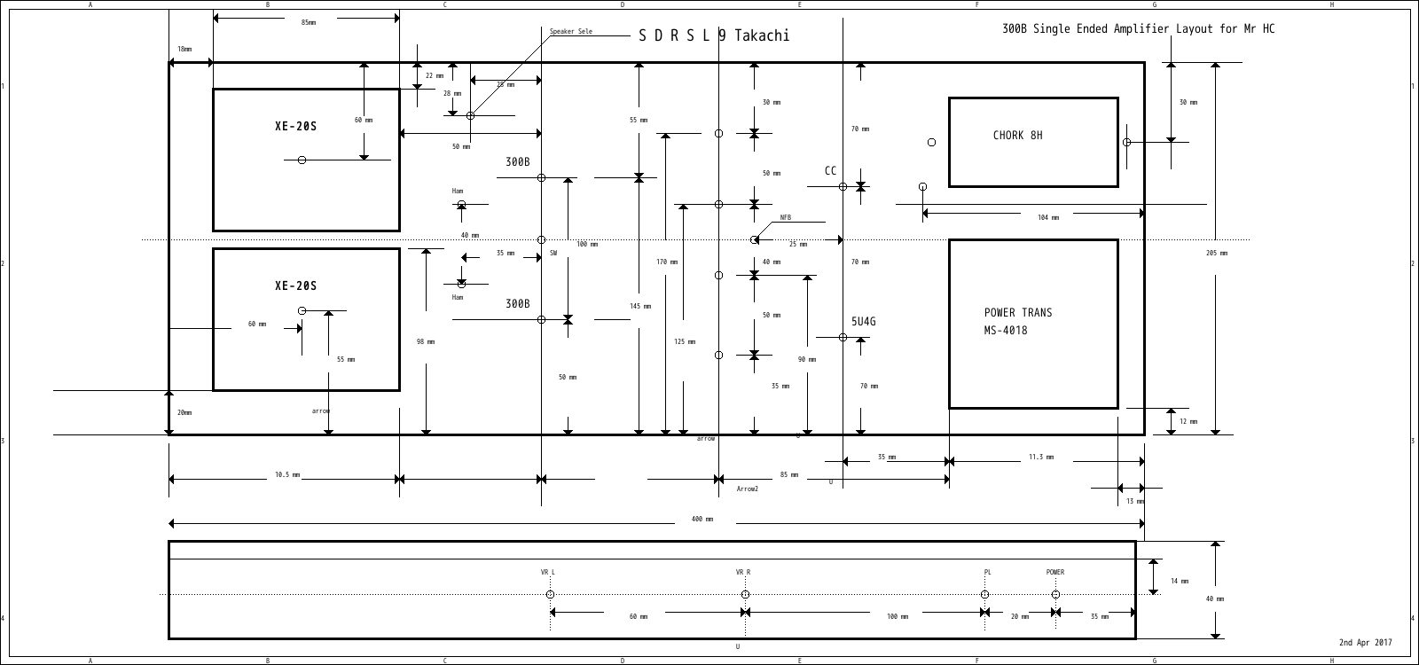
size of 300B Amplifier on 2017



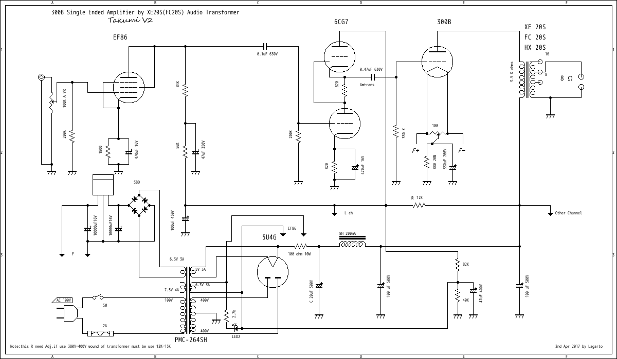
Takumi V2 2017



new Amp 2017 June-Sep

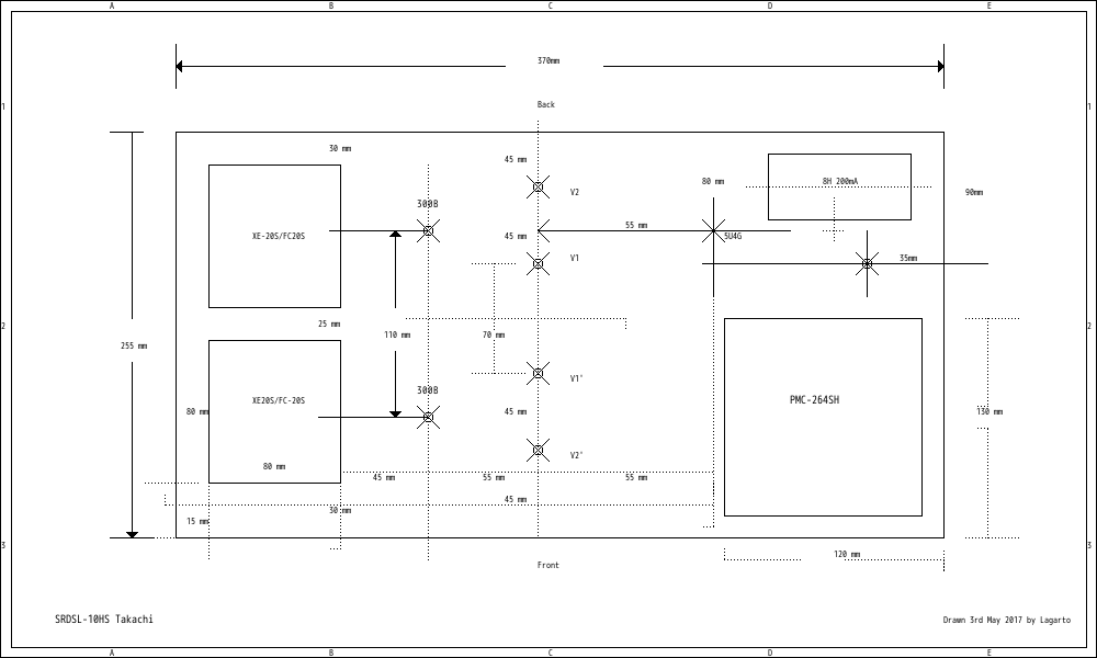
Takumi V2 This is chassis design drawn 3rd May 2017






XE-20S Wavac are almost USD $ 2000 dollars pair.ISO Transformer FC-20S are pair USD $ 600 dollars .so character are almost same
which do you like.3rd party is HO-808 and HX-20S.which one use depend on your mind.this time use PMC-264HC by Noguchi Transformer ver 100V.
Client said .need good Japanese 100V transformer because already he has 220V to 100V interchange transformer for 2 KW.very big transformer.
schmatic diagram show next.also said EF86 is very difficult to get good one his country.so replaced first stage of valve. ECC82 in parallel.
this valve can get anywhere in his country and many maker(MFG)are making. just same circuit of 2A3 Kayra SET.

Encore by 300B with Hirata Tango XE20-S

Schematic Diagram is here ,, EF86 is very difficult to get country side so choose ECC82 in parallel


By YouTube,,,up loaded on 25th Nov 2017 ,ES9023 I2S DIY DAC


If choose to use first capacitor is 10uF can be going up more 20V ~ B+ and this time modify from 20uF 500V to 10uF 630V.Japanese market does not have
any Japanese product like nichicon.so got Solen Made in France.show next.Name of film capacitor is "Solen 10uF 630V."

Solen Made in France


ISO FC-20S


ISO Transformers Japan
in English

I recommend to use ISO Transformer(they are ex Staff of ISO Tango )


new amp inside 2017

XE20S with 300B 100V version ,Client said does not matter with input voltage 100V AC

Japanese Use power transformer is 100V AC and good termination and low cost.if one's would like to use these kind of 100V Transformer add 220V --to--100V transformer
interchange transformer can be make by your local transformer shop.they make these kind of transformer low cost ,,may be....if use these kind of transformer your country
Voltages price is add USD $ 200,in general 300B power transformer made in japan is USD $400 dollars,only one of power transformer price.

Note: if would like to build same of this amplifier,must be use first stage amplifier valves is EF86 because much more high frequency response to get.
this is depend on your speaker response.triode connection of EF86 made very beautiful sound for first stage.actually sound is very similar but
this Encore is low and mid is very good.even HO-808 Transformer is good for 2A3 and 300B.and Coupling Capacitor is Golden Black of Amtrans Co Japan,
Sound is very Modern sound from 300B .enough to use Jazz and Classic.today, on 27th Jan 2018 replaced 5814A instead of ECC802, much clear and tight bass.
5814A by Sylvania.very musical sound getting from PSVANE 300B.as Encore 300B Single Ended Amplifier.

Amtrans Goldern Black

Amtrans Golden Black for coupling capacitor



300B Again by Tango XE20S(FC20S)

Encore 300B Single Ended Amplifier on 6th Nov 2017



WE300B and Encore

WE300B using by ENCORE 300B Single-Ended Amplifier on 24th Mar 2019 in Chile




Encore 300B Single Ended Amplifier Comment from Owner of Encore 300B



7th Avenue


since 2nd Apr 2017 last up date 4th Mar 2018

Single Ended Amplifier D.I.Y edited by BlueFish

How to build up Amplifier Single Ended Amplifier 2018