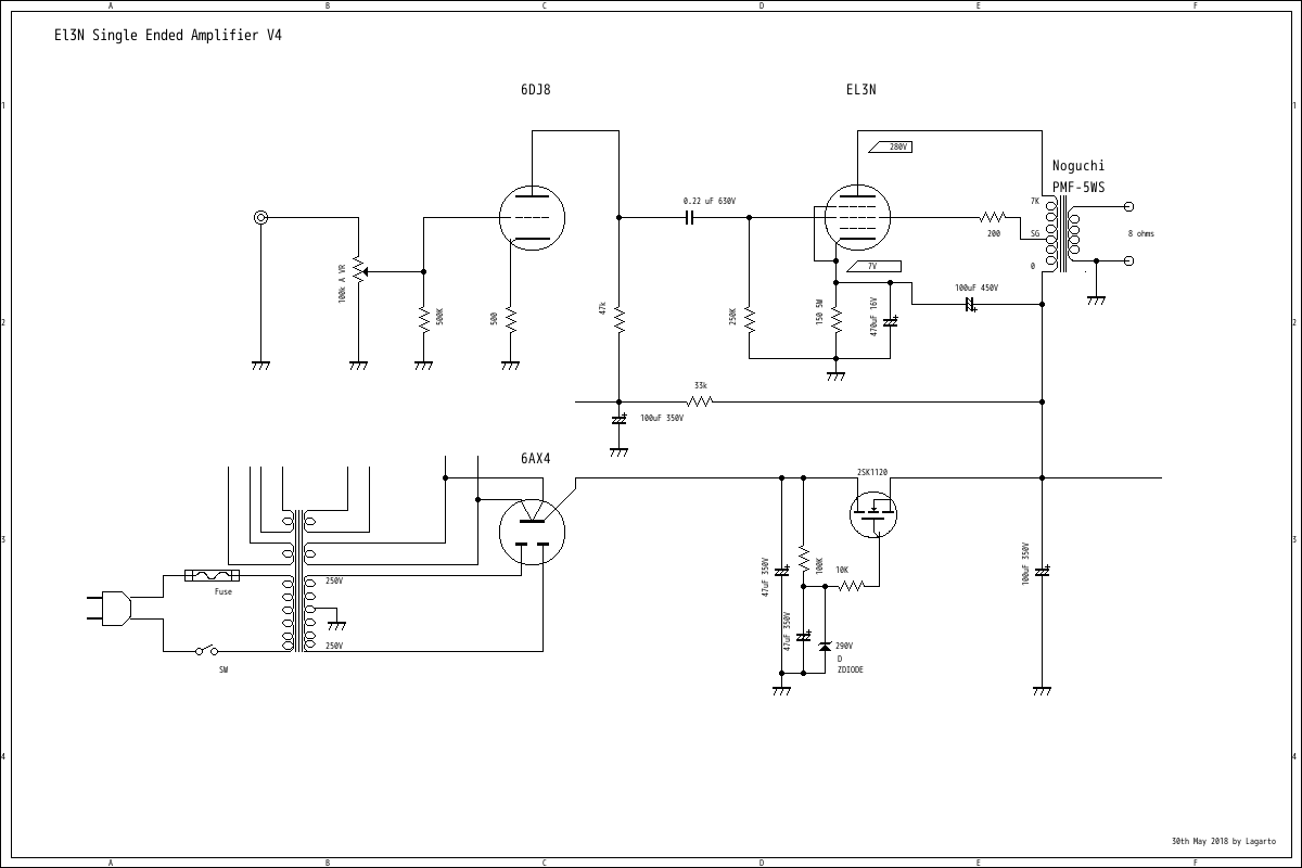
EL3N Single Ended Amplifier D.I.Y
--Wel come to Site----------This site shown D.I.Y Single Ended Amplifiers-----almost valve amplifiers----some of digital staff--- ----Ham Radio --------Hi Fi sound to suppose be high end audio---etc etc-----
from Yachiyo Chiba---Japan-------small city of Yachiyo located around 30Km west of down town of Tokyo ------very close to Narita International Air Port---
조선인을 쫓아내라
🏠Home
Your OS of PC is
If did you see X11 means family of UNIX and Navigator.
counter
My wife Marlhori passed way 27th May 2024
My beloved wife Marlhori passed away yesterday.
She could easily die from a small wound due to inflammation.
She put it away. It was so hard for her to do anything to help.
It's a sad fact. She was my partner for 42 years.
I sincerely pray for her soul.
Marlhori's Pages
please click picture above for visit her page
By EL3N single amplifier, I feel that the sound is good. The mid-low range is coming out. You can tell by turning up the volume.
Marlhori was inspecting my sound making. When she said it was good, it was shipped.
She also has many years of packaging experience, which was very helpful in packing. I learned the know-how.
My wife passed away and my EL3N went bad at the same time. Did it go to heaven? Did it disappear to heaven with Marlhori?
Out is Fine Met Transformer 2025
Audio Analyser Marlhori san for mizushima amplifier
Tomorrow never come
By EL3N Single Ended Amplifier
EL3n is Family of EL33 6P25,AL4 ,6AG6 EL11 and pentodo a part of PCL 86 and EL41 all of close same.and EL156 when use low voltage
just same as all of them. and EL12 is B+ 280V deliver 8W rms.
flag counter started on 27th Aug 2015
自作をお勧めます、トランスは安価です、NON NFBです、好きな音が出ていますねI recommend making your own. The transformers used are inexpensive and NON-NFB. They produce the sound you want.
🇩🇪
Japanese ver
🇯🇵日本語
です
As you know this amplifier el3N's amplifier's el3n was broken so using 6V6 instead of EL3n. and using EL11 too
EL11 and EL3N .it is not EL156 but sound is kind of EL156 .I think small EL156 , EL12 is just small size of EL156.
started 5th Jan 2024
PL33 Single Ended Amplifer Marlhori Audio 2024 Set 5th
This oil capacitor is tricky. Over time, current flows through it, and because it is in the grid circuit, it is biased with +, causing a lot of plate current. In severe cases, it can cause the power transformer to burn out or insulation to fail. Who gave me this capacitor? It's a bad capacitor.
The downside of the EL3N is that the heater breaks easily. If it breaks physically, it's probably because the terminals are poorly made.
Only the heater part breaks easily due to heat. This is due to the site contact.
This valve must be choose cathode resistor value is 150 ohms and load is 7 K Ω or 5 K Ω ,probably can be same amplifier of EL84. instead EL84 can be use El3n.
But not sure. I will try build up again as EL3N Single Ended Amplifier as soon as possible.so wait a moment
Fainally heater is cut out or burn up ∞ so I do not have any EL3n here in Japan so I will replace to EL11.
I am very poor man so I can not get new one EL3N's sound is great than any Amrtican valves .
a halrf is El3N and a half is EL11 in stereo Amplifier I think same as EL3n single smplifier to do.
EL3N single with this small output transformer instead of parafeed
If you listen to it with a normal triode driver, you will feel the low range being sucked in.
It is a very good vacuum tube with UL instead of a 3-pole connection. It's a modern sound. Is there one somewhere? ? ? I think.
I think this is a pentode that makes a very good sound. If you can find one in Europe, I think it's worth finding one and building another single amplifier.
This is a vacuum tube that I really liked.PTT205 is However, the sound is rough.
Let's say a little more: The vacuum tube with this characteristic is the EL156. The grid bias is only -6 V. Grid bias of only 6V is EL156 EL3N EL11 PCL86 EL33 6AG8 6P25 PEN45 and PCL86
And vacuum tubes with low grid bias that can be used with this amplifier include EL33,6AG6 PEN45, PEN45DD AL4, etc. AL4 and PEN45 are 4V series. In particular, PEN45 requires 4V 2A.
These vacuum tubes produce good sound when used in UL as a pentode. Good sound comes out from the middle of the volume with good linearity. It produces very good sound. If you have 3 connections with good low range, it will be 425Ω.
For pentode, it will be 150Ω to 160Ω.
And:
You'll understand when you hear the sound of this amplifier.
The quality of the sound is very good. It produces good sound even with a small transformer. Similar vacuum tubes include AL4 and EL12.
EL12 has a maximum of 8W with a 5% distortion rate, so I think the actual output is about 5W.
If you use a large core transformer, you can expect a single amplifier with more emphasis on the low end.
This vacuum tube is a Philips vacuum tube manufactured after World War II. I think it's made in the Netherlands, of course. This vacuum tube was made very well.
I think it's a special vacuum tube. Grid bias is very low.
I guess the linearity is good. The sound is amazing, I don't think it's an exaggeration to call it a mini EL156.
It is one of the single European pentodes in the world. This is an excellent vacuum tube.
//this part use google translate.//
Now, Europe has 6M6G. This is perfectly EL33. I think there are many beautiful vacuum tubes and there are many 6M6Gs on the market. Rather than using these vacuum tubes as triodes,
I think it would be better to use it as a pentode with UL. I think you can make a small and good amplifier using Finemet, Almofa Core, Super Core, etc. These vacuum tubes
Obviously a European pentode. It is a vacuum tube with good linearity and a low bias voltage that produces a powerful sound in the low range. If I had the funds, I think it would be an EL156 compatible amplifier.
In this case, I think vacuum tube manufacturers will try their hand at it. You can create an amplifier that is gentle on your ears when listening to it. And it's great that the pre is only 1 stage. Even a poor design can produce good sound.
It's perfect for beginners, but I think I can promise that even beginners can create a highly complete amplifier.
By the way, while looking for these vacuum tubes, I came across a vacuum tube called a TV tube. This is a horizontal output tube. Among them is 25E5. I remember that during the Ham era, transmitters were made from these vacuum tubes.
2E24 is a direct heating tube. I used it as a power amplifier for mobile radio equipment. Apparently, if you run a lot of current through these vacuum tubes at low voltage and low bias, you can create an amplifier similar to the EL3N.
Looking at EL12, the characteristics are 25E5 (PL36). It seems that you can make a dangerous but good audio amplifier with the top plate. It seems that the characteristics are that the sound of EL3N comes out. It's worth paying attention to.
This one is PL-33 heater voltages is 19 V 0.3A same charactor of EL3N but US Octal
EL3N and AL4 Single Ended Amplifier on 2025 I rewrote it because it sounds better, next time I'll use a Finemet transformer
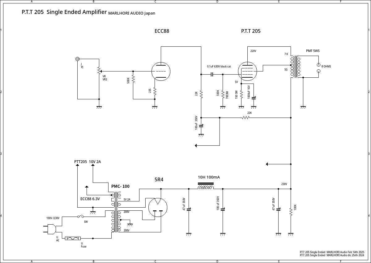
P.T.T 203 and P.T.T 205
Combination EL11 and PTT 203 Single Ended Amplifier on 2nd Jan 2025
mail from 8th Oct and he was sending mail to me fanatic EL33 but he is using PTT 203. explane about PTT 203 is good valve ever in francia.
then sent to me various valves to me as gift. may be he loves me .Sales net
Sorry, your browser doesn't support embedded videos.
Past one month ago I got mail from Sales net
Mr François he said as gift to me but I said no
because I am very poorman so he said only pay shipping cost andd all of valves send to me. I said OK
today I got valves from him .I never know this kind of valves P.T.T 203 same as 205 similar valve PL33 or EL33.on Nov 2024.
this valve's heater is 18V 0.4 A need 18V heater transformar . all of caharactor are may be same as EL33. thank you Mr François
Marlhori was imigrante from Francia to Argentina. Peut-être que ça a quelque chose à voir avec ça.
PTT 205, which Francis says is a 10V tube. That is, it is a 10V 0.7A tube. 203 is 18V 0.4A. It is a beautiful vacuum tube.
9mm grid cap
grid cap 9mm
Sorry, your browser doesn't support embedded videos.
I'm using the Linux version of AVidemux to convert videos from my smartphone to MEME mp4
This is Mr. Francis' amplifier, and it is his favorite. He says that the low range is the difference.
I received an email from Sales net
a month ago. Mr. François said it was a gift for me, but I refused.
I'm very poor, so he said he would send all the valves to me if I only paid the shipping. I said OK.
I received the valves from him today. I didn't know that this kind of valve P.T.T 203 is the same as 205, and the same as the PL33 or EL33 valves. November 2024.
The heater of this valve is 18V 0.4A, and it needs an 18V heater transformer. All the characteristics may be the same as EL33. Thank you, Francois.
The Marlhori family immigrated to Argentina from France. Such a relationship is tied by a red thread. It may have been a gift of vacuum tubes from France. I chose to see it with him, probably.
Each data and images provided by Mr. Francis. It is said to be a famous vacuum tube in France. 2024/12/20
1 month ago I got an email from Sales net
. Mr. François said it was a gift for me, but I refused.
I am very poor, so he said he would send me all the bulbs if I only paid the shipping. I said OK
Today I received the bulbs from him. This kind of bulb P.T.T 203 is the same as 205, I didn't know that it is the same as PL33 or EL33 bulbs. November 2024.
The heater of this bulb is 18V 0.4A, and it needs a 18V heater transformer. All the characteristics may be the same as EL33. Thank you, Francois.
The Marlhori family immigrated to Argentina from France. Perhaps he felt that I chose him and sent it to me.
PTT203 Spec1
PTT203 Spec 2
Charactor PTT 205 203
PTT 205 and 203 Simbol Top Grid
PTT 203 Single Ended Amplifier just like PL33 valves .Just like same but this is top grid
Gifted by Francis are a pair of 205 vacuum tubes, three 203s, and a driver tube.
They are just like Roktal tubes, but the specifications are similar to EF86.
Power Transformer
Power Transformer for PTT 203 and 205
P.T.T 205 Single Ended Amplifier 2024 by Marlhori Audio
PTT 205 Single Ended Amplifier on 18th 2025 change circuit a little bit
R222
Gina Saputo by PTT203 and PTT205 French Valves
This is basically the same vacuum tube as this one, a Roctal tube for intermediate frequencies. I think the symbol matches. It's the same vacuum tube as the R222. It's a similar tube to the EF86, and the C3G is also the same.
I think it's a tube closer to the 7A7. I think the pin arrangement is also the same. The C3G has two cathodes.
El11 EL3n Combination Single Amplifier
In the end, the coupling capacitor leaks and overcurrent occurs over time.
EL11 and EL3N are sibling vacuum tubes. They have almost the same specs,
EL11 is Telefunken. It is well known that Hitler was very interested in music. If you try using EL11, you will understand
It produces a sound like a directly heated triode vacuum tube.
It has a fast start-up and seems like a directly heated tube, but it is an indirectly heated tube, and it is very fast from when you turn on the power until the sound comes out.
It is clearly a different type of vacuum tube.
el11 and el3n combination single ended amplifier only replaced coupling capacitor update 6th July 2024
EL3N Single Ended Amplifier USD $ 1500 valve include but AL4 instead of EL3N. or EL33 Audio Transformer is PMF-5WS-TB small transformer but good sound.
Good for Jazz and Classic. deliver 3.5W max, 2 potentiometer( LR volume control )and 2 Line input unbalanced. out out is only 8 Ω
EL3N Single Ended Amplifier USD $ 1500
this counter start 4th April 2024
YOU CAN BUY EL3n NOS Valve from them
EL3N Single Ended Amplifier and LCR RIAA for Vinyl on 10th April 2024
6M6G same family of EL3N
6M6 SPEC
AL4 just same as EL3N but heater is 4V EL33 US base same as EL3N
PMF-5WS sound quite good.than Kasuga small transformar
Play BOBO Stenson by EL3N +EL11 Single Ended Amplifier on 16th Mar 2024
General Trans sales PMF 5WS Piar USD $ 55
Case Type USD $100 pair
PMF-5WS-TB pair
Can be sale as EL3N/AL4 Single Ended Ampifier valve no include can be use EL3N and AL4 by switchable. price USD $1800 dollars
or EL33 Single Ended Amplifier EL33 is octal US base
PCL86 using instead of EL3N ,slightly sound is weak than EL3N but enogh to use substitute valve.
If would like to know more info ?
PMF 5WS-TB small transformar using USD $ 1600 dollars
PMF 15WS transformer using USD $ 1800 dollars
ISO Tokyo FC12S transformer using USD $ 2000 dolars
Instead 4P1L using EL3N Single Ended Amplifier Present 2 Type of them.
EL3N is only side contact socket(Base)so any other valve can not use only can be use EL3N. if choose EL33 can be use other type of Valves even does not
have similar valves. Audio transformar is PMF-15WS 20W capability. use for 300B.
Amplifier has 2 input in stereo 2 Volume control or one.230V or 120V AC when you order your Voltage.
EL3N Single Ended Amplifier Type ISO FC12S is USD $ 2000.
EL3N Single Ended Amplifier Type PMF 15WS is USD $ 1800.
EL3N Single Ended AMolifier Type PMF 5WS-TB is USD $1600
this trans has 22H of inductance ,, good for buss .
ISO FC 12S
UL connection EL3N Single Ended Amplifier can be use PEN45 ,AL4 , EL33 , 6P25 and 6AG6
This type of transformer does not have sg tap B+ connect plate and 7K connect B+ 5K go to G2 can be use as UL
Still you can buy internet this good NOS Valves from Philips
6AG6 US base same as EL3N
There are EL3N old europian Pentodo valuves
Make Click to Jump 4P1L single amplifier site
EL3N Pilips Single Ended Amplifier on 21st May 2011
This is Para Feed Single Ended Amplifier just finish as Test Amplifier on 26th Jan 2024
MJQ JAZZ
Standard by Kieth Jarrett
AL4 EL11 EL3n differ only in the base and all have the same characteristics.
Since the bases are different, they are not compatible with each other, and the characteristics of the pentode of PCL86 are very similar.
EL12 is a higher-grade characteristic. The power may reach 8w with a single. All El3N systems have an anode loss of 9W and a maximum output of about 4W.
It is said that 7K is appropriate for the anode resistance.
All European pentode vacuum tubes have a low bias and can be driven sufficiently with a single triode at about 5V to 6V.
Vacuum tubes in the United States are characterized by a high grid bias because the transmission tube serves as the standard.
Therefore, it is difficult to drive and a 2-3 stage drive amplifier is required. EL156 is also a vacuum tube with a very low control grid voltage.
EL156 is used in vinyl cutter amplifiers in Japan
It is said that it was actually used as an electric scalpel driver amplifier and a cutter driver for Toppan Printing stamps,
but I think that the electric scalpel driver is the correct application.
About EL3n is
Some
one said!!!!.EL3N old europian valuves are, will be get
4.5W rms pentode single ended, but Triode connection curve is very similar with RCA 45
curve is just same as RCA 45 but sound is very beautiful will be get.this tube is
indirect heating and MFg on 1939 very old tube.he said sounding is sound of direct-heating
tube sound........What do you think? many europian tubes amplifier made up just like
same charactor of PX25,PX4 soundding to get.this time try to build up EL3N triode connection
heater is 6.3V and 0.9A needed and same as Pen45 , many person said this is family of Ameican 6V6.
but these europian pentode's cathode is very fat than 6V6 family.
will be get good bass depend on what kind of audio transformaer using.
This time using Audio Transformer from General Transformer Sales Kiwame PMF-7WS.
and primary impedance is 7K ohms.
EL 3N Single Ended Amplifier para feed 29er Dec 2023
mizushima Youtube channel
EL3N Single Ended Amplifier para feed on 2023
This vacuum tube is the basis for products such as the EL34. It's Pentode. The European Pentode is a vacuum tube with a very low grid bias, similar to the EL156.
This vacuum tube has a reputation for its good linearity. The power is 4.5W, but in reality, if he makes it 5%, I think it will be a vacuum tube of about 3.5W. I think the specifications will be around 2.5W.
Since the grid bias is 5V to 6V, I think the drive tube should be ECC88. Based on the standard circuit diagram, I think ECC88 is good for the drive.
This time, the circuit is coincidentally similar to the PCL86 circuit created by Mr. Nagashima, but this was not done intentionally. I'll try using parafeed. The output transformer is from Kasuga Musen.
I used a small output transformer. It is KA5730. Although the price is low at around 10,000 yen for a pair, it is an audio transformer with a good reputation. Have a high class transformer here
I can imagine that even if you use it, the sound will be disappointing.
The hole problem is a problem with European vacuum tubes.The vacuum tube socket is not circular but has an eccentric shape. This is the big problem.
Put a lot of small holes and then cut out the rest. Cut with old nippers. Then polish it with a file. This is not going to be easy. 2mm aluminum requires quite a lot of hard work.
The transformer hole is rectangular, so it can be cut out with a saw, and then shaped with a file. This is hard work. In the case of European side contact pipes, the amount of work is considerable.
I think that's why there are so few production articles. In my case, I occasionally receive orders, but most of the time I refuse them.
EL3N pdf
EL3n Single Ended Amplifier on 2024 Para Feed and UL
EL11 mono block Single Ended Amplifier on 2011
Spec is close to EL3N .I found inside of closet .he said when restart build up continue ?? so right now going on.
inside of EL11 mono block amplifier on 2010
on 2023 4th April new 4P1l Single Ended Amplifier
re-build up EL3N Single Ended Amplifier UL on 2019 APR
Japanese Radio Network on Line
Note very impotant:
EL3N Single Ended Amplifier on 2011
EL84 UL Single Ended Amplifier on 18th july 2023
EL84 is European valve ,sound is great and grid bias is close to EL3n
If would like to get @single-ended.com Mail
single-ended.com account email for sale.
USD $20 for one year.
For example, if your name is Mr Mark-johonson
mark-johonson@single-ended.com.
Please transfer to my account via PayPal.
Please email me before that. Paypal
Kenji Mizushima lagarto@single-ended.com
It becomes. Problems may occur depending on the state of the Japanese server.
If you have a stable line, it will be a fully usable email account.
Become. I am using an NTT Communications server.but without support you have to lean how to use pop3 mail by your self.
Thank you
Mail of single-ended.com .one year for USD $ 20
Some
one said!!!!.EL3N old europian valuves are ,will be get
4.5W rms pentode single ended, but Triode connection curve is very similar with RCA 45
curve is just same as RCA 45 but sound is very beautiful will be get.this tube is
indirect heating and MFg on 1939 very old tube.he said sounding is sound of direct-heating
tube sound........What do you think? many europian tubes amplifier made up just like
same charactor of PX25,soundding to get.this time try to build up EL3N triode connection
heater is 6.3V and 0.9A needed and same as Pen45 , many person said this is family of Ameican 6V6.
but these europian pentodo's cathode is very fat than 6V6 family.
many DIYer said same family of 6V6 and EL84 of only chatactor.
real is triode connection(wired triode)Ep-Ip charactor is just same kind of
RCA45 and 50.used be use E406N, sound like same as them.small old europian tubes are
many different with new american valves's charactor.triode connection's EP-IP is
very similar of direct heating triode.
Ep-Ip of EL3N
And small signal range
of PX25 and EL3N wired triode charactor
are just similar of each other.many person said PX25 is not triodo.is tetrodo.
but these kind of charactor has only AL4,EL3N,EL11( same family)and PEN45,EL33 until power
dissipation of 9W. old small europian pentodo are very good.
so will be get good sounding depend on what kind of audio transformaer using.
This time using Audio Transformer from Noguchi Transformer Kiwame PMF-7WS.
and primary impedance is 7K ohms. probably to get sound next weekend.
so Spec of Philips said Triode connection will be get around 1.1 W rms.
if do you have over 91dB/m/w efficiency speaker enough to use at home.
this tubes got from one of friend in chile. many
years ago. Mr's name is Don Francisco Mella in Chile.
As you know
Europian old power valuves makes Classic sound good.
and American old power tubes made sound for Jazz good. this word knows evrybody(audiophiles).
How about Sound ?
soundding is very clear just like to lesten
Triode Direct heating Europian Single Ended Amplifier.sound is good for classic when use
E88CC and if would like to lesten Jazz Music please use 6N1P is good.
this time using small 7K ohm Audio Transformer so does not get all of charactor of EL3N.
if good big transformer like Hashimoto Transformer will be best for getting good bass.
Sound is very nice,Just like charactor is very similar of E406 Triode single ended amplifier.
E406 is one of famouse direct heating europian Triode as you know.sound charactor is very
similar.sound is good for both Jazz(6N1P) and classic(E88CC) when using each driver.
If would like to build up
: Coupling capacitor is use Black Cat.
Black cat capacitor is very clear from low frequency to high range.Mfg is Cornell Dubilier USA.
very nice capacitor but not expensive.expensive one is
Tone Factory Cupper film capacitor.Name is T-CAP[Cu],and many Japanese Audiophile are using as
coupling capacitor.very expensive.but very good one for Audiophiles.
Technic of "Distortion cancellation"
Any single ended amplifier
has driver and driver must be
use some technic of "Distortion of cancellation". if you are using 2 stages single ended
amplifier.driver must be distorted sound.if 2 stages of single ended amplifier does not get
good sound enough, probably driver amplifier has "no distortin" signal.single ended driver
means a half cycle of wave must be distortion singnal.but many good amplification circuit does
does not get distortion.if put out without distortion signal output stage of control grid
generally does not get good sound from your speaker.in generally final of single ended amplifier has
getting distortion signal within a half cycle of full wave.
so what need to do ? I have to make distortion at half cycle of full wave.
this case is , 47K ohm of 6N1P made up distortion signal of a half cycle of sound.
depend on what kind of driver using,different place of componets make half cycle of full wave.
as you know SRPP is very nice driver amplifier but not so good for driver for single ended
amplfier.becasue very diffcult to make distortion signal by srpp amplifier.probably
can make distortion signal by cathode resistance of downer amplifier of srpp.
this EL3N single ended amplifier case is 47K ohms resistance made ditortion signal
depend on value of plate resistance of 6N1P.if does not like sound must be change
value of resistance. some this circuit can be use for any kind of low bias power
driver tubes.for ex europian power pentode and some of American tubes like 6V6,6F6 etc.
if one's using 6N1P or ECC88(6DJ8) for driver, RL is must be adjust for good soundding or
watch distortion meter then adjuste RL value.
we call it's "HIZUMI NO UCHIKESHI" 歪みの打ち消し,and "Distortion cancellation"in english.
circuit is very simple so can be use any power tubes driver.
this EN3N is, made on 1940 by philips.but getting very modern sound from my speaker system.
But depend on quality of Audio Transformer.for me,EL3N Single Ended Amplifier is Best in
this moments.good bass and very clear mid and high frequency ranges.
passing one amplifier means wave form of signal is changed "up-side down" to
out put signal when if using p-K(cathode grounded) amplifier.amplifier make 180(2x3.14)
degree wave signal.single ended amplifier is very impotant caluculate or choose value
of plate resistance of driver for minor distortion.any single ended amplfier to do
this kind of aligment(adjustment).
Note: character are almost same of EL11 and EL3N .some site said almost same Red Line.(painted red surface of valves)
260 V + B and 39 mA ,cathode resistance is 150 when using penthode modo.load is 3.5 K ohm.many case using 3.5 K ohm.
from 3 K.
You can feel that it is about 3.5 W sensuously. Please provide an amplifier with low distortion. It does not sound like a vacuum tube made in the 1940s. I'm surprised!
I do not know if the characteristics of this transformer are good or the characteristics of the vacuum tube are good, but I think it will make a very pleasant sound. Even from the viewpoint of the EP-IP characteristics, I think that the linearity is very good and similar to 45.
I think the sound is very good. Especially JAZZ is very good. Especially the sound of the strings, the sound of the piano, and the sound of the mid-high range are vacuum tubes that do not seem like a five-pole tube. The sound gets better with a bigger transformer
I feel like it. This small transformer inductance is relatively high and gives a very good sound.
10% KF sound
The audio output display shows a distortion rate of 10% and a maximum of 4.5W. This is a standard that says that the maximum value of audio equipment is 10% distortion rate. In general, there is no distortion factor, but
What kind of sound is this 10% sound? This is the worst value and is by no means a good sound. A sound with a distortion rate of 10% indicates a sound that cannot be said to be comfortable to the human ear.
In terms of sine waves, the sound in this area has a waveform like a square wave with a collapsed peak value, and it is a general indication that it is not a sound but a sound close to noise. Why is the distorted sound in such an area the maximum value?
I don't understand if there is a standard value that says. is a common sound. Our value is about 5% as the maximum value, but the sound is still distorted in general measurements.
The maximum value is generally between 2% and 1%. The explanation in the audio world is that human hearing is difficult to understand up to 5%. It follows that 10% distortion is not common.
Cathode Resistance
What I recently noticed is that the standards for EL3N and EL11 are very similar to EL84. I think 150 Ω is correct for the cathode resistance. Classic vacuum tubes are 6 to 7V for pentode. Even if it is low, it is 5V.
The pentode is very similar to the pentode part of PCL86. The pentodes of EL3N and PCL86 are very similar. I think the cathode resistance of these vacuum tubes is around 150 to 135Ω.
EL3N and PCL 86 part of Pentodo are almost same
EL3N is very similar in characteristics to the pentodo of PCL86.
European pentodes have very low grid bias
is. The USA vacuum tubes have a deep grid bias and are difficult to drive, but the old European pentodo have a shallow bias.
It is possible to drive with one stage of triode vacuum tube. It also appears in the sound.
Although low frequencies are produced, it is characterized by high plate impedance.
The EL34 is a power tube, but it has a high bias and cannot be driven easily. This is exactly the characteristic of the USA tube. Low plate resistance.
European tubes, on the other hand, are characterized by high plate resistance and very low bias.
C'est une histoire que j'ai entendue de mes aînés il y a longtemps. On dit que les tubes à vide USA ont été développés pour le JAZZ.
On disait que le son manquait de finesse.
Le 300B n'est pas à l'origine un tube audio, car on l'appelle une cloche,
ce sont les tubes utilisés pour amplifier les lignes téléphoniques et les tubes des amplificateurs de théâtre.
Et de nombreux tubes européens sont, comme le dit Hitler, des tubes développés pour lui permettre d'écouter de la musique, c'est-à-dire de la musique classique.
, m'ont dit mes aînés. Je pense que c'est exactement le cas.
Les tubes à vide européens sont probablement des tubes à vide développés pour écouter de la musique classique.
Cornell Dubilier Black Cat
High End Capacitor by To-ich denk (East-One Electronics)
well,,,This wired triode single ended amplifier sound is very nice even listen American old Jazz
and europian classic too.
Front View EL3N Single Ended Amplifier
Circuit Daigram is above for EL3N(triode)Single Ended Amplifier
please see spec for EL3N
EL3N
Spec
my line up above,EL3N Philips Single Ended Amplifier is Main USD $ 2000
V2 schematic diagram for EL3N SE
small up date of amplifier,good bass and good separation than before
Bypass
capacitor conected to cathode of EL3N.result is getting good bass and
good separation than before.sound is very clear snd seems look like triode tube.
sound is just like europian old triode single ended amplifier.this amplifier sound
is very modern amplifier sound.
PX25 DO-30 are Tetrode wired triode inside of valve and these kind of valves
sound very good for Classic and Jazz.EL3N is only 1 W rms under wired triode condition.
but sounding is just like sound of triode valve.
on 4th May 2018.I bought pair of Noguchi Transformer PMF-5WS very cheap transformer.but some one mentioned ,this transformer made
good sound with high impedance inductance.I will go to build up again EL3N Single Ended Amplifier.if I have time.as soon as possible.
PMF 5WS SG has terminal for UL
Grid bias
is -8V from to -10 V what 's meanning,this circuit can drive EL156 single ended
amplifier too.
I have
only one of EL11 Valvo, if I have a spair time I will brew one of mono single ended
amplifier by high end single ended Tango Transformer as soon as possible.please wait for while.
Just Started brew EL11 mono Single Ended Amplifier
Telefunke EL11 pentodo
This time I will brew Single Triode connection mono Amplifier and using JS-6015H James single ended
Transformer.primary impedance is 7Kohm, very big single ended amplifier use transformer.
very heavy and Max power is 30W.it's will be get around 1.1W rms wired triode connection.
circuit is same as EL3N Single Ended Amplifier.
EL11 Single Ended Mono Amplifier-just started build up on 18th July 2011
Make Click to Jump 4P1L single amplifier site
Each time using Kiwame Carbon Resistance for Power Supply, very stable components from
KOA Japan
If would like to buy Kiwame ,can get from Acoustic Dimension and please see next link.
This link for Kiwame Resistance
can buy in your country.
Still going on ,,EL3N Single Ended Amplifier on 3rd July 2016
And PEN45 Single Ended Amplifier
A PEN 45 single amplifier that I made 25 years ago was found from a warehouse in a South American friend
RCA 45 Although it was a single amplifier, it was an amp that was remodeled to PEN 45. All transformers use TANGO.
Driver is 6SH7(Mesh) Hitachi and Power is Mazda PEN45.
Only 3 W rms Base is Edison Octal base not same as US Octal Base.
And another side of Amplifier of mine small push pull Amplifier and Triode Amplifiers.
Driver is 6SH7(Mesh) Hitachi and Power is Mazda PEN45
Mazda PEN45 Single-Ended Amplifier ,,if would like to build up ,careful to use Tube Socket
Introduce in Poland
First Step of rebuild up EL3N on 24th May 2018
re build up EL3N Single Ended Amplifier on May 2018
This time will be use PMF 5WS small Noguchi Transformer has UL tap.USD around $ 60 dollars.PMF-5WS has very good frequency response and high inductance.
will be good single ended amplifier of around 3.5 W with UL .
EL3N Single Ended Amplifier on 2018
(RE-NEW) Challenge again, EL3N single amp restor on April 2019
I have reassembled the EL3N single amp that had been dismantled. The circuit diagram is the same as the circuit drawn earlier. This EL3N has a very large heater current and is the same as 6L6 of modern vacuum tubes.
Although there is no indication of the maximum plate loss, it seems to be about 10 W. This time I used as a UL connection. Originally this SG did not have an SG tap, but I used a 5K tap.
For this reason, I use this method several times, but use the plate wire and the B + wire in reverse connection. I think it will be around 30%. The schematic is shown below.
The sound is very good and is the sound quality found in European tubes. It is the same tendency as EL156 that the bias is very shallow. It is a sound coming from a 1940 vacuum tube, but I think it is an incredible sound.
this old pentodo vacuum tube as NOS that is on the market. The low range is substantial because the heater current is large. The sound of the middle high range is also beautiful.
Is it a place where 3.5 W says output? The sound of a direct heating triode is coming out.
I think it is a very good vacuum tube. You just need a good 7K ohm output transformer. The model number of the output transformer is a transformer named PMF-7WS, a General Transformer Sales company.
Sound evaluation: 6AQ8 / 6DT8 was made into the first rank. Making the cathode resistance of 6AQ8 a good value of 1K ohm or more produced good results. This time I made 980 ohms because of the resistance I have.
6AQ8 has a U (mew) of 60. It is a high frequency tube. I have always liked this tube for a long time. The load resistance was chosen to be 84K ohms. It became a sound that brought out the goodness of the clear sound, EL3N.
Classic In particular, stringed instruments and pianos can be heard lively. It is a very bright sound, but the low range has come out well, and I think that how the strings sound is very good.
I'm sure it's a great single amp. A 7K ohm output transformer requires a good output transformer. It sounds great for classics because it is a European tube
You can feel
. I also listened to Jazz, and the middle and high range of the tightness of the low range became a great sound.
I would like to recommend collecting parts and making one. It is a magical vacuum tube.
You can feel that it is about 3.5 W sensuously. Please provide an amplifier with low distortion. It does not sound like a vacuum tube made in the 1940s. I'm surprised!
this is pentodo but sound like direct heating Triode Single Ended Amplifier sound.
I do not know if the characteristics of this transformer are good or the characteristics of the vacuum tube are good, but I think it will make a very pleasant sound.
Even from the viewpoint of the EP-IP characteristics, I think that the linearity is very good and similar to 45.
I think the sound is very good. Especially JAZZ is very good. Especially the sound of the strings, the sound of the piano,
and the sound of the mid-high range are vacuum tubes that do not seem like a pentodo. The sound gets better with a bigger transformer
I feel like it. This small transformer inductance is relatively high and gives a very good sound.
Let's recreate it again. It is not bad sound as you uploaded to Youtube. Don't you think that listening to classical sounds and jazz vocals sounds very good?
The sound just like the direct heat tube triode is. It is easy to drive because the bias is shallow. It is a feature of the European Audio Valves as NOS.
It seems that this vacuum tube is quite present. The price is still quite cheap
I think that many people are making to see the access on this page.
It can be assumed that a good amplifier can be made by examining the driver and examining the output transformer.
It is necessary to choose a triode for the driver, as European tubes are relatively easy to drive due to their low bias.
Although there is gain when using a pentodo, there is a drawback that good frequency characteristics can not be obtained.
It is necessary to choose a triode for the driver, as European tubes are relatively easy to drive due to their low bias.
Although there is gain when using a 5-pole tube, there is a drawback that good frequency characteristics can not be obtained.
For this purpose, we recommend a triode drive. In this case, use a triode especially because the grid bias of the output tube is shallow.
It is a mirror effect to avoid high frequency attenuation.
Go to the vinil of world DIY RIAA
Re build up EL3N Single Ended Amplifier Schematic diagram on 2019
EL3N Single Ended Amplifier on 2011
Play by NanoPi-Neo2 SPDIF out and using DIY DAC EL3N Single Ended Amplifier on APR 2019
EL 156 China valve sound is very much great
KT120 Single Ended Amplifier by EL156 Single Ended Amplifier
Play Violin Haydon Quartetto Italiano
NOS EL12 NOS can deliver 8 W rms same as EL11 bias
What do you think this sound ??? do you like ? Russian valve 4P1L Single-Ended Amplifier just over 2W rms
RIAA Pre Amplifier by Mizushima Amplifier in Germany
This RIAA first stage is modificated by Mr Victor Serrano in Germany
replaced 6Q7 in germany
My Customer in Germany using 2A3/45 Mizushima Single Ended Amplifier
This Video clip is a courtesy video by Mr Victor Serrano, who lives in Germany.
Links
PCL86 Push Pull Amplifier
EL84 Single Ended -
6BQ5 Single Ended Amplifier
EL11 Single Ended
EL32 Single-Ended Amplifier D.I.Y
PSVANE 300B Single Ended Amplifier D.I.Y on 2016
Just link for Single Ender from Europa
infomation EL3N
Single Ended
Amplifier from enjoythemusic.com/
Study Valve
Amplifier D.I.Y but in Spanish
good for you.old Argentina book.
Single Ender Europa
EDERER
EDERER Amplifiers
Vintage circuit
from UK about Old Europian Radio's
Circuits
Main Site of
VintageRadio and Electronics
By Google translate
How about use for sound source from Raspberry Pi B+ This is not toy..High End Audio
Only in Japanese
Radio Boy
Where can you buy EL3N NOS
from Europa also can buy Japanese Transformer and components
since 21st May 2011.last up date on 10th Feb 2026 from Yachiyo Chiba Japan
If would like to know more ?
Single Ended Amplifier D.I.Y
Marlhori Audio 2003-2026