4P1L Single Ended Amplifier D.I.Y Mig25 valve 1976
4P1L Direct heating valves
This counter Start 18th May 2014
4P1L Single Ended Amplifier D.I.Y for Summer time on 2014
New Version II 4P1L Single Ended Amplifier for Spain " Slow Train" on 2023
One Saturday afternoon,
when I walk through Akihabara, found a small tube of Russia made is that of a few years ago.
I have purchased a four because it was cheap.I thought , I was going to make a small amp to use it someday. and very clear sexy tubes.
Note:if possible please see by Google Chrome
One thing sound is not cheap,,even I am using small audio transformer .very good bass I can getting. Just testing now,,,,,
I'm going to re-build as a new one.triode connection is good .sound like EL34 triode connection.I was surprised this sound to come out.
to be continue,,,,,,,,,,driver is 6N1P,,,6AQ8 are good...
a couple days after,,,,I think sound like 45 Single Ended Amplifier ....like 71A SET too.
sound stage like 45... very clear sound...this time I used small transformer , just would like try to use big Audio transformer.later
this valve has chinese model too, name of valve is 4P1S just same size of 4P1L. only different tube is clear getta.can see a little bit top of tube.
4PL1 is about USD $ 10 dollar and 4P1S is USD $ 8 dollar which can buy some local shop in Tokyo down town,cheap for us,and good too.
some one said sound is just look like 300B ....... I think so...
This small amplifier does not consume high electricity so good for summer time .not hot....
Show Spec
>
Actual bace is above 4P1L
>
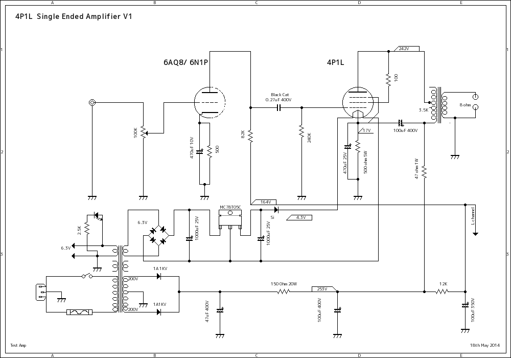
4P1L Single Ended Amplifier first try to brew on 18th May 2014
>
Just starting brew one of direct heating valve 4P1L Single Ended Amplifier.
Just testing 4P1L Single Ended Amplifier ,Singing song Jazz by Stecy Kent ,,,, sound is enough to listen music at small room. around 1.5 W rms power and with 91dB/w/m Speaker system.
4PL1 is russian valve and we can buy chines 4P1S too. same valve but clear grass tube and has getter on top of tube. so can see inside.
Original imege(Video) on May 2014
Spec from Mr Ale Moglia Test is very intresting4P1L Testfrom his Site.
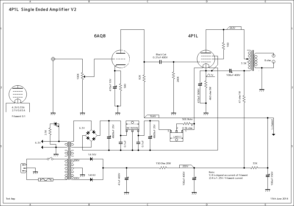
Constant filament current by LM317
Many person said,, if apply to use current constant technic under LM317 will be get much better sound. so I will try to test .
just connected filaments line with LM317 with some small resistance for adjust filament current.
AdJ terminal No3 of LM317 has 1.25V refference voltage.so connetct R into filament circuit. this amplifier does not separete each fimament power supply.
4PL1 's filaments 4.2V 0.33 A so 4.2V and 0.66 A . constant current are 0.66 A . R = 0.66 ÷ 1.25 = 0.528 Ω so R = 0.528 Ω .
if filament circuit are separate each other channel please 4.2V 0.33 A ,, R must be R = 0.33 ÷ 1.25 = 0.264 Ω .much better add potentiometer instead of R.
circuit is next for V2
Note: if these adjuste resistance value are wrong please choose correct value of resistance of LM 317.would you.
always not correct ,please try to test your test value of resistance.
Schematic Diagram 4P1L Single Ended Amplifier v2
What's effect came from Current limit circuit with filament. I think ,,getting low and high range are more clear.more bass.no bad.
this time connected 0.5 ohms between adjust pin and output line.0.5 ohms means 0.66 A 2 fililaments in parallel. must be separete each filament.
but getting good result.sound is more live.please try filament current limit.
sound is much better than 71A Single Ended Amplifier.I guess...
low range is very nice and low range sound is just like 300B single ended but mid and high range is just like 2A3 .... how about please try to build up one
very similar sound of 2A3 single ended amplifier. low range is much better than 2A3 and 300B .
then.......
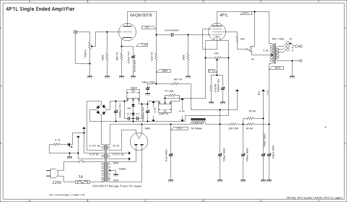
Next one of 4P1L Single Ended Amplifier Triode and UL
4P1L Single Ended Amplifier as Pentodo UL and Triode connection 2014 Nov
This time will be use PMF-15WS 15W Single Ended oriented metal transformer by Noguchi Transformer and Power Transformer is mede by Kasuga Transoformer.
and using 220V . just start brew new single ended amplifier. Spec is 1.5 W rms triode connection and pentodo will be get 3 W rms under UL.non NFB.
Just let's me show you Triode connection and UL pentode under this amplifier
4P1L Single Ended Amplifier and UL connection
Note :UL position is best. I like these kind of sound and just like KT88 sound.never believe small pentode with UL made big sound when using high sensibility speaker.
even I like wired triode but much better use UL connection.if your transformer has UL(SG)tap.does not need big power transformer.
if can you get 6AQ8 RCA is much better sound from your speaker.This Amplifier made for Voxativ Speaker System.
4P1L Single Ended Amplifier and UL connection sound on JAN 2015 with Voxativ AC-1.6
4P1L Single Ended Amplifier and UL connection sound on JAN 2015 with Voxativ AC-1.6
Mail from him ,,,,yesterday..
At the beginning I tested the amplifier and my whole setup with the Voxativs PI (the white little speakers equipped with AC-1.5),
Those speakers are approximately 99 dB/W/m and are very friendly with any amplifier and the sound it is always “right”.
With the big black speakers with Voxativs AC-1.6 the efficiency is 100 dB/W/m the sound was not right (too much bright and lack of bass),
So I realized that the sound is better for Voxativs using the 8 Ohm output instead 16 Ohm. The impedance (R) of the drivers is 10,4 Ohm, so it is more closed to the 8 Ohm than 16 Ohm.
When I use 8 Ohm the basses are stronger and the sound is not bright at all. Besides, I realized a problem with the set up of my software player audirvana,
I was using mode 2 instead of mode 1. Mode 1 has better timbre and more basses and more body.
Regarding the difference between triode and ultralineal, I do prefer the UL mode because I feel the triode mode very thin, in UL mode is stronger,
has better dynamics and control over the drivers, and more body. Even for songs like a piano solos or voice, it as no glare neither too bright. So,
as you said, now I think UL mode definitely better than triode modes for any valve 71A, 45, 2A3, I have not listened the 300B yet,
but the 4P1L is sounding (in UL) better than valves I mentioned before.
Another interested thing that I realized is when I put an 20dB attenuator at the inputs is that I could rise the potentiometer volume to the max,
so the sound turned to be very very pleasant with more body and basses, that I am considering to use it like that with an external variable attenuator,
may be blue Alps. I do not think could be a problem using the amplifier this way.
Well, Mr. Kenji, definitely this 4P1L UL mode amplifier opened me a new way to explore and it works very well indeed.
Finally in attachment, I would like you to see in slow motion the stroke of the Voxativ AC-1.6 when is driven by the 4P1L amplifier by low frequencies may be around 30 Hz.
The stroke of this driver is up to 10 mm and it works like a subwoofer (it is designed like that).
-----
From Mr F Sanches Low from Chile. got mail on 30th Jan 2015.
Testing burn in 4P1L Single Ended Amplifier Nov 2014
Just testing and start burn in 4P1L UL/Triode Single Ended Amplifier on 8th Nov 2014 USD $ 1800
for smartphone
off course Using big good quality of capacitor for coupling, Arizona Capacitor USA Blue Cactus
Then ,,,Yesterday Arrived Amplifier 4P1L from Japan.....
4P1L Single Ended Amplifier with VoXativ in CHile
Customer said,,,
I am very grateful for you by the sound of the amplifier. The selector in 16 ohm is better than 8 ohm for the Voxativs (better highs and definition).
The basses are impressive as well.
I like the sound like wired Triode but as Pentode(UL) is a very good sound as well.
So, very very good sound from VoXativ .
Regards,
Fredy
e-mail from Santiago,Chile on 7th Dic 2014.
Impedance of 4P1L .....how much ?
He said , he is using 5K Ω impedance and out put is 16 Ω so his speaker system is 8 ohms ,very clear sound getting position of 16 Ω.
what is meanning,, 4P1L proper load is around 3.5K Ω ~ 4 K Ω much better to use. next time I will try to use 3.5 K Ω impedace position.
any way 4P1L is 3.5 KΩ is best impedance.I think,,,,,any one please try to use 3.5 KΩ audio transformer.
Just show you ,,,photo's of 4P1L with Voxativ
4P1L Single Ended Amplifier Dec 2014
About PMF15WS
This transformer made by General Transformer sales co Japan .small and can use high current and high voltage.made by Mr Suzuki and Mr Kimura.
what is good this kind of transformer are very expensive but they kept low cost and good quality.price is keep low price than famous transformer.
does not have box type.only band type transformer.still good one.because this transformer can be use 2A3 ,300B,KT88,6550 and 45,EL84 ,EL34 too
price are pair Japanese YEN 29000 YEN japanese money rate I can not show you USD because evrey day change rate.actually even PayPal using Japanese Bank
so 29000 Yen means Bank job fee is around USD $ 60 and Bank took 3 YEN for one dollar any Bank of Japan. even Pay Pal.Pay Pal not convenient send money in Japan.
if send money Pay pal charge some dollars and Bank too. so lost money.around rate of dollars in Japan. actually USD 100 dollars lost when did you paid.
Paypal is not perfect to send money.around USD 100 dollars lost money each time.
PMF-15WS for 300B and EL34 universal transformer
Static Charactor of PMF15WS by General Transformer co Japan
you can use for EL34 KT88 2A3 45 300B EL84 and EL156 6L6GC 6F6 6V6 etc
Voxativ with 4P1L Single Ended Amplifier 2015
Play on Youtube
And Now
always something to do
And always front of PC if I have time
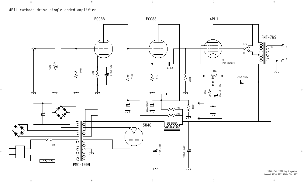
This shematic is next 4P1L Single-Ended Amplifier on 2018
How about use for sound source from Raspberry Pi B+ This is not toy..High End Audio
Very Small Music Server at home DIY
The sound is bad if you use a strange circuit configuration. It's a very straightforward vacuum tube. Please use the circuit introduced here.
The circuit diagram used here produces the best sound. wrote by Kenji
Last update 12nd Dic 2023 Yachiyo Chiba Japan
Since 4P1L SE Amplifier circuit on 20th Mar 2014 Sakura Chiba Japan
Single Ended Amplifier D.I.Y
How to build up Amplifier Single Ended Amplifier 2004-2024