tele  EL156/6G-B8 Single Ended Amplifer DIY
tube--Wel come to Site----------This site shown D.I.Y Single Ended Amplifiers-----almost valve amplifiers----some of digital staff--- ----Ham Radio --------Hi Fi sound to suppose be high end audio---etc etc-----from Yachiyo Chiba---Japan-------small city of Yachiyo located around 30Km west of down town of Tokyo ------very close to Narita International Air Port--- tube
Japan

조선인을 쫓아내라


ssl

EL156/6G-B8 Single Ended Amplifer DIY

EL156

Flag Counter

conter started 10th Feb 2024


🏠Home



🇩🇪EL12

This is Small EL156 Amplifier


Gen v2


  NC


EL156 single ended amplifier


el156 single ended amplifier

EL156 Single Ended Amplifier ここから製作が始まります


この真空管はバイアスが大変低いのです。-6Vのバイアスに対してのプレート電圧は300V前後になります。特性的には-18V程度の電圧では極性からKT88などのプレート電圧と同じ様な値の350V程度になります。
それで自己バイアスとして定格の160Ωに設定します。結局はKT88などと同じになります。170Ω 程度に落ち着きます。-6ですがKT88などは、実際は390Ωあたりになります。Cut and Tryとなると思います。
回路図はまだ決まっていません、LV-60と同じ回路が良いと思います。プレート電圧が低い場合はECC88一段で十分と思います。プレート電圧が高い場合はカソードフォロワーが良いと思います。
この回路だと20W以上は出ると思います。
EL156は確かにグリッドバイアスが低いのですが高圧を印加すると特性がKT88などと同じ特性になってしまうのではないかと思います。この真空管の良いところは
低バイアスです。つまり低いアノード電圧で多めのアノード電流になります。それで良い音が出るのでしょう。しかしながらヨーロッパのペントードの代表がEL34ですね
EL34 でも同じ様な使い方が出来ると思います。低バイアスで高電流を流すとEL156の様な音が出ているのを確認しています。EL34は優秀なペントードであると言うことです。
EL34も同様 低いバイアスで操作するペントードです。KT88 とは全く違う音です。注目点は AL60等のヨーロッパのペントードです。これらも8W出すことが出来ます。

This vacuum tube has a very low bias. The plate voltage for a bias of -6V is around 300V. In terms of characteristics, at a voltage of around -18V, the polarity makes it about 350V, which is the same as the plate voltage of KT88.
Then set the self-bias to the rated 160Ω. In the end, it will be the same as KT88. It will settle at about 170Ω. It's -6, but KT88 is actually around 390Ω. I think it will be a cut and try.
The circuit diagram has not been decided yet, but I think the same circuit as LV-60 is good. If the plate voltage is low, I think one stage of ECC88 is enough. If the plate voltage is high, I think a cathode follower is good.
I think this circuit will produce more than 20W.
The EL156 does have a low grid bias, but I think that if high voltage is applied, the characteristics will become the same as KT88. The good thing about this vacuum tube is
Low bias. In other words, a low anode voltage will result in a large anode current. That's probably why it produces such a good sound. However, the representative European pentode is the EL34.
I think you can use the EL34 in a similar way. I've confirmed that when you run a high current through it at a low bias, it produces a sound similar to that of an EL156. This means that the EL34 is an excellent pentode.
The EL34 is also a pentode that operates at a low bias. It produces a completely different sound from the KT88. Of note are European pentodes such as the AL60. These can also produce 8W.
///// Translate by Google.////



tamaro ya

部品の注文は球露屋さんで入手ください



FC


FC-20S


lay out

Lay out of Amplifier 2024 Feb



EL156

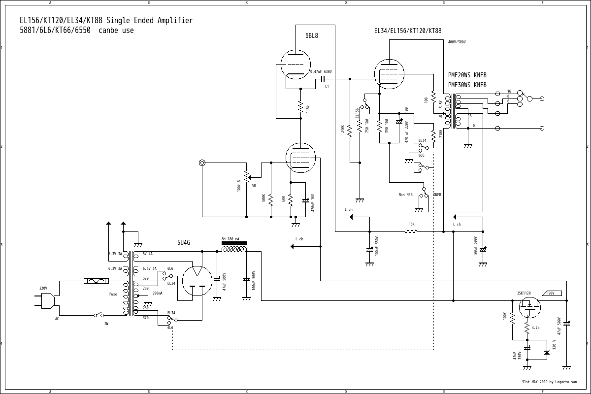
New Schematic Diagram EL156 6G-B8 Single Ended Amplifier on 2024



for EL156/EL33/6GB8 Single Ended Amplifier. FW24WS-2 finemet audio transformer pair 152000Yen/ USD $1000dollars when 145Yen Rate



charactor

This one has 7Kohms impedance wound and 4 Ω OUT PUT


fine met

Schematic diagram of Neumann LV60 cutting machine

Kurokawa Amplifier from MJ 1995 Nov issue


show you Tatsuo Kurokawa Made EL156 Single Ended Amplifier under MJ magazin 1995 November


EL 156 Amplifier

EL 156 Single Ended Amplifier by T Kurokawa nov 1995



main amplifier by Kurokawa 1995 MJ



power supply



Kurokawa EL156 MJ 1

Kurokawa EL156 MJ 2

EL156 Zip Kurokawa data by MJ

Since on 19th May 2014 and update 18th Nov Yachiyo 2025 Chiba Japan

7th Avenue


If would like to know more ?

Single Ended Amplifier D.I.Y

How to build up Amplifier Single Ended Amplifier 2004-2025