*  6DJ8 SRPP Line Amplifier D.I.Y

カウンター

This counter started 4th May 2012 but WEB started 9er Nov 2009


This time doing build up one of SRPP line amplifier and built - in DAC D.I.Y.
PCM56P use non over sampling DAC is old but sound is very clear and low range
is very good than modern 1 bit DAC.this time using 1 bit DAC and 24Bit fluency
DAC.Spec is less than PMC1794A but many person said sound better than
New technology DAC.slowly I will build up FN1242A DAC use Valve line Amplifier.
acceptable with DSD and sampling frequency is from 32Khz to 198Khz.just modern
Type of DAC.This New Tech is not so new but other side of DAC.can be reproduce
over 20Khz super high frequeny for audio.this technology is not new.but sound
like new type of sound seems like analog(LP).history is indicated end of this web page.
but one thing I can say PCM56 x2 No Over Sampling DAC sound is very pure and good Bass
than any oversampling
modern DAC.PCM56 is laddar type DAC and this DAC is made by R-2R laddar resistace.
sound is very good low than 1 bit DAC.some thing more natural sound getting.
FN1242A is 2 mode of convertion mode ,one is normal mode and other mode is mono
mode. mono mode is using as one channel 1 chip with differential connection.need
some technic of software programing.(for ex,using with ASRC(Data Rate Sampling)from
from some technic of PIC computer programing.it's call software mode.
so FN1242A is using as MONO Mode means needed program interface of ROM.
one thing PCM1794A does not need external ROM for mono connnection.



DAC Valve

Just Started build up Differential Pre with Fluency DAC on 8th Nov 2009




Back side DAC

2 Input Digital(SPDIF) and 1 of Analog input.


FN1242A DAC + valve


DAC new

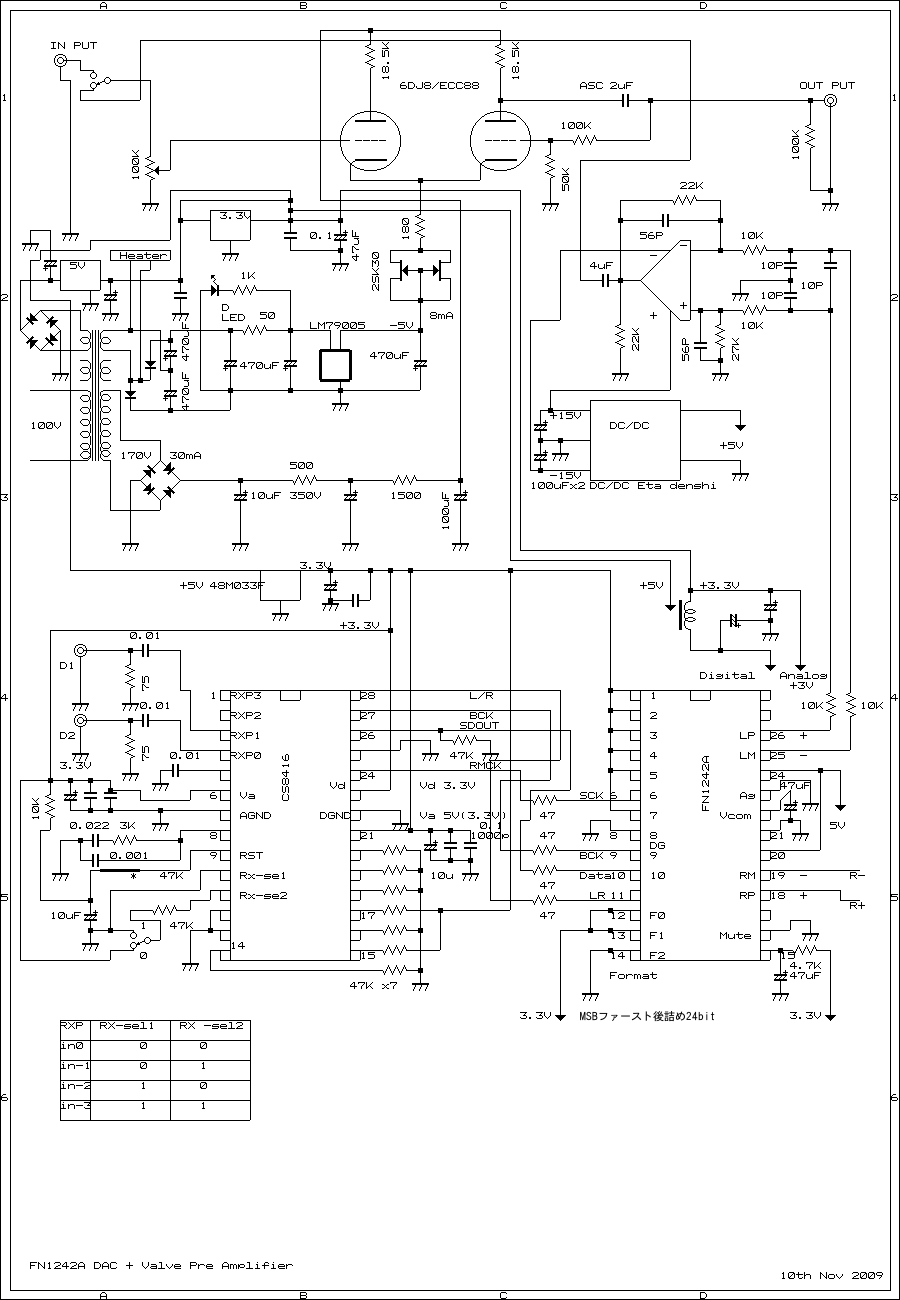
Just built up DAC Unit for Pre Tubes on 11st Nov 2009




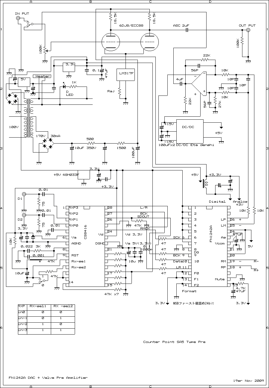
counter point type

Counter Point SA5 type pre-amplifier with DAC




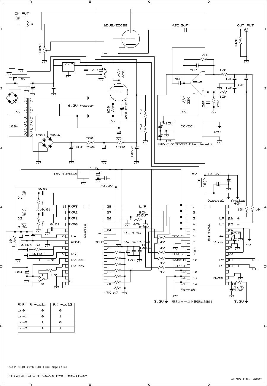
6DJ8 DAC

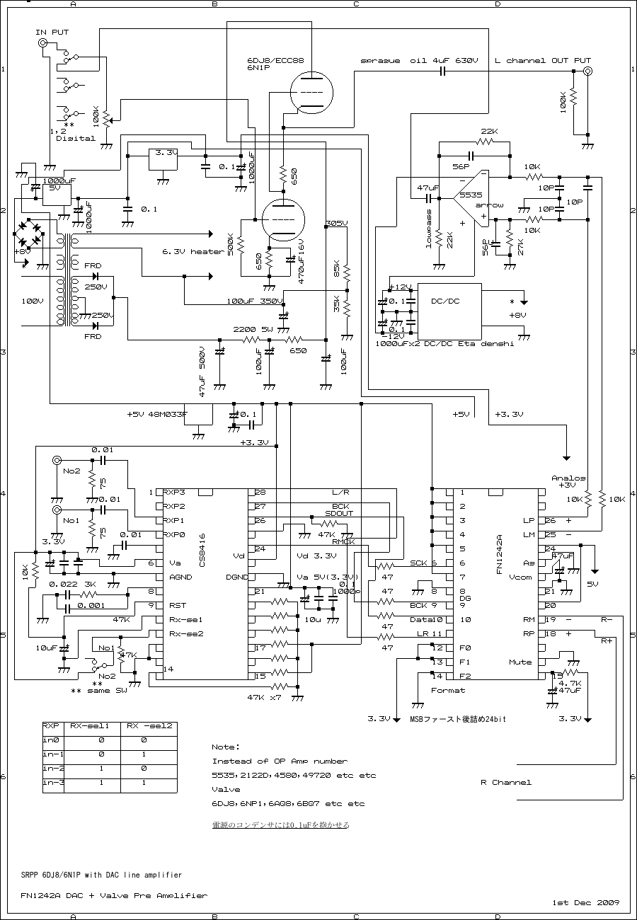
Finaly I am using 6DJ8 SRPP with DAC


chassis is very small so I could not install all put each other.so use
SRPP is more simple and need few components.



inside

In Side DAC and 6DJ8 SRPP Pre, small PCB unit is DC/DC converter



finally circuit is next.very few point is changed.
ciruit DAC 6N1P

6N1P with fluency FN1242A DAC Line Amplifier


Almost finished.sound is very clear and very enough for Bass
fluency DAC has some compansation from over 20Khz audio range. normally DAC does
not have signal over 20Khz but fluency DAC has over 20Khz signal.does not cut out
harmonic frequency.DAC output are differential output and passing low pass filter
first fs frequency by OP Differential amplifier.this line amplifier use OP Amp and
can be replace other type of OP Amplifier.valve and OP IC can be change type of
sound. I like 5532 OP IC. tried few OP IC's but 5532 is most better for my ear.
I think this color of sound is depend on personal.
DAC FN1242A with 6N1P

Testing DAC line amplifier



Back View

finally cicuit is this one for DAC(FN1242A) with 6N1P SRPP Line Amplifier

6N1P SRPP and Fluency DAC

Fluency DAC with 6N1P SRPP Line Amplifier



DAC FN1242A(Niigata Seimitsu)and 6N1P SRPP line amplifier.added MOS FET ripple
filter for B+. not necesay add this circuit but much better get good S/N from
some noise from AC line. sound is very good now.very few things will be change sound.
added ripple MOSFET filter but sound is very tight and does not get warm bass.
so took out ripple MOSFET then sound is very natural now.voltages of SRPP is 300V.
about OP Amp : OP Amp IC NJM5532 good C/P and very clear sound getting.but much
better use LT1354(Liner Technology)DIP 8pin OP AMP IC. just would like to say
High End Audio sound get from LT1354.good enough low and very clear mid and high.
I recomended NJM5532 but
LME49720 and LT1354 are very good quality of sound, I got.
32Khz,48Khz and 98Khz are checked with Pioneer DAT D-06. 98Khz sound is very good
and high solution of sound I got.

DAC

finally took out DC/DC and OP Amp power +/- 15V got from small transformer



DAC 6AQ8 SRPP

SRPP 6AQ8 with Delta Sigma DAC Line Amplifier



2 para DAC

2 para DAC on 12nd June 2011,better than before,low range


2 PCB up-side and down connected,2 of FN1242A





Japanese Version日本語here

Explane for Fluency DACEnglish>

information got from Univercity of Tsukuba Japan.



who invented ?

Univercity of Tsukuba Wisdom System LabHEREif would like to more!!



DAC with only Digital input 2 lineFN1242A+P-G-AmpD.I.Y


USB to SPDIF convertor DIYPCM2704 SPDIFD.I.Y


PCM56 R-2R Laddar Type DACPCM56 DAC D.I.Y


Double PCM56 DAC with PreDifferential Pre +PCM56 DAC D.I.Y


Dr Joaquin made FN1242A DACSRPP +DAC D.I.Yfrom Chile

KanetaDAC Schematic-butRe writed circuit zip file

How about use for sound source from Raspberry Pi B+ This is not toy..High End Audio

Raspberry Pi B+





since 9 Nov 2009 ,last update 16th Mar 2015

Single Ended Amplifier D.I.Y edited by Linux Blue Fish

How to build up Amplifier Single Ended Amplifier 2015