D.I.Y USB-SPDIF converter

This time some day I will try build up USB to SPDIF convetor.
covertor module is PCM2704 16 Bit USB DAC .this IC has SPDIF out put.same family are
PCM 2704,2705,2706,2707.just same kind of IC's.but 16 Bit and sampling frequency are
32Khz,41.1 and 48Khz.low spec.but if I use with external DAC ,will be get good solution
of sound from external DAC.
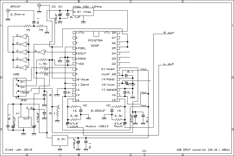
schematic of convertor SPDIF

Just show you,USB to S/PDIF Convertor circuit



PCM2704 IPDIF from USB

just built up SPDIF from USB about circuit


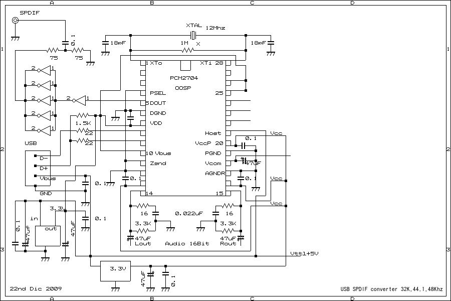
全体の回路図は上の様になります。

この状態ではSPDIFのみですが、バッファーアンプをつければ
ヘッドホーンアンプとしても鳴らすことが出来ます。USBコネクターにはMINI-Bを使いました。
ICは秋葉原の千石にあります。価格単価は600円程度です。SSOPですので、補助基板に載せ変えが必要
です。工作の難易度はあまり高くありません。クリスタルも千石で入手できます。能動型のクリスタルは
千石若しくは秋月で探します。能動型の方が良いかも知れませんが、単体のオーバートーン型で発振して
分周した方が良いと思います。mini USB-B は、5番がグランドで4番となります。
ユニバーサル基板で製作しても2000円程度でできると思います。



Testing DAC

Testing OUT PUT SPDIF and Audio OUT PUT on desk


コンフ

Linuxで検出したところです。Mfgがバーブラウン、TIになっています


detected by Linux ,indicated Bur-Brown,TI USB DAC and SPDIF

最近のPCとFC18 Linux の場合は、確認の為のコマンドは $ cat /proc/bus/input/devices となります。最近のLinuxを使っている場合はこれを
ターミナル上でたたいて下さい。


wave form SPDIF out put

very clean wave form of SPDIF out put


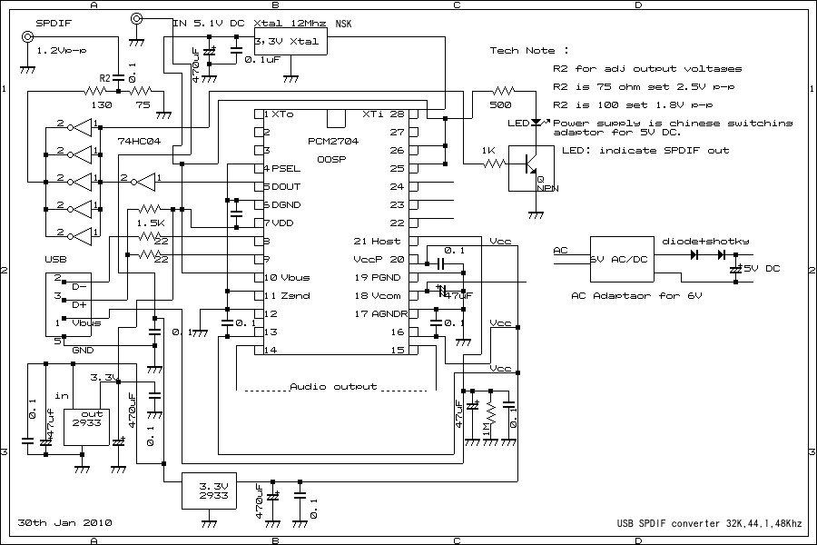
Self power mode using so need from 5V to 9V small power supply needed.
and USB is using mini-B type. have to connect pin4 to pin5 of assignment.
wave form is very clear and same time I can get 16bit delta sigma stereo
sound pin 14 an 15.but need some buffer amplifier for connet external amplifier.
14 and 15 pin getting around 100mV rms audio signal.normal position.

pin 5 番には3V peak to peakのSPDIF信号がでています。同時に14,15ピンにはオーディオが
出力されています。さらにここから音を出すにはバッファーを経由してアンバランス若しくは、バランス型
の端子をてると良いとは思いますが、目的はSPDIFですので、手持ちのDACをつなぎます。
5番ピンに直接接続せず、必ずバッファー(inverter)を通してからDACに接続します。何もなしで接続しました
PCM2704が壊れました。運良く、スペアがありましたので、早々交換しました。
ICの外し方は、両側の足に半田をもって溶けている間にピンセットで持ち上げれば取れます。
メーカー製のものはこうは簡単に外すことは出来ません。接着材でとめてあるからです。
なお、PIN4をグランドに落すと、Self Power Mode になりますので、外部電源が必要になります。
私の場合はありあわせの部品であったため、この様になりましたが、低損失型の3.3Vのレギュレ─ターIC
があれば、PIN 4をhigh(H)にして、Vbusから+5Vを供給すれば外部電源は必要はありません。
パソコンの安全面やアナログ電源(トランス仕様)の電源を使った方が音は良くなりますので外部電源の
self power mode使う事をお勧め致します。キットでも2600円程度で購入出来ますので苦労してユニバーサル
基板に組む必要はありませんが、こうしなきゃ「心が許さない」人もおるものです。偏屈者です。
汚い基板でも出てくる音は負けませんし、もしかするともっと安く小さく出来るものです。

DACの性能にもよりますが、とても良い感じで球のDACを通して、EL156シングル・アンプを鳴らしてくれま
す。先日製作した6N1P SRPP フルエンシーDACを通してメインアンプを鳴らしています。
小さいアルミケースに入れて使うと良いと思います。頭の白い爺さんでも作れるのでまあ作ってみる事を
お勧め致します。勿論、バッファーアンプ(OP Amp)とマイナス電源を追加すればこのままオーディオ
出力も実用レベルになると思います。勿論ですが、その他のOSでも動作します。

なお、部品はほとんど、千石で入手可能です。IC PCM2704 と補助基板、C-USB-M コネクタ及び補助基板
抵抗、コンデンサーなどです。水晶のみマルツで入手しました。千石にもありましたが、マルツでNSK製の
12MHzの能動素子です。0853BC3と型番が入っているものです。3.3Vを加電圧します。

How is sound ?

sound is quite Good if do you have good DAC external and your PC sound get from
your High End Audio equipment.sampling frequency is 32Khz,44.1 and 48Khz from
your PC. This time I am using Linux but you can use Mac and Windows too.



play Music

Play Internet Radio from PC to my 6N1P SRPP DAC



SPDIF circuit

circuit diagram for PCM2704 SPDIF converter


もう一枚製作しました、以下です。少し小さくしました。裏側はホットボンドで固めてあります。
バイパス用コンデンサーなどもう少し注意して追加した方が良いかも知れません。いっぱつで、動作
しました。裏貼りのコンデンサや抵抗は数点ありますが、ほぼ上部にマウントした部品で80%がた
取りつけ済の状態です。セルフ パワーモードですので、 +5Vの外部電源が必要です。

SPDIF NO2

No2 SPDIF Adaptor from USB



USB mini

USB mini B type




USB to SPDIF Converter


適当なタカチのケースに入れてテスト中のUSB SPDIF コンバータです。これと言ってこの先に
つながる、DAC次第ですが、忠実に音を出しています。誰が製作してもうまく動作します。
もっと綺麗なケースに入れたかったのですが予算の関係で使えれば良い程度のものです。

output wave form is very clear so nothing problem for play from USB out
of my Linux terminal.sound is depend on what kind of DAC have you.
SPDIF out put is 3 mode , 32Khz ,44.1Khz and 48Khz sampling frequency.



SPDIF convertor fig

finally schematic diagram is shown above.very simple and good


sound does not like toy when connected good DAC and amplifier.
then added SPDIF indicator LED RED for checking SPDIF signal when reboot PC.
最終的には、SPDIFの検出表示インジケータ─を追加しました。これがないと立ち上げた時に
SPDIF(RF)が出ているかを確認する為です。赤色LEDを使いました。Linuxで使用する場合は
ターミナル(kterm/xterm)でアクセスした方が動作が軽くGUI画面がトラぶっていても音は出ます。

なお、電源は600円程度で秋月で売られているAC/DCコンバーターです。出力が6Vであった為、これにシリーズ
にシリコン・ダイオードとショットキイ・ダイオードを接続して約1V電圧を落しています。5.15Vとなって
いました。これでラッキーに動作しました。これもトランス式の電源の方が良いと思います。


SPDIF


上の同じ見栄えの良いSPDIF 16Bitコンバーターは秋葉原の秋月で販売されているキットです。価格は1700円ですが、オーディオ出力とデジタル出力
が出ています。大変小さいもので、性能は自作より良いかも知れません。秋月のサイトでご覧ください。2013年1月価格です。
オーディオ出力は16ビットです。私の場合のデジタル出力(SPDIF)に自作のDACを繋ぎます。USBで電源はPCからもらいます。

SPDIFコンバータ 補足 その2 最近秋葉原で発見した、小型基板キット屋さん アイテンドウ Aitendo と言う 基板、キット、電子部品屋さん


秋月での同様な基板がありますが まして、マウント済み SPDIF基板が税込み完成基板が950円なのです。入力はUSB角型のコネクタで、出力はSPDIF 2系統 光とメタルケーブルの2系統
そして、アナログ出力が1系統のものです。950円と言う価格はこの基板を使って色々な実験が出来るのではないかと思います。USBデジタル入力のYAHA アンプしかり
色々なものが簡単に出きると思います。店の中は細かい部品が沢山あり、フラットICのアダプター、豊富なIC、半導体、PICマイコン、PICマイコンプログラム基板など
何でもあります。まずは、訪問をすることをお勧め致します。Aitendo 楽しい電子工作です。
場所は、秋葉原、まずは、ネットの情報を参考にして欲しいと思います。来店には必ず、スマートフォーンと虫眼鏡を持参することです。とにかく細かい有用な部品が沢山
置いてあります。綺麗に整頓はされているのですが、二人のお嬢さんでの手を借りずに、効率良く部品を探すには、検索の出来るスマートフォンと虫眼鏡が必需品となります。
兎に角、電子工作に必要な部品は安価で何でも見つける事が出来そうです。千石より、秋月より安いのですから、あとはスキルさえあれば、何でも作れそうです。11stMay 2013
注意:アイテンドウのミニ16ビットDACはミニプラグの出力が左右逆になっているとの事ですので組み込みに使うときは左右逆にすること、またSPDIF出力には直接接続であるので、バッファーアンプNANDを組み合わせで
組み込んだ方が安全であると思います。波形の調整も可能であると思います。尚、このプラグ端子にヘッドフォーンを繋いでも高音質の音が再生できます。ただし左右逆となります。音は小さいがPC側で調整するか、基板上のタクトスイッチで
も多少の調整が出来ます。電源が必要ないので簡単にPCサウンドを試す事ができます。950円は破格値であると思います。

SPDIF 完成基板


SPDIF 完成基板


Yaha Amplifier

Aitendo USB DAC 内蔵の真空管ヘッドフォーンアンプ、アナログ入力もついていますこのアンプ製作サイト



超 安価なUSB-DACの製作

CM102-Aを使ったUSB-DACの製作

興味ありましたら、ご覧下さい。夏休みの課題には良い題材の工作です。評判も良いらしいです。SOPの様なフラット
パッケージICではありませんので、比較的簡単に製作出来ると思います。




USB to DAC Linux KJAZZ

play MP3 though 24bit DAC with Valve Amplifier


Getting good sound mp3 sound ??? from 24bit fluency delta sigma DAC



Test USB DAC from Inter Net Randio KJAZZ LA USA

KJazz and morefrom LA USA



Play USB sound into DAC ICEWM Linux

Play USB sound and OS is Linux with ICEWM



Fluency DAC with 6N1P SRPP line amplifie

SRPP 6N1P Line Amplifie withFluencyDAC



since 22nd Dic 2009 Last update 10th Dic 2013

Single Ended Amplifier D.I.Y edited by Linux Blue Fish

How to build up Amplifier Single Ended Amplifier 2013