*  2A3/45/71A Single Ended Amplifier
カウンター
counter started 1st Jan 2012
Kayra by Mizushima
Kayra single ended amplfier

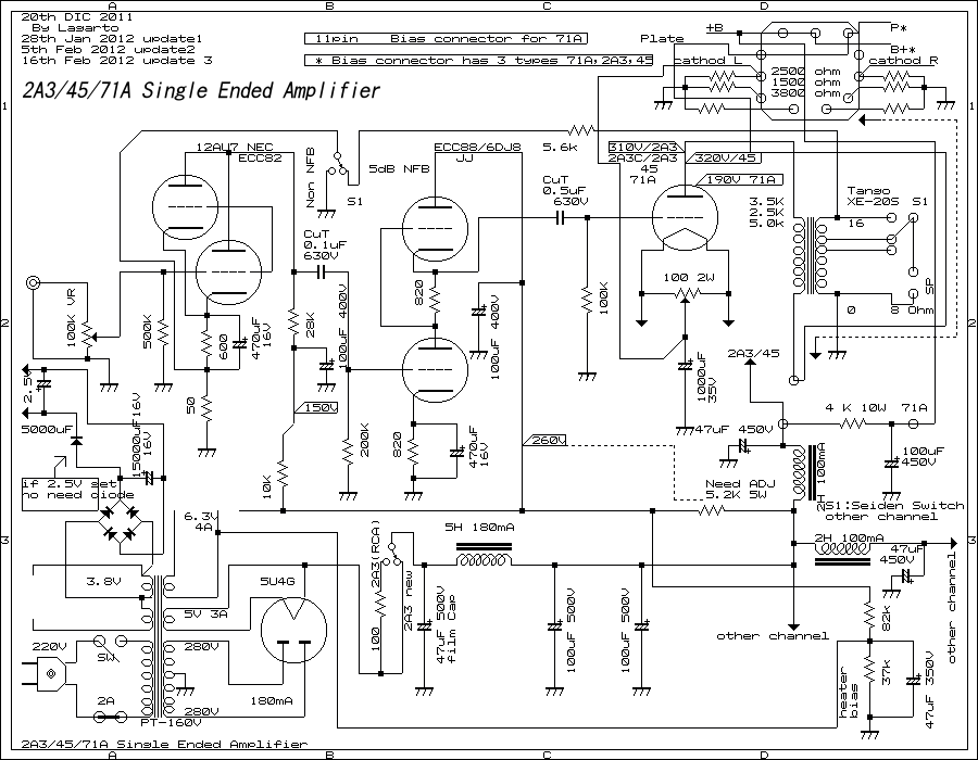
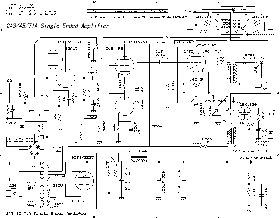
2A3/45/71A Single Ended Amplifier(ISO Tango XE20S)


Just starting brew 2A3/45/71A Universal Single Ended Amplifier on 1st Jan 2011
Just started brew 2A3/45/71A Universal Single Ended Amplifier on 1st Jan 2012.This Amplifier
is originaly 2A3 Single Ended Amplifier for 2A3C(NGG).also can be use as 45 and 71A Single Ended Amplifier.2A3 is 2 position
of condition of 2A3. one of RCA 2A3 type and other is 2A3C NGG type of 2A3.basically replace bias by 3 of external connector(11 pins)
just like octal US Base. but these are 11 pins Base.connector are more stable for amplifier.
this amplifier is order from audiophile of turky.kayra is name of doughter of Audiophiler.

almost schematic diagram are next.

V2

V2 Model



V2-1

V2 Model small versin up



components:Teflon UX socket,film 800V capacitor,Silmic for cathode bypass,nichicon electric
condensor,seiden high end rotaly switch,Toichi copper film capacitor for coupling capacitor.
tese capacitor are high end model capacitor in Japan.resistance are AMRG and Kiwame.
case is Takachi SRDSL-9HS long norse box.potenciometer are cosmos.RCA terminal are
super tron. binding post are big gold.Transformer : 2 of ISO Tango XE-20S and PMC518 and
Hashimoto(Sansui)PT-160V for 220V power supply high end type transformer.
cost of Amplifier is USD $ 3600 dollars on Jan 2012.this amplifier can be use tubes of
71A,2A3 RCA, 2A3C,2A3B, 45 and Emission Lab 45.this amplifier can not use WE275A.

Rectifier tube is GZ34 or GZ37.even can be use 5U4G too.much better use GZ34/5AR4
.
This amplifier using T-Cap(CU) high end capacitor as coupling capacitor.
T-Cap made by Toichi Industrie Japan. 4 of capacitor cost are USD $ 180 dollars.
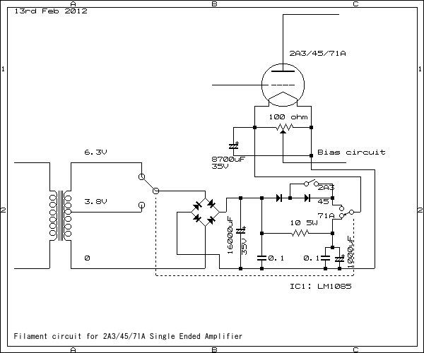
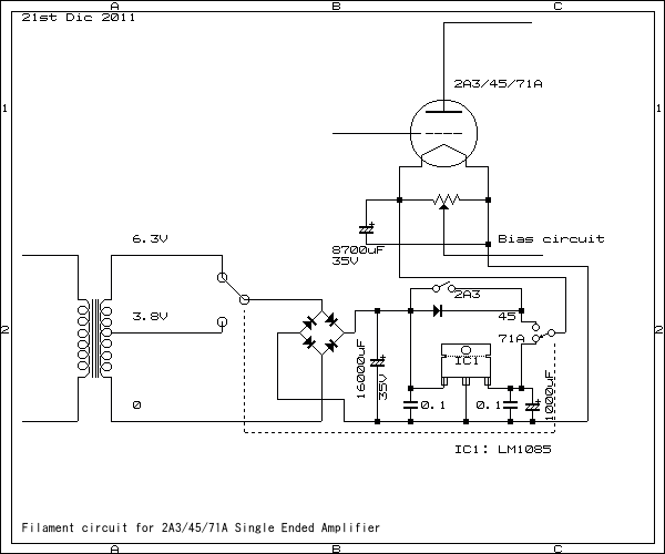
and signal resistance are AMRG carbon resistance.for adjuste filamen voltage is
using shottkey diode because Schottky barrier diode can drop 0.4v so you can use intead of resistor.

sound is quite very nice 45 and 71A single ended amplfier.71A is ,just I don't believe
power of 0.7W rms.very nice musical sound got.I like 3 type of tubes as single ended amplifier.
if would liket to use Schottky diode for power supply or filament power supply,
you can get good solution power supply.S/N is very good.
as 71A and 45 Single Ended Amplifier sound is so nice.71A Single Ended Amplifier is
so good even very small power.
AMRG resistance


T-Cap (CU) Toichi





220V 用です。橋本トランス製です。PT-160V が型番です。+Bが280V-320V なので、320Vでは電圧が高くなりますので
+280Vを使います。5U4Gでは、高めの電圧が低い為、GZ34。あとは、シリーズ抵抗で
調整します。野口のPMC-170Mを使えば、都合良く動作します。
このアンプには、東一のT-Cap(Cu)をカップリングコンデンサーとして使っています。
シャーシの容積が小さく、T-Cap(CU)などを入れるとかなり狭く、セルフバイアスなので、カソード抵抗が
6本も入っておりますので、かなり目一杯部品が入っています。そろそろ、半導体でドライブするかしないと、
小さなアンプは無理の様です。71A用にFETで電圧を落とそうと思いましたが、放熱板が入る場所がなくて、
ここは、仕方がなく、抵抗1本で済ましました。勿論、5V用の電源も同様で、10オームの抵抗1本で済まします
71A シングルはおまけですので、これで大丈夫でしょう。と思います。
ちょっとめんどうなアンプとなりそうでしたが、結果はとても良い音を鳴らしてくれました。

3 種類の真空管で使えるシングルアンプです。アンプ上部に取りつけた11 ピンのソケット付きコネクターで
カソード抵抗を切り替えます。スイッチでも構わないのですが、電源も一緒に切り替えなければいけませんので
この様なめんどうな方法をとります。最初はFETで電圧を落とそうと思いましたが、シャーシ使い勝手があまり良く
なく、仕方がなく、抵抗1本で電圧を落とします。ちょっと危険なやりかたですが、あまり使わないでしょう。
71A はたったの、0.7 W ですので、めったに使うことはないと思います。11ピンのコネクターは、秋葉原の
ラジオデパートの2Fの瀬田無線にあります。形状はoctalソケットと同じ形のベースとコネクターで1組となります。
プリアンプと電源などで、電源を別の場所に置いておくことにより、ノイズフリーなプリを製作出来ます。
つまり、その接続に使います。
45と2A3は主流ですので、上のコネクターを切り替えて、カソード抵抗を変更します。ついでに、
各々の電圧を切り替えます。この場合、コネクターは3種類( 71A,45,2A3 用)必要になります。
カソード抵抗の切り替えは、4連のトグルスイッチでも構いませんが、今回は3種類の真空管を使いましたので
コネクターでの切り替えとなりました。昔であれば、ジョンソン・ソケットが有名でした。送信機の場合はこれらの
ソケットを使いました。

音の傾向:初段と2段目で音が決まりますが、初段は無難な線が、12AU7(NEC)が一番良く、結構高価な、ECC802S は、
音の傾向が、高域よりになってしまいます。フラットなのかも知れませんが、その他のメーカーのECC82では、
低域もしっかりでております。安価な中国製の12AU7も悪くありませんし、EHでも構いません。
Ecc88は、JJ,Sovtek,philipsE88C(9622) でも構いませんが9622は発振する傾向がありますので、注意が必要です。
今回は、東一の高級フィルムキャパシター銅箔T-Cap(CU)を使っています。音の抜けがとても良く、2A3Bの
を素直に引き出しています。
PT-160V は、280Vタップですので、PMC-170Mより、10V ほど低い為、300Vが10Vほど、低く2A3で300V
となっておりますが、音が満足であれば、無理に高い電圧を上げない方が寿命の点で良いと思います。
推奨は、電源トランスを野口のPMC-170Mを使った方が良いと思います。
GZ34でも構いませんが、ちょっと注意が必要です。推奨は5U4Gです。
音はとても、3つの種類の真空管とも、奏でてくれます。45も71Aも良くなっています。
特に71A がこんなに良い音とは、思いませんでした。45も71Aシングルもとても良いですね、71Aはたった0.7W
とは、信じられない音が出ています。91dB/m/w のスピーカーでも十分な音量です。
別の機会に71A シングルアンプを製作しようと思います。71A の入手は横浜のマリンロード様からお世話いただきました。

フィラメント電圧はショットキイダイオードを直列にして電圧を調整しています。順方向は0.4V ほどになります。

お客様は神様です、お客様であるトルコのムーミンさんは、会計士でアメリカで学位をとり、帰国 公認会計士として事務所を持っている人で
Kayraは娘さんの名です。小学校の高学年若しくは中学生位の年齢になっていると思われます。ローラみたいな顔つきの美少女でしたが?
彼 ムーミンさんは、メッセンジャーに託してアンプを日本まで取りに来ました。製品を輸入するとべらぼうな関税を支払わないといけないとの
ことでした。メッセンジャーボーイを日本にこさせた方が安いとのことでした。つまり手荷物で帰国しました。そんな経緯がありました。


heater circuit

Filamentes circuit for 2A3/45/ and 71A valves



small miner version

small version up,miner versin up



Kayra amp inside

in side are high end components off course using Toich T-Cap(CU)



as 2A3C Single Ended Amplifier

Kayra 2A3C Single Ended Amplifier on Feb 2012



45 Single Ended Amplifier

Kayra 45 Single Ended Amplifier on Feb 2012



71A Single Ended Amplifier

Kayra 71A Single Ended Amplifier on Feb 2012



Owner's room for Audio in Istanbul Turkey


TurkeyTurkey

Mumin's room in Istanbul Turkey

Mr Karamanli Audio room in Istanbul ,Turkey



Kayra 2A3 single ended amplifier in turkey

2A3/45 Single Ended Amplifier in Turkey on 2012



in Turkey on June 2012

Mr Karamanli Audio room in Istanbul ,Turkey on 30th June 2012


Just a parts of Mail from Mr Mümin Karamanlı of Turkey on 27th June 2012.
♪♪ He said "sound quality looks like a nightingale."♪♪
source and speakers :CD Player is Naim ,Pre is47 Laboratory ,Speaker are Supravox.
Supravox : for Tweeter feild coil by active 11-12 volt DC.

Finally; I carried the speaker and fixed to amp; the result is unbeliveble.
The gain is still to high, I never open the knob too much.
I also tried different 2A3 tubes ( the stock one has a good bass; NGG 2A3C has more detail and powerfull.
Yesterday, I tried the PSVANE 2A3B and I fiqure out it plays more stable
and less excimet(?) and I love it more than NGG 2A3C.



PSVANE 2A3







just turn off light

Just turn off light in the room ,!!!!!!



PSVANE 2A3B








And One of Amplifier Builder in Europa ,made up same circuit as 2A3 Single Ended Amplifier on FEB 2013

by Mr Sebastien Visiedo from Italy





2A3 Single Ended Amplifier in Italiy

one of copy of Kayra Single Ended Amplifier by Mr Sebastein Visiedo in Italy



I did some listening today, comparing it to the 2a3 and still the 2a3 is better. The 2a3 is much detailed and the music more articulated.

I built the pcl86 to listen to music most of the time and I am listening to the 2a3 only when I want to enjoy good music.
comment from him ,I got mail at 22nd Apr 2014 which he said.
really 2A3 single ended amplifier is very good sound stage. enough to use at home if do anyone has good efficiency speaker system.even old big KLIPSCH.





with cover

With white cover to see 2A3 Single Ended Amplifier





his system in Italy

2A3 Single Ended Amplifier with his system 2013 Feb



Kayra copy and PCL 86 pp 2014



71A Single Ended Amplifier

71A/12A Single Ended Amplifier Sep 2013



300B single ended amplifier on 2016 Apr

300B Single Ended Amplifier Apr 2016



Encore 2017

Encore 300B Single Ended Amplifier -this amplifier same circuit of Kayra 2A3 on Dec 2017




Links

PCL86 PPDifferential PCL86 Push Pull AmplifierD.I.Y


71A/12ACompatible Single Ended AmplifierD.I.Y


Coincident 300B VS Kayra 2A3 In Turkey on NOV 2012


Takumi 300B Single Ended AmplifierHashimoto HC20-3.5U using


For 220VDAC with Valves for SPDIFD.I.Y

7th Avenue

since 1st Jan 2011 last update 20th Feb 2018

Single Ended Amplifier D.I.Y edited by Linux Blue Fish

How to build up Amplifier Single Ended Amplifier 2018