*  Atsuko 71A/12A Single Ended Amplifier DIY
Flag Counter

this counter started 31st July 2022


アクセスカウンター

this counter counting from 14th July 2013



Your PC's OS is If indicated X11 means Unix family Linux or BSD



Note:Most of these articles are from 2014. So building the same amp in 2023 will cost around $3000,
The cheaper model Atsuko will set you back $2700.




sound of 12A/71A Single Ended Amplifier made on 2013 .video clip is saved on 2024 Germany by V Serrano with JBL



English 🇺🇸

PLay Organ by 12A Single Ended Amplifier Atsuko 2023 in Germany



you tube my channel

Atsuko 71A Single Ended Amplifier 2013 Sep

en-largerlarge scale pictureof this amplifier




The first time I made an order and sold it, it was $1500, including shipping, according to my friend. From the current rate, it was about 1000 US dollars.
Some Chileans don't see the value and are dropped from around $2000 to $1500. The actual price is about $2,500, so it's a deficit of $1,000.
Most of our customers buy at full price.
The initials of D.A, Mr. A.R.S and others tend not to buy at the regular price, so this amplifier also has a small transformer.
I made it a small power transformer so that it would be difficult to modify it after purchase. By replacing the power transformer with a higher order, it is a circuit that can be used even with 300B. Some Chileans have a not-so-good clientele. made at a friend price
It became one amplifier of exceptional value. This amp has been resold many times and I don't know the final price, but the original price is $1500.
The price of this type of amp is around $2700 if new.This person's name is said to be Schweitzer's grandson,
and in terms of human status, he's a total FUCK.
He's an animal who can't see the value in things. He's not human,
he's an animal who lives off his grandfather's fame.This beast didn't even produce a decent sound, so the guy living in Germany resold it to a Chilean.
How much did he sell it for? Probably over $2,000. His name is Alejandro Schweitzer Roja.
This name is a famous asshole in Chile.Everyone in the family is a doctor. Even the grandchildren are doctors. There are several famous doctors in the family.
This jerk is the only one with a normal job title. He must be stupid.
He's the only one in the family who will end up as a salaryman.
I wonder what his famous grandfather is thinking? Ha ha ha

By the way, this amplifier has one analog and one digital input. It's a great amplifier.for one good audiophiles.
Before this bastard's grandmother passed away, my wife was a medical student, and she was the nurse who took care of the woman.
I guess this bastard didn't know that. I heard all the details about his bastard's family history from late my wife.



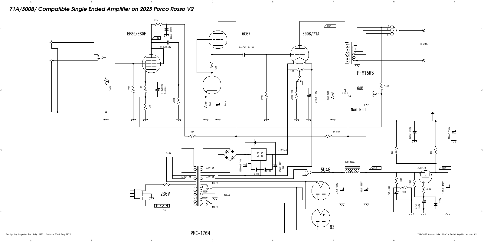
300B-71A

71A/300B Single Ended compatible Single Ended Amplifier USD $ 2700



71A /12 Compatible Single ended Amplifier

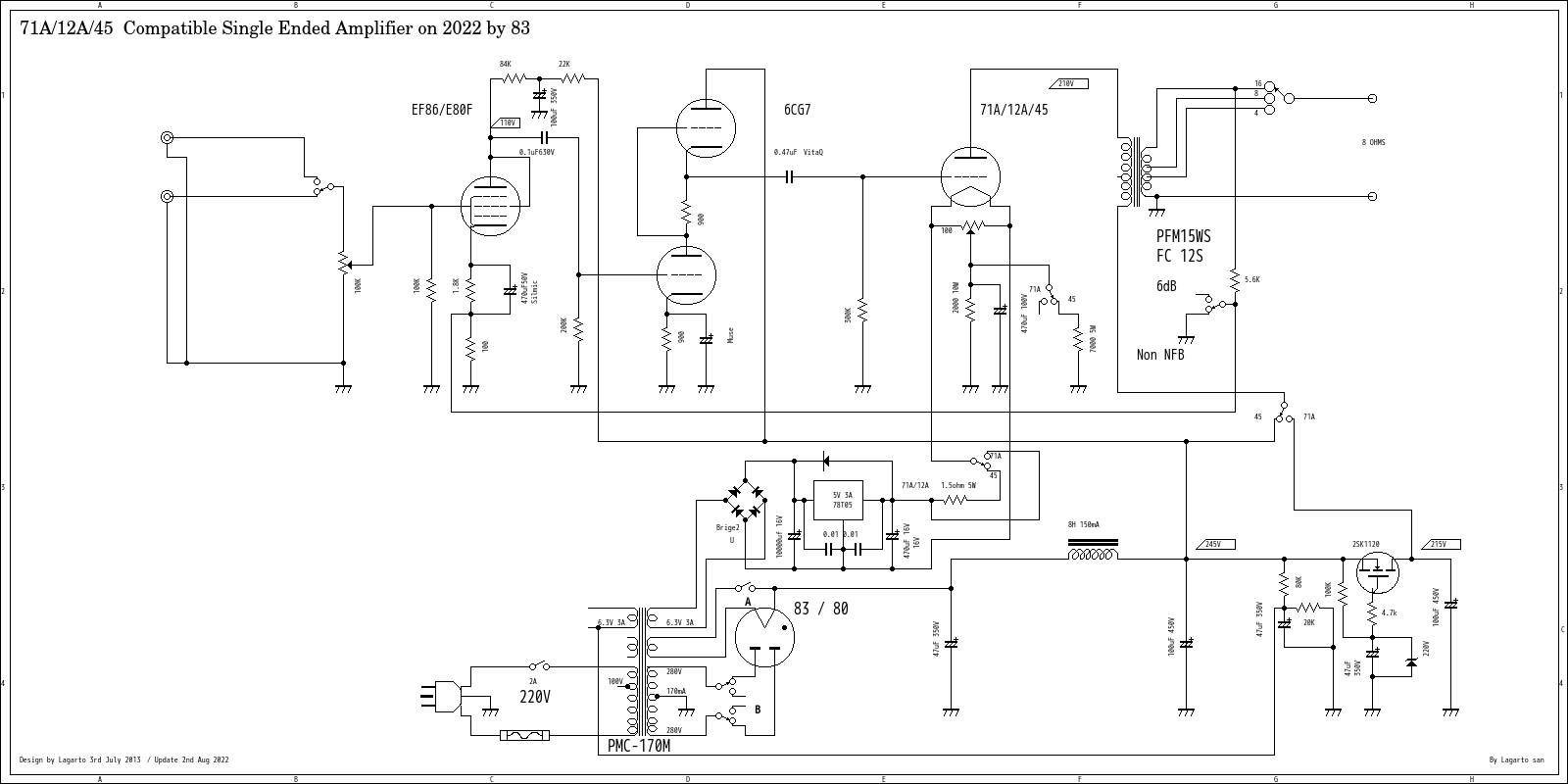
71A/12A Compatible Single Ended Amplifier on Aug 2013



300B/71A

71A and 300B Single Ended compatible Amplifier on 12nd Aug 2023 modify from Atsuko to 300B single ended amplifier


Power deliver 71A 0.8 W and 300B 7W rms


this is 71A 12A single ended amplifier

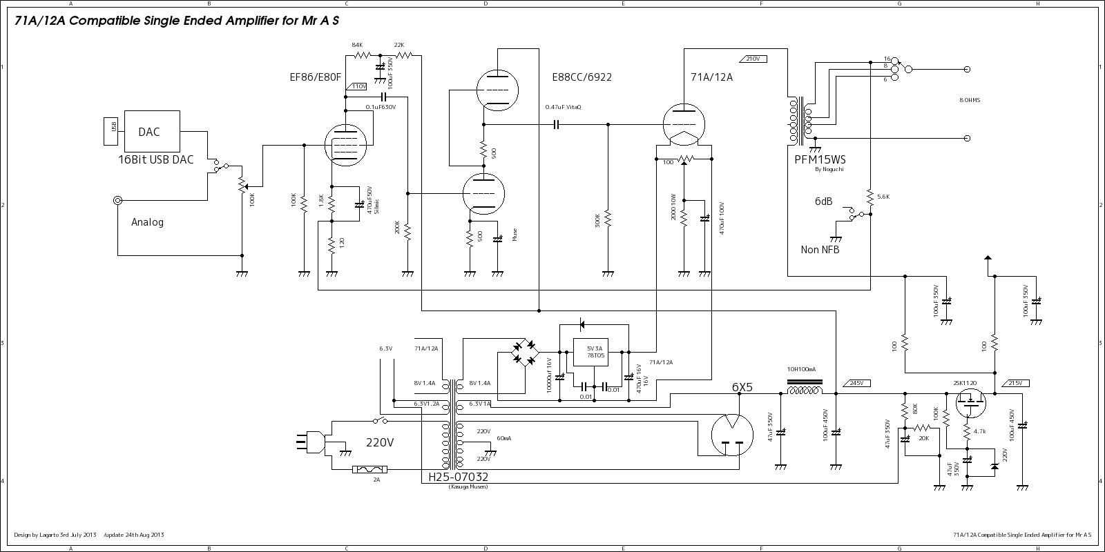
Let's me show you, 71A/12A Compatible Single Ended Amplifier on 14th July 2013

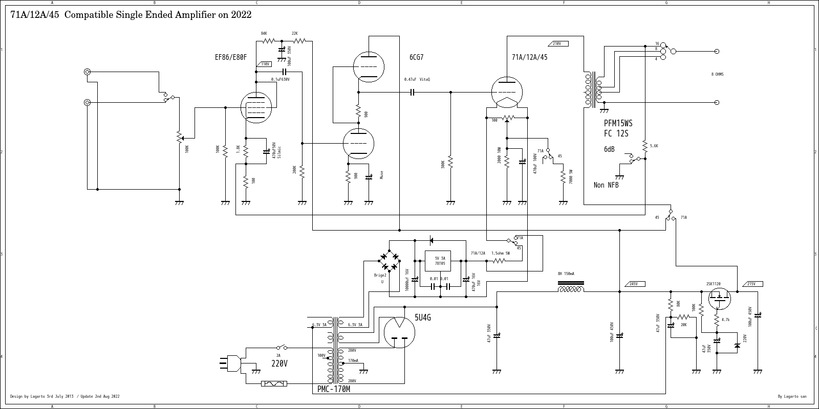
If would like to get one same Amplifier USD $ 2700 include shipping without valves 45 and 71A

this versing for sale is 45/71A Compatible single ended Amplifier if add USD $ 200 dollars FC-12S ISO Transformer audio
total is USD $ 2600 dollars just like next amplifier .not same one but almost same one driver using 2 valves each channel

   

This Type of Amplifier is USD $ 3400 valve only 71A . 45 not include.


  

USD $ 2700 using general-trans-sales co Japan made PMF-15WS

Note:I don't have any of my amps in stock.The production will start after the customer confirms the full payment in my account. Shipping is a bit slow due to COVID 19
It is expensive and will take about half a year to complete. Thank you for your understanding.
The output transformer is the original version of General Transformer's PMF15WS, and the price is USD $ 2400. and
His FC-12S based amp from ISO Tokyo Trance is USD $ 2600. The circuit diagram uses the same circuit as the circuit diagram of 300B.
The first stage is EF806 6CG7 71A. Comes with 71A output tube.
This amplifier is a 45/71A Single Ended Amplifier. when it's 45 1.6W and 71A is 0.8 offcourse necessary to use with over 100dB/m/w Speaker.
and like 86dB/m/w low efficency speaker does not get enough sound .
If rate of Yen is going down just like USD $ 1 is 100 Yen I can not make same price probably going up price $ 3000 USD and ISO Type is USD $ 3200

please rush to order this amplifier until going change rate of USD $ dollars.off course order 3 of amplifier I will make discount price.
Since these vacuum tubes are not new, they are used vacuum tubes.This tube amp is for 45/71A only.



This Amplifier original is 71A/12A SET but I will make for you as 71A/12A/45Single Ended Amplifier less than 2W



45/71A/12A Single Ended Amplifier 2022 by Mizushima



Rectifier 80/83 Type is USD $ 2800 dollar



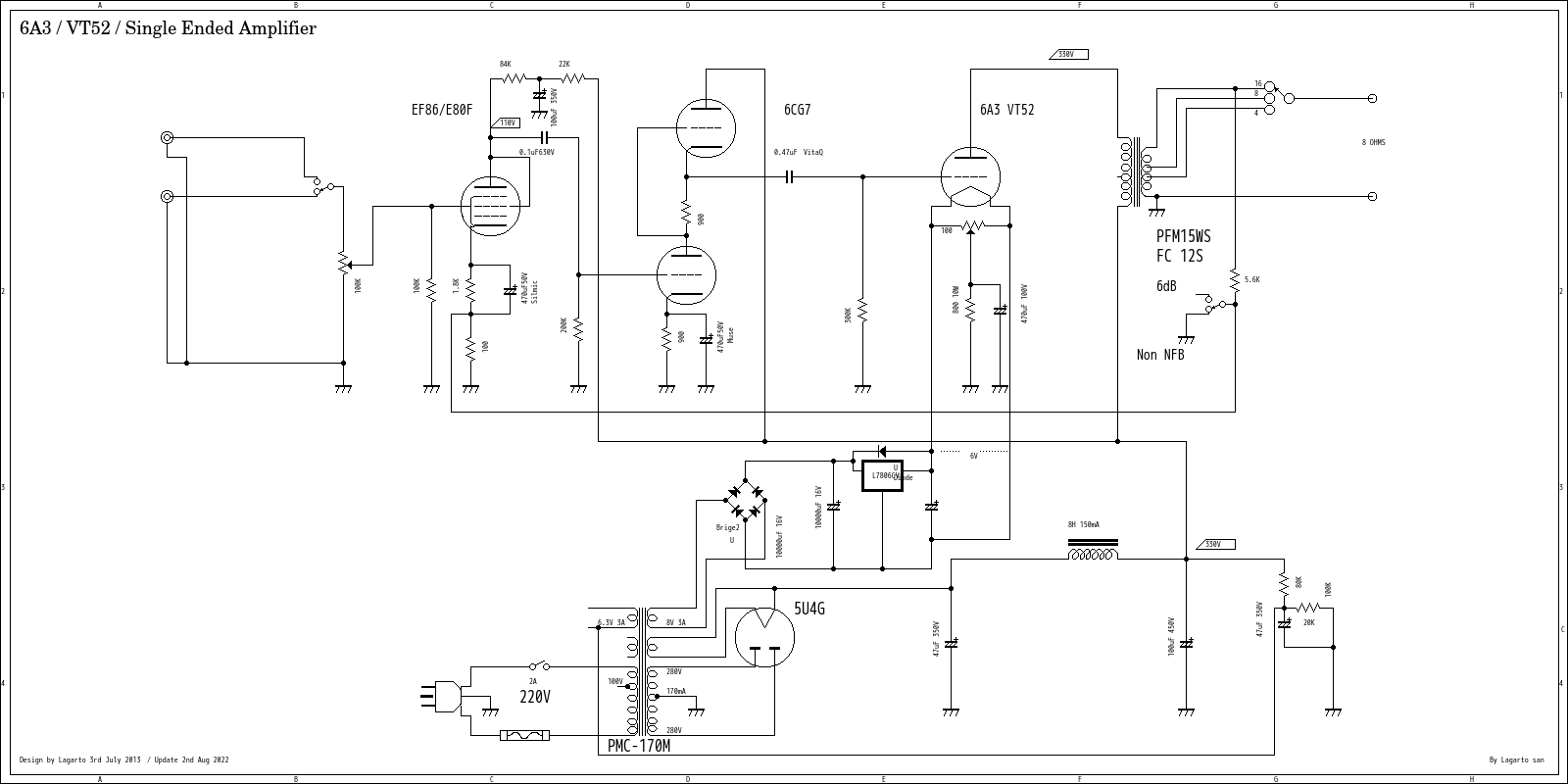
6A3

6A3/VT52 Single Ended Amplifier USD $ 2800 on 2022 ask to me

include 6A3 and driver valve 6A3 are NOS you add option 6A3/VT52/45 SET but 45/VT52 are not include



price

71/12A Single Ended Amplifier was discontinue model so 71A/45/300B Single Ended Amplifier is going on



6A3 are Sovtek or NOS valve

国内の場合は2200ドルで製作します納期は3ヶ月ほどかかります,今のレートだと28万円程度となります。真空管はNOSが難しい場合はソブテックになります。
トランスはFC 12Sを使います。電源トランスはジェネラル・トランス販売社の特注トランスとなります。真空管は国内で調達しますので高目です。
ジェネラルトランス社には多くの特注トランスをオーダーしており一番信頼度の高いトランス屋さんです。周辺のオーディオ・トランス屋さんで売られている
オーディオ トランスも彼らが作っています。
時々ハットオーディオ 尾美氏のトランスを使うこともあります。
6A3 Small 300Bと言われる真空管で独特の音が出ます。2200ドルになる理由は600 ドル程の航空便料金が引かれた価格となります。PSEを受けていませんので
個人的販売となります。代金先払いとなります。世界中で使われいるアンプの一つです。以下がドイツで使われている私が製作したアンプです。youtube より



Mr Victorr Serrano 氏 (ドイツ在住)のオーディ・オシステム の紹介 スピーカーは86dBとの事です 

Mr Victor Serrano (Germany) introduces the audio system The speaker is said to be 86dB


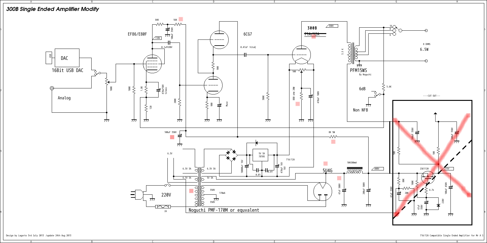
Modify 300B Single Ended Amplifier


300B single ended amp from 71A SET



Above schematic is 300B Single Ended Amplifier less than 10 components replace then get 300B SET


12A Single Ended Amplifier 2013

as 12A Single Ended Amplifier 0.2W rms



Back Side of Amplifier

Back Side ,, RCA un balanced and USB DAC incoported 16bit 48Khz DAC for Rapberrypi Music Server



This time doing brew one of 71A/12A Compatible Single Ended Amplifier,this time start to use third party factory's transformer. Name of Factory is Noguchi Transformer CO Japan
recently they are making finemet audio transformer for valve amplifiers.this time using PMF-15WS Cut Core universal transformer.can be use for 300B,71A,2A3,45 etc.
even can be use for EL34 and KT88 Single Ended Amplifier.but only market is in Japan. Noguchi does not would like to sale out of Japan.but many good original audio transformers.
why I have to use Noguchi Transformer again,,because ISO Tango is broken company so we can not get from them.we have to use Tamura and Hashimoto(Sansui) for High End model.
charactor of PMF-15WS of Charactor and wiring of transformer
actually Noguchi Transformer CO does not have one's factory.they order some famous transformer co in Japan.so they makes good transformer for Audio.Trust
only one thing they does not have any dealer out side of Japan.
sound is quite so nice sound ,this small output audio transformer is good and get good result.71A sound is very similar sound of 300B .
how about sound of 12A ? many spec said around 0.2 W rms ,this time I got 0.2 W rms but sound is very good ,much better than as 71A single ended amplifier.
if you can get 7K~10K ohm plate impedance audio transformer much better to use. I tested 91dB speaker with 0.2W 12A single ended amplifier.sound is more clear.
just I can not believe I am getting sound from 0.2 W power amplifier.enough to hear music at home sunday afternoon in small room.
Zenner diode using 3 serise 100V+100+20V = 220V and 0.5W of Diode.driver tubes are 6DJ8 family tubes so you can use E88CC JJ is Best.I recommended use this one.
first stages is EF86 ,please use E80F or EF806 , EF86 Philips etc.71A and 12A are vintage tubes so very difficult to get. please choose good one.
this amplifier price was USD $ 1800 dollars on 2013 .offer to Mr Alejandro Roja in chile.




71A/12A Single Ended Amplifier Atsuko play Singing on Sep 2013



71A/12A Single Ended Amplifier Atsuko play Singing on Sep 2013


Small Power Single Ended Amplifier on 2013 by 71A how about don't you think only 0.8W rms Power




Comments from Owner of this Amplifier from Chile, AudioPhiler Mr A R Schweitzer


First conclusion: even if the 12A is a tube that surprises are able to display excellent sound with just 0.2 Watts of power, while trying to claim it distorts a little flat even in Coral 10.
I'll try another day max extensively modifying the feedback. Quickly I went to play with the 71A. It also seems incredible that 0.7 watts of music can fill a room. my living room is not that big but have something 6mx4m com.
The positioning of the instruments is large and forth from the speakers and probably wider than the listening space. The detail of the instruments is excellent, even better than in my 2A3.
The only thing I'm not sure who wins the 2A3 is in the voices, which have slightly less presence (maybe because it will be more balanced and everything sounds better in the 71A?)

I'm really happy with the amp. I have still much to experience.

on 25th Oct 2013:Note from MR Audiophiler from Chile in spanish
Finalmente me atrevi a comparar el Tatic con el Mizushima. Es imcreible la diferencia.
El Tatic ja sido mi pli de referencia por años y realmente el Mizushima hace todo mejor. Lo mas destacable es la claridad el Atzuko.
Es como comparar una foto de celular con la de una Canon 7D . Bueno, tal vez exagero un poco. El Tatic es un excelente amplificador,
pero con sus 0.7 watts, Atzuko lo supera en todo. Realmente lo mas divertivo es que mi opinion de los Coral Flat 10 camvio completamente y no necesitan ni mas agudos ni mas bajos.
First person this amplifier ordered and bought this one who he can not use enough because he does not have good speakersystem so does not get enough sound from her.


Video from Mr Victor in Germany




Video from Mr Victor Serrano in Germany


Japanese explane 日本語での説明 Atsuko 71A/12A Compatible Single Ended Amplifier

今回 製作したのは、71A/12A コンパチブル シングル エンド アンプです。電源トランスは特注のトランスで春日無線変圧器に発注しました。出力トランスは野口トランスのカット・トランスで グレイの色の
ハンマートーンです。ISO TANGOが廃業する為に、出力トランスの選択肢は少なくなりました。これからは春日トランスや野口トランスが主力になるでしょう。そして大型アンプはタムラ、橋本になっていくものと思います。
これらの企業が真空管トランスを作らなくなったら、もう作ることは難しくなってきます。とても悲しいことです。
今回のアンプの出力トランスには、中型の PMF-15WSを使用します。電源トランスは、220V用ですので、
春日トランスへ発注しました。ここでのトランス番号はH25-07032 と表記されています。220v用ですのでこの番号で注文するのもこれ限りであると思います。回路図を参照して下さい。
O-BS200型と言う型番のトランスで65VAとのことで、これ以上では、トランスのコアのサイズが変わる様です。この場合は、62.66VA です。注文する際に細かく計算すると良いと思います。春日のWEBページを見て
細かく計算すると良いと思います。野口やメーカのトランスに比べると見劣りするのですが格安アンプを作る場合はリスクがあります。が、まあ、良いと思います。何度か注文していますが、結果は良です。
高額なアンプを注文された場合は、橋本トランスの220v用トランスを使っています。国内価格の5000円増しほどで、入手ができます。
今回のアンプの名は、「淳子」にしていただけませんか?とある人に問われ 英名で、Atsuko 71A/12A Compatible Single Ended Amplifier となりました。

ちなみに、最初は2段目は12AU7でしたが、切れがわるく、ピンピンとした音にはならず、歪み感あり、EF86 + E88CC/JJ + 終段となりました。
EF86は、E80Fが良いと言う結果が出ています。E80Fの方がS/N が良いと言う噂が出ています。
音は71A はそれなりに、良い傾向の音です。帯域も広く何の不自由もなく小さな部屋で視聴するには充分であると思います。ビンテージ管は、新しい真空管と言うものがありませんし、数が有限であるのも悲しいことです。
今回は中古の球を使っていますが、ぜひNOSを探して聞きたいと思います。さて、12A シングルの音は?とても良いですね、45シングルにも似ています。クリアさがあり、爽快な音を出してくれます。
たった 0.2 Wとは思えない音で、私風に言うとダイナミックレンジの大きな音で、アイテンドウのUSB DACも力を発揮しており、パソコンからのUSBで音をしっかりつかみこんでいます。FN1242Aの音には負けますが、
980円のDACとは思えないほどの音を出してくれます。
PMF-15WS は、2段アンプ用です。私の様な3段アンプで使う場合はプレートと+Bを逆接続して下さい。この様な接続をすると低域に障害が発生すると言われておりますが、まずは低域には問題を私の耳では感じることは
できませんでした。野口トランス、このトランスに関しては、良いのではないかと思います。低域出も良いと思います。機会あれば特性をとってみようと思います。
電圧は電源の電圧を落とす必要があります。抵抗では、ちょっと関心出来ませんので、FET若しくはトランジスターを使って下さい。格安のFETが秋月に売っていますので、これでも良いと思います。前回は200円程度の
FETを使いましたが大変小さいものでしたので、心細い為、今回も何度も使っている2SK1120を使いました。必ず放熱板をつけてください。ツェナーダイオードは100V+100V+20Vをシリーズしてあります。0.5Wの
ものです。あまり大きいものを使うとここで、大事な電流を食ってしまいますので、この程度で良いと思います。E88CC JJ とこのアンプの相性はかなり良く、6922の場合は少し+B が小さいのか?音が歪み気味です。
ひょっとすると300BもOKであると思いますが、71Aでの電圧が大きい様で何か歪み気味です。E88CC JJが一番 安価で音も良くこれで良いと思います。

このアンプは非常識な価格で注文された赤字のアンプです。改造出来ない様に非常に小さな特注トランスを使いました。そして整流管も小さな容量の整流管を使いました。800ドルで作ったのです赤字です。
特別に製作したアンプです。これを購入した人は転売で2000ドル以上になったのですが、それを2000ドルで表示しろと言われましたが、2000ドル以上で販売します。この時制シッピング料金は600ドル程度かかりますので
新たに販売する場合は $2800ドル USA Dollarsとなります。 Price is USD $ 2800 dollars. 71A/12A/45 Compatible Amplifier and not include valve .those valves are discountine
valves so can not get in japan ,

71A/45/2A3 Compatible Single Ended Amplifier Allmande 2013

Atsuko 71A Single Ended 2013

in Chile ,,,2013 Oct



Name of Atsuko

Name of Miss Atsuko





ここで、これから使って見ようと思う出力トランスは、ハット・オーディオ・ラブの出力トランスです。

さて、これから使って行こうと思います。商品リストを取り寄せると、以下の様になっており、これから製作を予測されるアンプにはハット・オーディオのトランスを使って行こうと思います。リストPDFを載せておきます。

PDF ファイル PDF File Hatt Audio c/o Mr Omi
Hut Audio Lab Transformer

Hatt Audio Lab Transformers just look like 3rd party of Tango but much better than Tango on 2014





Just last one of Tango XE20S 45/71A Compatible Single Ended Amplifier D.I.Y


Only circuit diagram is shown,and many components are using high end model. coupling capacitor are Audio Factory cupper film capacitor ,shizuki film capacitor,
ko-on denpa rotaly switch for impedance change of 16 and 8 ohms. signal line of resistor are AMRG ,ground wire and speaker connection wire from audio transformer are silver wire.
many parts of wiring are using OFC wire. power supply capacitor are using UNICON and Shizuki.power transformer is Noguchi PMC-170MR for 230V and XE20S by Tango.
some of resistance are Kiwame and REX. このアンプはタンゴ最後の新品1ペアのXE20Sで作られたアンプです。 2013年6月上旬に春日無線のお店にワンペアあった在庫品でした。即購入ストックしました。

45/71A Single Ended Amplifier Nov 2013

Schematic Diagram of 45/71A Single Ended Amplifier last product of ISO Tango XE-20S



AMRG
45/71A single ended amplifier with XE20S

Last one of XE20S Tango using 45/71A Single Ended Amplifier on Nov 2013///Just Testing Amplifier...


Just Show you,,,front ,back side and up side of this small watter Single Ended Amplifier using last one of Tango XE20S


myimg


Name plate





追記:これらの3段アンプでは、ゲインの取りすぎの感がありますが、2段ではゲイン不足になってしまいますし、好む音色にはなりません。ドライバーは初期のものには6FQ7、6CG7を使っていましたが、最近は6922若しくはE88CCを使っています。
SRPP段の抵抗は800から910オーム程度が良く音に切れが出ています。初段はEF86の3結です。普通の回路ではプレート抵抗に100Kあたりを使っていますが、84Kあたりが良い様です。SRPPの段は数キロオームを介してデカップリングして、
プレート電圧を落として300V程度にした方が良いと思います。300Vから250Vが適度な電圧であろうと思います。なぜか?300Bなどを使うと音があまり良くありません。せいぜい 2A3,45 ,71Aが良い音を醸し出してくれます。
XE20S は最後のワンペアです。もうこの様なアンプを作ることは出来ません、私の大好きなタンゴのXE20Sです。過去に都合 6ペア購入しました。旧タンゴのXE20Sの音が一番良いと思います。傷だらけですが、その旧タンゴのXE20Sで私も2A3
シングルを使っています。なお、カップリング・キャパシターには東一の銅箔フィルムキャパシターを使っています。大変高価なものですが、歪み感の大変少ないキャパシターです。残留雑音は0.5mV以下になっています。

各フィラメントの電圧にはトランジスターと三端子を組み合わせて使っています。また低電圧にはFETとツエナーダイオードを組み合わせて使っています。いずれにせよ大きな放熱板を用意する必要があります。場合によっては低速なファンも必要かも
知れません。フィラメントの回路を貼り付けておきます。
3端子レギュレータの入力側と出力にはICに貼り付ける様に入力には0.1uF程度のキャパシター、出力側には25uF以上の電解をつけてください。発振止めとなります。大きいコレクター損失のトランジスターがついており、基準電圧の3端子レギュレータには
ヒートシンクも必要ありませんし、大きな容量も必要がありません。ブースター用のトランジスターは、かなりヒートシンクが熱くなりますので大きいヒートシンクを使って下さい。2A3でも構いませんが厳しい状態ですので、45までとしました。ここから発生すると思われるハム音は皆無です。
とっても静かなアンプとなりました。 ちなみに、2.5V 2Aの3端子レギューㇾータにはBA25DD0T rohm で出している低損失レギュㇾータと言うのがありますので45位なら使えそうです。これを基準電圧として使えます。これとトランジスターと組めば良いと思います。
マルツにおいてあります。2.5V/5.0V フィラメント電圧回路は以下を参照してください。2.5V IC 規格のPDFファイルは次をクリックPDF fileしてください。
先日宅配便で届いたICと交換しましたが、電圧が正確に2.5Vにはならず、低めの2.481V 5%以内ですが、まあ使えるとは思いますが、低域が甘くなった様な気もします。
2933にシリコンを抱かした場合は、2.6 Vになりますが、心持ち、フィラメントが明るい様な気もします。NOS管の場合80年位はたっていますので、2.481Vが無難かも知れません。ショットキイ2本直列が良いと思いますが、電流を流さないと0.8Vにならない
らしいのです。トランジスタを介していますのでその分基準電圧分が軽くなります。表面実装用のIC TA4025Tを加工して取り付けた方が良いと思います。大変小さいICですのでちょっと不安ですが立派に電圧の基準を作ってくれます。
基準電圧用のICにはヒートシンクは必要ありません、念の為小さいのを取り付けた方が良いかもしれません。細かく言うとBA25DD0T rohmは、電圧が少し低い分うなずけない。2933にシリーズにシリコンダイオードを入れた方が良い音を得られると思います。
2.5Vとなるとやはり難しいものを感じます。LM338などが無難かも知れません。一次側が230Vですので、外国では118Vから240Vあたりまで時間帯によって動きますので、多少高い電圧で半導体のレギュレータを入れた方がやはり良いかも知れない。
以前は余り注意しなかったのですが、ドライバーのSRPPの+Bがやはり限界があり、6N1P若しくは6CG7/6FQ7となりました。音的には6N1Pが良いと思います。うるさかったら、6CG7が良いと思います。6FQ7でも構いません。

フィラメント電圧回路

regurator circuit for 71A and 45




45/71A Single Ended Amplifier on Sep 2013



71A/12A Single Ended Amplifier No Name Amplifier play Singing on Nov 2013



45 Single Ended Amplifier play Singing No name amplifier on Nov 2013

Charles Lloyed from Canto


Mr Sotomayor's house 2014

Mr Sotomayor's House in Santiago, Chile on Jan 2014



Vinil plays 2014

Plays LP with RCA 71A Single Ended Amplifier on Jan 2014 large scale



4P1L Single Ended Amplifier Triode/UL 2014 Nov



4P1L SE linkShow you 4P1L Single Ended Amplifier

2A3/45 Single Ended Amplifier by Hashimoto Sansui

new amp 300B 2016
Going to Next PageHashimoto H20-3.5U using
300B Single Ended Amplifier DIY on 2016



2A3/45/71A ウエストマンさんのお宅 JBLを使っています 現在はカナダ在住ですIT関係のお仕事です。アルピニストです

2A3 / 45 / 71A he is using JBL at Westman's house. he is currently living in Canada. he is an IT-related job. he is an alpinist


facebook

Carlos Westman personal


Important is room and speaker system .need over 96dB/m/w speaker systen ,almost using horn and JBL, Altec big speaker system.and one thing love music.

スピーカ次第です。アンプにインピーダンス切り替えタップを設けてマッチングの取れた位置を探します。たった0.7 W位しか出ていませんが、ウエストマンさんのお宅では心よく歌を奏でているのがわかると
思います。部屋の大きさとスピーカなんです。それよりたった0.7ワットと馬鹿にしない気持ちと音に対する愛情なんでしょうか?
このアンプの持ち主は結局は転売したのです。転売で稼ぐ人です。シュバイツアーの末裔ですが、頭の中はケチで見栄ぱりです。この家族はほとんどが見栄っ張りです。シュバイツアーが嘆いていると思います。
結局は0.7Wを鳴らす事が出来なかったのです。こんなに良くなっているでしょう。小さな直熱管を使っている人は多くおりますしウエストマンさんの様に頭の良い人もおります様々です。
ウエストマンさんはこのアンプを107dBのスピーカで鳴らしたのです、これが正解ですが、多くの人は86dBのスピーカで鳴らそうと思っているのが残念です。東南アジアのお客様はいっぱつ、音が小さいとクレームが
あったのです。能率は?と聞くと 高価なスピーカですが84dBのスピーカでした、最低でも91dBのスピーカーを購入して下さいと言ったら理解出来なかった様でした。84dBのスピーカでは音は出ません!
--------------------------------------------------------------------------------------------------------------------------------------------------------------------------------------------
It depends on the speaker. Provide an impedance switching tap on the amplifier to find a matching position. Only about 0.7 W is out, but when you can see that he is singing comfortably at Mr. Westman's house.
I think. The size of the room and the speakers. Is it just 0.7 watts and a love for sound and a feeling that is not stupid?
The owner of this amp eventually resold it. A person who earns by resale. He is a descendant of the Schweitzer, but his head is stingy and stingy. Most of this family looks great. I think the Schweitzer is lamenting.
In the end, I couldn't play 0.7W. It will be so good. There are many people who use small direct heat pipes, and there are also smart people like Mr. Westman.
Mr. Westman played this amp with a 107dB speaker, which is correct, but it's a shame that many people want to play it with an 86dB speaker. Southeast Asian customers complain that the sound is quiet
There was. How efficient is it? I heard that it was an expensive speaker, but it was an 84dB speaker, and when I asked to buy a speaker with at least 91dB, it seemed that I could not understand it. There is no sound with 84dB speakers!


If would like to know more ?




7th Avenue


last up date 21st Jan 2026 from Yachiyo Chiba Japan

since 14th July 2013 from Sakura with Linux

Single Ended Amplifier D.I.Y 2008-2026

how good sound 2A3 Single Ended Amplifier