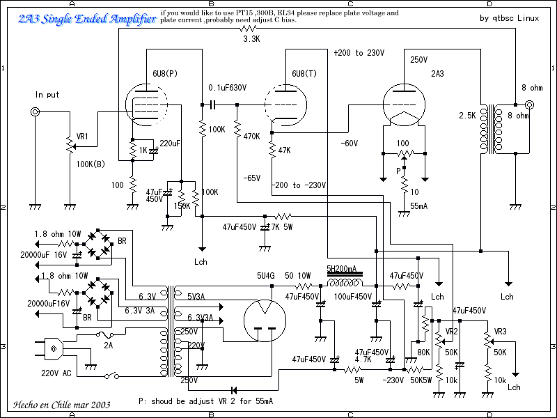
2A3 Single Ended Amplifier in Chile

Basic Circuit for direct heating
triode
amplifier circuit .i think you can use any kind of
direct heating valves instead of SV 811-3 .I tried 2A3,300B,PT 15 and
SV811-3
.even you can
use EL 34 indirect heating valves. depend on adjust grid bias and plate
voltage.
all transformer are made in chile same time use for EL34 SE Amplifiers
in Chile early 2002 .out put transformer are 2.5 Kohm 20W rms.this time I got around 6W rms
Max power under 2A3 Sovtec mono plate. but RCA 2A3 is Best sound.
Transformer are made by Bozzo Transformer ltda Chile.
And let'me show you one of SV811-3 Single Ended Amplifier on 2006
please click
Here to Go
please click
Here to 2A3 SET Made in Chile
N Shishido's Schematics Copy
This site is a parts of
SINGLE ENDED DOT COM 2003 - 2016 Last update 10th Oct 2016