Shishido Amplifiers Skematic

There are only shishido's amplifiers some of circuit diagram .however he was passed way on early 1998.
(Shishido Amplifier Skematic  Amplificadores de Shishido Skematico)

He(Mr Nobukazu Shishido) Shishido) used to use some technic of inter stage transfomer .
his many amplifier are almost same technic of  inter stage  transfomer. he  invented
call it's  inverse phase connection under interstage transfomer amplifier.there are
almost use for Transmitter valves Amplifier as Audio Hi End Amplifier.some one call
it's Positive Grid Amplifier.just I will  introducing you some  circuit  diagram  of
shishido's amplifiers here.
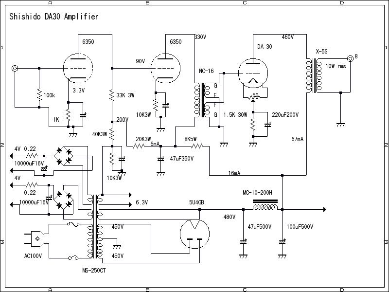
(1)DA30  Single Ended  Amplifier  10W

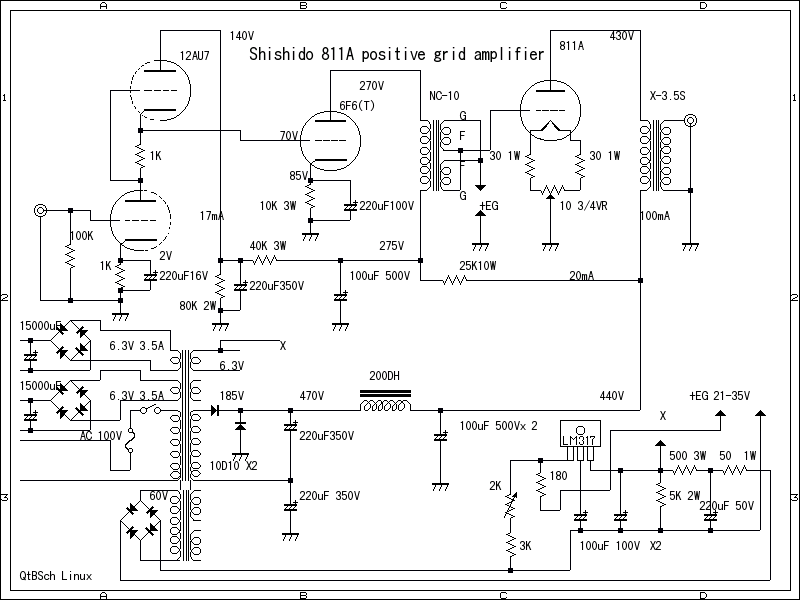
(2)    Famouse 811A Single Ended Amplifier 10W

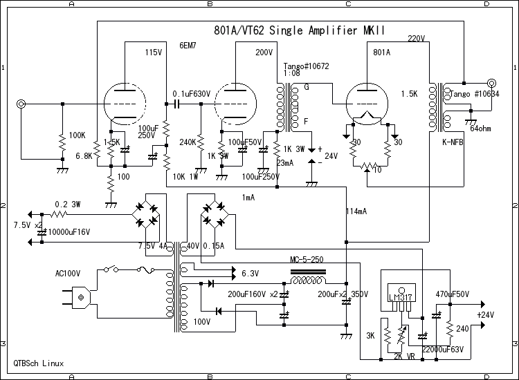
(3)     VT62/801 Single Ended Amplifier 8W

(4)     VT62/801 Single Ended Amplifier 8W up ver

(5)     826 Single Ended Amplifier 8W

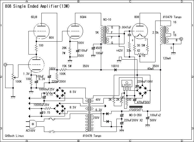
(6)     RCA 808 Single Ended Amplifier 12W

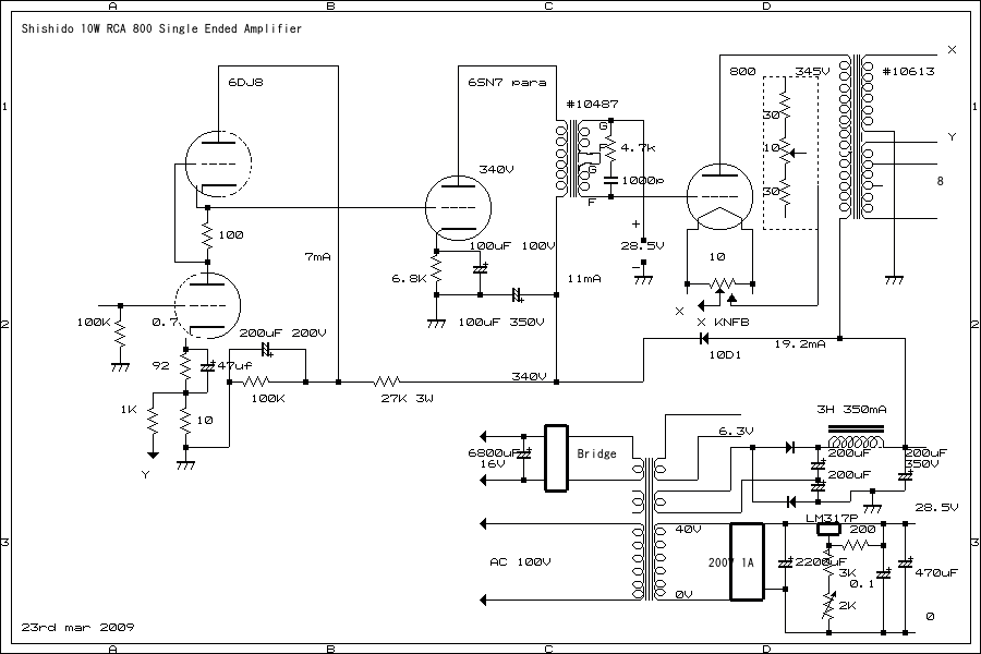
(7)RCA 800 Single Ended Amplifier 10W

(7-2)RCA 800 Single-ended Amplifier Ver DCA

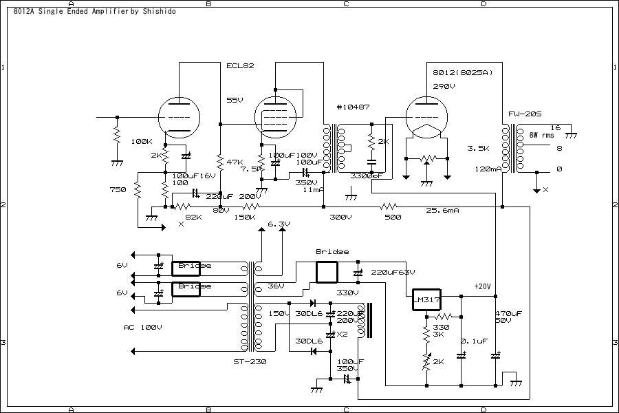
(8)     8012/8025A Single Ended Amplifier

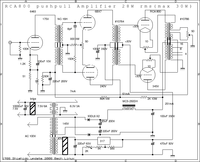
(10)    RCA 800 Push Pull Amplifier 28W

(11)     830B Single Amplifier 15W

(12)    UV-838 Single Ended Amplifier 35W

(13)    12BH7A pararel push pull stereo amplifier

(14)    2A3 Single Ended Roftin White Amplifier

(15)6L6 AB1 push pull amplifier

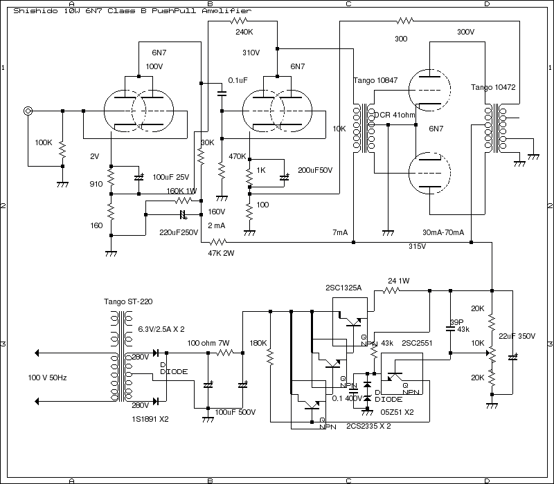
(16)6N7 Class B Push Pull Amplifier*RCA 6N7PP 1955

(17)4D32 Single Ended Amplifier

(18)805 Single Ended Amplifier 45W rms
not only these indicated above . he tried built up so many Power Hi End Amplifiers until Jan 1998.
he is not here now.


Note:Almost Shishido's Amplifier use Interstage secondary reverse
connection between sepalated wind for canselation of distortion.

Note: VT62 and 801 are same valuves ,only name is different.
and VT62(801) can use higher plate voltage until 600V but
VT25 is 425V.VT25 has 2 type filament.

VT25 and 10 are same kind of tubes.you can use until 425V plate voltage.
VT 25 has 2 type of filament .one of triado tangstain and oxiside tangstain.
one is brighting like 10W lamp the other is not.

VT62 and VT 25 if use for Class A amplifier power reach 3.8 W.
but if choose to use positive grid Class A Amplifier like Shishido's
,will be get around 8 W rms depend on Audio Transformer.DF is very
low so need to use same kind of NFB.Class A SET is not useful for General
Audio.sound caractor is diferent. sound like mosquit,
strike a" metal can sound" etc.but positve grid amplifier will be get
High Grade sound with NFB.High u(mew) triode tubes Amplifier DF is
slightly low general.

last up date 20th Sep 2023( if I have time I will going update
these shishido's files)

(since 11st Aug 2004 from Japan 2004-2014





Lagarto Amplifier here (1)SV811-3 SE

and Lagarto DC type Amplifier(2)811A SE

Mr Hirokuni Michimori's Transmitting valve Amplifiers(4)all most Triode Amplifiers


This web site is a part one of se