counter 7th July 2004

tube--Wel come to Site----------This site shown D.I.Y Single Ended Amplifiers-----almost valve amplifiers----some of digital staff--- ----Ham Radio --------Hi Fi sound to suppose be high end audio---etc etc-----from Yachiyo Chiba---Japan-------small city of Yachiyo located around 30Km west of down town of Tokyo ------very close to Narita International Air Port--- tube

https://www.single-ended.org is my site


ex single-ended.com mizushima amplifier

私なりの ICEWM の使い方 その1    on 2025 Jan
by Google in English

あなたが今お使いのブラウザは

X11が表示されていた場合はLinux若しく BSD、UNIX系となります



レンタルサーバーを替えました、理由はお名前ドットコムが高額であるためです

Xserver 日経新聞社がオーナーですが、日経新聞社は NTVがオーナーです、お名前ドットコムでも同様ですが、cgi-binが使えると言っているが実際は使えません。
確かに使えますがサーバー側で用意したアプリケーションを使うなら出来ます。これはXserverでもお名前ドットコムでも同様です。cgi-binはどこでも使えると言うのが
前提です。それは嘘です。cgi-binはクライエントからは見えない位置に存在するのです。お名前ドットコムでもXserverでも同じです。マスキングされた領域があるのです。
それが他機にあるのか権限を与えて存在するのかはクライエント側では見えませんので、実質はそんな領域はないのです。
エラー 403とか、500になって表示されます。出来ない物は出来ないのです。ある意味 詐欺行為です。レンタルサーバーと言ってもレンタルは特定番地をレンタルしているのが
日本のレンタルサーバーです。もしくは登録してアパートのパソコンにサーバーを作るしかないのです。商用のレンタルサーバーは嘘です。一台のサーバーで数10人もしくは
数百人が使いまわしているのが一般的な考えです。資金不足で生活保護では文句は言えません。安くてもレンタルサーバーです。でも事実上はレンタルメモリーと言った方が
正しいかも知れません。というわけでサーバーを引っ越しましたが残念な結果になりました。大阪の企業ですがサーバーは新宿区にあります。IPがそうです。
ちなみにNTTの半額です。容量は500ギガです NTTは1テラですそして OSはLinuxです。今時はどこでもLinuxのサーバです。
single-ended.com は 2031年まで私のドメインですが、貧困の為に使うことが出来ませんよって single-ended.org になりましたが、使いこなしましょう。
Xserver はGMmmail の様な機能も存在しています。WEBメールです。Gmailが使えなくなってもこのサーバーのWEBメールが使えます。メールアドレスはいくらでも
作れますのでそこに振り当てて、スマートフォンで送受信が出来ます。メーラーは ThunderBirds のスマートフォン版を使います。
これによってメールの送受信が出来ます。Xserver はホームページのみではありません、独自のメールを作り使用ができるのです。便利です。設定は
PC側で設定しても良いでしょうし、スマートフォンでも使えます。スマートフォンにメールがなくてもこれらのメールを使うことが出来ます。
サーバーの管理はそれほど難しいとは思いませんし維持費も他のホスティング会社よりは安価です。生活保護でもレンタルサーバを使うことが出来ます。
ちなみに、Xserver企業は大阪ですが、データーセンターは都内にあり、サーバー都内にあります。サーバーは大きさはわかりませんが小さなサーバーです。Linuxを使っている。 



icewm no4  no2  v3  no5

Main Menu


Icewm Bat Man


Kiki Theme Icewm Oct 2021


WEl come Linux

  cat

私的なことですが、LinuxのホストPCが壊れてしまいました、外部のラインからNTT回線を使ってGnomeを削除したNTTの在日朝鮮人グループがおりました。これには困りました。

保存できるファイルはUSBメモリーに退避させてRootの容量がなくそんな状態のPCでしたのでこのPCを諦めました。bootを削除したと思われ起動が出来ませんでした。
Live USB Linuxでデーターを集めて音楽サーバーに保存したり それは大変な1週間でした。それが起こったのは2023年8月18日の夜半でした。この人たちは天罰が下ると思います。
音楽サーバーやファイルサーバーを持っているとかなり便利です。USBメモリーでも良いと思います。貴重なデーターは細かくKeepしておきましょう。ほぼ100%元に戻りました。
同じ Fedora Core Linux の旧版です。レンタルサーバのデータ等も入っていましたのでFTPの設定やメールの設定には苦労しました。まあ使えるようになるまで
丸 1週間ほどかかりましたが、今はPCが軽くなったのでこれこれで我慢しましょう。これはサイバー犯罪です。警察庁に報告します。


FC2 の解析が廃止になってしまったのです。2025年6月2日からです。この日以降はハッカーに荒らされてもわかりません、FC解析の他に有用な無料解析サイトがまったくないのです。

NTTのサーバーも年間 2万円越しほどになってしまったのです。最初は 一年1万円以下でしたが、なんと2倍以上になってしまったのです。まして生活保護になってしまったのですが年齢75歳以上
は生活保護費を減らしたのです。物価は上がるし、この様なレンタルサーバー料金も上がるのはどんな国家になってしまったのでしょうか? 開発途上国が裕福になって日本は億人が貧乏になって
しまっているのです。開発途上国は自国で成果を上げて欲しいと思います。いろいろ組み込み解析 サーバーを探しましたが年に数10万円とかです。てっとり早いのはGoogleアナリスクをサイトに
埋め込みましたが時間がかかります。それは勉強が必要です。もうひとつは解析研究所のスクリプトです。3ヶ月で4千円弱です。高めですが、まあ仕方がありません。解析研究所は無償版もあります。
尚、Googleは無料です。使い勝手が余り良くありません。
かなり細かく設定が出来ます。今の私には有用なサイトです。FC2解析には負けませんがFC2の解析は有用であるのは間違いありません、どうして廃止になったかと言うとCEOが逮捕されたことが原因です。

注意:FC2の解析は廃止になっていますが、バックグランドで動作していますのでタグを削除しないほうが良い。当該 サイトに表示されませんが、解析は行っていますのでTagを削除しないで
残して置くことを推薦します。LOGは残っていますのでサイトの中にデータが残っています。事実上はFC2の解析は終了していますが、バックグランドでスクリプトを廃止はしていない
のです。スクリプトをサイトに残すことをお勧めいたします。私の場合ドメインを替えましたので致命的ですが探して閲覧している人もおります。それらのアクセス者には感謝しています。
ICEWMは新板が出ていますが、このFedora core 35では使えません。このICEWMで十分です。


2025 June

18th June 2025 ICEWM desktop using pcmanfm + icewm



Install Linux to Old Windows7,XP PC

Icons for Linux icewm

使わなくなったアンドロイドを音楽サーバーにする案件 

先ずは、アンドロイドにターミナルをインストールします。
GooglePlayを使って Termux と言うアプリケーションをインストールします。最初にLinuxをインストールした時の様に
コマンドラインから各ファイル ライブラリーをインストールしていきます。mpd やsambaもインストールしました、mpd は0.24.8 で最新版がインストール出来ました。
termux のキイボードを使って操作をしていきます。コマンドラインは一字ずつ書き込みます。大変うまく行くと思います。使っていないアンドロイドは数個持っているのが
普通ですので、それらをサーバーにして行こうと思います。音楽サーバーやファイルサーバーにすることも可能です。勿論 ICEWMもインストールが出来ます。
基本的にはどうもUBUNTUらしいのです。若しくはDebianの系統になります。インストールは $ apt を使います。
最初に $ apt update & apt upgrade を入力して下さい。ここからLinuxになります。git もインストール出来ます PCが無くても使わないスマフォが使えます



Termux


Qiitaアンドロイドを音楽サーバーにしましょう

QiitaUbuntuをインストールする

デザリング をする


在日 朝鮮人にNTT回線からMDMを接続してPCや携帯電話に執拗な嫌がらせをするのです。西志津コアハウジングの小川達也グループがかなり酷い嫌がらせをします。パスワードを盜んだり
それは酷いものです。メールが使えなくなったり、なりすましをしたりこれには困りました。そこでホームルータを考えています。スマートフォンを持っていますので、AUの4Gを使って
デザリングをします。スマートフォンがルーターになって妻のPCもWifiで動作出来ます。WIFIもブルーツース、そしてUSBデザリングも素晴らしい4Gのスピードで動作するのが
わかりました。これからは重要なメールはこのスマートフォンを使ってPCメールの送信を行います。出来たらホームルーターが欲しくなりました。NTTのフレッツ光は安全ではありません。
これから徐々にホームルーターを計画しようと思います。NTTのFlets 光はスピードが出ていますが危険度が高くマンションタイプの箱からハッキングされる可能性が高いのです。
企業が大きくなって細かい面で障害を乗り切る設定が出来てない為にマンションタイプの様な接続方式は大変危険です。スピードが出ているのですが接続した回線に侵入者がいても
判断が出来ないのです。これではPCや回線に繋がっている家庭内サーバーのデータを盗まれてしまいます。大馬鹿NTTです。AUなどの携帯電話会社のスマートフォンのデザリングの方が
安全と言えます。昨今のデーター流出はNTT回線に問題があります。大型サーバーを使おうがマンションや大型ビルを集合するブラックボックスに在日朝鮮人が勝手につなげるのは問題があります。
これはNTT殿がこれらの接続方式を変えない限りデーターの漏洩はなくなりません。私はそれ以降はNTT回線を使っていません。NTT回線も解約すると思います。


wifi

スマートフォンの wifiを使ってデザリングで PCを動作させています



Windows でも Linux が使えます

Icewm でXscreensaver を有効化する


cp /usr/share/applications/xscreensaver.desktop ~/.config/autostart これだけです。
その後 reboot すればXscreensver が有効化します。一度やってみると良いと思います。これは機種によっては自動化されています。
機種、Linuxのデストリビューションによってはこの有効化は必要がありませんが、これをしておくと良いと思います。




その後、再度在日朝鮮人佐倉市西志津の小川達也グループにNTT回線にPCを繋ぎ、マウントされて個人情報を全て盗まれてしまったのです。その後メールは全て使えなくなったのです。
メールは全て来なくなりました。@single-ended.com は自前のサーバーで幾らでもメールが無料で出来ることが判ったのです。それでメールを10個ほど作りました。
回線はNTTは解約する羽目になりました。ホームルーターはAUです。1年間は3500円/月 ほどです。一年後 5100円になるとのことでした。5Gを使うことになります。

detharing by AU

もうNTT Flets光回線は信用出来ない、これとて信用が100%は出来ないがNTT回線よりは信頼度が高いと思います。PCの右端に置いてあるのがAUのスマートフォンです。
それと同時にAUのホームルーターを契約しました。これらは5Gです。高津団地でも出来る5Gの安全な高速通信回線です。パスワードが漏れない限り安全100%です。
共有BOXを持たない通信手段です。Flets光は共有BOXを持つために安全な通信手段とは言えません。鉄塔の上までは手が出ないのです。デザリングも安全な手段となります。



ところがです。このハッカーグループは元AUの従業員だったのです。元AUの社員の持っていた治具を持っている為にAUのホームルーターは危険なのです。
FTPでデーターを転送すると制止されてしまいます。結局はNTTの回線に戻りました。現在 NTTの回線を使っているのですが、その他の方法でこのサイトを動かしています。
それも数千円の出資で出来ました。安全ではありませんが、監視が出来ますし、今は少し回避出来ています。こんなのはNTTもAUも対策出来ないのでしょうか?
貴重なデーターがUSBメモリーの保存してつも持ち歩いています。これは犯罪ですが、この国家では無対策です。つまり税金泥棒が悪人と警察組織が=です。最悪な国家です。
在日朝鮮人がやっているのですし、住んでいる場所も名前も解っていても無対策な国家です。残念な糞な国家です。

ホーム・ルーターでAU 5Gで音楽サーバーを動作させているでもこれは返却しました。5Gは愚策ですこの地帯では4Gになってしまいますスピードも出ないVDSL並なのです。



私の愛妻のMarlhoriさんが 2024年 5月 27日に他界しました。心から冥福を祈ります。在日朝鮮人に毒殺されましたが事実です


marlhori

My beloved wife Marlhori passed away yesterday.
She could easily die from a small wound due to inflammation.
She put it away. It was so hard for her to do anything to help.
It's a sad fact. She was my partner for 40 years.
I sincerely pray for her soul.



私のPCは在日朝鮮人に何かで叩かれたのが原因で液晶が映らなくなってしまい、とうとう、寿命となりました。壊されたのです。PCは、MarlhoriさんのPCが形見でありましたので、
生前に引き継ぎをして使い続けることになりました。Fedora core 34 が使い難いのです。不安定ですし、困りました、そこで Fedora Core 34 から 35にアップグレードしました。
ところがです、GFTP に権限がありませんと表示されてしまいサーバーの中に入る事が出来ませんでした。困りました。Filezilla と言うアプリケーションがあることに気がつきました。
これでOKでした。しかし、気持ちがその様にはならず、取り敢えず GFTPのみを Fedora core 34に戻しましょう。FTPサーバーからダウンロードしてGFTP 34用のみをインストールしました。
これでOKでした。GFTPの最新版は動作しません。Fedora Core 40にはGFTPは付いていませんので Filezilla を使うのでしょうか??。

wireshark

WireShark でとりあえずLAN周辺を監視できます Kali Linux でも使われていますがFedora Coreでも使えます


Fedora Core 35 にアップグレードしました、それは 34が不安定

そこで、GFTPが出来無いのです。権限なくサーバーの中に入ろうとするとオーナーではありませんと出てしまったのです。
そこで色々やったのですがファイルのアップロードが出来無いのです。BUGです。GFTPの新版は使えません。そこで、このアプリケーションは特に沢山のライブラリーがありませんので34用とダウンロードして
インストールしました。これでOKです。古いhtmのファイル がJISになっており、編集して、保存しようとしましたが出来ませんでした。そこでNKFをインストールしてコードを変換しようとしましたらこれも
出来無いのです。NKFのコードマップがおかしいのです。UTFー8に変換出来無いのです。そこれ35用のNKFをアンインストールして34用のNKFをインストールしましたらOKでした。きちんとUTFー8になりました。

Berry Linux の紹介

Fedora Core のクーロンです Berry

Bat Man と Spider Man のテーマ 1st Feb 2025


begin by Batmman

Batman begins 31st 2025



spider man

Spider man のテーマ 1st Feb 2025



2025 menu として保存して下さい 年1 月のメニューです

menu の中に menuprog "Desktop Apps" apps icewm-menu-fdo 一行を追加してください すべてのメニューが表示されます



spider man のテーマはLinux のPC上からwgetでダウンロードしてください。一瞬でDL出来ます。以下が URL
single-ended.com/Lagarto/ice/archive/Vostro-Spinerman.tar.gz



Icewm テーマ集 300以上// more than 300// update 26th Jan 2025

300以上のテーマが圧縮してありますので使うと良いと思います。テーマはwget の方がダウンロードしやすいですがサーバ側では余り勧めないサーバに負担がかかるそうです
壁紙を変えるときはデスクトップのメニューでもOKですが、左クリックしてメニューを出して壁紙を変更するでOKです。アイコン非表示の場合はstartupの中のファイルマネージャーに#してください。
スパイダーマンの壁紙は同梱してあります。パスを通せば テーマの中のdefault.theme を編集すれば画像の変更が出来ます。


dell


dell


spaiderman


smart phone に Volumio を インストールする


fc36


andoroid


Avidemux のインストール


スマートフォンで撮影した動画をネットにアップロードした場合 再生が出来無いのです。私のサイトに貼ってある動画はMIMEに変換してあるのです。
これがないとサイト上で再生が出来ません、PCの中で再生できてもアップロードすると再生が出来ません。そこで必要なのが画像編集機です。これがAvidemuxです。
実際の例をNo4 で説明したあります。DNF若しくはapt でインストール出来ます。バイナリーも配布されていますのでインストールすると良いと思います。



avidemux

28th Jan 2024 update



avidemux

設定が難しいのです、この画像の通りに実施すると作動します、あとは調整と試作です


mimeタイプの動画はこのアプリケーションを使います。その他の方法もあります。動画は音と画像を編集するものです。音は基本的にはMP3になります。
mp4の中には動画と音が2つの情報が入っているのです。それを一つの動画にするには編集が必要になります。コマンドラインから複雑なコマンドで行うこともできます。
ここでは、アプリケーションを使います。とても便利です。サイトを持っていない人には無用なアプリケーションです。



AVidemux linux 版を使ってスマートフォンの動画をMEME mp4に変換しています フランスから無償で送って来たフランス製真空管試作アンプの音



最新版の GIMP 2.10 ~ は エラーがあるのです。使えないサヒックスが38以降を使うと良い 大変使い難い 最新版は最新デストリのみです 最新版が良い

2.10 の38以前のバージョンはエラーがあり磔などができない真ん中に張り付いてしまう。snapでインストールすると最新版になります。firefix等も同様に最新版になる、
開発者の責任と思います。旧版の 2.8 を使いこなさないで、新版は使い難いのです。新版とは 2.10以降です。コピーが出来無い貼りつけが出来無い かなりの所で
不具合が出ています。使いもにならないアプリケーションを無理に 2.10として名前をつけたのでしょうか? 原型を伴っいないアプリケーションです。過去の参考書が役に立たない
まして、強調も出来無くぼやけた画像になるなどPhotoshop には足元にも及ばないアプリケーションになっている大変不便です。その他のアプリケーションで良いものがあるかと言うとない。
そこで、Windows用の2.8 をLinuxにインストールします。正規版はライブラリーが固まっていないためにLinuxでは使えません。そこでネットの情報ではポータブル版と言うアプリケーションが
あることがわかりました。インストールはポータブル版をダウンロードします。それをディスクトップに保存します。wineを使ってインストールします。では使って観ましょう。
このアプリケーションは使えます。昔使った同じアプリケーションです。Wineは素晴らしいと思います。
2.8

install は出来ましたエラーも出ていません 使って観ましょう


Group Install 古いPCを入手しました。DELLのラップトップです。インテルです 2024.27th Oct マオリさんが他界して5ヶ月目です。まだ泣いています

DELLの中古パソコン偶然あたったのです。第2の妻になるBrunさんのパソコンと思ったのですが、windows 10の入っている完動品でした。Biosが良くわからず
どうもDELLのファームウエアらしいのです。何度もやってもうまく行かず、MINTLinux入ったのですがそこからどうやって他のLinuxにするのか不明でした。
DELLは全て同じなんでしょうか? F12 を押すとブーツメニューが出てきたのです。これは便利です。Live USBが認識しているのがわかります。クリックする
インストールが始まりました。結局は慣れている Fedora Core 40にしたのですがどうも思わしくないのです。そこでFedora Cor 39にしました。
この辺のデストリビュションはお隣のバージョンでも違うのです。そこで39を選びました。正解でした。
dnf group install "cinnamon"

KDE Desktop
Xfce Desktop
Cinnamon デスクトップ
MATE+Compiz デスクトップ
i3 Tiling WM
LXQt デスクトップ
LXDE デスクトップ
SOAS Desktop
Sway Tiling WM
以上がグループインストールになります。

一つのマトメですIcewmのインストールの仕方 group install となります。# dnf group install "Name"

 
FC39

Fedora Core 39 Linux  DELL Laptop x64 intel


スマートフォンがロックがかかってしまった、これは大変です

aimi

無事にロックが解除できますがリカバリーが必要です


その後どうなったか?リカバリー出来ましたが完動する携帯電話が2個必要です。
認証するためにGoogleの的確な登録が必要です。電話会社は執拗にロックを掛けましょうと勧めますが必ず拒否します

新品に近い状態です。使い慣れた操作感はとても良いスマートフォンです。2台共に電話料金の切れた中古の状態です。絶対ロックをかけないことです
通信用とデーター転送用のスマートフォンが必要です。
個々のアプリは自分でインストールする必要があります。
設定は
電源スイッチとボリュームコントロールのスイッチの操作で
リカバリーが出来ます。最初 10回程度失敗しましたが
その後はスムーズでした。
必要な機器はその携帯電話2台と動かない携帯電話
1)電源を切ります。電源スイッチとボリュームの下側スイッチで
電源を切ります。そのまま押し続けて。
2)電源スイッチをそのままで
3)リブーツしますのでその時
4)に電源スイッチを押したままボリュームのスイッチの音量大
側を押し付けてしばらくするとLinuxのブーツ画面の様なの画面が出てきます。
そこで出てきたメニューを実行するのみです。
リカバリーが始まります。
準備機器は
5)固定電話モデム
6)WIFi用の無線ルータです。




caja --force を使うとcaja がデスクトップに残りますので妻のFedora Core 34 と同じ様に spacefm --desktop & を使います。よってspacefm をインストールして下さい。
この出来具合は大変良いと思います。Fedora Core 34の場合は競合はなく古いテーマも新しいテーマもすべて使い込めますが26ではそうは行きません、一部はフリーズしてしまいます。
Archilinuxの手ほどきでは今のバージョンより前のバージョンを使ってくれと記載ありましたので、それも良いと思います。IceWM 1.3.8 ですので 1.3.7にすれば良いのです。これですべて
うまく行きます。確認済みです。それはFedora core 25で使っているicewmを使えば良いわけです。固まるのを除いて電源がOFFにならない問題があります。Archilinuxの手ほどきでは
L535 あたりのスクリプトを編集します。私の場合は hogehoge /.icewm /prefernces を編集します。L535のLogout comand ~を編集します。
# Command to start logout
LogoutCommand="pkill -u kmizushima"
この上の様に記載します。これでログアウトができる様になりました。Kmizushima の所に貴方の一般ユーザーの名前を記載します



icewm theme down load

Theme 1

Theme 2

icewm

icewm spiderman on 31st Aug 2023



Linux を導入したが何か?もったりしたして重いOSと感じる前に、ICEWMを使いましょう、Linuxが好きになると思います。好きな形に自由に編集してお使い下さい。多くのアプリケーション
は、Mate,Gnome,KDE,LXQT等にインストールされています。寄ってこれらえをインストールしてから ICEWMをインストールすることになります。


Flag Counter

started 22nd May 2020


asuka eva

このカウンターは30th Dec 2009からですが、2005年2月よりICEWMを紹介しています。なお、現在の段階はNo1からはじまり、最新はNo5となっています。最近(2015年6月以降)が最新情報です
なお、このWEB Siteは、とても、とても、マイナーなホームページです。

--Linux,FeeBSD そして 終りのないLinux(PC UNIX)の世界へようこそ!!

このサイトはLinuxのことを紹介したサイトです、もしよろしければ linux のインストールされたPC端末でアクセスお願い致します。

カウンター

低スペックGtk2.2以下で動くXP風マック風にするICEWMの紹介





icewm no4  no2  v3  no5

ICEWM ICONS


theme

$cd .icewm
$ICE.7z を解凍して下さい、自動的にthemesにインストールされます





ICONS 解凍してから保存して下さい ICEWM用ICONSです

🐍🐍 Nanopi-Neo2 Music Server I2S-DAC

Linux 100%のページです ぜひ閲覧お願い致します


Icewm No1

nanopi-neo2 music server
 

 今聞いている音楽です。Nanopi-neo2音楽サーバーを使っています OS は Dietpi mpd 0.23.11



rasp

tobey spaider man

Spaider-man themes icewm 10th Mar 2023



Linux で出来る Telegram や whatsapp ,signal メッセンジャー

相性が良いのはTelegram です、問題なく使えます。whatsappでもOKですが周りのフォントを替える可能性があります。Telegram は快適に動作します
install はsnapを使います。Linuxならどんなデストリビューションでもインストール出来ます。大きな画面でチャットをお楽しみください。VNCと同じ
構造です。スマートフォンにインストール出来てないとインストールが出来ませんのでご注意ください。シグナルもOKです。



telegram

PC で使う Telegram snapでインストールします



mutter violin

音楽サーバーから聞いています、アンプは以下の4P1L Single Ended Amplifier です



amp by 4P1L Slow Train

スペインへ納入される4P1L シングルエンドアンプ mig 25に使われていた真空管のアンプです



Bat Man

Bat Man theme on 2023



2023

2023 8th May View my desktop by ICEWM vaio Sony VPCJ2 Fedora Core 26



Monaste


monte carlos

Monte carlos 2023



Sylpheed を使っています パスワードは・・・・・となっている


emacs で cntrol x v とやりますとスレッドが出てきますの .sylphhed2.0 の中をサーチしますとデーターが出てきますのでパスワードを確認出来ます。
ドットファイルの中のsylpheedを選びます。POPIDのパスワードが出てきます。パスワードは知られては好くない為に詳細は書きません。もし知りたい場合はメール下さい


Monte Carlo テーマ


monte carlo

Monte Carlo + roro image is by rodrigo leiva chile 2023



ここで紹介するのは多くのテーマの内のモンテカルロ・テーマです。基本的には一つですが、それを改修してここで使っています。壁紙はicewmの設定内で変更が出来ます。
startupの中にはスクリーンセーバー、日本語デーモン、DOCを書き込むのみです。PCMANFMやCAJAは使いません、dock はtint2のみです。ディストラクションによってはTint2は使えません。
Cairo-dockなどを使うと良いと思います。 Caja、pcmanfmなどを使うと重くなりますので、DOCKのみの方が使いやすいと思います。



THEMES

このファイルをダウンロードして.icewmの中のthemesにコピーするだけです。嫌いだったら削除して下さい,編集も自由です。


monte carlo

Monte Carlo no icon caja ,pcmanfm を使っていませんのでとても軽い



monte carlo

nanopi-neo2の音楽サーバーを表示しています



music server

Music Server by nanopi-neo2 myMPD



myMPD 10.3.2
(c) 2018-2023 Juergen Mang
https://github.com/jcorporation/myMPD を使っています。



もし、貴方のLinuxにMateとIcewmがインストールされていましたら、ICEWM から、$ caja --force-desktop fvwm でも、どの様なウインドウマネージャーでも著しい変化が現れます。
と、入力してみて下さい。貴方のICEWMが驚くほどプレゼンテーションが変更されます。まずはコマンドラインから入力して下さい。お願い致します。

Linux は 基本的に 4 つの ディストリビューションしかありません、
(1) Red Hat 系 Centos 、 RHL 、 Fedora Core 等のRED HAT系
(2) Slacware 系  Slackware 、Plamo Linux
(3) Debian 系 
(4) Archilinux 系
(5) LinuxではないがBEOSと言うOSがこの時期に使われていました。普及はしなかったと思いますローランドなどが使っていた記憶があります。UNIX系のクーロンです。MBedもこれらの系統にあたると思います。
の 4つです、Mint 、Ubuntu, Kali,Omoikane Linux などはDebian系です。Icewm のインストールの仕方はそれぞれの元になるOSの基本的な操作となります。Archilinux はpacman を使います。 
ARM ではmU-bootを参考にして構築したARM系のOSです。音楽サーバーでは、MoodeAudio、VolumioはDebian系です
RuneAudio はArchilinux系です。但し開発が止まっています。ARMではFedora Coreもあります。各OSのデイストリビューターを確認して下さい。私は20年ほどRedHat系を使っています。

cat

2022 26th Oct 現代風 ウインドウ・マネージャー 


ファイルはtar.gz で固めてあります。icewm をLinux PCにインストールして下さい。ソースでない場合は/usr/share/icewm/ 以下にファイルが展開していますのでそのファイル全てを
ローカルの.icewm にコピーをして下さい。この .icewm は最初に起動した時に自動で生成されるホルダーです。その中に既に出来ているファイルに上書きして保存して下さい。
ここにあるファイルは一部 JISであったりコードが古いものであったりしていますので、表示されないものもあると思いますのでUTF-8にして下さい。
themes.tar.gz の中にはかなり多くのテーマのファイルが同梱していますので使えるテーマと使えないテーマがあるかも知れません。themes2.tar.gz のファイルは最近のテーマを保存してあり
ますので、使える可能性があると思います。Raspbian の場合は全て使えると思います。その他の場合はテストしないとわかりませんので人柱ファイルとなっています。全てが使えるわけではありません
ので、ご理解お願いします。解凍したテーマはホームディレクトリーの中の themes の中にコピー若しくは上書きして下さい。 ちなみにローカルとは /home/hogehoge/.icewm 以下となります。
icewm はかなり軽いと感じると思います。調子に乗っていると10分もすると真っ暗になってしまいます。icewmは基本的にスクリーンセーバーがないと真っ暗になってしまいます。
そこで Ibusとスクリーンセーバーは立ち上げておきます。icewmが起動する前に以下の様に記載しておきます。emacs vi nanoでも構いません設定を書いておきます。念の為
私の使っているOSはFedora Core Linuxですが、Ubuntuでも何でも同じです。細かなpreference で設定しましょう。wineは出来る事ならインストールしておくと大変便利です。
以下に示した様にicewm-xdg-menu をソースやバイナリーを探してインストールして下さい。それがない場合はひな壇式のメニューは自作で編集して作る必要があります。
先ずは /home/hogehoge/.icewm/startup のファイルを編集することから始まります。plank & 以下にDesktop設定用コマンドを記入します。
plank の替わりは、tint2 ,cairo-dock ,その他のdock でも構いません、余りありませんが、Wbarが使えればWbarが良いですね、最近 私はtint2 を使っています。
startup を有効にするには 必ず $ chmod +x ~/.icewm/startup 若しくは  chmod +x /home/hogehoge/.icewm/startup hogehoge はユーザー名です
icewm-sessionのインストールが必要です。
$ .icewm/startup
を編集して下さい。.icewm の startup の最後の2行に

#!/bin/sh
[ ! -d ~/.icewm ] && mkdir ~/.icewm
icewm-xdg-menu --entire-menu --with-theme-paths --icon-size 16 --theme gnome > ~/.icewm/programs.autogen
ibus-daemon -drx
xscreensaver &
plank &

ibus と xscreensaver を追加します。icewmの場合数分で真っ暗な画面になってしまいますので、xscreensaver を前もってインストールしておきます。
その後 $ xcscreensaver -demo とターミナルでxscreesaverの時間や動画設定をします。それからicewm を起動します。icewm-xdg-menuはインストールしておいた方が良いかも知れませんが
時々、日本語サーバーが落ちるのです、これはFirefoxアップデートしてから出やすくなったのです。ibus-daemon -drx の部分をmenuに追加します。落ちたら、これをクリックします。これでOK
Wine はインストールしておくと便利です、インストールはさほど難しくはないが.wine以下の仮想DOS区域からインストールした方が良いと思います。Wineのアプリケーションが問題でライブラリーが
ちらばっている場合は実行が難しく1箇所に固まっているアプリケーションは比較的実行出来ます。起動の方法はバイナリーがある位置から起動するのですが失敗する場合があります。
wine とアプリケーションをインストールするとバイナリーのあるアイコンに右クリックすると何で起動するかと聞かれますのでそれらの一つを選ぶと起動出来ます。最新のWineのバージョンをインストールすると
かなり便利に使えます。ソースやGITも出ていますのでそれらでインストールした方が確実かも知れません。下に画像を貼っておきます。directryはWindowsと同じ構成で.wine以下に作成してあると便利です。

私のicewm startup の内容です
---------------------------------------------------------------------------------------------------------------------------------
#!/bin/sh
[ ! -d ~/.icewm ] && mkdir ~/.icewm ]
icewm-xdg-menu --entire-menu --with-theme-paths --icon-size 16 --theme gnome > ~/.icewm/programs.autogen
nm-applet &
ibus-daemon -drx
xscreensaver &
tint2 &
pcmanfm --desktop &
#caja --force-desktop &
---------------------------------------------------------------------------------------------------------------------------------

GTKを使っている為に時々長い文章を書くと途中で削除となってしまい、うまく動作しない場合

この項目は2024 2月10日に記載しました。
現象はMateやその他のウインドウマネジャーでは問題がないが、ICEWMに限ってその現象が出てきます。そこで
$touch .gtkrc-2.0 Editor で gtk-font-name = "M+2P+IPAG Circle 10" を記載します。
そこで、startupの中に .gtkrc-2.0 を記載する方法が良いと思います。
まずはテストしてみましょう。 どうも調子が良い様です。Start up の中に .gtkrc-2.0 を記載して下さい。私の場合はgtkrc が2.0ですので
Linuxのインストールの状況によって違います。環境に合わせて.gtkrc 以下に上のgtk-font-name =~ を記載します。GUI画面GTKを使っているアプリケーションで
日本語が書けます。時々場所によって日本語落ちが出てきます場合には良いと思います。 



在日朝鮮人が7年もストーカで嫌がらせ、部屋に入ったり、毒物を食物にいれる行為があったのです。PCは壊されていました。こんな事は八千代市の澤田商店の嫌がらせです。さて 2023.20thMar


妻のPCが2度に渡って壊されたのです。それでLinux Fedora 34をインストールしました。所がです、このバージョンのIcewmにはstartupファイルがないのです。これでは何も出来ません、
それで、このファイルは自作でスクリプトを書き込みます。chmod +x ~/.icewm/startup で権限を与えます。Startupはその人によって違いますが 自作します。
参考がいるはここになります Windows7からLinuxにしました。もう朝鮮人の泥棒には何も出来ません。朝鮮人は馬鹿野郎なのでLinuxを
 操作する能力はありません、その為のLinux導入でした。Grubエラーが出てインストール出来ませんでした。それで前に持っていらDVD外付けDVDを使ってUbuntuをインストールしてからFedora 34をインストールしました。
今日は大丈夫です。これは、嫌がらせです。在日朝鮮人からは、かなり執拗な嫌がらせを受けています。陰湿な人間達です。銃を持っていたら抹殺してやります。
そこで、スタートアップ ファイルは以下の様になります。startup ファイルを作りましたら
スタートファイルは最初空ファイルを作ります。
$ touch ~/icewm/startup 又は
cd .icewm
then touch startup
になります。空ファイルですので、この中に設定ファイルを書き込みます。
chmod +x ~/.icewm/startup を必ず実行して下さい 権限を与えます。付属のstartupの内容と同じ様に書き込みます。
注意:grub エラーが出てしまいニッチもさっちも行かない場合は一枚 Live CDを製作しておくと便利です。今回は古いUbuntu Stationが出てきましたのでそれをDVD外付けに入れて起動しました。先ずはUbuntuを入れてインストールします
サーバーなどでも構いませんそして正常に動作しましたら、その後で目的のデストリビューションをインストールします。今回はFedora Core linuxにしました。それはFedora core37が非常に遅いからでした。最近ではない34にしました。
私のメインPCは fedora 26ですので100倍も使いやすいと思います。
----------------------------------
#!/bin/bash
.icewm/startup
xset r rate 250 32
flameshot &
volumeicon &
redshift-gtk &
picom -b
spacefm --desktop &
ibus-daemon -drx &
xscreensaver &

--------------------------------------------
これらの運命は以下の 以下の様になります。在日朝鮮人部落です。これらの人達は抹殺するべきです。上のスクリプトがスタートアップファイルとなり .icewm 以下にstarup として保存します。
このファイルは自生ではなくご自分で作成するのが一般的の様ですそして、spacefm もインストールしましょう。これが壁紙やアイコンを表示させます。以下に2枚の画像がその例です。
これらは、Fedora 34以降がこの様になるのであろうと思います。テーマは全て使用出来フリーズはしませんでした。300以上のテーマが存在することになります。フリーズすることは全くなく
過去に作成したテーマすべてが使用出来ます。
今のところ壁紙やアイコンを付属できるアプリケーションは3例となります。
pcmanfm --desktop &
caja --force-desktop &
spacefm --desktop &
の3例です。ドックは tint2 が使えませんのでもし必要でしたら plank & となります。若しくは cairo-dock 等が良いと思います。無しでも不自由ではないと思います。
#以上が私の$startup の内容です、環境によって違いがあります。



caja version

Icewm FC 26 Linux caja desktop version 2023 dock は Tint2です左橋の□アイコンをクリックで設定です



FC34 batman


icewm new

Fedora core 34 の icewm です



monte carlo icewm

FC 34 ICEWM です、とても軽いです theme monte calro




My Menu for icewm
私の場合のmenuです


daemon   wine


icenine

ICEWM Ice Nine



bobo stanson

icewm and Nanopi-Neo2 Music server mpd 0.23.10



このファイルが悪さをしてテーマが起動しない場合がありますので必ずしも必要とは限りません、最近のものは既に同梱されていますが、テーマも起動するテーマしかインストールされていないのが現状です。
これらのファイルはディストリビューションでも違いがありますので設定に注意して下さい。LXDEと競業するファイルもありますので、注意して下さい。LXDEは当初ICEWMのテーマの一つだったのです。
Task Bar の位置は上下となります。設定によってはHideもできます。Hideとは使わない時に隠す機能です。タスクバーは上にして下側はWbarやcairoを使うと良いと思います。その他のドックも使えます。
plank はMateに依存するバーですので、その他のウインドウマネジャーでは正常に動作しません、MateでのPlankを下に紹介しますね、
基本的にX11でない場合は正常に動作出来ません、Fedora Core 22ではX11を使っていましたがそれ以降は XorgになってしまいましたのでX11で作られたicewm は動作しません、フリーズしますので
注意して下さい。
Program menu が消えた場合の処置: 新しいユーザーを作ります。その中にある.icewm の programs.autogen をコピーしてどこかに保存しておきます。問題の出ているユーザーのprogram.autogen
に上書きします。再起動すると、ログアウトしてログインしなおしますと改善していると思います。個々のユーザーに出て来ますので壊れると復帰しませんので、正常に動作するファイルをコピーします。
重要:音楽サーバーを構築する場合にとても重要な事項は、MPDを構築する場合は、マウントしてあるハードディスクは必ず取り外して下さい。一瞬にしてハードディスクを削除されてしまいます。
イメージファイルやISOを作っている場合はも同様です、簡単にメインPCをフォーマットしてしまいます。メディアをフォーマットやイメージを書く場合は必ずマウントポイントを確認して下さい。
かなり重要です。メインPCのデーターやライブラリーが削除される可能性があります。眠い時、酒を飲んだ時や、朦朧としている時はこの操作を絶対しないで下さい。
この問題は:実際は/usr/lib/python2.7/site-packages/xdg/Menu.py:1: UnicodeWarning: Unicode equal comparison failed to convert both arguments to Unicode -
/python2.7/に問題がありそうです。このOSのバージョンの問題なのでしょう、貴重なデーターを保存してアップグレードされたOSを使うしかないと思います。この状態での的確な解決法はないのです
Fedora Core 26の問題です。ここまででしょうし機会があったら早急にアップグレードするつもりです。SKYMPCがmpd OSのバージョンによって動作不良になっています。ただし、
同じOSでもユーザを変更して新たにインストールすると動作するのは、アプリケーションの問題ではなくライブラリーの不良と言う事になりました。解決法は他のコンディションのLinuxを使うことです。
コマンドなんですが、その中には字列があり使っているコードのバージョンによってはエラーを起こす為に動作不良になっています。このPCでもユーザーを変更すると完璧に動作しますので
新しいユーザの領域で再度使うのが妥当と思います。エラーの出ているicewmで使う場合はprogram.autogen をダブルクリックしますとメニューが表示されますので、その文列をコピーしてEditor(emacs.laedpad)など
で入らいたmenuのどこかに貼り付けます。まあ一応全てのメニュー、プログラムが表示されますので手動で編集しれば見やすくなります。 



Desktop を表示する方法 その2 

その方法はArchilinuxにありました。詳細はリンクをご欄ください。先ずは、mate desktop , mate , pcmanfm をインストールして下さい。

archilinux

その方法はご覧になればわかりますが、「pcmanfm 」を使います。これは「caja」を使う方法を紹介しましたが、pcmanfmでも出来るのです。もしかするとnautilus でも出来るかも知れません、
ただし、pcmanfmを使うとlogoutが出来ないと言ってありますので、Startupに記入しないでメニューとして起動したほうが良いかも知れません。今の所 Cajaが一番良い様ですが???
$ pcmanfm --desktop
で表示が出来ます。実施しましたが、ログアウトは出来ました、先ずはstartupに記載してみようと思います。難しいスクリプトの操作や編集は必要ではありません、
idesk がコンパイルできればこれが一番軽いのですが、自由に壁紙を変えることは出来ませんのでpcmanfm をインストールする方法が一番良く綺麗な仕上がりになります。cajaでも構いません。
壁紙は自由に設定出来ます、難しいスクリプトも何も必要はありません、pcmanfm 若しくは cajaを使う事で自由に設定出来ます。デスクトップのアイコンや、壁紙を自由に操作出来ます。
下部のバーはtint2 wbar cairo-dock でも、お好きな方法を撰んで下さい。ICEWMでも他のウインドウマネージャーと同じ様に使えますが少し重くなるかも知れません、壁紙などの容量を
少し軽くすでば回避出来ると思います。一番下方にcairo-dock の表示を紹介しておきます。
pcmanfm

pcmanfm を使った場合


では、startupにpcmanfm --desktop & を書き込んでログアウトしてみます。

何の不具合か不明ですが、pcmanfm の場合は右クリックで壁紙の変更が出来たのですが、途中から突然出来なくなりました、それで
$pcmanfm --pref と言うメニューを取り付けました。GUIの窓がポップアップして取り敢えず壁紙の変更が可能となります。
$ caja --force-desktop の場合はバックグランドで右クリックしますと壁紙の変更が出来ます。
当分はこの設定で使って見ましょう。ところで原因はフリーズした時に 
.config/pcmanfm/default/desktop-items-0.conf
の中のshow_wm_menu=1 となっているので、= 0 とすると、バックグランドで右クリックで壁紙の変更が簡単にできます。でもToorbarの中にアイコンで押すのも
悪くはないと思います。どちらが使い良いかはわかりません、ご自由に



menu

設定 ポップアップ 右クリックで出てきます



Monte Carlo

Icewm Monte Carlo + pcmanfm



pcmanfm

pcmanfm を使った場合cajaの場合はアイコンがバラバラですが、pcmanfmではきっちりと整頓されています。



mpd compile

FC 26 Linux WorkStationからssh を使って音楽サーバーのmpdをコンパイル中です mpd 23.10 です

 

yuki-wada

Kyoto University Yuki Wada 氏のTheme caja 使っています 同じディレクトリーに画像を貼ってあります



yuki wada

Yuki wada theme with PCMANFM を併用しています



NYC icewm 2022 nov

NYC のテーマ icewm とは思えませんね、勿論 Windowsアプリケーションも動作します



Tint2の説明
tint 2


tint2 のインストールは Debian 系でしたら、$sudo apt install tint 若しくは tint2 でインストールが出来ます。Fedora系の場合はつまりRed Hat系の場合は
su になって# dnf install tint2 でインストールが出来ます。左端の四角いアイコンをクリックるとGUIのメニューが起動しますのでそれに従って設定を行って下さい。
軽いのでcairoなどよりは良いと思います。アイコンはアイコンの設定や画像編集して丸型にしたりするのも良いと思います。位置は画面のどこにでも設定出来ます。
flukbox、その他のドックを持たないウインドウマネージャーに使う事が出来ます。2列に出来ればIdeskの様に使うことも出来ます。アイコンは画面のトップに出ますので
大変便利ですし、ハイドも出来ますので有用と思います。透かしも出来ますのでプレゼンテーションも良くなります。ICEWMと組み合わせると良いと思います。
Icewwmの起動の際に自動で起動する事が出来る様にstartupファイルに書き込むと良いと思います。git でのインストールは以下となります。
注意:icewm のタスクバーが下にある場合はtint2 のバーが見えない為にインストールされていないと勘違いします。Icewmのタスクバーが上に重なっておりTint2の初期メニューが
見えない錯覚を起こします。preferences を編集してTopに移動しておきます。Tint2は8方の方向に10以上の位置に設定出来ますので、良い所を選んで下さい。設定は左端にあるアイコン
■となります。設定中にエラーが出ると画面がフリーズしてしまいますのその場合は他のウインドウマネージャーでコマンドラインから、
$~/.config/tint2 以下もしくはtint2を削除して下さい。自動生成ですので再度起動したときにtin2 のホルダーが出来ますので心配はありません。基本的な動作から始めて
外観や機能を設定して細かく設定していきます。

git

参考:git によるinstall その他のLinuxの場合です。Slackware系などです



Kiki's Themes by Icewm


kiki


kiki 6

Kiki 6 kiki theme with tint 2 by FC 26 Linux




kiki の英語版はスパイダーマンに出ていた彼女だったのです。彼女は小さい頃からKikiと言う愛称があったのですそして彼女はこのアニメに出ていたのです。そうです英語版の吹き替えはKikiだったのです。有名な お話しです。
そして皆さんが知っている彼女は次に紹介するKikiです。彼女は、、、キルステン・キャロライン・ダンスト(Kirsten Caroline Dunst) だったのです。ピッタリの声ですね、
Miyazakiのアニメが出た時に彼女はこれは私のアニメと思ったそうです。




Kiki Fly theme

IceNine Basic

IceNine Yuki-Wada

Kiki

Kiki Kirsten Caroline Dunst



menu

program autogen をファイルマネジャーでWクリックすると自動生成したファイルが出て来ますのでそれをコピーし貼って編集します

menu fix

menu を表示させた場合ですこれは自動検出ではなく編集したメニューです


emiclock emiclock binary はemiclock-binary

私には配布件を持っておりませんが、ご自分で使う分には良いでしょう、適当な場所に保存して解凍してバイナリで出てきますので
それをコマンドラインからアクセスして下さい。動作しないLinuxがあるかも知れません但し64bit版のOSで使って下さい。



monte carlo

Monte Carlo theme



monte carlo theme

theme
raspbian buster VNC


VNC

まず、Raspbian 側で ターミナルで raspi-config でVNCを有効にします



VNC

他のターミナルからのVNCログイン画面です、Raspbian Buster側で設定します



VNC

VNCを使ってRaspbian Busterのワークステーションを操作している画像です 2021/11/24つまり遠隔操作



speedy browz

Micro Soft Edge が Linuxでも使える様になりました。Debian 系 と Redhat 系のアプリケーションです。ダウンロードしてインストール



画面が明るくなりましたあ、何よりスピード感がLinuxとは思えないブウジングです。Google-Chromeを考えに入れたアレンジとなっているとの事です。Linux化が移行している
マイクロソフトを感じます。Windows11 では共用  Linuxが存在されておりUbuntuとDebianが指定されています。Windows11にはLinux並のターミナルが存在しています。
何もテラ・タームをインストールする必要がありません、ましてLinuxを意識したマルチタスク化マルチウインドウ化されているのも興味があります。まだ使い難いですが、
このマイクロソフト・エッジはRaspbianでも使えるとのことです。その他 Atom ,Teams,Steam, Microsoft Visual Stage code 等もインストールしてあります
wine はインストールしておいた方が良いと思います。wine を使って多くのwindows 用のアプリケーションがインストール出来ます。

仮想 Linux オンライン 


linux cloud

Linux Cloud Web Browzer でLinuxが使えます



Claudo Linux

on line で クラウドを使ってLinuxを体験出来るサイトです、Linuxですので何でも出来ます。実体験出来ます



ネット回線のスピードにもよりますが、練習には良いと思います。Live Linuxよりは遅いですが、結構忠実に動作します。Ubuntuと、Fedora Core Linuxを体験出来ます。
無しのコマンドラインのみのサイトは結構ありますので検索すると出てきますので練習には良いと思います。USBメモリがあればLive Linuxは結構有用ですので使って見ると良いと思います。



monte carlo cairo + plank

Monte Carlo + cairo-dock and Plank


cairo-dock

Kiki and cairo dock 2022 5th Feb



誰かさんが、このページを見ていたのが2022年の2月21日です。このKIKIの近くからこのサイトを見ていて、IPを追いかけたらこのKIKIのパン屋さんにぶつかりました。近くまで来ましたら寄っていってあげてくださいキキにあえるかも知れません



最近の多くのテーマはICENINEを改造して作った テーマなのです、



そして、多くのテーマはICESilverや、ICENINEを編集して作ったテーマなのです ICEと言うテーマは冒頭にICEが付くテーマは殆どは動作します。このKDE4のテーマも開発者がICENINEを編集して作ったの
でしょう。ここにICENINEをダウンロード出来る様にしておきますので、自分の責任でインストールと編集をして下さい。私には配布の権限はありませんことを言っておきます。




<IceNine theme

KDE 4

KDE4 themes + tint2 勿論 ICEWMです、軽いです



ところがです、前から出ていたcajaを起動すると、mateが起動するらしく、壁紙や、ideskが有効になるのです。これは時々しか出ない症状ですが、常時出るにはどうすれば良いかは不明です。
kikiの背景を出してcajaを起動するとその傾向が出てきます。icewmなのですが、mate と同じ傾向になるのです。その後のディストリビューションではcajaがエラー修正されたらしいのですが
新しいバージョンでは出ないのかも知れません。以下に画像の例を貼っておきます。私としてはこれで満足ですがデフォルトでは発生しない例です
Lxdeをインストールしてある為に共存が出なくて、IcewmでもLxdeの特徴が出てきてしまいます。原因は判りません。
以下、その例です。最近 root の容量がなくなっており困っています。rootは40Gigaしかないのですね、今頃わかりました、それで拡張したり削除したりしてやっと2 Gigaまで確保しました。

そこで、色々やってみました、caja が要因ですので、cajaのオプションを探しましたら発見しました、これでIcewmとmateが共有できます。
$ caja -help のオプションの中に caja --force-desktop がありました、これをスタートアップの中に書き込みます。Defautsは何でも構いませんお好きなテーマを選びます。
そして起動します。その画面が以下に示します。何も不具合は見つかりませんし、正常の動作するのを確認しました。私の startup ファイルの内容を以下に示します。

@2A3single .icewm]$ cat startup
----------------------------------------
#!/bin/sh

icewm-xdg-menu --entire-menu --with-theme-paths --icon-size 16 --theme gnome > ~/.icewm/programs.autogen
nm-applet &
caja --force-desktop &
ibus-daemon -drx
xscreensaver &
tint2 &

以上の様になります。再起動して下さい。ちょっとした使いにくさはありますが慣れると思います。Desktopのアイコンを整理する必要があります。尚、このICEWMはMATEをインストールする必要が
あります。menuの中に書き込んでも良いと思います。statupに書き込むと煩わしいかも知れませんが遥かに使いやすくなったと思います。また自由に壁紙の変更ができます。メニューとタスクバーのみが
ICEWMで基本的な動作はMATEと同様の操作ができます。軽さはICEWMと同じです。

icewm


Batman mate

Bat Man mate and icewm で表示したicewmです。基本的にはICEWMですが、自由性が増しました



Batman

Hint から作成した Bat Man + Caja バージョンです



asuka themes

エヴァンゲリオン アスカのテーマです



mpd

ICEWM と Nanopi-Neo2 Music Server 5th Nov 2022 音楽サーバーはLinuxを使っている



clearlooks


icenine


kde4


Themes sample for ICEWM

Fedora Core 34以降のLinux、Ubutuで使えますLinuxなら何でもOKと思います。FC34で塊りませんのでほとんどで使えると思います。テーマは適度の編集して下さい。300以上はあると
思います。 Fedora Core icewm 34 icewn は 2.6   Fedora core 26は 1.3.8 です。2.6以降はすべて使えると思います 最新版は 3.3.0 です。



Windows Game play by Linux by Wine

wine を使ってかなり楽しめるWindows 用の戦争ゲームなど沢山あります 100% Free Game



簡単インストールLinux

古いPCにLinuxをインストールする方法


good


Windows では普通に出来るゲームですがLinuxでも出来るのです。抜群の迫力です


>nanopi-neo2 music server 2022

Icewm + nanopineo2 Music Server mympd 家庭LANを使った音楽サーバです真空管アンプが繋がっていますmpd 0.23.5 手動コンパイルしてあります

音楽の選曲は黒いターミナル上の ncmpc を使います。自由にサーバーの中をショートカットに沿って動き回ることが出来ます。元々はSSHでアクセスしたターミナルです。
この音楽サーバーには同じLAN上にMoodeaudioに2テラバイトのハードディスクが付いており10万曲以上の音楽ファイルが保存してあります。Raspberrypi4 MoodeaudioはNASとして使っています。
メインPCはFedora Core Linux 64ビットです。このPCを起点として音楽ファイルの編集やコンパイルの補助、サーバーの管理をしています。サーバーと言っても普通のワークステーションです。
私のPC関係ではウインドウズのOSを全く使っていません、その他 wine 5.5を使ってウインドウズ用のアプリケーションを動かしています。ライブラリーはソースをコンパイルしてインストールしてあります。
Sony Vaio を使っています。もう少しで9年目に入ります。Sony Vaio 64bit とても良いパソコンです。Vaio はSonyから離れてしまったのが残念です。Sonyが好きなんですね、元々はSonyの従業員でした。

dot file

  緑色のファイルがスタートの設定ファイルです。中は以下の様になっています

kenji@2A3single .icewm]$ cat startup
#!/bin/sh
[ ! -d ~/.icewm ] && mkdir ~/.icewm
icewm-xdg-menu --entire-menu --with-theme-paths --icon-size 16 --theme gnome > ~/.icewm/programs.autogen
ibus-daemon -drx
xscreensaver &
plank &
以上を自分の環境に合わせて書き込んでいきます。これを書かないと、立ち上がった時に手動で一つずつ立ち上げる必要がありますが、簡単なので
これを書いておきましょう。ホームディレクトリーの中の.icewmの中にないものがあったら、/usr/share/icewm から物理的にコピーしてきます。
テーマなども。themesの中のファイルをコピーしただけで、立派に動作がするのです。そして軽いのです。壁紙はない方が軽い動作になるますので
ご自分で作成して下さい。真っ黒が一番軽い様です。VNCを使って他のPCもコントロール出来るのは素晴らしいと思います。これはLinuxに限った事では
ありませんが、軽い画面を作って見るのも良いと思います。LXDEはドイツのプログラム屋が開発したものですが、元々はLXDEと言うテーマがあり、
それが抜け出してウインドウマネジャーになったのです。Icewmとlxdeをインストールすると競合してあるテーマでLXDEが誤動作する場合があります。



SJIS から UTF8にhtml を変更する

Atom を使うと簡単に変換が出来ると言いますがそれほど簡単には行きませんでした。文章によっては、nkf で出来るのです。nkfをインストールして以下の様にします。
nkf -w8 Bsch-linux.htm > Bsch-linuc.htm この場合名称を変更します。変換しましたらリネームして元に戻す方式の方が良いと思います。
確認は   
nkf -g Bsch-linux.htm
これで、UTF-8と表示されればUTF-8になりました。nkf --help で 使い方が表示されます この方法で私のサイトのホームページを全てSJIS EUK から UTF-8
に変換しました。もし、サイトをお持ちでSJISで書いたHTMLがありましたらコマンドラインから簡単に変換が出来ます。こまめにサイトの文章をチェックすると
良いと思います。出来たUFT-8 ファイルを別名でコピーします。出来たUTFファイルは名称が違いますので更に正規の名称でコピーします。その後
変換されたファイルは削除します。都合の良いやりかたは色々あると思います。--overwrite で上書きも可能です。結構 うまく行きます。
nkf -g Bsch-linux.htm をして、UTF-8が表示されれば、OKです。HTMLの中のtugの中のフォーマットの文字が元の字でしたらUTF-8にして下さい。
ところで、サイトをPHPにしたいのですが知識が不足してそこまで及びません。そのうち、やりましょう

「nkf」は「Network Kanji Filter」の略で、

LinuxとWindowsなど、異なるOS間でテキストデータを交換する際に問題となる文字コードと改行コードを変換するためのコマンドです。


音楽サーバーの製作とワークステーション Linux満載のページです



kde4

ssh でターミナルを使ってgccをコンパイル中です。mpd 0.23.4 はGccが10でないとインストールが出来ない為です



kde 5

KDE5 sawfish 併用版です 綺麗なウインドウマネージャーです それほど重くはない




Kiki

つまりplank はmateに依存しておりますmateを使うと正常に使えます



Kiki

魔女の宅急便とIcewm kiki no theme cairo-dock



icewm

icewm + cairo-dock monte-calro-themes 2021 9.6th



cairo dock

Cairo dock



latte-dock

latte-dock



Cairo dock

icewm monte carlo
monte carlo

Monte Carlo thmes if would like to use



wbar

FC22 以降、XF86から以降して新しい表示方式になった為にICEWMが自由に使えなくなりました、Wbar ideskが廃止になったのです
ライブラリの関係と思いますが、マイクロソフトがクレームしたのであろうと思います。2010年に統括する長がリタイアして新人をマイクロソフトが人選した為に
マイクロソフトもLinuxよりの思考になったと言われています。良い事です。Linux互換のアプリケーションをどんどん出していますしマイクロソフトのアプリケーション
をwineなどのアプリケーションなしに使える様になっています。ATOMやphotoscape,VS Visual Studio code などもインストール出来ます。
その他沢山のアプリケーションが利用出来る様になったのもマイクロソフトの人材改革と思います。良いことです。
また、新しいつまり最新のICEWMは新しいライブラリーのOSに限りますが、
idesk wbar なども追加出来る様になりよりウインドウズに近いウインドウ・マネージャーが開発されている
とのことです。でも、当分はこのPCとFedora Core Linux 26を使うことになります。


windows 11 modoki

WINDOWS 11 modoki KDE plasma 4th Sep 2021



Kiki

Asuka but Kiki theme ICEkiki themes



Wbar
fly Kiki

Theme of Kiki



Kiki 2

Asuka Kkiki themes



KDE Plasma

KDE Plasma windows 11 like 4th Sep 2021



icewm cairo dock

Cairo Dock + icewm 4th Sep 2021



icewm 2021

icewm by Fedora Core Linux clearlook themes on July 14th 2021



ICEWM 2019

ICEWM by Fedora Core 26 x86 64bit Linux とても軽いICEWMです:)on 22nd July 2019



xdg family ice themes

icewm new

plank

アイコンの右クリックすると追加のポップアップが出来ますのでレ点を入れるとアイコン追加されます



VA

Visual Analyser VA by wine VA



KDE4 icewm

Arduino が表示 されています theme は KDE4 



KDE4

Windows で処理出来ることはこのLinuxで同様に出来ます



my room

4 畳半にびっしりと何かを作る体制の部屋です



プロファイル : 外国に10年ほどおりました、音響製品のパイオニアで駐在員で4 年、南米チリにいましたのは40年前です。そして半世紀前、名もない音響メーカーの駐在員(現地社員)で3年 USA 東海岸、正確には南東部の商業都市の
ユダヤ多国籍企業で修理をしておりましたのは49年前です。20年前にモトロラ代理店で南米チリで3年ほどおりました。ほぼ10年の外国の生活でした。現在は無職年齢的にリタイアの年齢です。
本職は真空管アンプのガレージメーカーです。Mizushima Audio Lab で真空管アンプを南米、欧米で使われています。現実は厳しい状態です。生活保護寸前ですマーケットは北米、南米、東南アジア、中東、ヨーロッパです。
日本では一台も売れていません日本人には売りません。Linux ユーザーです。Cは書けない為にそれで仕事にありつけない状態です。Cが書けると趣味や本業と生活に潤いが来ると思いますが頭が追いつかないのでここまでです。
気分は秦氏の末裔です。:根拠 300年以上も続いた大工の家系に生まれました。建築技術は伝承されて技能でその時代その時代に引き継がれた技能でしたが、親父の代でその先が駄目な子孫でそれで終わりました。不思議な事です。
父には5人ほどの兄弟がおりましたが、それで継承することは出来なかったのです。祖父から親から学力なしで受け継がれた技能はそこでこの時代で終止符を打たれたのです。祖父とは一体どんな人だったのでしょうか?
昔 数百年前に書かれたと思う巻物があったのですが、私は見ましたが兄嫁がぞんざいな女性で全て廃棄されたのです。私がアメリカにいた時期と思います。比較的大きくなった建設会社もその人達に食い物にされてなくなりました。
何と言う兄嫁の家系でしょうか?そこで秦氏の末裔は終息しました。父の兄弟も同じような運命と思います。それが皆 同じ病気で他界したのです。内蔵疾患です。俗に言う大腸がんです。何と一族は皆同じ様な病で他界したのです。
これは不思議な現象と言うか祟りなのかも知れない、秦の末裔は長生き出来ないのでしょうか?私は脳梗塞も大腸がんも済ませました。脳梗塞は気をつければ再発しない様です。大腸がんも同じです。脳卒中はこれも不思議で、
発症後5年以上もすると体と言うか、脳の組織が戻るのです半身不随は多少残っている程度です。つまり脳の機能は回復や改善するものです。日本の医学はそこが間違っています。脳卒中をした人をゴミ扱いにして再起不能にします
がそれは全くの嘘です。どこからそんな言葉が出たのでしょうか?経験した事のない病状を簡単に判断して口から出してしまう日本の医学の不完全性です。



tint2

Tint 2 and Kiki



Bat Man

Bat man and tint2



ICEBUNTU kiki

Tint2 と Icewm FC26 上での使用 




Linux 100% の 世界 それは Nanopi-neo2 音楽サーバーの世界 


Music Server

100% Linux を使った 音楽サーバーの紹介



music server

Nanopi-Neo2 Music Server ワンボードPCを使った音楽サーバーの製作



nanopi-neo2

Nanopi-Neo2 Single Board Computor



cairo dock

pcmanfm と cairo dock を使った例です



Qt Bsch の使い方


「回路図は水魚堂-->
MAC版のソースをコンパイルしてインストールしてありそれで回路図を作成してコンパイルしてGIMPなどで編集します。


Qt Bsch の使い方

bsch

Raspberrypi4 Rapbian でもwine を使って利用できます



XF86 を使っていないテーマはインストールが出来ません、旧型 ウインドウマネジャーを使っている場合は古いアーカイブでも使えますが、xdmを使っていると
インストールが出来ないばかりか、フリーズしてしまいます。xdg-menu をインストールしなければ良いのです。若しくは、「program.autogen」と言うファイルが
存在すればプログラムファイルを自動的にアクセス出来ます。最近のICEWMはそれがアーカイブの中に同梱されています。それがない場合はローカルのみのアクセス
若しくは手動でメニューを書かないとアクセスは出来ませんがこれはGUIだけの事で、ターミナルを開いて実行コマンドを入力すれば良いことです。それが
本来のLinuxの操作です。基本はターミナル上でコマンドを叩くのが正しい使い方です



記録としてまだ残っていますが、もし興味がありましたら、ICEWM No4 あたりから、をご覧下さい。ICEWMはとても軽いウインドウマネージャーです。
アプリケーションはバックグラウンドで使います。テーマは100以上あります。ご自分でカスタマイズすれば無限に存在するウインドウマネージャーです。
MAC風にすることも可能です。古い DOS風にすることもWindows XP風にすることも可能です。これらは使う方次第です。

ご注意 私の使っているPCが古い為にこのサイトで紹介してあるファイルが動作しない場合は破棄して下さい。独自に似た物を作る必要があります。
ライブラリーによっては動作せずフリーズしますので、リーブーツのターミナルを用意してフリーズしましたらthemeの内容を編集してリーブーツして下さい。
もし、共有PCの場合は管理者にICEWMのアプリケーションをインストールして頂きます。ディストリビューションによってインストールアーカイブが違います
ので、それも合わせてご注意下さい。個々のPCにインストールはsuになったインストールしますが、テーマはすべてインストールするのではなく.icewm 以下に
個々にテーマをコピーします。これで個々のPCにテーマがインストール出来ます。基本的にはICEWMとdevel のインストールでOKと思います。一部のテーマは
そのPCにLXDEなどがインストールされていますとうまく動作しない場合がありますのでLXDEをアンインストールする必要があります。LXDEそのものは
ICEWMのアプリケーションをLXDEとして作り直したらしいと思われます為につまり、パクったのがLXDEですので競合して動作しない場合があります。
LXDE LXQT は良く似ている格好と思われると思いますがその通りです。LXQTはQTを使っている為に競合することはありません。
icewm をテストする場合:安定版のicewmを起動させておきます。.icewm 以下のtheme のファイルをleafpad, gedit などで開いておきます。
保存 ボタンの出ているエジターが良いと思います。不安定版のthemesを選びます。クリックして固まった場合は、theme の最上のラインが固まった
テーマでない、つまり元の安定しているテーマが表示されている場合は、「保存」をクリックして下さい。元に戻りますので固まったテーマは使わないで
下さい。ライブラリーの不具合で固まりますので「xdgmenu」や「gnome-menu」が競合していますので、これを削除します。これらを外すと
プログラムファイルが認識出来なくなりますのでご自分でmenuのファイルを書き込んで行く必要が出て来ます。Ubuntu系では多分OKと思います。
紹介したthemesのファイル全てが使えると思います。もし固まったら、上の方法で行いますが、固まった状態でエジターを開いてない場合は
電源スイッチの長押しで電源を切る羽目になりますのでご注意下さい。安全なテーマを使って下さい。


ご注意:壁紙が大きなサイズのメモリーの場合は動作しないかフリーズする可能性があります。これはicewm.orgdも同じ事を言っています。
出来ることなら壁紙は使わないか? 500K Byte以下のファイルのサイズの画像を使って下さい。大きい場合は動作が遅くなる場合があります。

Dock をインストールしましょう Plank と言います


x11の頃は沢山の綺麗なdock やWbarがあったのですが、wbar はインストール出来ません、探しましたらありました。xface-4 panel 見たいなDockです見栄えは余り
良くありません、Cairo-Dockでも構いませんがCairo-dockは場所を食いますのでこれなら良いと思います。ただ自由なアイコンを付けることが出来ません
どこからこのアイコンを持ってくるのかも不明でダサいアイコンと思います。使えないこともないので紹介しましょう。
Dockは出てきましたが、設定がわかりません、「Ctrl」を押してマウスを右クリックするとポップアップ・メニューが出て来ますのでそれで設定を行って下さい。
細かい設定は出来ませんし、Wbarの様にアイコンも増えませんアイコンもちょっとお粗末ですが何とか考えましょう。Plank はどんなディストリビューションでも
インストール出来ます。plank は.icewm の中のstartup の最後にコマンドを記載します。ちなみにblackwm に装備すると落ちてしまいます。
icon はどこからやってくるのか? .local/share/icons の中と /usr/share/applications の中から出て来ます。
デフォルトで使うとアプリケーションで使っていないICONが表示されています。これはマウスで移動させるとバーの外で落とすと破裂してしまいした。
爆発と言うか煙が出て破裂してしまいます。新たにアイコンを追加は出来ません、出来るのかわかりませんがそれらしき設定がありません、
コマンドラインで $ plank --preferences と入力すると設定が出てきますが、これはショートカットの「Ctrl +バーの中で右クリック」と同じ動向です。
特に追加する設定はない様です。
plank

plank + Icewm です 元々はArchilinux用らしいです、インストールは以下のリンクを見て下さい



KDE 4

使いやすいと思います テーマはKDE4です

 

ICE


A Guide To Using Plank Dock On Linux

Icewm NO4 Icewm の使い方

Raspberrypi Raspbian Buster ICEWM の使い方

ICEWMのリンクサイトから得たOUT-of-ICEWMのテーマを.icewmのthemesの中にコピーしたICEWMです


ICE-Nine-Asuka

Localで使って下さい。ライブラリーによっては固まりますのでご注意下さい

パクリですが、BatManです

多くのIcoも同梱しましたので綺麗になると思います。



Bat man theme

Bat Man Theme s 13rd Sep 2021 FC 26 64bit Linux



menu sample of mine

tema

最新の基本的なテーマです、Githubからダウンロードしたものです適合するかはわかりませんアーカイブは新しいのですが古いファイルです


themes

Raspbian buster /Raspberrypi4 のワークステーションに入っているicewm のテーマです ファイルですの使えると思います。Ubuntu系だったら使えると思います update 23rd Sep 2021

このホームページは元々、Tripod.jpだったのですが、そのうちに、infoseekに買収されてしまいました。もともとは
Tripod.jpで無料サイトでした。その後、楽天に買収をされて、数年、今度は、この無料サイトを廃止すると2010年8月になって
通知されました。継続には、有料にする必要がありますと、まったく納得がいかないまま、沢山有る個人的データーの積み重ね
を捨てる事が出来ず、しぶしぶ、1年の契約に至りました。無料ホームページの貴重性はあると思いますが、何とも
割りきれない気持です。沢山のHP サイトが有料になり、これは、良い収入源となったことでしょう。ねえ楽天さん、ぼろ
儲けと言っても過言ではないと思います。 管理者 西暦2010 10月4日 記載 Red Hat Linux 9

そして、西暦2011年3月11日以降、つまり東日本震災以降です。
iswebを廃止すると、言って来ました。2012年までにすべてのinfoseekホームページを廃止すると言って来ました
ただ無責任な行為です。何があったのでしょうか? と言う訳で、このホームページは
http://lagarto-ex-infoseek.jp/ice/icewm-j.htm と、新たにレンタルサーバーの契約をしました。
「lagarto 元 infoseek 」と言うドメインです。こんなのでも、登録は出来ますので、あまりドメイン名は
変わりません。
楽天のホームページユーザーは200万ユーザーと言われていましたが、最低100万ユーザーがこの方法でホームページの更新を
しなければ、ならないとして、3500円で一年の契約ですので、一気に100万 X 6300円 = 63億円の儲です。
実際はこれより多いかも知れませんし、少ないかも知れません。63億円も儲て、半年後はこれらのサーバーを
すべて廃止するとは、「詐欺」行為ではないでしょうか?詐欺より「楽天は泥棒」集団なのです。とても理解できな
ことです。こんなやり方は、本当の日本人のやり方ではなかと思います。ネット社会とはこんな風ではいけないと思います。

(情報が古い為リンクが切れていたりアーカイブがなかったりしていることをお許し下さい。

あなたはどう思いますか?その後ですが、レンタルサーバーの契約が 2ヶ所ある為にex-infoseek を廃止し、真空管アンプサイトに結合しました。



管理者 西暦2015記載 by Linux
なお、本サイトはレンタルサーバーを使っています。OS は

Linux

サーバーのOSはUNIX
でNTTのサーバーを使っています。とても早いですよ、
以下の
メニュー・サイトを参照にしてご覧下さい。


windows 11 modoki

windows 11 modoki です Linux は一応何でも似通った表示が出来ます。



KDE 4 and Tint2

KDE4 theme and Tint2



new Icewm is already 新しいICEWMが出来ました


icewm new one

新しいICWMです。Ubuntuからの紹介となります。




Menu for Icewm how to use

必ず、上のアイコンをクリックして下さいこの「私なりのICEWMの使い方」のメニューに入ります



ICEWM NO4 私なりのICEWMの使い方

上のサイトを見た方が良いと思います。最近更新してあります。ICEWMのインストールはほとんどの人がUBUNTU系若しくはDebian系を使っていますので、apt-getでicewm とicewm-themesをインストールして下さい
若しくはicewm-commonをインストールして下さい。かなり多くのICEWMのテーマがインストールされます。これはRaspbianでも同様です。X86のPCを使って下さい。


古いXPの入ったPCにLinuxをインストール

Free BSD 関係 ICEWM は?


FreeBSD ICEWMinstall



ICEWM is Made(Make) by Mr Marko MacekICEWM logo
Wbar
断り:このホームページは画像ファイルが沢山張ってありますので大変重いのです。
時間をかけて、しばらく、ほっておいてからご覧下さい。小さい画像は右クリックで画像だけを拡大して
ご覧下さい、もっと詳細にご欄いただけると思います。大変 重いホームページですが、これで良いでしょう。
なお、私は依然として、RedHat9を使っています、また、低スペック PC を使っています。新しいPC 新しい
ディストリビューションのLinuxを使わなくても、動くLinux です。ROX ,PCMAN などをインストール
は、ライブラリーが古く、Makeするのは大変難しいのですが、その他の方法でアイコンなをも付けることは可能です
見ただけでは、最新のディストリビューションに引けを取りません。私なりのICEWMの使い方です。
Glib2付近以下のLinuxとは、Vine Linux2.1.6 付近となります。尚、最新のDebian系で実験する方が
快適なLinuxが出来ると思います。
とりあえず、ICEWM はインストール済みで、テーマが欲しい場合は
以下の"赤いテーマリンク"を押して下さい。時間によってサーバーが閉まっている時があります。
ご注意下さい。世界中のFTPサーバーでLinuxをおいてあるサーバーを探して"pub/X11" を探すとあることもたま
たまにあります。
ご注意:HTTP、FTPのダウンロードサイトは必ずコンソール(kterm)などで、wget -c 若しくは、
wget を使ってダウンロードして下さい。サーバーやPCの負担が軽減できます。いわばマナーです。
$ wget http://ftp.xx.us/linux/xxxx-v2jjjp.tar.gz の様に記載します。これでエンターです。

サイトのファイルのリストが表示しましたら、目的のファイル(アプリ)をマウスでコピーします。それを
kterm上で $wget 続いてドロップします。それでEnterです。もし、拒否されましたら、# ルートになって
から、再度トライしてみて下さい。テーマのインストールの仕方は、下の方に記載してあります。探して
みて下さい。

ご注意:色々なディストリ・ビューションのLinux,BSD系があります。まずは、#apt-get,#yum または
ソース、バイナリーを見つけて、みなさんが使っているPCに、まずは、ICEWMをインストールして下さい。
普通は最低の程度で、ライブラリー(テーマ)が付属しています。テーマはホームディレクトリに入れるのが
一般です。まずは、ICEWM を入れる事から始まります。XP風、OSX風、windowsの各バージョンにすることが出来ます。
色々な顔に出来る、編集が可能のウインドウ・マネージャーがICEWMです。併用して他の数種のウインドウ・マネジャー
をインストールした方がICEWMの良さを引き出す事が出来ます。壁紙次第では、かなり重くなります。
そして、自由なテーマ、奇抜なテーマ、奇抜なテーマそれでいて、軽く作動するのはユーザー次第です。
どんどんカスタマイズしていくことをお勧め致します。そして、公開して私にも使わせて下さい。とても
楽しみにしています。



tema
このサイトは、ICEWMに関係なくその他のウインドウマネジャーにも共通のサイトです。
再度、トライしてみます。2010,Dic,19(lagarto)update 23rd July 2019.
2021

Clear-look icewm + idesk 2021 FC 26



Bat mas

Bat man themes + Webar 2015 by fedora core 22



icewm

Cents5 ICEWM Batman themes



raspberrypi 4 B

Raspbian Buster + Wine on 22nd June 2021 by Raspberrypi4 B Type


Box86 with Dynarec v0.2.3 681e06ce built on Jun 13 2021 00:03:18 wine-5.13p 多くのWindows アプリケーションが動作します。Wineを使っています。Bschも動作出来ます。
Office 2010 もほとんど動作しますが、ワードとExcelの動作が良いと思います。カルダス・サーキットやTinyCadも使えます。JWWなども問題なく使えます。エミクロックも動作します。



.icewm の中にthemes と言うファイルが存在します。これは現在使っているICEWMの自生ファイルですので、もしエラーになってしまった場合はこのファイルの一番上のファイルを消してからICEWMを立ち上げて
下さい。そのままエラーの出たファイルを残したままICEWMを立ち上げるとフリーズしてしまいます。例をあげておきます。これはアイコンが認識しない場合に発生します。Gライブラリーの障害と思います。
よってBATMANはフリーズしますので改修する必要があります。#が付いている部分が前に使っているテーマです。一番上は現在使っているテーマです。一番上のテーマでICWMがフリーズした場合は一番上を削除して
からICEWMをスタートしてください。自生ファイルですのでこのファイルを削除すると動かなくなります。ちなみに、icons と言うホルダーが.icewmの中にありますのでこの中にxpmのアイコンを保存しておきます。
アイコンを沢山製作してこの中に放り込んでおきます。指定はアイコンの名前でOKです。なお、LXDEと相性が悪いので適度にLXDEの機能を回避する必要があります。つまりLXDEはICEWMの一つのテーマだったのです。
ある時から確か?ドイツのサイトからLXDEと言うのが出てきまして、LXDEがICEWMから離脱して競合した時があり、そのうちにウインドウマネジャーとして独立しました。機能は両方とも良く似ていると思います。

theme

theme file の自生ファイルです



taskbar 色々

task bar XP風

asuka のテーマ

XPmodoki+ICEWM+Wbar 2010

ICEWM XP 風 + Wbar 2010


icewm

Linux は 1996年の12月ごろからです。ウィンドウズ が流行っているなか何か UNIX系 で 使い
やすいOSがないかと物色中でした。ふと!本屋の片隅で発見した雑誌がUNIX系の月刊紙でした
紹介されていたのがLinuxだったのです。その頃IBMのアプチバを使っておりX-Windowを出すのには
苦労しましたし音さえ出ない始末、MWaveと言う専用ソフトドライブでモデムも認識出来ず、
アイワの格安モデムでダイアルアップでPPPを出していました。ダイアルアップもスクリプトで
した。それをViで編集してダイアルアップしたのも一昔前の事です。Linuxはカーネルが2.1系で
Slackware 3.1を使い始めました。なかなか日本語が出ず苦労しました。今ほど簡単ではなく敷居
がかなり高いOSでした。その苦労はその頃 始めた人にしかわからないと思います。良い思い出でも
あります。テストはniftyのテスト回線がありそれをアクセスして試験をしていました。
現在の環境は 300Mhz AMD です。非力なPCです。RAM は256Mバイト積んでいます。
KDEやGnomeでは重すぎて使えない為、かなり前から使い始めました。Linux
の経歴はSlackware でカーネルが2.1.1 からで、かれこれ14 年と言うところ
でしょうか?Red Hat 9.0 を使用、日本語環境は
オムロンの Wnn7 です。しかし、Wnn6を使っていた時はかなり快適に日本語入力が出来ました。
まして自己学習能力が大変高くそして早い、頭の良い日本語環境でしたがこのグウダラWnn7は
重い遅い、馬鹿何です。困った事です。最初の頃は、FVWMやAfterStepなどをカスタマイズして使って
いました。Enlitment を使った時期もありましたが、KDEなみに重いウインドウ・マネジャーです。KDEやGnomeは
色々な先鋭なアプリがありますので、インストールして各アプリは軽いウインドウ・マネージャーで立ち上げる
方法を使っています。バックグランドで使います。
ICEWM は、SUSE 6.0 からですので、かなり慣れました。現在はソースをコン
パイルして使っています。
時代も変わって日本語も通るようになりました。別に特別なパスを通さなく
ても日本語が出てくる様になりましたし、比較的軽いため長い間使っております。

ソースをコンパイルしてインストールをし、ホーム以下に .icewm を作り
その中に設定ファイルをコピーして編集すれば、この様に使えます。

念のため:昔 つまりLinuxをはじめた頃は、ML、メール、WEBサイトの公開は EUC で記載して公開すると言う鉄則があったのを思い出します。
数字は半角で、絶体、全角を使わない規則がありました。それも外国のサイトで使うことになり、なんて狭い考えと思った時期があります。


アプリケーションのダウンロードについて

アプリケーションのダウンロードには、大変軽く、高速なコンソールで使用するWGET を使い
ましょう。使い方は極めて簡単です。まずは、WGETをインストールします。
アプリのダウンロードは、コンソール上で(kterm etc)
「WGET:は、サーバーに負担が大きくかかると言われ、嫌う事を言われていますが、確実にダウンロードできます
ので、ほどほどにお使い下さい。」との事です。
--------------------------------------------------------
$ cd tmp8
tmp8$ wget URL////abcde.tar.gz

先ずは、tmp8と言うディレクトリーを作っておきます。名前は何でも構いません。
wget 以下はアプリケーションのあるリンクです。GUIを立ち上げていませんので、大変軽く
確実にダウンロード出来ます。

gunome を使っている場合は、GFTPが大変便利です。FTPツールですが、アプリのダウンロードには
欠かせないツールであると思います。内部 項目には既に、各 FTPサイトのリンクが登録されており
どうしても見つからないライブラリーなどは、FTPサイトからGFTPを使ってダウンロード出来ます。
ブックマークをクリックすると、一覧が出てきますので、必要なサイトをアクセスが可能になっています。



カーネルの再構築について
一度は行うことをお勧め致します。コンパイルを行うことにより出ない音が何でも出る様になったり
読めないドライバーが認識出来る様になったりしますしカーネルを軽くすることも可能です。
ただ、非力のPC ではコンパイルにかなりの時間がかかるかも知れません。半日とか丸一日、2日
かかることがあります。でもKernelの再構築は良いことですので経験として行うことをお勧め致します。


ICEWMのインストールの方法
ソースまたは バイナリーは
ここからダウンロードします。
      http://www.icewm.org

ICEWM には100を越える
テーマがあり、以下に示すようなプラット
フォームをインストール出来ます。それを気分次第でスイッチする事も可能
なのです。XP ライクなプラット・フォームや MAC , Win 3.1 ,Win98 等や
数々の好みのプラットフォームを選ぶ事が出来ます。この事を「themes」と言います。
先ずは、# /usr/local/ 以下にICEWM をインストールする事から始まります。
これは ルートで行います。バイナリーやソースでインストールされる場所が違いますが設定
ファイルのすべてをホーム・デレクトリーの .icewm 以下にコピーをします。

ICEWM テーマのインストールの方法 themes

テーマを作る、英文ですが、大変役に立ちます。


themes

どんどん、作りましょう。




Menu for Icewm how to use


上記 Wbar のJPGをクリックして下さい。メニューページとなります。
なお、No3は、ICEWM以外および、ICEWMのNewテーマについて更にしつこく、紹介しました。
また、No4 についても、ICEWMの新しいテーマ及び更に多数のテーマを紹介しました。まずは、
詳細を見る為にメニューページをご覧下さい。






このテーマはモンテカルロですが、SUSEのサイトから拾ってきた物です。ここで表示
出来ているテーマは50以上ですが、気分によってテーマを変えることが出来ます。何でも
ありのICEWM なんです。

[[kenyito@lagarto .icewm]$ ls
CHANGELOG  TODO   keys      mailbox  menu~        preferences~  theme 
toolbar   winoptions

icons  ledclock  menu     preferences  taskbar       themes  toolbar~




がコピーされます。編集するファイルや重要なファイル、デレクトリーは以下です。
menu preferecces themes toolbar taskbar それと、icons のデイレクトリーです。
パスを通しておけば色々なiconを使えますしicon を編集して以下に保存しておけば
それらを画面に取入れる事も可能でしょう。

テーマは、themes のデイレクトリーにthemeのアーカイブを解凍すれば半自動的に
テーマをインストールする事が出来ます。
テーマをダウンロードしたデイレクトリーで以下の様に解凍します。

tar xvzf microgui2-1.0.0.tar.gz -C /home/kenyito/.icewm/themes



これはホーム・デイレクトリーだけにテーマをインストールします。

(2) テーマは ここから ダウン・ロードをします。

<     テーマのダウンロード 場所です。icewm.org から道をたどって行けば
色々なテーマを選ぶ事が出来ると思いますし、themesのデフォルトファイルを編集
する事も可能で、独自のプラット・フォームを作る事も出来ます。Link先が2008年末あたりから
かわっていす。2009.Aug確認沢山あったテーマがどこかへ行ってしまいました。大元がメンテナンス
がされてなく、またfresh meatの内部構成がかわっておりますので、とても使いにくいサイトになって
しまいました。
[2010.Fresh Meat は、解体されてしまいました。数少ないアーカイブは、Fresh Meatに残っておりますが
ほとんどは、削除されています。前あった、ICEWMのテーマのメンバーで再構築したのが、Box-Look.ORG と言う
サイトです。アクセスはBox-Look ORG
です。このサイトはICEWMだけではなく、Gnome ,KDEなど、もろもろのWMのテーマ変更に役立つサイトとなっています。
すでに数100万アクセスのある現代のLinux,BSD系の補助サイトになっています。2010,Dic 19 記載 ]

    Box Look ORG新しいテーマのリンク
をまず使って下さい。

Old achive から、3例のテーマを紹介しておきます。

この3例は、新しいテーマに含まれていない良く出来ているテーマです。権限に問題はないと思いますが
紹介しておきます。元のサイトが消滅しており、ここで紹介しておきます。


Bat Man のテーマBatMan-Themesです

Asuka のテーマAsuka-Themesです

Monte-Carlo のテーマMonte^Carloです

壁紙は一応アスカのみ同梱しましたが、
適当な壁紙をどこから持ってきて、テーマの中のdefault.themeの中のスクリプトを 変更して壁紙を張って
下さい。ファイルの中に設定があります。icewm session 若しくはicewmbgで壁紙が張りつかります。これで
各テーマでの壁紙が違ってきます。Asukaを製作した氏によれば、Warp3を編集して作ったとDOCに書かれています。
Asuka Warp3 Wbar

Asuka Warp themesの例





上の画像を拡大してご覧下さい。好きなテーマをインストールしたところ
です。以前はモンテカルロ等の素敵なテーマもありましたが、最近は余り見かけな
いようです。他のテーマだけを他のPCからコピーしてもテーマを増やす事が出来ます。




Armitage lll


Asuka

BatMan with Dragon

Bat Man with Lady Dragon

Lady Dragon

Infadel2のdefault themes のファイルをコピーして
専用のドラゴンの専用アーカイブを作ります。テーマ
を(vi,emacs)エジターで開いてバックグランドのパスを通してTarで固めるか、そのままホームデイレクトリーの.icewm
以下のテーマ内部にコピーします。一度出来上がったら、
それを試験して、Tar で固めておけばあと再度インストールが出来ます。





Beamer




Berry XP


 XP



UN useal

と、そんなところです。ちなみに 私は無能な ただのおっさんです。
趣味は、Linux ,FreeBSD ,管球アンプの製作です。

フォント等はMSのフォントをパスを通して、みかちゃんフォントなども

使っています。有料フォントも使っておりますが、ネット上で公開されて
いる無償フォントを沢山 インストールして使っています。
日本語環境はWnn 7です、ブラウザは主にfirefox を使っています。
Yahoo のメッセンジャーはJAVA ,マイクロ・ソフトメッセンジャーは「AMSN」
をインストール使っています。オフィスは Open Office です。
大変 便利な世の中になったものです。Linux を始めた頃とは比較できない
環境です。まして ADSL ですし、必要なアーカイブは世界中からどこからでも
ダウンロードも出来ますし、MAC OS の一部のソフトもコンパイル出来ますので
それは大変便利な世の中となったものです。また、時間を追って追試をしたい
と思います。壁紙は
preferences の中に パスがありますので、数種作っておき
# をつけてコメントアウトをしておきます。何か良い方法があれば、ICEWM を
立上げた時に読み込めば良いのですが、これは宿題です。
私の場合は、toolbar の中に入れてボタンを押していますが、テーマによっては
preference が独自に組み込まれており壁紙を読み込みに行っているらしいです。
とそんな所です。カスタマイズは比較的簡単ですので、これからの宿題とし
ましょう。

いろいろな存在するアーカイブを真似してスクリプトを作ります。スタートアイコン
は、linux.xpm がスタートアイコンですので、規格にあったビットマップでGIMPなど
で、編集します。themes 以下にicons,taskbar などのデイレクトリーを前もって作
っておきます。綺麗に表示出来るものです。

XFCE4

XFCE 4


XFWM 4.2

これは、最近 インストールした XFWM 4.2 です。とても
軽く使いやすいウインドウ・マネージャーです。こうすると
Linux を使っている事を忘れさせます。私の OS は Linux です。
---------------------------------------------------------------------------------------
Linux ターミナルが2008 Julyに落ちました。2日間 root を開けておいたのですが、
その後、/ がいっぱいになってしまいまして、不要なファイルを削除しておったのですが
そのうちに、ブートできなくなりました。こんな事はまじめにLinuxが動いてからははじめて
のことです再勉強 しました。長い間 インストールをしなかったので日本語関連は苦労しました。


ちょっとでかいですね、前は ポップ アップで KDEとGnomeのメニュウが出たのですがさっぱり
出てこなくなりました。何度かMenuを書き換えたのですが、どうもさっぱりです。だいたい
menu のコマンドがないのでリンクすることは出来ないのですが、ここは宿題です。長い間使った
Red Hat 9ですが、元に戻れるまであと1 ヶ月くらいはかかると思います。Gxineなんて半日くらい
コンパイルに時間を費やします。まだまだです。現在はXINEを使用 firefixよりpluginsで
Videoやニュースを見ることが出来ます。コマンドを2ー3のサイトから見つけることが出来ました
ので追ってインストールをするとしましょう。Gnome-menu がないと使いにくい為です。まあなく
てもコンソールから呼び出せば良いことですですが、

ここでRedHat9 にての特殊フォントの通し方を記しておきましょう。

Red Hat9の場合フォントをどこから探しておきます。みかちゃんフォントとか、あと
有料や無料のフォントを探しておきましょう。この場合***.ttf になります。マイクロソフトの
フォントも通すことが出来ます。
まずは、ルートになります。これはユーザー端末内で$su を実行して行った方が良いでしょう。
fonts(フォント)を所定のデイレクトリにコピーをしておきます。この場合は
# mkdir /usr/X11R6/lib/X11/fonts/mika
mika ダイレクトリーを作っておきます。このmikaの中にフォントをコピーしておきます。
フォントの中にfonts.dir と言う指揮をさせるファイルを作りますと起動時に読み込みfontsを
通すことが出来ます。まずはmikaの中に入りそこで

# mkfontscale && mkfontdir

を叩くとmikaのフォント・ファイルの中にfonts.dirが生成されます。
Vi または、emacsでルートにて、
# vi /etc/X11/XF86Config を編集しておきます。


# the X server to render fonts.

RgbPath "/usr/X11R6/lib/X11/rgb"
FontPath "/usr/share/fonts/local"
FontPath "/usr/X11R6/lib/X11/fonts/mika"
FontPath "/usr/X11R6/lib/X11/fonts/mikaP"
FontPath "unix/:7100"
EndSection


この様に編集をしておきます。これで終りです。再起動してフォントは通っている筈です。
このReDHat9 以降例えば Vine Linux 2.6以降では書式などや方法が異なっていますが
注意して行えばフォントは通ると思います。その他のフォントも同様に行えばこの場合は
簡単に設定できます。 無料フォント のサイト リンクの紹介

fontフォントを集めたサイト1

fontミカちゃんオリジナルフォント

fontsを集めたサイト2

Fontsフリーフォント最前線Free Fonts


2008 Aug 30 下がFlame-redO のテーマです、壁紙が重いので軽くした方が良いかも知れません。

gnome-menu を通す方法です。
ここ2ー3の方法があります。Vine Linux 3.0 以上を使う方法です。FTPサイトからアーカイブ
を探してきますが、依存性が大変複雑ですので、簡単にはgnome-menuを入れることは出来ません
もしかしたら簡単かも知れません。
下方のリンクに示すサイトから、gnome-menu のrpm のbinaryを拾って来ます。
(注意)元のライブラリーをコピーすると自動的にグノメメニュウもついてきます。ソースを
コンパイルした場合のみにおきます。

#rpm -ivh --nodeps icewm-menu-gnome2-1.2.13-1.i386.rpm
と、rpm を強制的にインストール致します。これで終りです。要はどこかにbinaryのパスが通れば
良い訳ですので、これでOKになる筈です。お試し下さい。

日本語のメニューの表示が出ない場合
LC_ALL=ja_JP.eucJP
LANG=ja_JP.eucJP
export XMODIFIERS LC_ALL LANG

# Source global definitions
if [ -f /etc/bashrc ]; then
. /etc/bashrc
fi
------------------------------------------------------------------------
私は、日本語変換にWnn7 を使っている関係上 @im=_XWNMOになっています。ここは使用環境に
よって違います。

gnome-menu


xine plugins

firefox にxine をPlug-inして、Video(mpeg)を見ています。解像度の関係で小さい画面
にする必要があります。これでニュースなども見ることも出来ますし、Flashでも見ることが
出来ます。テーマはモンテカルロです。なおVideoはUSBのFlash memoryを使っています。
CDROMの調子が悪い時に1000円ほどの格安 2Gを入手したのですが、大変重宝しています。
User(ユーザー)でマウントが出来ないのでこれが今のところの宿題です。マウントの仕方は
コンソールからrootになってから行います。つまりこの状態では、RO(read only)の状態です
まあ、ユーザの状態でDOCファイルなどを書き込みルートで最終的にコピーすれば良いことです。
HDDは内部が4Gですが、2つにパーテイションを切ってあり外つけのSCSIで40Gが3つに切ってあり
ます。HDDの2つの最初の4GはMSが入っており2つ目にLinuxに穴を開けておき、/etc/fstab
を編集して重要なファイルはウインドウズに保存しておくのが普通でしたが、USBのメモリが出来て
からはUSBメモリを使っています。大変便利です。このパソコン 旧式なためUSBメモリーは
ウインドウズ上では認識できないのですが、Linux 上では問題はありません。
/etc/fstab の内容は以下です。

kenyito]$ cat /etc/fstab
LABEL=/ / ext3 defaults 1 1
LABEL=/boot /boot ext3 defaults 1 2
none /dev/pts devpts gid=5,mode=620 0 0
/dev/hda2 /dsd vfat defaults 0 0
LABEL=/home /home ext3 defaults 1 2
none /proc proc defaults 0 0
none /dev/shm tmpfs defaults 0 0
LABEL=/w1 /w1 ext3 defaults 1 2
LABEL=/w2 /w2 ext3 defaults 1 2
/dev/sdb2 swap swap defaults 0 0
/dev/fd0 /mnt/floppy auto noauto,owner,kudzu 0 0
/dev/cdrom /mnt/cdrom udf,iso9660 noauto,owner,kudzu,ro 0 0
こんな具合いです。インストールする際に挿入することが可能ですが、その後でもrootで編集することも
可能です。/dsd の部分がウインドウズの穴です、Wineを使うなどの方法もありますが、MSの領域が
メタくそになった経験があり、wineは極力使っていません。



USB Memory のマウント


root で、#mkdir /mnt/usbmemo とやってまずはデレクトリーを作ります。
次に # mount -t vfat /dev/sdd1 /mnt/usbmemo でマウント出来ます。

ちなみに フロッピーのマウントの仕方には以下の方法があります。
#mount -t msdos /dev/fd0 /mnt/floppy または #mount /mnt/floppy でも可
FDは普通販売されているものはDOSでフォーマットすると最大で1.44Mですが、その他の方法では1.77Mまで
format出来ます。これでマイクロ・Linux をするのですが、それも楽しいと思います。Mulinux
#fdformat /dev/fd0H1440 1.4 メガにフォーマット
#mke2fs /dev/fd0 1440 ext2 形式フォーマット
などです。msdos のフォーマットは、単に #mformat a: でOK です。USB flash memoryがあると
なかなかFDDを使う機会が少なくなりました。それでもLinux には欠かせないドライブの一つです。

参照 サイトは以下です

うにっくすさん覚え書きushi

AMSN 最新版はushi


TK/TCL 最新版はushi


Gnome-menuはここから選んで下さいkoko


ソースが見つからない時はDebian.orgから持ってきます。Debian


なお色々なアーカイブのダウンロートはGFTPを使うとかなり楽珍です。GFTPに登録されている

Debian のサイトの場合、パッチも一緒についてきますので、一緒にコンパイル
します。解凍する同じディレクトリで、
$tar xvzf abcdef_1.3.12-2.tar.gz

$zcat abcdef_1.3.12-2.diff.gz | patch -p0
Debiaのパッチ、時々パッチが出来ません、それはアーカイブの名称は同じなのですが
一部大文字になっておりますので、名前をリネームすると入ります。



Linux,FreeBSD などのFTPサイトから選別してダウンロードが出来ますし特に古いアーカイブなど
やUp Dateなどの情報も詳しく得ることが出来ます。
アーカイブ(アプリ)のインストールはソースをコンパイルした方が確実と思います。

なお張り付いている画像は右クリックで「画像を表示」を選び拡大画面を見ることが出来ます。
西暦2008.11月 ICEWM はここから持ってくるほうが、良いかな?
Ushiブルガリアのソフィア大学のサイトです。信頼
できるRPMがおいてあります。勿論 ICEWM もあります。重いのが難点ですので、Wget でdownloadする事を
お勧め致します。

さて、Linux でUSBで音を出しましょう。USBから、自作SPDIFを通して自作DACそして自作アンプ

音はMplayer,RealPlayer,Xineを使っています。コンソールがほとんどです。
USBから出たデジタル信号をSPDIF信号に自作の変換するアダプターを使い、自作のDACを通して、更に
管球アンプを通して音楽を聴いています。以下がリンクです。興味ありましたら、ご覧下さい。
SPDIFアダプターの製作そしてDACの
製作 ,良い音でLinuxからの音楽を楽しみましょう。

なお、 Mplayerなどで音楽を出すには、ここにても実験しました。
秋月の700円のジャンク基板でデジタル
音楽を聴きましょうなどです。コンソールでAsxファイルを読むのは、xine-libを入れてMplayerをインストールをすれば
何もmms:を書き出さなくても、そのまま、コンソールから読み込みができます。この方法が一番軽いプレイ方法です。


KtermでMplayerを使ってアクセスしているところです。
音が飛ぶこともありませんし、かなり軽量で音を鳴らしてくれています。
-------------------------------------------------------------------------------------
Playing http://wm-ondemand.abacast.com/kplu/WMAGateways/gateway-kplu.wma
Resolving wm-ondemand.abacast.com ...
Connecting to server wm-ondemand.abacast.com[64.62.210.70]:80 ...
Resolving wm-ondemand.abacast.com ...
Connecting to server wm-ondemand.abacast.com[64.62.210.71]:80 ...
Stream bitrate properties object
Max bandwidth set to 0
Resolving wm-ondemand.abacast.com ...
Connecting to server wm-ondemand.abacast.com[64.62.210.70]:80 ...
Server return 500:Internal Server Error
Failed to parse header
Unknown protocol: http
asf_streaming_start failed
Unable to open URL: http://wm-ondemand.abacast.com/kplu/WMAGateways/gateway-kplu.wma


Playing mms://wm-live.abacast.com/kplu-newsjazzhi-64
Resolving wm-live.abacast.com ...
Connecting to server wm-live.abacast.com[64.62.164.215]:80 ...
Stream bitrate properties object
Max bandwidth set to 0
Resolving wm-live.abacast.com ...
Connecting to server wm-live.abacast.com[64.62.164.200]:80 ...
Cache size set to 120 KBytes
Connected to server: wm-live.abacast.com
Cache fill: 13.33% (16384 bytes) ASF file format detected.
============ ASF Stream group == START ===
object size = 38
stream count=[0x2][2]
stream id=[0x1][1]
max bitrate=[0xfc8c][64652]
stream id=[0x2][2]
max bitrate=[0xc32][3122]
============ ASF Stream group == END ===
==========================================================================
Opening audio decoder: [ffmpeg] FFmpeg/libavcodec audio decoders
AUDIO: 44100 Hz, 2 ch, 16 bit (0x10), ratio: 8003->176400 (64.0 kbit)
Selected audio codec: [ffwmav2] afm:ffmpeg (DivX audio v2 (ffmpeg))
==========================================================================
Checking audio filter chain for 44100Hz/2ch/16bit -> 44100Hz/2ch/16bit...
AF_pre: af format: 2 bps, 2 ch, 44100 hz, little endian signed int
AF_pre: 44100Hz 2ch Signed 16-bit (Little-Endian)
AO: [oss] 44100Hz 2ch Signed 16-bit (Little-Endian) (2 bps)
Building audio filter chain for 44100Hz/2ch/16bit -> 44100Hz/2ch/16bit...
Video: no video
Starting playback...
A: 155.6 12.4% 15%
---------------------------------------------------------------------------------------------

念の為、Xine-lib,Mplayer,RP9,ffmpg,123mpeg,その他もろもろのライブラリーをインストールしてあります、
結果ですが、Xine-LibとMplayerだけでOKな様です。


AMSN の紹介、MSN のパクリアプリケーションです。

AMSNはTKを使っています。現在の新しいバージョンは、0.98です。TK8.5を使っています。Red Hat9の場合TKの
バージョンは、TK8.3ですので、アップグレードしないと使えません。Red Hat9 の場合はbinは/use/bin となっています
ので、tar.gz のソースアーカイブを所定のところから拾ってきます。インストールはtclが先でその後tkをインストール
します。その後、 ln -s /usr/local/bin/tclsh8.5 /usr/local/bin/tcls とシンボリックを張ります。
tk8.3がその他のアプリで使っていますので、AMSNを使うときは $ /usr/local/bin/wish8.5 /usr/bin/amsn で立ち上げます。
amsn はTK8.5でコンパイルしてありますので、古いバージョンのTK8.3 ではエラーが出て上がりません。


AMSN0.98 TK8.5V


TK8.5を使った、0.98v AMSN メッセンジャーです。少し重いのですが、まあ使えるアプリです。2週間前にhome以下を何かの
不具合があって、消してしまいました。再インストールになった訳ですが、ここまで戻すには大変な苦労です。
日本語環境は、Omron Wnn7なので、そこは比較的簡単に日本語を出す事ができますが、これがないと大変な事です。
なお、ファイルのダウンロードは temp8$wget URL(FTP or Http)/xxx.tar.gz が一番早くダウンロードできるtoolだと
思います。
確か0.96あたりのAMSNは日本語が化けたのですが、0.98以上では日本語のメニュウや設定なども日本語ですし、
送信も受信も日本語でも問題はありません。私は99%が英語かスペイン語ですので日本語は必要ではありませんが、

flash 最新版で落ちる場合は、"SWFDEC"をインストールすると良いと思います。これもソースをDLした方が良いと思います。
flash はv7 であれば落ちませんが、v9以上では落ちる場合はこれが良いと思います。
参照:SWFDECORG

ちなみに、Javaスクリプトで、音楽ファイルを読めない場合は、とりあえず、$mplayer を試してみる。
だめでしょう、そこでダウンロードしてみます。スクリプトをemacs,vi などで開いてみて、音楽ファイルがどこにあるか
探します。ファイルを見つけたら、ドラッグして、その他のエジターにドロップします。
あとは、$wget でファイルをダウンロードするだけです。サンプル音楽をダウンロード出来ます。

ECMのキース・ジャレットのアルバム・サンプル例です。あとは$wget のあと以下を張り付けて下さい。
http://player.ecmrecords.com/uploads/keith-jarrett-testament/a28863900e12c909414a413672c73dd4b772ac83.mpga
http://player.ecmrecords.com/uploads/keith-jarrett-testament/def393a19df9bc233b51fff1847e041dfc22b1fc.mpga http://player.ecmrecords.com/uploads/keith-jarrett-testament/080b6be958e602299182fb1180e4463822a0bb58.mpga
http://player.ecmrecords.com/uploads/keith-jarrett-testament/427d6d65ee6f0da27b9266fa228bc16ee0bde737.mpga http://player.ecmrecords.com/uploads/keith-jarrett-testament/02907d1114132e00c4d96badd9245109ea5fce7c.mpga http://player.ecmrecords.com/uploads/keith-jarrett-testament/e346910433882fdbc19c2185c8f64e7478bf84dd.mpga
これで、音楽を聴くことが出来ます。$ mplayer *.mpga でディレクトリの中のmpga fileをプレイ出来ます。
ダウンロードは半角のスペースをURLの間に入れます。普段はコンソールで以下を鳴らしています。
kenyito$mplayer http://asx.abacast.com/kplu-newsjazzhi-64.asx
と打ち込んで一日中鳴らしています。
追記:
2009年後半まで、Freshmeatに色々なテーマがあったのですが、まったく削除されています。
パクリが問題があったと聞きますが、かなりの威勢で、リンクが削除されてしまいました。奇抜な
テーマもあったのですが、既にネット上で発見は出来ません。ついでに私のPCも落ちましたので、
色々な貴重なアーカイブも既に煙となってしまいました。1in1-xpが何とか見つける事が出来ますので
installしてはいかがでしょうか?1in1-XP XP風テーマTheme ICEWM
をここにリンクしておきます。

(1) RPMS ですが、ICEWMのテーマICEWM Themefiles.
(2) theme for ICEWMテーマBBS
(3) theme for ICEWMRPM File.
(4)Linux アーカイブftp2.us.freesbie.org/FTPサイトです。
(4)にはICEWMのテーマも含められていますので注意してご欄下さい。

(5)山形大FTPthemes hereテーマあります。
icewm-themes-1.2.26-1.pkg.tar.gz を発見しましたら、rootで #cd / で解凍して下さい。信用出来ないときは
どこかのディレクトリーで解凍して中身を見てからインストールをお勧め致します。一挙にテーマが増えます。
(6)themes は、ここここに山盛りのテーマがありました。
ロシアのサイトらしいですが、好みのテーマもありました。3Dなどもありましたので、良いファイルを探して
見てください。FTPサイト名はFTP.CHG.RUです。ここには豊富なテーマがいまだに保存されています。アーカイブは古いですが
まだ使えますし、改修も可能です。西暦 2010 3月14 日
(6-2)Box Look ORG themes here
2010,July.1st 発見及び記載(斬新なテーマです)

(7)Vista・XP 風テーマ,前はテーマに指定されていたと思いますが
WEBを発見しましたので紹介しておきます。ライブラリ不足で1回でインストール出来ない場合が多いのですが、
既にインストールしてあるのであればそのICEWMと競合しますので、あまり関心できないのですが興味ありましたら
インストールして見て下さい。lxp-0.2-1d これをインストールしないとセットアップが出来ません。念のため
これはICEWMのテーマではなく、Linux上にXP風のウインドウ・マネージャーをインストールします。ICEWMの別の
バージョンとお考え下さい。XPを使っている感覚になります。Fedora Core 3以上を使って下さい。上にも言いました
がLXPはテーマの1つでした。

私のPCは、低スペックの古いPCを使っています。パソコンは古い、でも私にはこれで十分です。USBのキイボードは
反応が遅く、大変使いにくい、マウスもしかりです。PS2を探すのは大変苦労しますが、時々秋葉に新品中古
が出ていますが、明日と思っていると、明日はもうありません。ところで、テーマも画像ファイルの容量が
大きいとやはり重いです。もう何年もwindowsを使っていませんでも使い方を忘れる事がないのは不思議です。
先日、ネットを散策していましたら、windowsでもXKILLがあるのですね、これって固まった場合かなり便利です。
先日、XFACEの4を入れましたが4.2より軽いでした。tar.gzで固めたRPMがありましたので、文句なしでインストール
しました。1x1-xp大変 調子が良いです。バックグラウンドに壁紙を張るといきなり重くなりますが、普段はのっぺら
棒で使っています。バックグランド用ショートカットを作成してアイコンを押して壁紙を張っています。

Batman

Bat Man テーマ




Asuka theme

Asuka テーマ



壁紙はどうやって変えるのでしょうか? 気分次第で、のっぺら棒にしたい

以降に示す、iDeskを使えば、起動と同時に、壁紙が張付ける事が出来ますが、テーマの中の
画像をアクセスすることによっても画像を張付ける事が出来ます。
.icewmの中のthemes以下のdefault.themesを編集してバックグランドの画像を指定します。100K byte 位のjpegが良いと思います。
画像はどこから探してきます。
頭の良い人が、スクリプトを書いて云々なサイトがありましたので、、その方がスマートですの
で、それを紹介しておきます。uBuLOG さんです。

Ushi

これが良いと思います。私は原始的に手動で切り替えるとします。uBulogさんが使っているROX filer
のリンクもはって、おきます。ここです
このファイルはユーザ以下にあるドット・ディレクトリの中です。
defaul.themesの中の以下の様な文章を編集もしくは記入します。
-----------------------------------------------------
# Desktop background image
DesktopBackgroundImage="asuka-kabagammi.jpg"
DesktopBackgroundCenter=1
------------------------------------------------------
張る画像は同じディレクトリーに画像ファイルを置くか、パスを通します。
私の場合、壁紙を張るとPCの関係で重いので、"icewmbg"のコマンドを入力した時のみ画像が張り付きます。
これは、menuの中に記載して起きます。画像はthemesの中に置きます。default.themesを編集して画像を
張付けます。



menu の中の具合いです。"Backgroud" が見ると思いますが、ここを押すと
Wall Paperが張り付きます。sylpheed mail の下の"QTBsch" のQCadの一種の電気回路作成用エディターになります。
水魚堂と言われる、ソフト屋さんのFreeshareのアプリです。
BSch ,QT BSch ,LCOの詳細は以下です。興味ありましたらアクセスして見て下さい。
水魚堂オンライン
画像は以下の様になります。

QTBsch Linux

下の様な回路図を作成します。この場合 作成画像の拡張子が、CE3となります。これをPNGにエクスポート
したのが以下の回路図となります。これをネット上で公開したり、プリントアウトします。


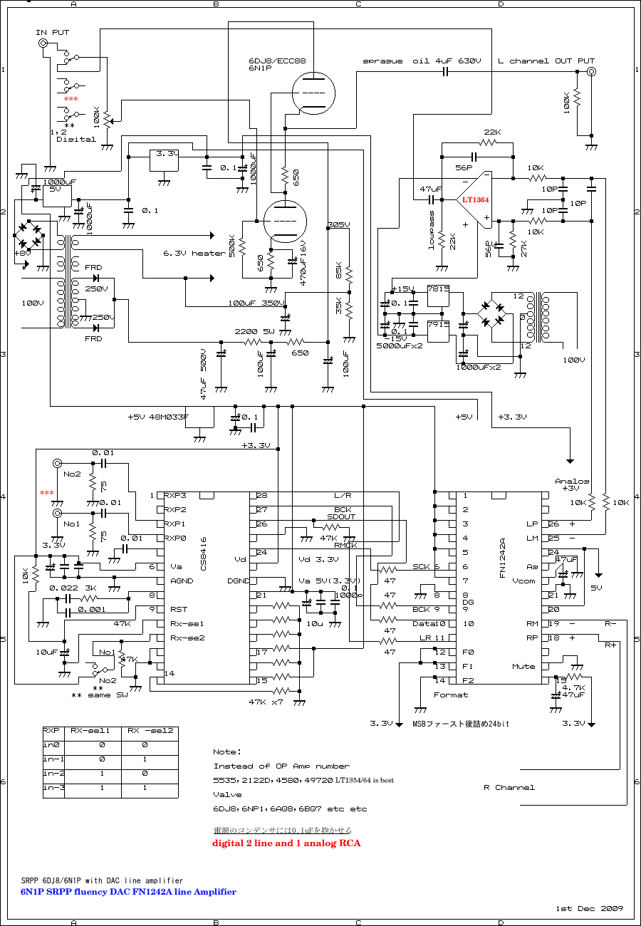
回路図例 http://www.single-ended.com Linux

自作 DAC 真空管 ラインアンプの回路図


Kterm で鳴らすインターネット・ラジオ、ネット局を聴こう

普段は、ktermでインターネットでバックグランド・ミュウジックを鳴らしています。USBから自作SPDIFコンバータ
を通して好きな音楽を鳴らしています。お好みのネット局をクラシックとジャズを紹介しておくことにします。

r

KSJN Minnesota Radio Classic


r

KPLU Seattle Pubric Radio Jazz


r

K Jazz LA USA


r

King Classic Seattle WA USA


r

Radio Bergica ベルギーRadio


r

KMFA Austin Texas Classic



r

USA Live Radio Dot COM アメリカにあるFM局同時ネット局リスト



24時間、近隣のニュースをまじえて音楽を鳴らしてくれます。便利な世の中になったものです。世界中、アメリカ中
を加えて沢山のFM局がインターネットで同時放送しています。英語を忘れない為に良い局です。若かった頃によく
聴いていた放送局も含まれていたりします。
昨日、南米のお客様が写真を7Zで固めて送って来ました。どうやって解凍するのか?四苦八苦して、ソースを見つけて
コンパイル、make,meke installしてやっと解凍できました。やれやれ、相手はMAC X でした。ついでにFlacもソースで
落として、CDをFlacファイルに変換出来る様になりました。


日本のFM放送局なんて、何の役にも立たない、音楽をほとんど流さないし、こうして
毎日インターネットで聴いている、豊富なクラシックやジャズなど、有用であることに間違いは
ありません。日本の放送業界は廃退しています。悲しいと思います。temple大学やMinnesotaのクラシックでは
日本の新人やベテランの音楽家がどんどん紹介されている事です。上に紹介した、US Live dot Com
にリスト・アップされた放送局から一つづつ選んで聴くことをお勧め致します。日本の放送業界は屑
念の為、外国のある都市では、FM局が市内に50以上もあるのは普通な事です。音楽のカテゴリ別に放送
局が別れております。これが普通のことで、日本は昔から異常な使われ方な放送局です。昨今、
アメリカなどでの、FM局では同時にインターネットでも放送しています。日本では大変難しいので
しょうか?どうしても、儲けることばかり考えて役に立たない放送局では、何の為にあるのでしょうか?
TV 局にして言えば、お笑いさんばかの番組構成の放送局はもう、必要はないのではないでしょうか?


Gno+Icewm

GnomeとICEWMを立ち上げたところです。少し重いかな?タスクバーは上下に移動可能です、
マウスの2つボタンの1つを押したままカーソルをタスクバーにあてて下に動かせば下に移動します
preferenceの中をいじれば左右も動かすことが出来ると思います。独自のdefault.themesを作り、
独自のアイコンを作成すれば、オリジナルなICEWMも出来ます。



elberg-red

el-berg-red です、default.themesを編集して上の様になります



icewm xp

.icewm の中の気に入ったテーマを別の名前をつけてコピーします。その後、task barの中
アイコンの編集をGIMPなどで編集します。上の様な画像になります。この様な方法で編集すれば
結構、容易に気に入ったテーマを作ることが出来ますのでお試し下さい。ウオールペーパーは
100Kbyte以下が良いと思いますが、PCの性能によっては解像度の良い画像が良いと思います。


バックグラウンドにアイコンを張り付ける方法

2つの方法があります。Nautilus とiDeskです。
はここからgetします。
ソースですので、コンパイルして下さい。
なお、詳しくは次を見て下さい。
こぶチッキンさんの
HPを参照して下さい。私の場合、RH9ですので、ライブラリーが古い為、imlib2をアップデートする必要があり
ます、エンライトメント(WM)のサイト若しくはミラーサイトからライブラリーをダウンロード
してソースですのでコンパイルしてインストール必要があります。
imlib2をインストールします、mekeしてインストールです。これだけでは
パスが通りませんので、# /sbin/ldconfig をします。この儀式をする前に、まずは、/etc/ld.so.confの
の中にインストールしたライブラリーのパスを追加します。この場合は /usr/local/lib ですのでこれを
一番下の行に追加して保存します。エジターは何でも構いません。
# /sbin/ldconfig で実行です。idesk をmakeするときにimlib2 を求めてきますので、これでOKです。
新しいLinuxの場合何も問題なく"./configure" と "make"が出来ると思います。

Eva iDesk+ICEWM

ソースをコンパイルしてインストールした、ICEWM上のiDESKです。色々パスを通したり、
ドット・ファイルを設定したりで、まあこんな具合いですが、まだ不具合があります。
アイコンのパスが思う様にうまく行きません。Nautilus が一番良い様ですが、もう少しいじって
みようと思います。WMはICEWMでない方が良いかも知れません。壁紙も設定が含まれており
自然に張れますが、XFCEの様には綺麗にスマートには行きません。その他のWMにはFluxboxなどがあり
ます。なおiDesk の バージョンは V 0.7.5 idesk です。


まずは、Fluxboxをソースで落としましたインストールしましょう。

まずはダウンロードでもしましょう。rpmをどこから持ってきましたが、案の定、ライブラリー
が足らず、元から、ソースを持ってきました。いっそのこと一番新しいのを以下から持ってきました。
Flux boxSourceForge.netから、
まずは、これをコンパイルしてmake してmake install 普通に何も問題なくインストールが出来まし
た。

FluxBoxをいきなり使ってみました。

これは軽い、前にも使ったのですが、これは良い、完成度です。
そこで、iDeskを立ち上げましたが、これはもっと良いです。以下が画面です。メニューも素晴らしく
gnomeも通っておりますので、使い勝手はかなり良いと思います。


2 枚の画像、アイコンを張り付けた画像です、両方共 ideskを使いました

iDesk + Fluxbox

Fluxbox 1.0 と iDesk を使った WMです。



iDesk + Icewm

ICEWM と iDesk を使った方法です。



バックグラウンドにアイコンを装備出来ました。このHP はICEWMのうまい使い方云々です。
よって、ICEWMでこの先 お話を進めるとします。アイコンがバックグラウンドに沢山あります
ので、メニュウに無理して書き込んでなくても良くなりましたが、固まってスペースが少しでも
あれば、メニュウからプログラムを起動出来ますので、やはりメニュウは必要です。少なくとも
コンソール(kterm)などは最低必要です。アイコンを張るのもそれほど仕事ではありません。
結構 綺麗に出来ておりますでしょう?



iDesk のアイコンの作り方(ただし、これは私の方法です、間違っていたら御免なさい)


あちこちネット上を見ればわる通りですので、かいつまんで記載しておきます。
ideskをインストールしますと、インストールした、ディレクトリーに、/usr/local/share/idesk/
に、README default.lnk dot.ideskrc dot.xsession folder_home.xpm がインストールされます。
まずは、ホーム・ディレクトリーに、$ cp dot.ideskrc -C /home/ユーザー名/.ideskrc をコピーします
ドット・ファイルですので注意して下さい。

次に、空の.idesktop と言うディレクトリーを作って下さい。出来ましたら、default.lnkをコピー
して置いておきます。

ここで、 README の中に細かい設定が英語で書かれていますので、読んで理解して下さい。
中にdefaultのファイル例が詳しく書かれていますので、必要であればコピーします。

何かのコマンドをアイコンとして張り付けるのですが、”コマンド.lnk”と言う設定ファイルを
.idesktop ディレクトリーの中に作ります。作り方はまずは空のファイルを作成します。例として
firefox とします。

$ touch ~/.idesktop/firefox.lnk :この儀式を必ず行ってからアイコンの設定をして下さい。

これで、.idesktop以下にfirefox.lnk と言う空のファイルが出来ました。

この、firefox.lnkをVi やgedit で編集します。編集と言うか、設定を書きます。設定はコマンド
コマンドに使うアイコンのパス、コマンドのパスと、アイコンの位置の設定です。
例は.idesktopの中にコピーした README に詳しく書かれており、例も出ていますのでそれをコピー
します。(dot.idiskrc ) と言うファイル名になっています。それを、ホーム以下に( .ideskrc ) で
コピーをします。
私の例の場合
---------------------------------------------------------------------
table Icon
Caption: Firefox
Command: /usr/local/bin/firefox
Icon: /usr/local/firefox/icons/mozicon50.xpm
Width: 32
Height: 32
X: 185
Y: 129
end

---------------------------------------------------------------------
上がfirefox.lnk の中身です。アイコンの大きさは32x32が適度であると思います。X と Y は適当な
数字にしておきます。気が済むように設定して下さい。わずらわしい場合は適当で構いません。
この様に気が済むままに、色々なアイコンを取入れる用意をします。最初は2-3個から始めます。

ファイルの中にdot.xsessionがありますね、これは中がFluxboxに設定されていますので、手動で
立ち上げなかったら適度に編集してホーム以下にドットファイルを設定します。
その次 .ideskrc の編集です。
中を見ると、アイコンの大きさや、アイコンの字の陰、色、フォントや、色々な設定が書かれていますので
自分が気が済むまで、実験 編集して見て下さい。アイコンが2つ程度で何度か実験してみれば、
何とかコツがわかると思います。ネット上に紹介されている個人例をそのまま、張付けましたら、
案の定 まったく動作しませんでした。.ideskrc の編集が一番 複雑ですので、何度かやって見て
下さい。うまく行ったかは? 再起動してわかります。うまく行ったでしょう。!!!ではまた
書きましょう。ところで、アイコンの位置ですが、何が適当で良いか?と言うと、再起動すると、
アイコンが元にあったアイコンの下にあります、またはあちこちちらばっていますので、マウスで
Drag /Dropをすれば、再度 起動すると位置が定まっており、ファイルの中を見るとX Y値が正しく
修正された値が記載されています。
こうやって、OS X 風も作れる訳ですね、それは良い事です。



Icewm+idesk

Nyck-ICEWMとidesk 起動画面



4枚の写真を紹介致します。アイコンをカスタマイズすれば、もうMAC OSX のパクリです

M? もどきとidesk


El barg red + Idesk


asuka + idesk


icewm + idesk


これら4枚です、バージョンの新しいLinuxであれば、もっとその他のOSに近い感じになります
アイコンもfreeshareでありますので、それを利用出来ますし、どこからソースを見つけてくれば何と
かなると思いますし、ペイント・ツールで作成も可能です。ideskでクリックでアプリを起動すると、
メニューより素早く起動します。もう少しカスタマイズして見ようと思います。



FluxBox + iDesk の紹介です。紹介します。

画像の許容が大きいため2ページをもうけました。上のリンクにFluxBoxの画像を
紹介してあります。牛をクリックして下さい。まずは、ご覧下さい。



Fluxbox をGDMのメニューのリストに登録する。方法

私の場合、Fluxboxのインストールはソース(tar.gz)をコンパイルしてインストールしましたが、どんな方法で
インストールしようが構いません、人によってはDebianの派生を使っていると思います。どちらかと言うとスラック
ウエアーの方が好きなのですが、この場合 Plamoも良いかと思います。

(注)過去に使用したディストリビューション
は、Slackware,Plamo,RedHat5-9,Mandrake,Kondara,TurboLinux,Laser5,Omoikane Linux(Debian),Vine Linux, SUSE,Debian Linux
NetBSD,FreeBSDなどです。長かったのは、SlackwareとPlamo,VineとRedHat になります。パソコンの関係でつまり古いPC
あるために、RedHat9で止まったまま5年以上このPCを使っています。現在 2010年 3月4日です。



さて、GDMのメニューにFluxboxを入れるのは大変難しかったのです。どうやってもうまくならず、偶然見つけた
サイトで、うまくメニューに登録出来ました。
サイトは次のサイトです。
モサクさんのLinux サイト
上のサイトを参照して下さい。ただし、RedHat 9なんてもう使っている人なんかおらんとは思いますが?ただ、どこかの有名
な音響メーカー(S社)では、治具としてのファイルサーバーにこのRHL9をまだ使っていましたので、案外まだRHL9 を使って
いるのであろうと思います。また、結構、サーバーのOSとして、外国ではちょくちょく使われている様です。
それは別として、
ファイルを作る場合、Viなどで作るとエラーが出ます、なぜかわかりません、現存しているファイルをコピーしてファイル名を
変更してコピーをして内容を編集したほうがエラーがないことがモソクさんのHPを見て実感しました。
どれも、新に作成するファイルはコピーです。この場合は中に入っているGNOMEのファイルのコピーをします。
$cd /etc/X11/gdm/Sessions
Sessions の中にGnome, Icewm, KDE, Blackbox, Xfce4 などが入っています。この中にFluxbox を追加します。rootです。
モソクさんはMCでコピーをしていましたが、これは単に
# cp Gnome Fluxbox
でも構いません。
Fluxbox の中を編集します。ViでもGedit でも構いません。
exec /etc/X11/xdm/Xsession gnome をexec /etc/X11/xdm/Xsession fluxbox にしました。
ここは人それぞれ違うパスになると思います。上の exec /etc/X11/xdm/Xsession 部分がありませんと
後程、起動した時に「日本語」が出ません。

その次は、
$ cd /usr/share/apps/switchdesk

の中を見ると、Xclients.gnome を見つけることが出来ます。
これも、Xclients.fluxboxと言うファイルを作ります。ルートになって、($su passwd:)

# cp Xclients.gnome Xclients.fluxbox
とします。そして中を編集します。 exec gnome-session となっているところを
exec /usr/local/bin/fluxbox とします。
それで、保存、エディターを閉じて、画面を閉じます。再起動すると、GDM画面にFluxbox が追加されていました。(^l^)
新にインストールする、ウインドウ・マネージャーもこうして、登録します。


File Maneger を装備する

最近では、 PCman などがもてはやされています。デフォルトでは、コンソール用のミッドナイト
コマンダー、略して MC が有名です。XFMも一時使われていました。XFMは 今でも使っています。軽く
大変 便利です。 PCman も良いらしいのですが、私のLinuxでは、ディストリビューションが古いため
ちょっと、簡単にはインストールは出来ません。Nautilus はdefault でインストールされております
色々なものが立ち上がりますので、使っていません。4Pane をインストールして見ようと思います。
PC man にとてもよく似ています。windowsなどで使われているファイルマネージャーによく似ています。


Gnome Linxu File Maneger のリスト

Fileマネージャーのリスト
です。色々なファイルマネージャーを見ることが出来ます。 4Pane インストールしてみましたが、あまり
ぱあ!としませんでした。PC Man を入れてみたいのですが、ライブラリー不足でちょっと難しい状態です。
まずは、Peal をバージョン・アップしないといけません。

Ktarnを見ながら、

CPANCPAN ORGソースをここからダウンロードしてコンパイル

して見て下さい。その後、PC-Man のインストールとなります。アーカイブは上に紹介したWEBにも掲載されて
いますので、気に入ったファイル・マネージャーをインストールします。

やはり、GTK がバージョンが低くてうまく入りません、無理に実行すると他のアプリが動かなくなくなります
し、まあ Xplore 位で我慢しておくとしましょう。今は宿題です。(最近の新しいLinuxではまったく問題は
なくインストール出来ると思います)

WBAR (ドックランチャー)+ ICEWM との併用 その 1

画面を見ればわかりますが、OSXの様なタスクバー ここでは WBARと呼ばれているバーが装備されます
私のPCの様な低スペックでもかなり軽快に動作します。設定は「 wbar_util」使って各所の設定を
します。画像を2枚紹介します。 Fluxbox,ICEWM で使ってみました。
Apllication は牛を
押せばダウンロードサイトへ行けます。ソースですがやってみて下さい。私の場合はまずはバージョンの
古いアーカイブを利用させて頂きました。新しいソースの中に"wbar_util" 設定ツールがあるのかな?
と思いきや、どこにもありませんでした。そこで検索しますと、SoftPediaと言うサイトがひっかかりました
ここにありました。まずはこれをgetしましょう。

ますは、これをインストールでもしましょうか? このToolで細かい設定を行います。解凍すると
--------
wbar_util]$ ls
INSTALL.TXT install.sh opt uninstall.sh usr

$su $ passwd /////
#sh install.sh
でインストールします。これで、完了です。先ずは、"wbar_util" を立ち上げて設定を行って下さい。
はは、、 エラーが出ました。つまりこれだけではダメで、"wbarconf"と言うライブラリーが必要らしい?
調べて下さいね。!!!
以下です。これをインストールしてもエラーでした。Wbarconf は以下からダウンロードして下さい。
http://linux.softpedia.com/progDownload/wbarconf-Download-34908.html
つまりこれが、Linuxのおもしろいところでしょう。まあこんなものですが、宿題です。なくても簡単な
設定はドット・ファイルで出来ます。ドットファイルは、元の/usr/local/share/wbar の中のdot.wbarを
ホーム・ディレクトリーに”.wbar " としてコピーします。その中にパスの一覧がありますので適度に
編集して下さい。"wbar_util"のインストールには、複数のライブラリーが必要ですので、新しいLinuxを
使っている場合は問題なく起動できると思います。私の場合はドット・ファイルの編集で十分です。
Desk Topがごちゃごちゃしてかえって使いにくいと思います。が、OSX風が欲しい人には使い勝手が良い
Tool であると思います。

なお、$ wbar -pos top
で、Wbar を上部に持って行く事も出来ます。default が下となります。
$ wbar となります。ICEWMはタスクバーの位置を上下に変更できますので、双方の位置を変更して使えます。
詳しくは、$ wbar -help で表示出来ます。
実際は、$ wbar above-desk -pos top になります。
縦は、$ wbar above-desk -pos vbar で縦になります。
ちなみに、$ wbar above-desk -pos right -vbar 右端 Wbar で表示できます。

right side wbar + idesk up + ICEWM

Wbarを右端にした、ICEWMです。



ICEWM + Wbar

ICEWM と Wbar です、idesk も立ち上げても良いかも知れません。



Flux box + idesk + Wbar

Fluxbox + idesk + Wbar です。ちょっとごたごたしています。


Cairo Dock のインストール OSX 風 ドックのインストールです その2

ushi

牛君をクリックすると、Cairo-Dock サイトに入ります。適当なソースを見つけてコンパイルして下さい。
Gnome WMとの併用 トゥールですので、Gnomeが必要です。
----------
やはり、Wbar が良い様ですが、どうもGUIで設定は出来そうもありません、それなりにライブラリーがそろっていれば
"wbae_util"(GUI)のインストールは可能らしいなのですが、さっぱりうまく行きません。インストールした時
にREDMEが発生しますので、細かい設定はその中にあります。「アクセラと+αな生活」と言うBlogがあり、
そこで、結構丁寧にCUI(ドット・ファイル)で設定を説明していますので、そちらをご欄下さい。


http://axela5004.blog74.fc2.com/blog-entry-502.html

です。立ち上げ時に形状や位置などを設定も出来ます。とても軽快に動作します。インストールは簡単ですので
お試しあれ、、、。



idesk+flux+wbar

iDesk+Fluxbox+Wbar Wbar は軽く気持良く動きます



PEKWM を使って見ましょう、超軽量級のウインドウ・マネージャーです。

どうも、Debian系に開発された、WMらしいのですが、タスクバーのない、BlackBox,FluxBoxと言う
イメージのウインドウ・マネージャーです。無駄なものは一切ない大変軽いWMです。

iDeskとWbarを併用すれば、OSXらしい風貌のWMになりますし、カスタマイズも比較的容易であると思い
ます。インストールは特に特殊なライブラリーも必要ありませんので、容易です。
アーカイブは以下の2個所、どちらでも構いませんので、ダウンロードしてトライしてみて下さい。


(1)Debian 牛をクリック


(2)PEKWM ORG 牛をクリック



PEKWM + idesk+wbar

PEKWM と Idesk + Wbar



超軽量級のウインドウ・マネージャーですが、使い方にはちょっとコツが必要です。
タスクバーがないので、時間や日付の表示の方法がなく、GkrellmやEmiclockなどを併用した方が良いと
思います。minimisizeはタスクバーがありませんので、メニューの中の一番下の欄に”Go to"
と言うメニューがありそこをクリックすると”Window"と表示された項目が表示され内部に最小化
したアプリが表示されており、クリックすれば、表示されます。ICEWMが慣れた人には大変使い
にくい、ウインドウ・マネジャーですが、超軽量ですので、まあ良いかも知れません。なおテーマは
10近くあります。テーマをダウンロードして、orgのパス上のテーマのディレクトリで解凍すれば、新しい
テーマが出来ます。テーマはKDE,XFCEやGnomeなどで、その他のウインドウ・マネジャーのパクリが出来上がり
ます。カスタマイズ性が高いと言われていますが、使いにくいウインドウ・マネージャーの一つになりそうです。
また、メニューバーの文字化けがあります。解決方法はどこを見てもなく、ドット・ファイルなどでの設定
も見当たりません、これだけが欠点の様です。これなら、Blackboxの方がましの様に思います。以下に
ブラック・ボックスを一枚張っておきましょう。



Blackbox

BlackBox + idesk + Wbar



快適な動き、カスタマイズの良さなどを考えると、ICEWM と、FLUXBOX がとても良い様です2つ
インストールしておくと良いかも知れません。2つのウインドウ・マネージャーWM上ではとても快適に
仕事が出来ます。まずは、日本語が通る事が第一の重要性と思います。



その後、

やはり重さ?が問題ですね、非力のPCでは、やはりいろいろな物をつけるより、のっぺらぼうの
WMが良い、のっぺらぼうのウインドウ・マネージャーには、TWM 、WM2、WMX、9WMなどがありますし
FluxBoxでものっぱらぼうに出来ます。9WMなども使い安いと思います。ノッペラぼうのWMでも
idesk+ wbar を付けるだけで、綺麗に斬新なウインドウ・マネジャーに変えることが出来ます。
色々実験を行いましたが、本体が、RedHat9ですので、限度があります。新しいUbuntuなどや、Debianなど
では、問題なく各自にあったウインドウ・マネージャーを付加することが可能でしょう。Debian のサイトに
保有されている、アーカイブは有用に使えます。大変重宝しました。


9WM (1994-1996 by David Hogan)氏の遺作、派生にW9WMなど数種、あります。

9WM バイナリーだけの様です。まったく同じものに設定ファイルなどを追加した、W9WM と言うWM
があります。多分、ホーガン氏の遺作を残す為にW9WMをbuildしたのであろうと思います。
派生には数種のWMがありますが、最終的には、"Plan9"と言うターミナルを構築しています。別物です。
9WMはrcファイルが起動時に要求しませんし設定ファイルも、見つかることがありません、W9WM でも
同様ですが、起動時にrcファイルを要求してきます。これらの付加と周辺の何かであろうと思います。
まずは、
ソースでインストールした方が良いと思います
$ tar xvzf w9wm-0.4.1.tar.gz
$ cd w9wm-0.4.1
$ xmkmf
$ su ~ パスワード 云々
で#make install でインストールは終わります。これでも良いと言う人もおりますので、これでも
良いかも知れません。Wbarを付けると何も不自由はありません。kterm 一個開いていればこれでOKです。


Golem のインストールをして見ましょうか?

インストールは、ソースを入手してコンパイル、make,make installして普通にインストール
は、可能です。いたって普通にコンパイル、インストール出来ましたが、うまく設定が出来ません
テーマも10近くあります。ウインドウ・マネジャーとしては軽い方でしょうか?
ただ、ドット・ファイルをホーム以下に設定してもドットファイルがうまく読まない、
メニューバーがなくなると言う様な状態となってしまいます。デフォルトの動作では問題は
ありませんが、設定ファイルがルート内にあるのでうまくありません。とりあえず、画像を
張付けておきましょう。Golem-WMです。


Golem +iDesk

Golem + iDesk + Wbar です、とても軽いです。


基本的には、タスクバーなどはありません、でもマルチウインドウです。使い方はこれ
からの宿題です。文字化けしそうな、メニューバーなどがありませんので、文字化けは、
ありません。基本的にパッチさえあたっていて、日本語環境がWnn7である限り日本語は使用出来ます。


After Step をインストールした

ushi

確か、バージョン 1 の頃、1999年頃のアーカイブは軽く、設定も軽く、.steprcと言う
ドット・ファイルで自由自在に設定が出来ました、その後は、重く、現在のバージョンは
もう、ビールスまがいのWMになっている。PCを壊すほど、メモリを食うのでお勧めは出来ません
し、Ver 1 以降のアーカイブは、使えないと言った意見となります。Plamo あたりから持って
きた方が無難かも知れない。とにかく危険なウインドウ・マネージャーです。有用に安全に使える
ウインドウ・マネージャーは、BlackBox, FluxBox, ICEWM となりそうです。XVを入手しておくと
簡単に壁紙をその都度変更するのは簡単です。XVはシェアウエアーですので使用が複雑ですが
ネット上では、まだ見つけることが出来ますので是非、インストールをお勧め致します。


SONY CM Xなんだか?は、Elberg Green のパクリ

2010 3月、テレビ CM S???社 の Xなんだか?は ICEWM のテーマにある、Elbarg Greenに
そっくりですね、テーマなんて何年も前からある事ですし、これは明らかにパクリの様に感じ取れます。
何と、能がない事でしょうか? HD録画機は、Linux を使っているのは有名ですし、保守用のファイル
サーバーには、RedHat9 を使っていました、更にサーバにはFreeBSD を使っておる事は知られている事です。以下 ICEWM の EL Barg Green の
テーマを使ったICEWM のテーマです。Green,Blue,Red の3種類あります。ところで、S社が元気の良かった頃、私が若いときに5年ほど、いたのですが
まして最近 1年ちかくおりましたが、、いやがらせか?他の無関係な部署に異動になり、そのまま辞めました。
まあ、いいか? 数年前の話です。好きなメーカーだったのですが、


El Berg Green ICEWM

EL Barg Green ICEWM + Wbar + idesk



EL Barg Red and ICEWM

EL Barg Red ICEWM + Wbar + idesk



Idesk と、Wbar のドット・ファイル(設定用)を以下にリンクしておきます。


.wbar 例Wbar Text



.ideskrc例Text idesk



上の二例は、私が使用している、ドット・ファイルです、簡単な文章ですが、アイコンの
パス、コマンドのパスが間違っていると、すべてが動作しませんので注意して書き込んで下さい。
.ideskrc の書き方は、ソースをコンパイルした時に発生した、README を参照してください。
テーブル・アクション/ コンフィグは詳しく詳細に英語で書かれています。
念の為、ファイルマネジャー(filer)は、Xploreを使っています。一応、Nautilasもインストール
されてはおります。綺麗な、軽いファイル・マネージャーが欲しいのですがライブラリの件も
あり、現在は難しい状態です。


Rox Filer のインストール、どんな、ディストリビューションでもインストール可能

とりあえず、古いバージョンから最新のバージョンのLinuxでも丁寧なアーカイブを用意
してありました。古いバージョンでは仕方がなく、現代にマッチした風貌ではありませんが
なかなか、速度が速く、素晴らしいアプリだと思います。ライブラリーも新に新しくせず、
足りないライブラリーを追加してコンパイルすれば、インストールが可能であることもわかり
ました。画像も出ますし、文章ファイルの表示も問題はありませんでした。これは大変便利な
ファイルマネージャーです。お勧め100%です。



ROX Filer

上の牛さんが、ROX filerのRoscius dot comへのリンクです。


usi rox

ソースフォージからのダウンロードサイトです。牛をクリックしたら、飛びます。
なお、日本語版サイトもありますので、必要でしたら検索して見てください。
また、ROX Desktop と言うように、ファイラーの他 2つのオプションがあります。ご覧に
なって、必要であれば、インストールも良いとも思います。なお、インストールは自動で
コンパイルしてくれました。エラーでひっかかった場合はそれなりに処理をします。


Rox filer

ROX Filer + ICEWM + iDESK + Wbar のディスク・トップです



Shiney の テーマのインストール

Shiney

Shiney のテーマ + iDEsk + Wbar + ICEWM


ただのテーマです。何も珍しいものではありませんが、興味ありましたら、インストール
してみてください。リンクを牛の中に入れておきます。

Ushi
Theme のファイルを編集してみた、ICEWM の新しい顔
ICEWM default を編集、


適当なテーマを探すか、新に、上に紹介したリンク

themes

を参考にして、時計の文字の色、タスクバーの色、スタートボタンの変更(gimpで)などを施したものが上のテーマ
です。数種 作成して、自分の目にあったものを切り替えると良いと思います。tall.ballで固めて、テーマの
ディレクトリーで解凍すれば、簡単に自分にあったものが作成出来ます。編集は、テーマスの中のdefault.themes
ファイルを編集します。詳細は、上のリンクを参考にして下さい。


ICEWM + Wbar

ICEWM 編集版+Wbar



Fluxbox +Wbar kabegami 2A3SE

Fluxbox + Wbar + Idesk+ 2A3SE+DAC


ICEWM コントロール・センターのインストール
ICEWM CC

ICEWM コントロール・センターのインストールです、サイトは

ICEW Control Center

にあります。メニュウバーに、icecc を書き込むか?コマンドを叩くと、上のメニューが出ます。

GUIを使って、壁紙や、諸々の設定を行う事が出来ます。果たして、便利なのかどうか?は不明です
Viで設定ファイルを開いて、書く方法の方になれている人にとっては、便利なツールなのかわからない
と思います。ICEWM の面白さが半減してしまう様なアプリですが、大変便利な、ツールです。
インストールは、最初にメイン・アプリをインストールします。上のHPの画面に従って、オプションをインストール
します。各ソースは、Qt で書かれており、コンパイルはこれらを使います。ソースのリンクの横にライブラリ
が記載されていますので、ソースを見つけて、先ずはそれらのインストールから始まります。インストール
は比較的スムーズにいきます。私でも出来るくらいですので、だれでも出来ると思います。
ついでに、コントロール・パネルを入れると良いかも知れませんが、
これもライブラリーが何だかで、
エラーになってしまいます。ファイル・マネージャーとして使えそうです。尚、諸ファイルの設定を
日本語で、詳しく解説してあるサイトがありましたので、紹介しておきます。
なお、ICEWM コントロールセンターをコンパイルしたり、binaryをインストールしたりしますと、
icebgset(壁紙設定)icecc(control center) iceked (key map editor) icemc(toolbar-editor) icesndcfg(sound config)
icets(Themes Editor) icewoed(Win Option editor) がインストールされます。このまま、コマンドラインから
コマンドをたたいて起動させて各々の設定をすることも出来ます。かなり便利なICEWM のツール群です。



お好み設定
,とても詳しく説明していますので、役に立つサイトと思います。

超軽量級 ウインドウ・マネージャー JWM の インストール

JWM+ idesk

JWM + idesk + Wnn7




His Name is Joe Wingbermuehle from USAJWJWM



なお、JWMをmakeする場合は、ライブラリーを必ずmekeしてインストールして下さい。jpeg,png のライブラリー
となります。更に以下のライブラリーです。
日本語の詳しいサイトはシノバーさん、そっちを見て下さい。Pappy
Puppy Linux 日本語版サイト参照のこと
JWMはPuppy Linux 環境下で、もっとも良く設定されるのではないかと思います。
JWM にはライブラリが必要ですので、これを先にインストールして下さい。FriBidiのライブラリです。
ここですよ!!!
JWM idesk wbar

JWM とても軽いですが、テーマを変える事が出来ません




日本語は出ます。軽さはFluxbox,Blackbox,ICEWM と比較してそれほど軽いとは
思いません。操作性は良いと思います、設定は比較的簡単に出来ます。独自の設定はドット・ファイルです。
ホームに設定します。/usr/local/etc/system.jwmrc などの設定ファイルがありますので、ホーム以下に .jwmrcとして
コピーします。適度にvi などで、編集します。JWMを立ち上げると、自動的にホームデイレクトリに .icons と言う
アイコン専用フォルダーが出来ますので、そこにpngの拡張子のある、アイコンを格納します。menu などに必要な
アイコンはここから持ってきます。コンパイルに失敗した場合、必要なライブラリを削除すると、makeでき
ました。操作性は、まあまあと思いますが、マルチリンガルで使う私にはちょっと使いにくいかな?
タスクバーもWbarを使いたいので、どこかへ移動できれば、良いのですが、そこのところ、PEKWM の様に、
Taskbarがない、方が便利で、移動できないタスクバーがあると、自由度が低下してしまいますが、さて、、、

dot file の中を探すと、task bar に関する設定がありました。サイズ、位置などを変更が出来ます。以下がその
様子です。日本語環境はWnn7を使っています。もう7年以上使っていますが、私的にはWnn6がとても良かったです。
とても賢い漢字サーバーです。default画面です。
JWM + Wbar + Wnn7

タスクバーは上、JWM + Wbar の表示状態です



.jwmrc の中のバー、ポップアップ、等の色の設定をある程度行ったJWM です。綺麗になりました。殺風景な灰色で
はありません。この部分をテーマに会わせて色を変更すれば、気に入った顔を作る事が出来そうです。
アイコン部分の編集も可能ですし、こうして、色だけかえてもかなりXP風になります。

こうして使うと結構、軽快に使うことが出来ます。ドットファイルを編集すると、ICEWMの様な状態になりますが
テーマだけは、複雑に変更は出来ません。これはこれで、良く軽いWMだと思います。ドット・ファイルを編集すれば
もっと良い顔にすることも出来ますが ICEWM ほど自由度はありません。

なおウインドウ・マネジャーだけで言うなら、 Fluxbox, Blackbox と ICEWM はとても自由度が高くまして日本語環境下で
軽く動きます。特にICEWMで言うなら、改造も可能ですし、エンライトメント風にする事も可能でしょう。



alien を使いましょう

Alien 日本語でエイリアンです。昔はよく使ったのですが、また使ってみましょう。これは、debをrpm,rpmをdeb
拡張子に変換するアプリです。とても便利です。Slackwareにはtgzがありますが、この場合は$rpm2tgzを使えますが
debをrpmにはしてくれません。alienの場合これらを実行してくれます。
この古RedHat9の場合では、
$ alien --to-rpm desktop4shared-1.2_1-all.deb
Debianのdesktop4shared-1.2_1-all.debをrpmに変換した例です。これで、
$ desktop4shared-1.2-2.noarch.rpm が出来上がります。あとはインストールするだけです。
逆も同様です。
昨今、Debianのアーカイブが多いのですが、alienで使うことが出来ます。
alienのソースはAlienのソース
おいてあります。





Pekwm UTF8 パッチ付きの新版をインストールする。

PEKWM 0.1.11 およびパッチはUTF8を含んでおり、トップ・メニュが日本語で出てきました。
pekwm_0.1.11.orig.tar.gz
pekwm_0.1.11-1~bpo50+1.diff.gz
の上をダウンロードして、Wget が良いと思います。
最初にorigを解凍して次に同じダイレクトリーで
$ zcat pekwm_0.1.11-1~bpo50+1.diff.gz | patch -p0
で、コンパイルしますと、スムーズにmake出来ました。
デビアンのサイトから、アプリをダウンロードします。Down load
最新版を入れた方が良いと思います。軽さは、JWM より軽いウインドウ・マネジャーだと思います。ただ、
タスクバーがありませんので、時計などが必要になってきます。asclockや、エミクロックなどを表示させた方が
便利かも知れません。設定ファイルは .pekwm のドット・ファイルになります。




Pekwm 0.1.11 + UTF8 patch +Wbar 日本語表示


タスクバーの紹介

やはり、タスクバーのない、Golem,Pekwmは中々、軽いとは言うもの使いにくいところがあります
pypanel,lxpanel,fbpanel,fspanel など探せば結構ありますので、インストールしたら結構便利では
ないかと思います。日本語が通らなかったりで、英語で我慢すれば、結構これで役には立つものです。
問題は、ディストリビューションが古い私のLinuxなどの場合、うまくインストール出来ればの話です
カーネルをバージョンアップ、 Glibをバージョンアップしてくれなどのコメントが出てくるともう始末
におけない状態で何もウインドウズに近い状態にする必要はまったくないのではないかと思います。
a.out の時代には、つまり、最初のカーネルの頃は、結構有用な、アプリケーションが存在していたのです
が,音響の世界では、スペアナなど、かなり有用なアプリがありました。いつの日かそれも使えない状態に
なったLinux です。グウダラになった、一つも面白くない Linux にしたのは一体誰なのでしょうか?

未だにサイトが残っておりますので、リンクしておきましょう。Linux Sound ORG と言うサイトです。
Linux Sound ORG Linux Sound ORG


牛をクリックして下さい。アプリのサイトは ushi


牛をクリックすれば、a.out lib5 の頃のアプリケーションがおいてあります。馬力がある人、C 等が
書ける人は、現代のライブラリーに作り直して欲しいと思います。とても有用なアプリケーションであったので
すが、現在のLinux では使う事が出来ません。 RedHat4 古いバージョンの Slackeware,Plamoなどでは使えたの
ですが、とても残念です。実際 FlashPlayer V 8 は落ちませんし、良かったのですが、V7 からV9に飛んでおり
V8はいったいどこへ行ったのでしょうか? 唯一、Firefox が落ちないでYoutubeが見られたのです。セキュリティ
の問題でなくなってしまいました。


fbpanel + pekwm + wbar

Fb Panel + Pekwm + wbar です


fbpanelをpekwm に取りつけた様子です。.fbpanel以下のイメージと設定ファイルを
変更してあります。タスクバー(fbpanel)の色が変わると良いのですが?設定を見つけるとしましょう。17thMay2010


その他のウインドウ・マネジャーの紹介 Free Desk Top ORG

Free Desk Top ORGなるサイトがあります。ウインドウ・マネージャー情報を集めたサイトで、参考に
すると良いと思います。
Free desk Top ORG
Free Desk TOP ORG


PEKWM + Wbar just like XP

PEKWM + Wbar face like XP


pekwm のテーマは$HOME/.pekwm 以下のディレクトリに themes と言うフォルダーを作ります。そこに各テーマの
コピーを用意するか、編集したものを置きます。編集は、GIMPなどで編集します。また同じディレクトリにmenuと言う
設定ファイルがありますので、それを編集します。メニュウですが、どうもここは日本語が出ません。その他の部所は
日本語は通ります。パネルは必要に応じて付加すると良いと思います。
パネル、タスクバーは沢山 種類がありますので、インストール可能なものを選ぶと良いと思います。Pypanelなど
結構説明不足で、インストール可能でも、設定の方法がわからないものも沢山ありますし、最近 ネット上で公開
されている、HPが前より少なくなりましたのは何か原因があるのでしょうか? XPde,EDEwm等も入れてみましたが、
今の所、Fluxbox,Blackbox,ICEWMに勝るウインドウ・マネジャーはないかも知れません。ICEWM 良く出来ています。



その他のいっぱいある、ウインドウ・マネジャー Xwinman org
Xwin Man Org

EDEWM +EFLTK(ライブラリー)のインストール

EDEwm

EDEwm ウィンドウ風、ウインドウ・マネジャー


エキノコックスと言われるサイトからダウンロードした、狐の病の名のウインドウ・マネジャーです。
インストールは比較的容易ですが、独自のライブラリーのインストールが必要です。開発ライブラリーとでも
言いましょうか、付属して、ecalc と言う計算機までついてきます。その他、ファイルマネジャーが付加されて
います。


ecalc by efltk

上が、ecalcです。機能はXcalcと変わりませんが2,8,10,16進法での計算が出来ます。デフォルトは10進法に
なっています。色のついた、Xcalcの様なものです。WMでは、日本語の表示がされておりますが、またUTF8の
パッチがついておりますが、メニュウ、タスクバー等は文字化けしています。肝心な動きはどうか? 重く
軽快とは行きません。XPdeや、XPGnome等は、もっと動きが大変鈍く、私のPCでは軽快な動きではありません。
上にも記載しましたが、今の所、ICEWM , Fluxbox , JWM が一番軽快に動くウインドウ・マネージャーと思います。
この二つはMAC OSX風にも出来ますが、XP風にする事も可能です。とても軽快です。Golem,Pekwm も良いでしょう。



ushiXPGnome

ushiEDEwm+EFLTK

とりあえず、2個のウインドウ・マネジャーのリンクを置いておきます。Red Hat 9 では、これまでですね
これ以上のデストリをインストールすると無意味ですし何せライブラリ、Xlib,XPMが所定の所にないせいもあり、2004年以降
に開発された、アプリケーションは、コンパイル出来るものがあまりありません。特にパネル、ドック系の付属
のアプリはほとんど、全滅で、コンパイルが出来ません。それでも、がんばって、make してみました。今更
Ubuntuなんて、インストールしたくはありませんし、当分は、このRedHat9を使う事になりそうです。Fedra6(CDROM)を持っている
のですが、認識さえしてくれません。何とかUbuntu のCDROMは認識するのですが、使いたくない訳です。
Ubuntu を使う人はお早めに Debian に移行して下さい。あの複雑怪奇なインストールを経験してこそ、Linux 使いです。

ここまで、だらだら、下手な文章で書いてきましたが、1996年から、一筋、Linux や、FreeBSD だけを使っています。
この文章を読んでいただけて、幸いですが、もしウインドウズで、このHP を見ているのでしたら、とても残念です。
Xの画面も出ず、コンソールだけでも、インターネットやメールをやるファイト(馬力)が欲しいものです。決して
ウインドウズなんかで、見ないで下さいね

usi

ICEWM+ Wbar +idesk 2010

ICEWM + Wbar + idesk APL 2010 by RedHat 9 Linux



Nissan Leaf

Nissan Leaf ICEWM + Wbar


Xfce4-panel+pekwm+idesk

Pekwm + Xfce4-panel+idesk で構成した画面です



Linux ユーザーのGlib 2.2以上の人たちでしょうから、cairo dock,AWN 等をテスト出来る環境にあると思います
ので、これらのインストールをしてみてはいかがと思います。私のライブラリーでは、OpenBoxさえもコンパイルでき
ませんので、ぜひチャレンジをお勧め致します。AWN へのリンクは牛を押して下さい。OSX 風に出来ます。
私は Wbarで十分ですが、下の牛を押して、アプリをインストールすると即 MAC 風 Linux になります。


Mac for linux

上の牛をクリックしますと、MAC4lin のアーカイブをダウンロード出来ます。即 MAC 風になります。



awn links
AWN

AWN Bar です。実際簡単さでは、Wbar に勝るバーはありませんが、




似たようなDockにSimDockとC++で書かれたパネルもありますが、Glib2以上です。
リンクは牛にリンクしておきます。
sim Dock ushi


QVWM + Wbar

QVWM + Wbar です、アイコンもデフォルト付属しています


QVWM


ICEWM+BlueHeart+AMSN+Wbar+idesk

AMSN + ICEWM + Wbar + iDesk



Running LinuxRun Linux old PC by Joydeep Bakshi

興味あるサイトです。ICEWMを題材にしたサイトです。



英語のサイトですが、バック・グラウンドに時計や壁紙、カレンダーなどを自動的に張付けるアプリの紹介
などをしています。壁紙はコントロール・センターで自由に張り替えることが出来ます。上のサイトに習って
カレンダーでも張って見ましょう。アーカイブはdebianのサイトから持ってきます。


debian site

上のdebianロゴをクリックして、ソースとパッチをダウンロードしましょう。kterm 上で、wgetしたら良いと
思います。コンパイルしてmake ; make install で素直にインストール出来ます。以下の様になります。
ホーム以下で立ち上げると、~xdkcalrc と言うドットファイルが出来ますので、Viで開いてpadding と言う設定値
がdefeult では2になっておりますので、曜日の漢字が隣とくっついてしまっていますので、10辺りにしておくと
再度立ち上げると、正常になっている筈です。その他の値は適当に触って見てください。あると便利なtoolです。


Xdkcal + ICEWM + Wbar

ICEWM+Wbar+Xdkcal



FVWM2 + Xfce4-panel

古典的WMです FVWM2 + XFCE4-panel、昔から色々な手法でカスタマイズされています



次の牛で「FVWMの逆襲」へジャンプします。 Jamp Ushi
上のリンク、「FVWMの逆襲」より得た事柄に従ってインストールしたFVWMをMAC風にする
方法です。FVWMも捨てた物ではありません、ホームディレクトリに苦労のファイルをインストールすると、
以下の様な画面のウインドウ・マネージャー FVWM がモディファイされて出てきます。
FVWMの逆襲より


古典的なウインドウ・マネージャーです。歴史も長く勿論日本語が通ります。
FVWM2は昔から色々カスタマイズが紹介されていますし、何も古い顔を維持する必要もありませんし、
上のFVWM2、良い線いっていると思いませんか?Afterstepで、アイコンをクルクル回した使い方もありカスタマイズ
によっては、Windowmakerばりになります。やはり壁紙次第ではかなり重くなりますので、のっぺら棒にしたほうが
Linux上で物を書く仕事をするには壁紙は重くなります。

panel はxfce4-panelですが、pypanel 等のパネル、Wbar、AWN 何でも使うことが出来ると思います。

FVWM + ESOX

FVWM+ESOX をカスタマイズしたものです。信じられないほどでしょう、これ、FVWMです



FLWM + Wbar

Flwm + Wbar


これは軽いです。flwm ver 2 つまり、XFT版はUTF8で作られているので多外国語
に適用されており、日本語が通ります。これはx86 版ですので、日本語が通りませんが、入力と表示には
問題はありません。Wbar 等を併用すると良いと思います。ソースのコンパイルには FLTKが必要です。Ver2 は
日本語が通るらしいですが、通りません。fltkのバージョンによっては、所定のflwmのコンパイルが出来ません
のでご注意下さい。なおflwmはFLWMでダウンロードして下さい。
debian のパッチ付をダウンロードしてもMakefileが出来ず、fltkを認識出来ずコンパイル出来ませんでした。
どんなPCにでもインストール出来る日本語の通るTKPANELを併用しても良いと思います。このパネル大変軽いが
斬新さに欠ますが、まあ使えるパネルであると思います。なお、FLWMにはbinaryも用意してありますので上の
ページよりバイナリだけをダウンロードしてインストールしてみてはいかがでしょうか? FLTKは必要はありません
binaryをbinにコピーするだけで使えます。3種類あります。XFT, X86 そしてlib5 版です。
10th May 2010
flwm + TKpanel

flwm + Tk Panel


WMX v6 + 日本語パッチ

WMX-6 + 日本語パッチで日本語の表示可能



軽いWMですが、それほど軽くはない印象です。
日本語パッチは、Patchです。WMX-6 は日本語
が通っていません、WMX-7 はUTF8 パッチ済みですが、XFTで、私の様にXサーバーにX86系を使っている場合コンパイルできません。
WMX-6となります。>WMX
をダウンロードして、コンパイルをしてmake してインストールしたのが上の状態です。Wbarを併用して
います。ただ、起動時に何もないので必然的に何かのパネルや、せめてktermを一つ立ち上げている必要が
あります。また、ログアウトもありませんので何とかする必要があります。あまりサクサクとは動かない
上の様にタイトル・バーに日本語が表示されます。許容メモリはflwmの方が容量を使っていません。なお、WMX
の場合、title bar上でセンタークリックすると、緑色のTVのチャンネル表示の様な数字が出てきます、これに
よってワークスペースの表示や移動を行います。2回クリックすると移動します。まあやってみる事です。

軽く出来ているWMに色々なオプションを付けるのはナンセンスですし、ある人から言われましたが、色にメモリ
を沢山使用している端末は細かい計算をする時に弊害をおこすと言っていました。その人は、国立天文台に勤務
そして、ESSOの勤務経験のある科学者さんです。その人はLinux 端末を使って何億光年も遠い世界の天体の温度な
どを計算する人です。つまりこんなLinux 端末、実際はUNIXで難しいお仕事をしている人も世の中には存在する
ことを大部前ですが知ることになりました。コンソール一個出ていれば事は済むのです。それが本当のLinux User
なんでしょう。もしこのHPを発見しましたら、貴方の事を言っているんです !!と思って下さい。
益々のご発展をお祈り致します。

これからも、どんどん続きます、ICEWMの世界です


Linux Archive tar ball zip files

Gentoo Linux archive
Linux Archive です。ICEWMのテーマなども発見できます。牛を押すと飛びます

Monte Carlo v2 RX7

linux.xpm と壁紙を編集しただけでtar.gzで固めて再インストールしたモンテカルロのテーマ



FS Panel のインストール

横長のタスクバーが入ります。何も苦労せず、タスクバーをインストールでき
ますが、バックグラウンドにGnome環境が必要になるとの事です。インストールはデビアンのサイトから
アーカイブをWgetでダウンロードして下さい
Debian

fspanel+pekwm

Pekwm + idesk + fspanel


ただのバーです。アプリを格納出来ますが、Pekwm のfocus client が必要です
タスクバーからアプリを起動出来ません。このバー?どかで見たことがありますね、何かのウインドウ
マネージャーに張付いていました。ちなみに、SolarisとFreeBSDのMakefileがついています。このまま
make : make installが出来ます。Ushi

ICONなどをもっと綺麗にすればもっと良くなりますが、READMEを見ますと、タスクバー
とは称していなく、LIST と表示しています。つまりLIST Bar です。端をクリックすると上下に移動します。
すでに、タスクバーを装備しているICEWMやFluxboxなどの上では正常にタスクバー上からアプリの起動が出来ます。
pekwm,flwm,mwm 上では正常な機能を果たさないかドック出来てもタスクバー上では起動が出来ませんでした。
最近のバージョンのfbpanelではグノメ・メニュなどの起動や色々な機能が出来るようですがタスクバーは
なければないで、何とかなるものです。WMの作成者も何かの意図があってなくしたのでしょうし、これはこれで
無理に付ける必要もないと思います。ICEWM とWbar や ideskは今や欠かせないものとなっています。
特にWbar は有用です
注)fbpanel,fspanel 両タスクバーからのアプリの最大化(起動)は、Pekwm などの、元々タスクバーのない
ウインドウ・マネージャーの場合、起動できないリスト・パネルですが、すでにタスクバーのついているWMでは
問題なく作動しますので、WMに連動して何かのスクリプトが必要なのかも知れません。ただパネルを付加しただけ
では、機能がアクティブにはなりませんと言う事がわかりました。ICEWMなどでは正常に動作します。


Puppy Linux 4.3 日本語版をダウンロードしました

まずは、Puppy Linux のサイトからiso イメージをダウンロードします。上に紹介して
あるサイトからダウンロードして下さい。まずは、rootになってtmp以下に#mkdir cdimages などのディレクトリ
を作成します。100数十メガですので、簡単にダウンロードが出来ます。
iso イメージをローストします。#xcdroast が簡単で良いと思います。焼くと、、CDROMの中には解凍されて
焼き付かれます。それで終りです。設定で、CDブートDiskを作るを指定します。詳しくは牛君をクリックして
下さい。できあがったブート・ディスクでパソコンを立ち上げて下さい。簡単にPuppy Linux が立ち上がります。
とても、軽く、私には使いこなせないLinux です。何もここまでしてLinuxを使う必要があるのでしょうか?
何もかもが足りないLinuxです。Linuxがなんであるかもわからないと思いました。がっかりしたディスとリビュー
ションであると思います。Ubuntuもしかりですが、まだ少しましかも知れません。Vine,Plamo をやるかDebian
そして、Slakware、Suse などやFedora Linuxも良いでしょう。

Xroast

まずは、カスタマイズの容易なPlamo ,Vine Linux をお勧め致します。余計なお世話なんて言われそうです。
このPuppy Linuxだけでは、大変使いにくいディストリビューションで完璧にフルインストールしたPuppy Linux若しくは
その他のフルインストール Linux が必要になると思います。開発者はそうしてずるい使い方をしていると思います。



パピー Linux を馬鹿にしてインストール始末記 さんざんでした

ISOをダウンロードして、その後、インストールしてみました。ゴミのディストリと言わんばかりに、この私の重要な
Linux ターミナルのパーテーション内を引っ掻き回して、ゴタゴタにしてくれた、Puppy Linux まさしく素人 Linuxと言わん
ばかりに、勝手に関係のないパーテーションの中まで入り込んで、使い物にならないスタンドアローンの悲しいターミナルの
始末記です。もうこんないい加減なLinuxをインストールしようなんて思わないことです。昔 Linux を始めた頃は 同じPCの
中に数種のLinux をインストールすることは普通なことでしたが、Ubuntuにしろ、このマヤカシ・Puppy Linux にしろ中を
ひっかきまわして大事なパソコンを壊してくれます。復旧するまで、あと10日はかかるでしょうか?やっとのことで日本語
が出てきました。(大笑い 初期のWnn7を使っている関係上、色々な不具合があってのことです。
ソースは一応 USB メモリーに保存しておきましたので、再度コンパイルをして、何とか使える状態にしました。
今回も、ICEWM をネット上のFTPサイトを探しました。.icewm 以下はタールで固めておきましたので、元に近い画面になりました。
やれやれです。 Wnn7 が立ち上がらなく困りました。立ち上がったら2つ立ち上がってね、一個が消せなくて、その1個分が
エラーの元になって、X画面さえでませんでした。インタラクティブモードにして一つづつ立ち上げて1個を消して、
Xが見えた状態で、原因を削除 しました。これはネット上で紹介されていたスクリプトでそれを削除しただけですが、それが
わかるまで、丸一日かかりました。Wnn7がバアージョンアップされた状態では、スクリプトは不要になっておりまして、
2個立ち上がってしまった様です。”ホストはもう既に使用済みのエラー”が出てきており困りました。また、コツコツ 私風の
ICEWMに時間をかけてカスタマイズして行こうと思います。今のところまだ、特定の音市か出ないので、音に関するライブラリー
をコンパイルしてインストールして行こうと思います。Puppy ,Ubutu なんてゴロツキLinux を入れようなんて思わないことです。
おすすめはやはりしっかりした、Vine, Fedora, Suse , Plamo ,Slackware などでしょう。パーテーションを切ることから始める
Linux でないと安心できません。Ubuntuなんて、SCSIのHDDにはインストールできませんしね 困ったことです。だいたい
新しいパソコンじゃないと使えないなんてのは、やはり思想が違うのでしょうか?。

ICEWM 新しい方式のタール xz 拡張子で固まったアプリの解凍方法

山形大学のFTPサイトにあるテーマのパッケージが以前はgzで固まったいたの
ですが、今回アクセスすると拡張子がtar.xzになっておりではないか!!どうこうしても解凍ができず
ネット上を散策すると、XZが載っているではないか?bz2みたいなもので、圧縮率はかなり良いらしい
7Zと同じ様なものです。あるいはまったく同じものであるらしい。7Zは南米のお客さんが写真をOSXで
7Zで固めて送ってきて閉口しました。その時は7Zをインストールして、それで難を逃れました。
山形大学のFTPサイトはここ
です。tar.xzで固まっているものが多いです。
解凍、圧縮の説明はAT WIKIです。
更に、Tar.xz の置いてあるサイトは以下の牛さんをクリックして下さい。
# tar -xvf icewm-themes-1.2.26-2-any.pkg.tar -C / で指定のディレクトリへインストールされます
が、どこかでばらしてからホーム・ディレクトリへインストールした方が安全です。
最初は hogegoge.tar.xz ですので、ここで $ xz -dv hogehoge.tar.xz とすると$ hogehoge.tar に
なりますので、上の様に解凍します。
アプリは下の牛さん

Link ushi

上(Tukaani ORG)からソースを得てコンパイル、インストールして下さい。



7z のインストールと解凍の仕方

7z でファイルを固めてくる人もおります。 OSXを使っている人は少なかずしも
数人はこの7Zで画像を送ってきます。
まずは、インストールでもしましょう。7Zip
downloadはここからダウンロードします。ソース(7z465.tar.bz2)をコンパイルして、#sh ./install.sh とやった、
7za と言うbinaryがインストールできます。固めてきたファイルが例えば、$ photo.7z であったとします。
本当は、上の7z465.tar.gz だったはずですが、p7zip_4.55.tar.bz2となっています。これを解凍して、
installします。7z465.tar.bz2は前にインストールして問題がなかったのですが、今回再度しましたら、
make出来ず、source forge からダウンロードしました。自分のデストリにあったバージョンをインストール
して下さい。2010.11.14 wrote

$ 7za x photo.7z
で解凍が始まります。圧縮はその他のサイトを見ればたくさん紹介されています。
解凍 アーカイブはないと困りますので、必要性が高いわけですので即インストールして下さい。
Perl,Phethon,Gcc,Tcl,TKなどは必要ですので、時々アップデートしておくと便利です。imlib2 なども
アップバージョンしておくと、前までインストールできなかったアプリが入ったりしますので良いと思います
7zはあまり使う機会がありませんが、ここで紹介しておきました。


ところで、Ubuntu,OpenSUSE,Puppyその他の似た様な構成のLinux にせよ、インストールの敷居が下がった事で
ウインドウズ化してしまったのでは、一体何になるのでしょうか?昔のLinux で何も良いではないかと思います。
セキュリティの問題か何かわかりませんが、いたずらにカーネルがバージョンアップしていき、ライブラリも
膨大になっていき、マイクロさんと何も変わらず重たくなっていきます。これでは何もならんのではないかと
思います。見たくれが良いだけでは、このOSもなくなる運命なのでしょうか?サーバーを介してアプリの
インストールを半自動的に実行している人は少なくとも、なるべく早い時期にウインドウズに戻ることです。
これは私からのメッセージです。組み込みLinux ってありますね、ソニーの画像系の機器はほとんどLinux
そして東芝などの音声系、画像系の家電もLinux、あちこちで電子機器にLnuxを使うようになった事は良い
ことであると思います。機械を製造する方から見たら、専用のカスタマーIC やCPUを考えるよりOSを使った
方がコストも機能性も良くなることは良いことですが、壊れると始末におけないのが組み込みLinuxの機器です。
いちいち、一台づつOSを時間をかけてインストールするのは人間ですから、修理の観点から見るとおいそれ
悪いICを交換したから直る問題でもなくなります。それが、昨今のデジタル家電の修理の難しさでしょうか?


科学者の為のLinux Scientific Linux Distribution


科学者の為のLinux です。詳細はWikiでも探して下さい。最終版は2005年ごろですので、Fedoraの6頃と
思います。その頃から余り Linux は発展をしていないと言うか敷居が低くなっています。
敷居が低くなった分、旧式のパソコンにインストールが難しくなりました。それはSCSIを認識出来ない
Distribution がほとんどで、大きな容量のHDDが開発されて SCSIが必要にならなくなったせいもあると
思いますが、Linux の開発者はこんな時期から商業ベースに会わせようとしていることがわかります。
私にとってSCSIを認識出来ないLinux なんてゴミ同然です。New type of Linux does not detective
another side of SCSI HDD . What meanning just bunch of gavage of Linux.Just like GIGO is
New Type of Linux.un happy for me.
ところで、科学者の為のLinux はこの牛ushi
を押すとジャンプします。私もISOをダウンロードしてみます。スカジを認識してくれると良いのですが?


ISOによるLinux Distribution のダウンロード

これはもう常識でしょうが、Linuxのiso拡張子のついているアーカイブをダウンロード
して、パッケージを解凍してLinuxをインストールするわけですが、いちいち近所の本屋へ行っていられないとか
金欠病であるとか、田舎に住んでいるとかで、どうしても新しい?デストリビューションが入手出来ない場合など
は、FTP版は有用です。Linux ターミナルを既に持っている場合ですが極めて簡単です。まずはFTPサイトを
見つけます。そこで、iso を見つけたら拡張子のついた、アーカイブのリンクをコピーします。
tmp5 $ wget ftp................XXX-linux.iso これでダウンロードが始まります。GUIを使うとサーバー
に負担がかかったり、こちらのパソコンが固まったりしますので、CUI で $wget を使ってダウンロードします。
何もアプリだけでなく、大きな画像などもこの$wget を使うと簡単にダウンロード出来ます。

ダウンロードしましたら、保存したディレクトリから$/tmp にファイルをコピーします。/tmp はルートディクトリ
にある /tmpです。/tmp 以下にコピーまたはダウンロードされたisoアーカイブをCD-R に焼きます。この時に
焼き付けモードでブータブルを指定します。CD-Rには、解凍された各ファイルが焼かれます。これでreboot すれば
新たな,Linux のインストールが始まります。
とても簡単です。tool は、gnome cd roast 若しくは、xcdroast を使うのが良いと思います。私はxcdroast
を使っています。使い方はやってみればわかります。が、わからない場合はサイト検索したら、数個所出てきます
ので参考にすると良いと思います。ダウンロードはADSLで700メガバイトで2時間半程度です。環境によって
早くも遅くもなります。ネットが空いている早朝が良いと思いますが、相手のサーバーが早朝であるともっと
早くなります。これで色々なディストリビュウションを入手しましょう。Puppy Linux なんて200M byte程度
で大変手軽ではありますが、。パピーの欠点は、必要なライブラリーは自力で入れるところでしょうか?
バイナリーだけに頼っていられないのが、Linux です。お楽しみ下さい。

なお、私のPC は非力なFujitsu の古いPC 300Mhz AMD です。お古を5年ほど前に私の姉からいただいたものです
もともと、CD-R IDE はなかったのですが、昨年(2009)PC ある日、ハングアップしてしまい、再度 Linux を
インストールしたくてもCD レクターが壊れてしまっており、秋葉原でバルクの中古を探したのが今ついている
TEAC のノート用のレクターです。ちゃちいです。が、、ある日ハードドライブを検索していましたら、
あれーー?、これCD-RW ドライブになっているではないか!!とりあえず、Xroast を立ち上げたらCDのコピー
が出来ました。2000円の中古ですが、私には強い味方です。
デジタルカメラのCanon IXY Digital 20ISも問題なく認識します。素晴らしいカメラですが、このカメラは
画像が右に傾くのです。最近の機械ってこんなものでしょう。適当に作ってある。最近の若者が作れるのはこの
のものでしょう。音についても、画像についてもそんな物、そんな程度のものです。LCD だって、ドット抜けと
言うものがあり、必ずあるものなのです。何 インチ以内に何個なんて規定があり、ドット抜けがかなり離れていれば
OK なんて言うのが新技術です。良くなった様であまり良くはないのが新しい技術です。



その後、
ReD Hat9 以降のLinux はSCSIを読まない、つまり、私はこのままです。SCSI 40G あっても、
このままなのです。Vine Linux は3.0以降はNG,Vineの3ではね、何ともどうしてもUbuntuや
何とかはインストールしたくないし、ましてスカジを認識しないものばかりです。こうすると、
Vine Linux 3.0でも入れるかと思ってしまいます。ここは焦らず、アップバージョンできるLinux
を探しましょう。今度はhome以下が再度お亡くなりになってしまい仕方がなく、ルートで#mkdir home
を作成して、ついでにホーム以下も再度入れた次第です。Xなしの真っ暗なコンソール画面で、Vi を
使ってfstab の内容を変更して何とかXが出るようになりました。Home以下は消えてしまいましたので
膨大な資料が消えました。今回はまさか消えるなんて思っていませんでしたので、バックアップはとって
おらず、大変困りました。今 CentoOSのiso をダウンロード中です。昼間 5kbpsなんて、やはり苦しい
無償サイトの経営は苦しいのか?NTTさんが悪いのかわからないが、困っております。
このADSLでダウンロードすると良い条件下で、75Kbps が最高です。早朝のだれも使っていない時間です
近か場のFTPで、75Kbps が最高で、もっと遅い時は韓国のFTPのミラーサイトを探すと早い時があります。
世界中のCENTOSに限って言うと、時間に無関係で一般に遅いのがわかりました。早くて30Kbps 普通は
5から10Kですね、どうして遅いのでしょうか?同じFTPサーバーにおいてあるその他のアーカイブを
ダウンロードしても早いのですが、CENTOSに限ってまちまちです。国内では、科学技術大が一番早い様です。

JAIST.AC.JP ここには、あの有名なKONを開発した 真鍋 氏がおるはずです。日本のLinux 開発の第1人者
しかりPlamoの小島 氏も日本における、Linux の開発で有名な人の一人です、書籍では林 雅人 氏
などの著書で Linuxで勉強したものです。そして、何と言っても私のLinux参考書で、今も大切にしている
凸版のLinux入門です。小山 祐司氏、斎藤 靖氏、佐々木 浩氏、中込 知之氏 共著の1 冊です。
ぼろぼろになっておりますが、いまだに持っています。大切な私の思い出の参考書です。
日本語・漢字サーバーは最初はCannaだったのですが、Wnn4の後 Wnn6を使いました。このWnn4 とWnn6は
大変 頭が良いのです。Wnn6は長い間使っていました。とても使い勝手が良く、大変明晰でした。
現在は、もう6年以上も使っているWnn7です。これが馬鹿でどうしようもありませんが、今の私には
大変 必要な日本語サーバーです。
ところで、
SCSI(スカジ)を読まないデストリはどうかと思いますが、これも時代なのでしょうか? 何のための
Linuxでしょうか? 開発者はSCSI 対象になる様に考えて欲しいと思います。今更 無理でしょうか?

New Asuka theme

New Aska themes ICEWM


その後のLinux 私のPCはHDDがSCSI 40G Byte なんですが最近のLinuxは認識しません

先ずは、色々なデストリビュウションを試して見ました。
(1)パッピー は何でも認識できますが、boot が貧弱、rootしかない不完全Linux
組み込みLinuxに近いLinuxです。

(2)ウブンツ Ubuntu は SCSI(スカジ)認識できません。8は可、9は不可?
(3)Debian はSCSIを認識できます。
(4)Vine Linux 3.0 までSCSI を認識できます。
(5)Vine Linux 4.0 SCSI/IDE を認識できません。特定パラメターを通してもだめ
(6)Vine Linux 5.1 SCSI/IDE を認識できません。製品としての価値がありません。

これらは、このかなり古いパソコンのせいなのです、最新よりちょっと以前のパソコンでは
こんな具合いにはならないと思います。Vine 4.1に関しては、CDブーツ時に時々ブーツする時が
ありましたので、時間をかけて何度もブーツをトライしますと、ブーツ画面が出ておりそれで
インストールできました。

3 boot 画面


それで。Vine 4.1(2.6系)と、RedHat9(2.4系)とDOSが混在しています。
ブーツは、RedHat9のgrub.confを編集して、パスを通しています。
----------------------------------
/etc/grub.confを編集したスクリプトはこんな具合いです。


# grub.conf generated by anaconda
#
# Note that you do not have to rerun grub after making changes to this file
# NOTICE: You have a /boot partition. This means that
# all kernel and initrd paths are relative to /boot/, eg.
# root (hd1,0)
# kernel /vmlinuz-version ro root=/dev/sda2
# initrd /initrd-version.img
#boot=/dev/hda
default=0
timeout=10
splashimage=(hd1,0)/grub/splash.xpm.gz
title Red Hat Linux (2.4.20-6)
root (hd1,0)
kernel /vmlinuz-2.4.20-6 ro root=LABEL=/ hdc=ide-scsi
initrd /initrd-2.4.20-6.img
title DOS
rootnoverify (hd0,0)
chainloader +1

title Vine Linux (Current kernel)
root (hd0,1)
kernel /vmlinuz ro root=LABEL=/1 resume2=swap:/dev/sdb1 vga=0x314
initrd /initrd.img
-------------------------------------------------------
と上の様子の具合いです。最後の4行が付け足した分です。このパスはあっちの方からコピーをして
きます。書くのがめんどうな場合はフラッシュメモリにコピーでもして張り付ければ良いと思います。
2.6系ははじめてではないのですが、2.4系に比べると重いですね、もちろんのこと、7年前に使って
いた、カーネル、Glibの方がもっと軽く動きます。このRedHat 9は大変軽く動きますし、やはり時代は
逆行しているのではないかと思います。VAIO 1GのデスクトップにもLinuxを入れてありますが、必ずしも
この300メガのAMDが重いとは言いがたいと思います。カーネルが重くなっており、Glibも重くなって
おり、Linuxもwindowsに近い状態になっているのではないかと思います。多機能化が重くなってさせて
いると思います。古いSCSIなどドライバーとして用意する必要がないのであれば、もうLinuxは本来の道
から外れているのではないかと思います。17th June 2010記

(7)Fedora Core 最初から、SCSI/IDE を認識しませんFedora Core6でも認識せず製品価値なし
(8)Plamo Linux 3.2 SCSI を認識できます。
(8-2) Plamo 4.2 SCSI 認識出来ない。Hdaを認識のみで、Sdaは認識せず。
(9)Plamo Linux 4.72 SCSI を認識できますが、最初のSCSIの4Gしか認識せず。NG
(10) CentOS Linux 3.9 SCSI を認識しようとしますが、読めない
(11) CentOS Linux 4.8 SCSI を認識しようとしますが、読めない
(11-2) CentOS Linux 5.5
SCSI 認識すると言う情報あった為、downloadしましたが、インストール以前で中止される。
Fedora Core 6あたりから、始まる現象、Vine5.1でも同じ現象です。i358を使いますが
もっと更に悪くなっている。Kernelの問題 Centos はこれで更に悪化した。

(12) Open SUSE は大変 重いので、立ち上げまで膨大な時間を要する為、やめた、
多分 認識しないような気もしますが、architectureがPlamo と同じSlackwareでありそうなので
もしかするとOKであると思います。未試験です。


このまま Red Hat 9を使うか考え中と言うわけです。 Plamo 4.72 にSCSI内をかき回されて
私のLinuxパソコンとパーティションの最初Win部をフォーマットを勝手にかけられました。
果ては、windows入れ直し、Linuxのパーティション切り直しした顛末です。2010.7th.June記

Linux LIVE CD の注意点

LinuxライブCD は安全と言うイメージがある程度昔は、あったものですが、どんな優れたデイストリビュションでに ドングリの背比べで、貴方が使っているパソコンに既にLinux や、FreeBSDが入っている場合、勝手にディレクトリ に入り込んで、隠しファイル、ドットファイル、イーサネットの設定、IDEを勝手にシリアル(SCSI etc)に書き換える 行為をしてしまいます、その為、既にインストールされていたUNIX系OSが動かなくなってしまいます。 Ubuntu,Puppy,SLAX,Berry, その他のもろもろのLinux ライブCD の使用はとても危険です。スタンドアローンのPCで 使うことを勧めます。つまりいい加減なものです。ディレクトリや、デバイスまで、消されたり変更されてしまいます。 調子にのって、LinuxライブCDを動かしていると大変なことになります。これは経験致しました。 HOME や USR 以下を消されたらもう、頭に来ますね、フラッシュメモリも安価ですので、その都度2つのディレクトリ 以下をタール(tar.gz)で固めて保存しておくことをお勧め致します。
結局は非対応USBのPCでは、USBから起動できないのです。色々な事を書いてあるサイトがありますが、これっと! 言うものがありません。CDROMからの起動は出来ますが、そしてUSBに記録はできますが、そこから、ブーツすることは まずは、あまり可能であるとは言えません。何か日本の政治に似ています。 あんちょくLinuxではなく、本式Linuxのインストールをお勧め致します。SLAXじゃなくてSlackwareをインストールと 言う事です。

やっと終わった、CentOS 4.8 isoのダウンロードです

何時間もかけて、CentOS 4.8 iso のダウンロードだけ終わりました。都合 CDROM が
4枚です。isoをCD-R で(2000円のCD R/Wで)ローストして、やっとイメージができました。
今、Plamo 4.72をダウンロードしていますが、CentOSをダウンロード中にHDDがいっぱいになって
しまって、98%まで、いったところで、中止、前にダウンロードしたソースや、isoを削除しました。
そんなんで、結構時間がかかってしまいました。商用サイトだとあっと言う間にダウンロードが終わる
のですが、無償サイトには限りがある様です。でも私の様な貧乏爺さんにはとても有用なサイトばかり
です。大変 感謝しております。もうそろそろ、このサイトの容量が終りに近づいておりますので、
ほとんどからっぽになっている、無料レンタルサーバーに移動します。

http://www.geocities.jp/lagartosan_99/icewm-jno2.htm になります。

FC2 にも無料レンタルを借りているのですが、サーバーがアメリカのロスにあり、昨年 全部ダウンされ
て、貴重なデーターをすべて消されてしまいました。泣き寝入りで、仕方がないで終わりました。
と言うわけで、FC2には置くことができません、いい加減な内容のものだけFCに置いてあります。


なお、OSX風、AWN、Wbar、Ideskなどのアイコンは次をアイコン

をクリックしますと飛びます。フリーだそうですのでご自由にお使い下さい。外国のサイトです。
--------------------------------------
結局は、最近のディストリビュウションはSCSIを読むことが出来ません。つまりあまり意味のないLinuxと
言えるでしょう。私にはRedHat 9 が最高のLinuxでしょうか?ライブラリーは何とかインストール
したりして補充して行こうと思います。ソースが頼りです。7th June 2010.




XP+OSX 風 ICEWM  idesk+Wbar

XP+OSX 混在風 ICEWM




Kernel 2.0(2)系 Linuxは軽く、2.4系から重くなった2.6系Linuxなんて重くて使えない

Wnn7を使っていて、2.4系以前はがんがん書き込みが出来たのですが、2.4系以降は
もたつきを感じます。これはGtk、Glibなどが関係するのであると思いますが遅い、遅い
まして馬鹿、CUIのWnn6は頭も良く早い、早い、早い、完璧な日本語サーバーでした。技術は時代に
逆行しているのです。世界の中でいまだに無数のRedHat9系(2.4系)Linuxが稼働していることを
知っていることは、少ないと思います。どんどん重くなるLinuxです。





先日downloadした、Puppy Linuxのiso ですが、気を取り戻して、使ってみましょうかと、、、、、
まずは、ライブCDでやってみました。100メガほどしかありませんCDROMですが、これはライブCDとは思えない
ほど、早い、さくさくと動きます。完璧と言うほどに、素晴らしい動きです。まして、300Mhz AMDですので、
期待はしなかったのですが、Ubuntu,その他のライブCDに比べると雲泥の差です。何もインストール必要もない
ほど、がんがん動きますし、こんな動き方を知ると、インストールしてみたくなります。300Mhz のCPUです。
それが最近のPCのwindowsなみの早さで動く様は、とても好感度です。私にはこれで十分です。素晴らしい!!


顛末記:その後、FDからのブーツは出来ないらしい、沢山あるWEB上の説明では、どうも、うまくbootができな
らしい、私の場合はCDからの起動は出来るが、MBRにこんなぐうだらLinuxを書き込むことはない。USB flash
メモリーで遊ぶかCDROMで遊ぶ程度にした方が良いと思います。本店サイトを見ても詳しい説明もなく、4.3版
には、.cfg ファイルも見当たらない、。私の場合は設定ファイルも保存出来ませんでしたので、USB flashに
したところで、おもちゃのLinuxでしかありません。これ以上 首を突っ込む意味もありません。
大型 HDDが大変安くなった今では旧式PC 200Mhz 程度でも、ICEWMを使う限り、Vine Linux
Plamo, その他のLinuxでも全然問はありません。普通に使うことが出来ます。windowsの1ー2ギガのCPU
を使ったPCと同格に使用が出来ます。Ubuntuにしろ、Puppyにしろ長生きできるディストリビュションではない
ことは確かでしょう。ライブCD程度で遊ぶ程度で良いと思います。念のためFDもwakepupをdownloadして、
インストールしましたが、どうBootには至らなかった、とそんなわけです。


再度 挑戦 Ubuntu 9を旧式パソコンに入れる

昨年、購入してほってあった、雑誌CDROM(iso)付で、インストールに再挑戦致しました。
綺麗な見栄えの良い雑誌、綺麗な色のCDROM(iso),でまずは、フルインストールを試みました。
PCを再起動して、初期画面が出てきました。

(実際 堂々と本屋で売られている、初心者用 雑誌は、実際は?テストインストールしてない様な
気もします。文章にも実現性が乏しく、果たして実行したら出来るのか疑問になることもしばしばあり
ますが、Linuxの雑誌に限らず、電子の製作 雑誌などでも、こういうことを平気でやってしまうのが
日本の出版業界の事実で、昔から悪い習慣はかわっていません。)製作したら動かないなんて?
普通の出来事らしい。出版物とはそんな程度のものであると理解するしかないようです。

そして、
Gnomeらしき、画面がでてくるまで、30分ほどかかり、さてインストールを選ぶと、「フリーズ」
こんな画面からインストールするのは、あまり好きではないのです、まずは何のプロセスをしてくれて
いるのか?わからない。小一時間もすると、シャットダウンして、再起動すると、「HDDを見つけることが
出来ません」と表示される。windowsの領域を消されて、MBR部分も消されて、あげくの果て、SCSI
のHDD中まで入り込み、home以下を削除、一部の部分のUSR以下部分を消されてしまう始末。
何の問い合わせも出ずに削除されたのでは、たまったものではありません。Ubuntuが安定したLinux
であると聞きますが、これはまったくの嘘、GUIから何でもしてしまうのはあまりにも無理があるのでは
ないでしょうか? 永遠と半日以上を費やして元に戻すのは大変な仕事であることは間違いありません。
Debianではそんなことはなかったし、Debian系のOmoikane Linuxなどのインストールの容易さなど
継承されても良いのではないかと思いますが、Debian系の派生はどことなく、不安定なイメージを
を感じます。新しいディストリが出ても、ちょっと敬遠してしまいます。特にスタンドアローンのターミナル
で問題なくインストールは可能ですが、複数OSが入っているPCではおすすめ出来ません、Ubuntu問題有り
Linuxです。注意してインストールするに越したことはありません。またはぐうだらLinuxは避ける。
Puppy Linux なんてもっての他でLinuxって言って良いのでしょうか?張付けLinux風のLinuxです。
これってLinuxじゃないのではないでしょうか?とても疑問です。

そして、今 頃 わかった事は、Kernel 2.4系では、認識したSCSIのHDDも、Kernel 2.6系では
SCSIの大型HDDを認識できなくなったことです。Kernel 2.6系って重たい割には、時代に逆行していっる
のが、7年前、2004年当初頃でしょうか?あのころからもうすでに、SCSI HDDは使えなくなっていたのです。
PCが動かなくなってからでないと、わからないもので、今や2010年です。
HDDも大変 小さくなり大容量です。何もSCSI HDD を使うことはありませんが、カーネルを考えた人たちは
そこまで考えてなかったという事です。Linuxは色々な条件で使われる事を想定しているはずですが
本来のLinuxの思想から段々離れていっているようです。
RedHat 6 あたりだと、もっとさくさく動く Linuxなのですが、まして、その頃の有用なアプリケーション
は膨大にあるはずですが、再度 書き直されて再利用されていません。これが時代に逆行した今のLinuxの世界です。
ちなみにVine Linux4.1 あたりまでは、SCSI HDD を認識出来ますが、architectureが変則的です。
Vine Linux の特徴なのでしょうか?その他のLinuxと互換性が薄くなってきている様です。一時の
Turbo Linuxに似た感覚です。

Berry Linux と言うのがありました。個人で開発しているディストですが、長く続いています。Fedraとは
言われていますが、Debian系です。Debian系はいかに多いかと思います。Debian本体はとてもインストールが
複雑でましてGUIではありません、CUIなんです。いかにインストールの複雑さを軽減されたディストがUbuntu,
Omoikane Linux(Japan),Knoppix Linux,はたや、Berry Linuxです。RPM系も沢山あります。
が、 Vine Linux, Turbo などは独自のarchitectureを持っており本来のRPM(RedHat系)とは構成の仕方
が大分違っています。SUSEもRPM系で有名ですが、組み立て方がPlamo Linux などで使われているSlackwareと
同じ形になっています。インストールされてしまえば、ほとんど同じですが、インストールまでのプロセスが複雑
怪奇な物が多いのです。RedHat 本山、Slackware本山の方法が一番取っつきやすいと思います。
yum,apt-get だけでLinuxを見ないでほしいと思います。ソースをコンパイルしてこそ、Linux/BSD です。

インストール挑戦 :

Mint Linux,Centos Linux, Puppy Linux, Ubuntu Linux, Knoppix Linux, Plamo Linux
Vine Linux, Berry Linux, Open SUSE , Mandvia Linux(危険度100%)、Slackware Linux.
などです。今、ArchiLinux のiso をダウンロードしています。ほとんどが、Debianの派生ですが
Debianの派生のLinuxは、ほとんどがルートで組まれており、あまり良いことではありません。
Vine Linuxも重いですし、RPMを使っているのですが、構成があまり良くありません。使いにくい
やはり本山である、Red Hat系と Slackware系になると思います。
IRCって知っていると思いますが、rootでは入れない事を知っている人は少ないと思います。サブドメイン
が jp 以外の場合 国内の場合 アクセスを制限されてしまいます。
ウインドウズ思考のLinuxつまり、Puppy Linux などはもっての他です。軽いのはコンパイラーや
諸々のライブラリーが省かれているため、軽いのですが、ルートしかないLinuxは問題ありです。
Berry Linux(日本人開発)これもDebian の派生です。Live CDも良くできていますので、試す価値は
あるのでは?と思います。使った結果は 軽さはPuppy ですが、機能はとても良く出来ています。
yum ,apt-get でインストール出来ない Linuxはそれまでですのでソースをコンパイルしてでも
自分にあったLinuxを探すことです。
RedHat 系、Slackware 系 Debian系の一部の派生Linuxを除いて、そう簡単に自由にidesk,wbar
Icewm,fluxbox などやその他のウインドウマネージャーをインストール出来るLinuxは大変高度な
Linux の知識が必要になります。はじめから邪道のLinuxは入れないでLive CDで我慢することを
おすすめ致します。

ICEWM + Idesk + Wbar

この具合いが一番 使いやすい様です。壁紙はアイコンなどで切り替えると良いと思います



KDE4 ICEWM +Wbar+idesk

KDE4 風 ICEWM + Wbar + iDesk



Cat Linux

Vostro no themes

Dell ではありませんが、Dell のVostroのテーマ、31st Dic 2010



次のページ、私なりのICEWMの使い方の続編です


ICEWM 使い方続編です、一部ジオに移っていますが、サーバーが有料になって再度INFOSEEKになりました。
ジオは、ICEWMの他その他のウインドウ・マネジャーを紹介しています。No2は画像のみです。
No4は、ICEWMの使い方を私なりに続いて紹介します。リンクにジャンプするには、画像をクリック!!!
No2とNo4は、特に念を入れてICEWM のテーマを紹介致しました。ご覧下さい。
特にNo4には、Puppy Linux サイトからダウンロードした、300近くあるテーマのインストールを紹介しました。
パッケージの拡張子は、PUP,PUTですが、tar.gz やZipに変換できる方法でホームにインストールします。




なお、No3は、ICEWM以外および、ICEWMのNewテーマについて更にしつこく、紹介しました。
また、No4 についても、ICEWMの新しいテーマ及び更に多数のテーマを紹介しました。

なおこのWEBは所定のWMで所定の記事を編集しています。
安定して使えるのはやはりICEWMでしょうか?私が長く愛用しているウインドウ・マネージャーはICEWMです。
HPは、これで編集しています→sakana

since 21st Feb 2005 How to make up ICEWM for me

Latest up date 2nd Feb 2026 Lagarto san Yachiyo chiba Japan.

下のリンクもクリックしてノゾイテ見て下さいね!!



se

This site edited from Yachiyo Chiba Japan

Single Ended Amplifier D.I.Y edited by Linux Blue Fish

How to build up Amplifier Single Ended Amplifier since 2005 Last update 2nd Feb 2026