*  71A Single Ended Amplifier D.I.Y
カウンター This counter started 20th July 2012 Some one said RCA 71A arquitecture is very similar of RCA50.
many audiofile like sound of 45 single ended amplifier.45 made good sound on high range
frequency but low range is not enough.
71A single ended amplifier sound is just like 300B sound at high volts use. 71A single ended amplifier
makes around 0.7 W rms. but enough to use at home with over 91db/m/w speaker system.

What do you think ?
Please see with Firefox better see on your PC
Real Audiophile no use Push Pull Amplifier
Small Power Single Ended Amplifier with 71A and 300B


12A/71A

Going to 12A/71A SET /// please use high effiency speaker at least need 96dB/m/w



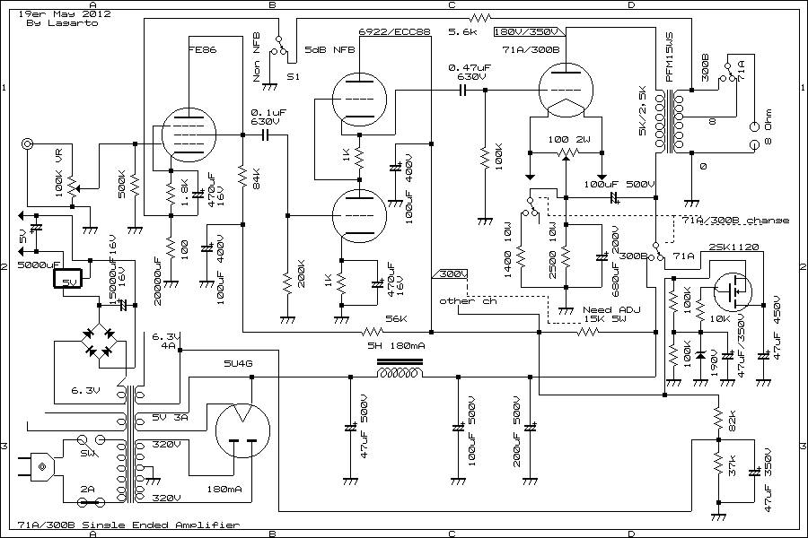
71A/300B compatible single ended amplifier but small power

Small Power 71A/300B Single Ended Amplifier circuit



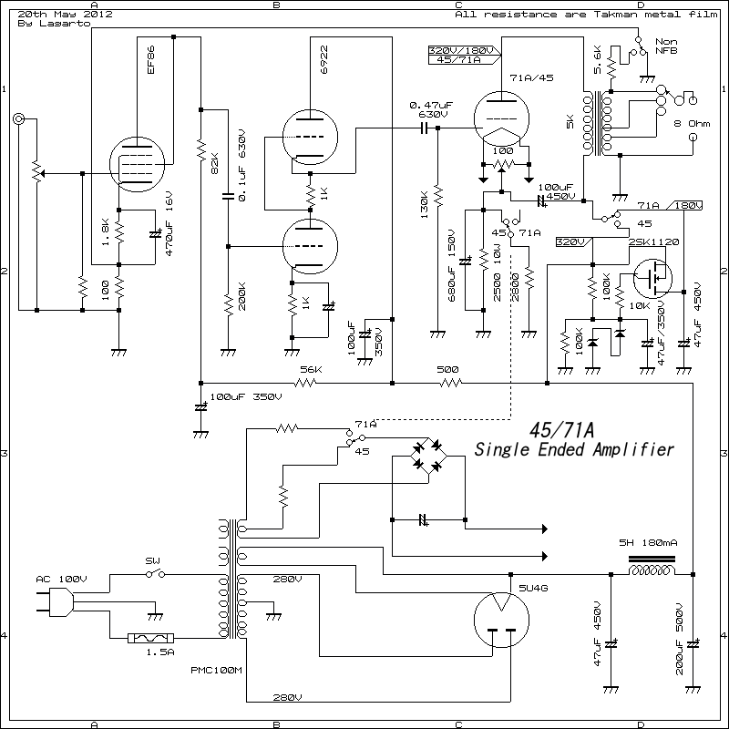
45/71A Single Ended Amplifier

71A and 45 Compatible Single Ended Amplifier



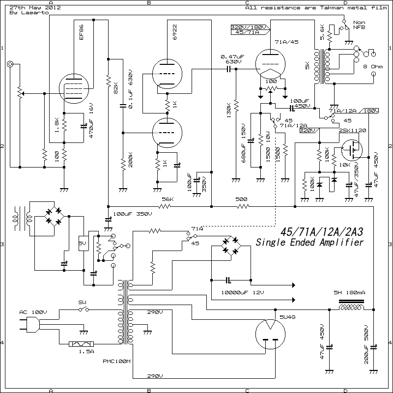
2A3/45/71A/12A compatible single ended amplifier

71A/12A/45/2A3 compatible Single Ended Amplifier



71A SET

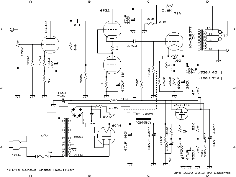
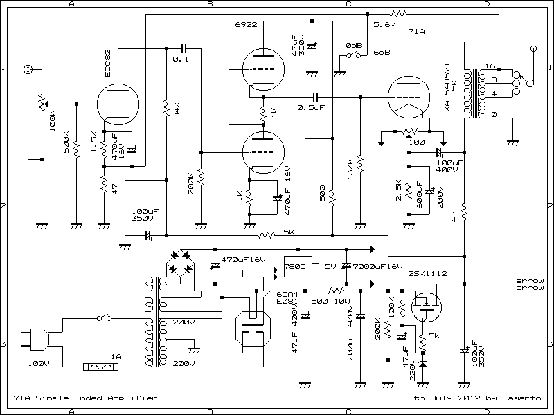
71A Single Ended Amplifier schematic diagram



United 71A

United 71A x 2



45 and 71A single ended amplifier

45/71A Single Ended Amplifier on 2012 July


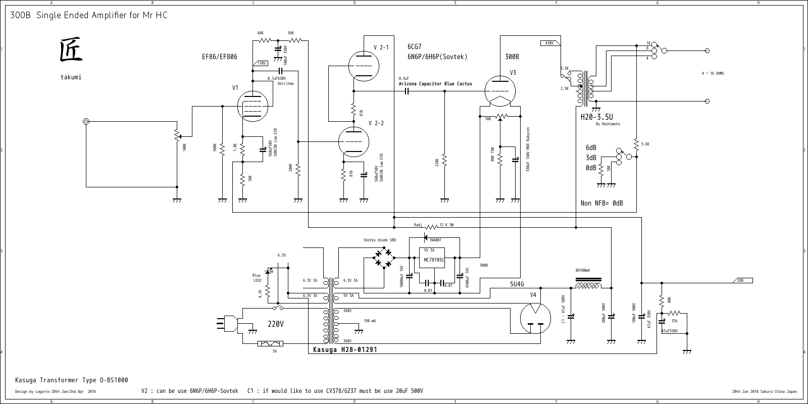
Mr HC 300B Single Ended Amplifier 2016

myimg




Last up date 26th Apr 2016


Since 300B SE Amplifier circuit on 3rd July 2012 Sakura Chiba Japan

7th Avenue


Single Ended Amplifier D.I.Y

How to build up Amplifier Single Ended Amplifier 2016