*  2A3 SE Amplifier D.I.Y

Introducing 2A3/45 Single Ended Amplifier by Perque Drive

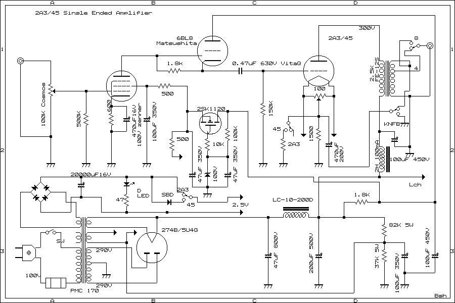
This time I am thinking make one of 2A3 Single Ended Amplifier drived by perque drive( Mr Tetsu Kimura invented)
more than 10 amplifier built up with Perque Drive past days .result is quite very good than normal SRPP and penthode drive.
I got good frequency response and getting good bass than SRPP. Perque Drive is originaly SRPP but use penthode an triode
tubes.Triode must be use low Mu around 20 is good result.you may use 6AN8 and 7199 both are good for drive.
recenly 6AN8 is very diffcult get NOS from USA and very expensive in Japan.instead of 6AN8 can be use
E80CF,6BL8 and E80CF family.Ei 6BL8 is very nice tubes. Ei was lay off many years ago but 6BL8 is still
getting easly in market in Japan. sound like penthode but charactor is SRPP.very good width band.
good freqeuency respose from low edge to high edge.if use FE-12S ISO Tango. response is from 20hz to 80Khz
-1dB at 1 W rms by 2A3. circuit diagram is almost same as EL156 Single Ended Amplifier.

This amplifier's Spec is 4.5 W rms 8 ohm. 20Hz to 80Khz non NFB and small KNB.45 is about 1.6W rms.
getting very clear sound and good bass.
SBD is shottkey diode for a parts of power supply 2.5 V of 45 filament.



ISO Tango FE12S

FE12S and 2A3 Single Ended Amplfier




Perche Drive 2010

2A3/45 Single Ended Amplifier Perque Drived with ISO Tango FE12S



ISO Tango FE12S 2A3 Single Ended Amplifier

Perche Drive 2A3 45 compatible Single Ended Amplifier



More detail for this Perque Drive 2A3 Single Ended AmplifierDIY


Owner using small digital Amplifier 20 W rms too in Chile




This video sent to me on 18th June 2022 from Germany by Mr Victor Serrano


This RIAA first stage is modificated by Mr Victor Serrano in Germany




(since 23rd/Nov/2010)last up date 20th Aug 2016 from Sakura Chiba Japan


7th Avenue


Single Ended Amplifier D.I.Y

How to build up Amplifier Single Ended Amplifier 2010-2016