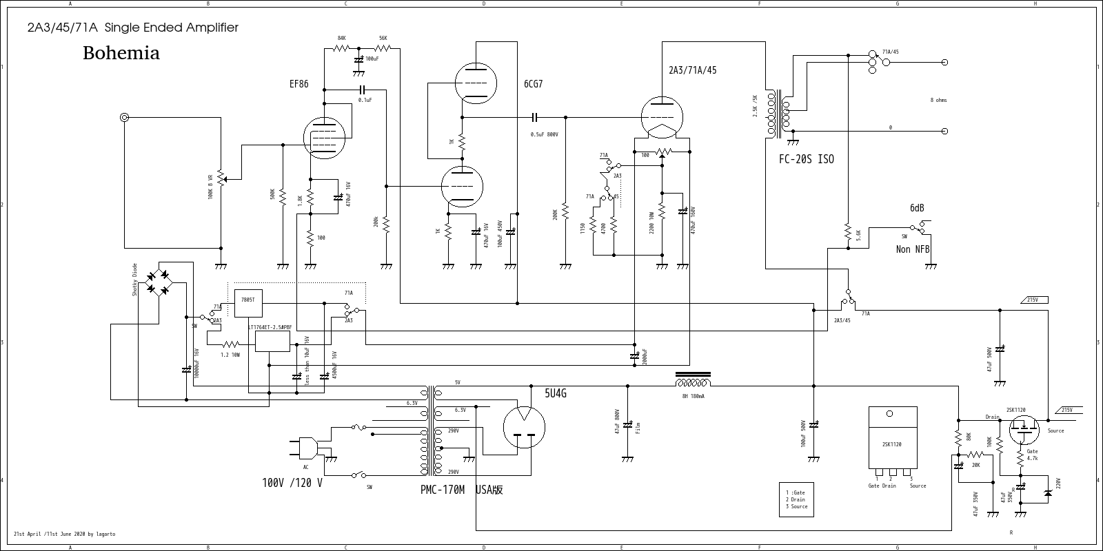
*  45 and 2A3 Single Ended

2A3 と 45 のフィラメント電圧の作る方法

このサイトはもう少し経つと閉鎖になります生活保護が原因です後2週間程です


🇺🇸米語

2.5A 2.5 V と言う電圧を作るのは最近小型のDC/DCコンバーター(中国製)が売られています。このICが壊れた場合など流通性はあまり良くなくどこでも入手出来るわけではありません、野口トランス(現在ジェネラルトランス販売社製)
のPMC-170Mのフィラメント巻線を使うのが一般的です。2.5V のAC電圧にショットキイダイオードを使うと 2.5V 2.5A を得る事が出来ます。この場合、45 では、2.9V 程度になります。
この程度であれば使えるフィラメント電源となります。ここで紹介するのは私が2A3のアンプを製作した時に行った処方を紹介します。

最近になって、300Bシングルの改造に勧めるが、彼らの90%以上の人達は、この2A3 シングルの奏でる音に恋しているのです。
これで十分と断られる事が多いのも事実です。




2A3 PSVANE

UX Base for 2A3 teflon made in Korea Andix で購入出来ます


このUXベースを取り付けるには皿ネジ若しくは頭がフラットなフラットネジが必要です。M3を使っています。M3 x10 ドライバー1番ナットと組になっています。YAHATA 製です。
ヘッドの高さが0.7mmです。このUXソケットは高さが3mm程度ですので2mmの肉厚のタカチのシャーシを使うと1mm程度しかシャーシの上に出ませんので取り付けネジは皿ネジ若しくは特殊な
フラットネジを使う必要があります。皿ネジはテーパー状の穴を開ける必要があります。3mmより大きめのドリル・ビットでさらう事ができますが失敗すると大変です。フラットネジが便利
ですのでこれを10年前位から使っていましたが、最近店頭に置いてないケースがありヤハタに注文します。

音は:300Bとは違います。このFC-20Sと言うトランスは素晴らしいと思います。締まりの良い 低域は大変良く、中高域は2A3の特徴を良い方向に出しています。2A3を感じさせない300Bの様な音を出します。
パワー感もありますが、92dB以上のスピーカーを持っていればより十分な音場を表現してくれると思います。尚、このアンプは45 ,71Aでも使う事が出来ます。
桂光の2A3C チタンプレート を持っていますが、低域が良く中高域もそれなりに伸びています。300Bでは出ない明るい音を出す事が出来ます。古い中国製の2A3を使っても同じ傾向の音です。Jazzでもクラシックでも良く鳴らしてくれます。
2A3Cは300Bに近い音が出てきますが、輝く明るい音は2A3の音と思います。FC20Sの特性が良いのでしょう。比較は難しいのですが、XE20Sとも違う音の傾向と思います。直線性の良い音です。
小さなマンションで、大きな音を出すことが出来ませんので本当の音はもっと良いと実感出来ます。一台同じ回路で同じ部品で製作をお勧め致します。但し3000米ドル程度値段がかかります。実測のDFは負帰還なしで2.5です。
試しに45を使ってみたが、あまりぱあっとする音ではなかった、なぜ?こんな球が好きになるのでしょうか? 普通の中国製の2A3 2本プレートも格安ですがそれなりに明るい音を出してくれるのはISO FC-20Sの良いトランスと思います。
ISO Tokyo FC-20Sは素晴らしい出力トランスと実感しました。耳で聞いたハム音はまったくありません、45は素晴らしいと思います。2A3では出ない音が出て来ます。中高域は元より、低域が締まった低域の音が出ます。
45シングルとして聞くととても良いです。さて、2.5Vのレギュレーターですが、時々電圧が出なくなります。これは熱暴走ではなくICの中のプロテクターが働くのです。それで時々電圧が全く出なくなり、これには困りました。
周辺を分解して組み直しても同じで、ある時突然まったく電圧が出ないのです。取説を見ました。カーブなどを眺めながら一列の字が記載されています。出力のコンデンサーを10uF以下にして下さいとありました。
10uF以上にすると内部のプロテクターが働き、電圧が全く出なくなる場合があります。まずは10uF以下にしてみました。10uF以上の場合で電圧が出なく、暫くすると何かのきっかけで電圧が出てしまいます。
現象が再現しなくなるのです。困り果てて、この項目を見つけました。入力側は5Vが良いかも知れません。これは結局は2A3のピンの半田不良でした。これが結論です。何本も2A3を持っていればそんな事例はなかったと思います。

Bohemia 2A3  2021Jan

2A3 Single Ended Amplifier Bohemia 2021 Jan



2.5V 2.5A の作る方法



私の初期の回路図を見ればわかることです。この手法は私が最初に実施したことと思います。野口トランス PMC-170のフィラメント電圧巻線には6.3V 2.5V --0 があります。この巻線野6.3V--2.5V を使います。3.8Vになります。
これに以下のシリコンブリッジを使いますと丁度 2.5V 2.5 A になります。この場合も45では少し高めの電圧が出て来ます。中古が普通ですのでこのまま使った方が良いと思います。ちなみに3V近く出て来ます。気になる場合は
シリーズに抵抗を入れると良いと思います。最近は野口からジェネラルトランス販売に変わってどんなトランスでも製作してくれますので、自由な電圧配分のトランスを製作してもらっております。市販のトランスの場合はシリコン
ブリッジで十分と思います。ちなみに2.5V ACを整流すると内部抵抗の為に 2V 以下となりますのでこのままでは使えません。一説によると2V以下でB+を上げるともっとパワーが出るとのことです。


diode

silicon bridge 秋月や江南無線で購入出ます



さて、ショットキイダイオードもとても良いのです。何よりスイッチングノイズが減りますので、これを使うべきでしょう。更にLDOとの出会いです。このICは素晴らしいと思います。LT1764と言います。
千石通商 若しくはマルツ で入手が出来ます。入力が20V までですが3Vより少し上を推奨します。それは熱を沢山発するからです。スペックは以下に置いておきます。

LT1764FB

LT1764

実験中の実装回路です



放熱板は大きな物を付けて下さい。実装時には周辺に小型のFanを取り付けるとかなり効果があると思います。小さいFanで十分です。回路を守りますし何よりアンプの熱を放熱してくれます。電圧は多少熱の変動などで
変わりますが安定した2.5V 程度を得ることが出来ます。3Aですので入力に直列に巻線抵抗を入れてあります。10W程度です。実際はDaleの巻線抵抗を入れてあります。ショットキイダイオードで6.3Vが7.5Vあたりまで上昇します。
この電圧は負荷時ですので、この電圧では高すぎますので、3.5V程度まで落とす必要があります。挿入損失が大変少ないレギュレーターです。3V程度で2.5Vを得ることが出来ます。3V以上でも構いませんが非常に熱が出ます。
そこでダンパー抵抗を入れました。これで3.3V程度になります。抵抗はかなり熱を持ちます。電源トランスもかなり高熱になりますがジェネラルトランス製ではこの程度ではビクともしません、気になる場合は外から
USBの扇風機で冷やすことをお薦め致します。夏時はかなりの高温となります。回路図は以下の通りです。整流ダイオードはショットキイダイオードで順方向が0.6V以下のものを使って下さい。



回路図です、ハム音は全く聞こえません



Bohemia

LDO レギュレーターを使ったアンプですフィラメントからのハム音は全くでませんしパワフルなアンプと評価ありました




ここ10年位、2A3と、300Bを同じ回路で10台以上製作しています。2A3 の問題は 2.5V 2.5V が大きな問題です。色々な回路を使ってきましたがトランスから大量の熱を発します。精神衛生上余り良くは
ありません、この問題をジェネラルトランスに問い合わせましたのは最近です。2.5V 2.5Aの交流でも結構熱くなります。これをDCにするともっと熱くなります。そこで質問しました。
木村氏曰くここは2.5V 4A 以上を使って下さいとの事でした、PMC 170Mでも高位モデルのトランスでも同じくかなり熱くなります。つまり野口トランスは下方修正をしてないで売っていたのです。
ジェネラルトランスは木村氏と鈴木氏の会社ですが昔から代わっていません、。トランスは2A3に関しては4A以上をオーダーしましょう。それでも熱は持ちますが精神衛生上は多少改善すると思います。
このアンプとても静かなアンプと言っていました、邑楽かなアメリカ人のニックさんは、熱????? こんな物でしょう、余り気にしませんでした。FC-20Sを使うとNFBをかけると50Hz以下で
数デシベルのピークが出ます。低域は良く出るアンプです。SITの17Wのアンプよりモノの100Wのアンプより音が良いと言っていました。彼はこのアンプの為に95dBのスピーカーを作りました。
音は大変満足しているとのことです。1ドル110円の時に4000米ドルを振り込んできました。それほど価値のあるアンプなのでしょう。私もとても嬉しいと思います。


最近の有用な情報 2.5V 3Aを半導体ブロックを使って電圧を出す方法
 

秋葉原の秋月電子で販売されているスイッチングレギュレータ電源基板を2枚使う方法です。以下に詳細画像を添付して置きます。


DC DC converter for 2.5V 3A

module

参考1参考1
参考2参考2

Last up date 2nd April 2025 from Yachiyo Chiba Japan

since 9th July 2008 from Sakura with Linux

Single Ended Amplifier D.I.Y 2003 - 2025 By JH1DAS ex WB4ACI