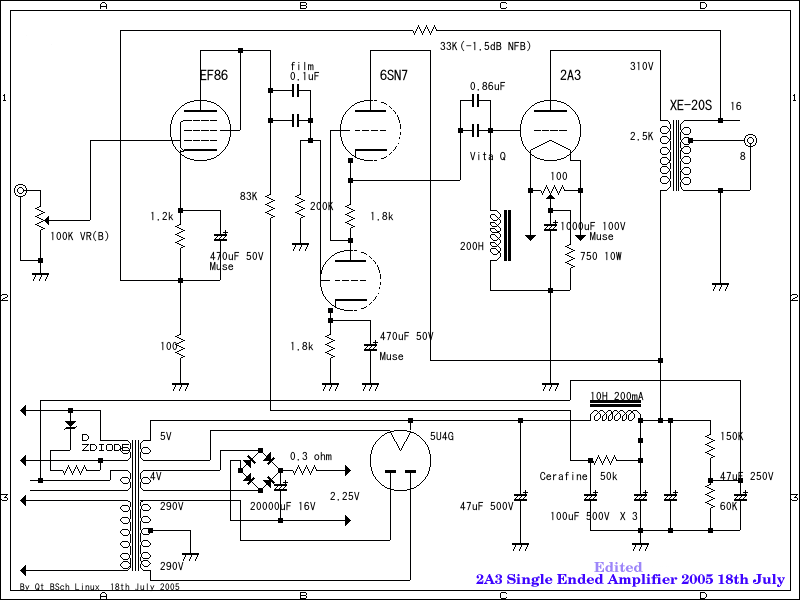
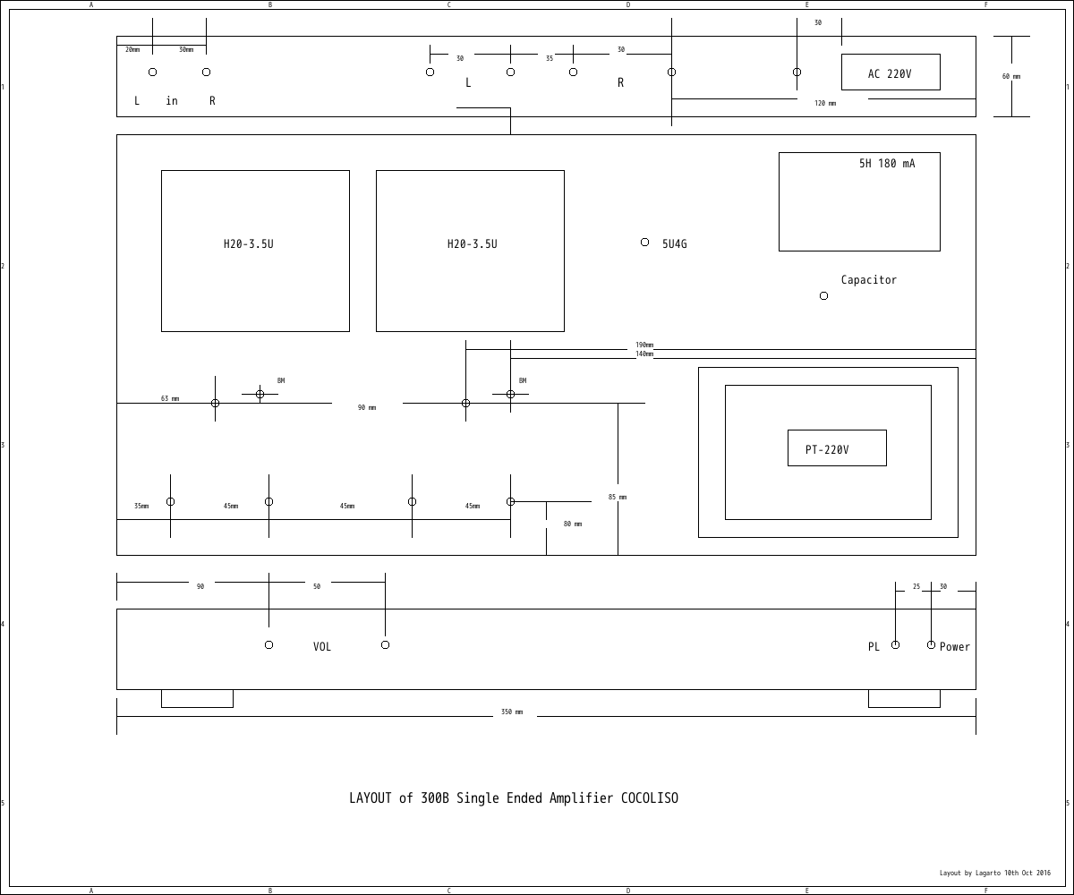
*  45 and 2A3 Single Ended Amplifier

counter 7th July 2004



free counters
counter started 10th May 2011
Japan

조선인을 쫓아내라


Your OS is

if indicated X11 ,U,Linux,BSD 、there are BSD/Linux/Unix Family OS
Smartphone is kind of Linux or UNIX



ATT

If would like to use 45.71A high load valves.
The 4Ω speakers available on the market are speakers for semiconductor amplifiers. You cannot use these.
There are no transformers for vacuum tubes for Single ended Amplifier . They cannot be used.
I would go so far as to say that 4Ω speakers are toys.and please use at least 92dB/m/w efficiency speaker and 8 Ω 〜 16 Ω




My wife Marlhori passed way 27th May 2024

My beloved wife Marlhori passed away yesterday.
She could easily die from a small wound due to inflammation.
She put it away. It was so hard for her to do anything to help.
It's a sad fact. She was my partner for 42 years.
I sincerely pray for her soul.


Marlhori's Pages  marlhori

please click picture above for visit her page




🇯🇵Japanese

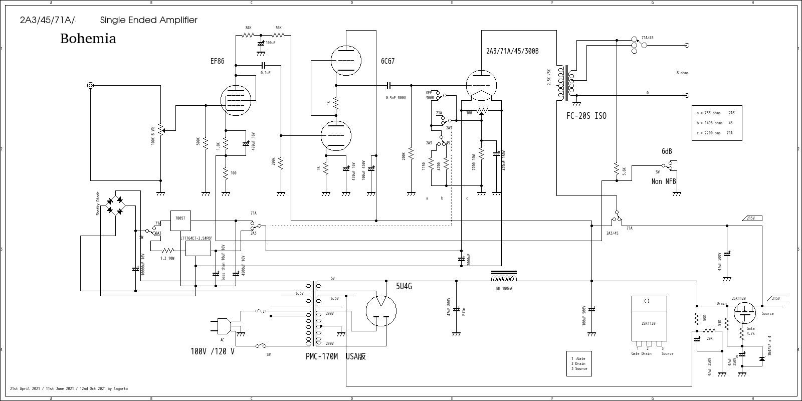
Bohemia  2022

Bohemia 2A3/45 Single Ended Amplifier on 2022 




Gina Saputo and Bohmia 2A3


Comment from Mr Nick on 14th June 2022 in Tacoma WA USA he said
The amp is very good and I listen to it often.
It compares very well to all of my amplifiers and sounds very powerful - more powerful than the Pass Sit3 (17 watts) and just as powerful as Herron MA1 monoblocks (100 watts)


Mr Nick, thank you so much for your small comment
There was a throne. Your detailed words
It is a bigger rating than the comment on one page.
Sincerely thank.
Kenji



Play by Klipsch Speaker La Scala in chillan chile almost 10 years ago



La Scala

Klipsch Speakter La Scala 105dB



Do you know Mr Paul Klipsch ? in Chile

He was very famous electric engineer about speaker as you know.even he was rail way engineer and made up train line in Chile.
please visit his site if do you have interesting about him.

Klipsch

Visite Klipsch



Atacama

Atacama 2A3/45 compatible USD $ 5000 almost this type of amplifier cost $5000 dollars XRL input



Patrro

Paturro 2A3/45 Single Ended Amplifier costmer is live chillan Chile USD $ 2800 dollars UNBalanced means RCA

he said when he got this amplifier named paturro .he said sound is much better than Air Tight 300B Single Ended Amplifier



Mr Mellado house in chile

at his home in Chillan chile owner is Lawyer in Chile



Bohemia 2A3 and LCR Decca pre play Vinyl





300B/2A3 vacuum tube amplifiers using high-quality components are generally
It cannot be manufactured for less than 390,000 yen.
Please note that it cannot be produced for less than 390000 Yen.
Thank you for your understanding. Look for parts within this price
Includes production costs and shipping costs.

The amp I built is expensive because the transformer is expensive.
Many relatively inexpensive amplifiers make their own audio transformers, making the transformers cheap.
The audio transformer for the amplifier I made is made in Japan and uses an excellent transformer from a famous manufacturer,
so it is relatively more expensive than amplifiers from other manufacturers.
Since the weight of a vacuum tube amplifier is 15Kg to 20Kg, it costs USD $ 600 to send it from Japan to the USA using Japan Post.
It costs about US dollars. The amp I made is not that expensive.
Instead, tube amplifier manufacturers who sell expensive amplifiers using low-quality transformers should lower their prices.
In many cases, there is no shipping charge when the production of my amplifier is completed. There are many cases where you end up in the red just from shipping costs.
The price of my amp is based on the bare minimum parts price, so depending on the availability of parts, it may not be possible to make it with the amount sent.
Sound:
2A3 outputs 3.5W and 45 outputs 1.6W.
If you use a relatively good 8Ω speaker with 96dB/m/w or higher
It produces a very loud and high quality sound. expensive and inefficient here
You cannot use speakers.why expensive ? because tested many times and amplifier is very complicated.
so expensive. many person would like to use Mizushima 2A3/45 .why I do not know but you can make sound room at home.originally price is 470000 Yen.
so this time make to sale changed price USD $ 2700 dollars.C/P is good because 2A3 valve is not expensive.
PSVANE 2A3 is very nice valve and to get good sound stage at home.even if you can find NOS 45 to get very good sound from ISO FC-20S only.

A speaker with an efficiency of 80dB/W (1m) requires 100W of power to get 100dB of loud volume, but a speaker with an efficiency of 100dB/W (1m) requires only 1W.

The mid-high range of 2A3 does not come out with 300B. If you play your favorite speaker with 2A3, this sound will lose to the sound produced by 2A3 even with 300B,
the king of vacuum tubes. And many people use 100dB speakers with less power RCA 45. If you're building an amp using small-capacity tubes,
running them in parallel will make the sound louder, but you'll lose the elegance of a single-ended amp.
The 2A3/45 single amp is an amp loved by many audiophiles for its goodness.
These good sounds only come out with ISO TOKYO's FC20S. FC20S and XE20S are the same product. The same craftsman put his heart into
This is an audio transformer for vacuum tube amplifiers that was created based on experience.


nick

Mr Nick is using this one. Tacomo WA USA took photo on 28th Feb 2022

Real Price is USD $ 3800/2023 Aug for USA until $1USD is 144 Yen but going down to 140 Yen going up $4000 and so far way from Japan


Due to the influence of coronavirus, the shipping fee is nearly three times that before corona.
The price has increased. Therefore, the price of the amplifier is It has risen.



Bohemia

Bohemia 2A3/45 Single Ended Amplifier in tacoma wa USA 2022

Mr Nick says it's more powerful than
the Pass Sit3 (17 watts)
and as powerful as the Herron MA1 monoblock (100 watts).



This amplifier cannot be manufactured with a Hashimoto transformer.
It is an amplifier that can be done only with an ISO transformer.
The power transformer is custom-made by an external company.



2022 3 26th

26th Mar 2022 by Nick at home wa USA



Price


V matx

Today afternoon He sent to me, one shot of his Audio room on 20th Jan 2022


Mr Nick his Audio room in tacoma wa on 20th Jan 2022


he is using Gedlee Abby speakers 95dB/w/m




Comment from Mr Nick on 14th June 2022 in Tacoma WA USA he said
The amp is very good and I listen to it often. 
It compares very well to all of my amplifiers and sounds very powerful - more powerful than the Pass Sit3 (17 watts)  and just as powerful as Herron MA1 monoblocks (100 watts) 


Mr Nick, thank you so much for your small comment
There was a throne. Your detailed words
It is a bigger rating than the comment on one page.
Sincerely thanks.
Kenji
price

Price is flexible so please ask to me first when decide to order


H 20 3.5 is Hashimoto pair of audio transformer cost is ¥85000 Yen and ISO FC20-S 's pair price is ¥65000 Yen.both of transformer are
expensive audio transformer.H20 3.5 Hashimoto is only can be use for 300B,2A3 and ISO FC20S is can be use 45.2A3 and 300B.

why 2A3/45 is expensive than 300B single ended amplifier because weight of amplifier is more than 300B amplifier.problem of power transformer.
2.3 V 3A is problem for transformer. cost of transformer is much more than 300B power transformer.so heavy than 300B single ended amplifier.

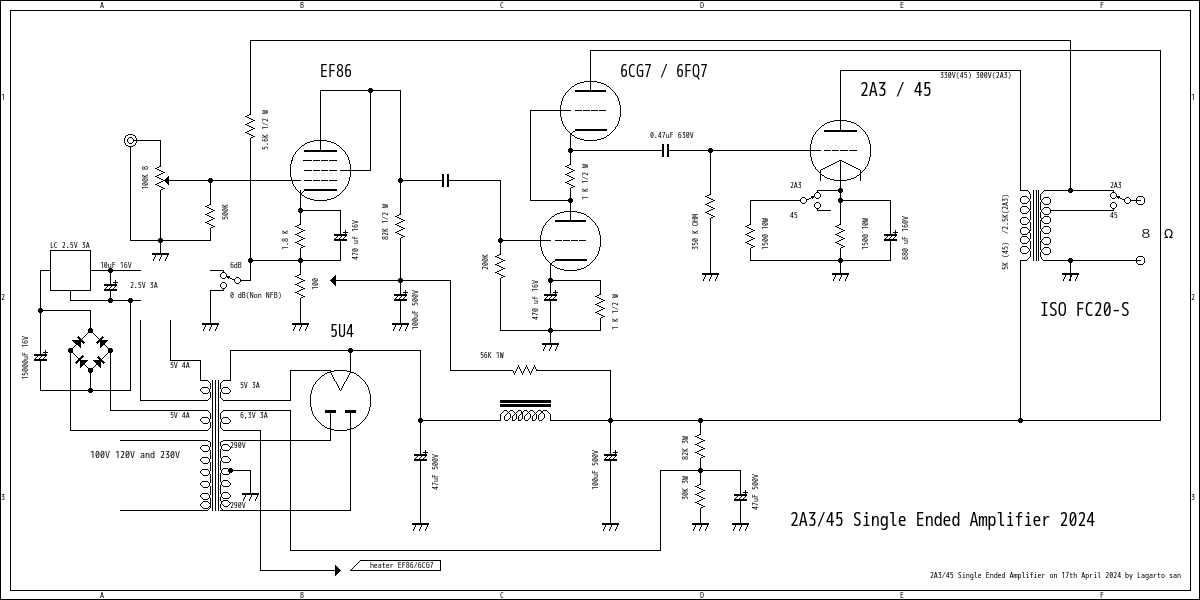
2A3/45 Single Ended Amplifier on 17th April 2024


45/2A3 single ended amplfier 2024

on 2024 2A3/45 Single Ended Amplifier USD $ 2800 dollars



allemand<

2A3/45 Single Ended Amplifier on 2024 USD $ 2800 normal price is UD $ 3800 dollars.



2A3 45

2A3/45 single ended amplifier USD $ 2700 dollars



Note: Gold-plated knobs cause environmental pollution when manufactured.
Production is prohibited in Japan and cannot be obtained.
All knobs are silver or copper colored.


Size of Bohemia is same as cocoliso or Hibiki,Kanade very small size of Amplifier, weight is almost 15Kg


Knob gold nor

New Product Fine Met Transformer FM-24WS-2 is USD $ 1200 pair

This transformer produce good performance of getting sound wide range of frequency response of sound
even can be use 45 Single Ended Amplifier can deliver 4 Ω 5KΩ for 45 and 12A ,71A even EL84 too
Fine met core mede by Hitachi Electronics Japan. General Transformer Made USD $ 1200 piar. only transformer price.
off course can be use Good 45 Single Ended Amplifier for you. amplifier price will be USD $ 5000.if you order.
so you can use 45 Single Ended Amplifier out put speaker 4 Ω so European valve too Base are UX and UF double base.




FN24


FM24


FW20

FM-24WS-2 inside




Eropean

2022.11.10 I was removed from Google's search list due to harassment from someone, and the access count has become less than 50. This is the number of hits for the entire site.
It's getting dark. A Google search turned up a site called Google Content. and registered on this site.
We received a lot of advice from Google content. I started by setting up a sitemap.xml in the first directory of my site. This config file is
Google will create it for you. Download that file and upload it to my site. That's it.
Then, Google's robot searches and analyzes the file, and based on the analysis data, we modify the file. A file is HTML or a directory.
If there is an error in the video, I think it is best to correct or delete it. Some videos are the source of errors, so I deleted them. It can be confirmed that the previous page has more than 200 pages.
I did. Edit the contents of home.html to rewrite the path. In other words, the link within the site is described in this home.html. So improvements are being made.
My site contains various experiments, but the content of the site is poor, but the results of the experiments are summarized briefly. When I searched, my site came to hit exactly exactly.
The only thing left to do is improve. I learned a lot from Google Content. I would like to thank the Google Content staff here.



2A3 is deliver only 3.5 W rms but clip point is almost 5W rms


It is only 3w. But it plays music comfortably with a big nice high-efficiency speaker. That's the power of 2A3.
It is a sound that does not come out unless it is a single amp. Of course, you can also use the nice RCA 45.
This sound doesn't come out in China. The vacuum tube uses a vacuum tube made in China. The output transformer uses ISO TOKYO FC-20S.
The ISO TOKYO transformer is the same transformer as the XE20S. Now he can offer it for US$3500. I'm sure you know
The speaker needs a speaker several times the price of this amplifier.
An efficiency of 95 dB/m/w or higher is required.

2A3 single amplifier uses the circuit diagram of the configuration used in the past, and using the FC-20S ISO Tokyo transformer
Applying a few decibels of NFB makes the frequency band flat within a few decibels from 10Hz to 130Khz. Even without feedback, it will be flat up to 80Khz.
This circuit has been used for decades. This sound does not come out with a 300B single amplifier. This is why the power is less than 300B
Low power amplifiers are generally used with speakers with efficiency of 95dB or higher.
Although it is an amplifier of about 3W, it is said that it is comparable to music heard with a 100W amplifier by using high-efficiency speakers.
Speakers below 85dB will produce no or poor sound.



In North America, I have one customer in the USA and one in Canada. they are using a similar Valve Amplifier.
It goes without saying that they use highly efficient speakers. At least 8 ohms 95dB/m/w efficiency is required.
Most of my customers are in Chile, South America. That's because I started this job in Chile, South America. It was 20 years ago.

The circuit configuration is a familiar circuit used in the past. A constant is a sound that has been scrutinized by listening to the sound.
2A3 is fully equipped with its characteristics. The cathode resistance is switched by a switch. The plate impedance of the output tube is switched on the secondary side of the transformer.
FC20S has the same characteristics as the old TANGO. It is the same as the XE20S. The 45 and 71A sound great with plenty of drive. 45,71A is not new
If you use NOS with good characteristics, it will produce a sound superior to 2A3. With 45 and 71A, you can no longer go back to 2A3.
It is such an amplifier.
These amplifiers cannot be played with high-end speakers below 90 dB/m/w.
If possible, use speakers with an efficiency of 95 dB/m/w or higher. Most of our customers were used in small theaters over 100dB/m/w
they are using a high efficiency speaker such as JBL or Altec7.
These amplifiers use the same parts for both 2A3 and 300B, and the circuit diagram is exactly the same. The voltage of the B+ power supply is different.
2A3 is 300V and 300B is above 430V. The production costs are almost the same because this is the only difference. A 2A3 with only 3.5W will have the same price.
A single amplifier requires a good audio transformer and a solid power supply.
That is the cause of expensive amplifiers. The price of a good 2A3 single amplifier is sometimes higher than that of a 300B single amplifier.
To use a 2A3 / 45 single amplifier, a horn type speaker of 95 dB/m/w or more is required.
The reality is that many audio files use speakers of 100 dB /m/w or higher. Only a three-stage amplifier can make an amplifier that produces a sufficiently strong sound.
It is a general idea that a two-stage amplifier or RW amplifier cannot take a sufficient band width.

How come 2A3 singles and 300B singles cost almost the same? 2A3 has less than half the power of 300B
Most of the parts used are the same. Only the high voltage transformer is different.
The difference in the price of the power transformer is almost the same, so you can see that the price of the product is almost the same.


menu



Google Chrome

please see by Google Chrome much better to see.


2A3 Amplifier It is advisable to amend the user to 300 B single amp,
but why do most people refuse that there is no hope that most people will be out of the music less than 4 W less than enough?
If you 'd like to build one of triode single ended amplifier no use pentode for driver.
And If you have a speaker of more than 95 dB, this 3.5 W 2A3 playing music will be a wonderful player.
Of course it can be 91 dB if the room is small. actually reach to 5 W rms.
Bohemia produce very much high quality sound than 300B single ended amplifier. very much different with sound of 300B. mid and hight frequency responce are good.
Power is very small than Jeff Rowrandd Model 8.but seems very similar of charactor of sound getting from this amplifier.
The sound of 2A3 can only be obtained with 2A3, and it seems that the sound characteristics of 300B with a power of 8W or more are different and it was very disappointing.
The 2A3 single amplifier has a unique distortion characteristic. Some people like the sound of a 300B single, but the sound produced by 2A3 in a small room is rich in musicality
and you can enjoy very clear music. The manufacturing prices are so expensive that there is little difference between them, but the 2A3 is a world of only 3.5W output.
This amplifier can be use RCA 45.too If the efficiency of the speaker used for 2A3 is 92dB in a small room, it is OK. For relatively large rooms, use speakers with 96 dB or more.
Filament voltege is need 2.5V 5 A is more than enough and can not use 2.5V 2.5 A Transformer.must be use 2.5V more than 4A or 5A therefore 2A3 is 2.5V 5A if using DC.

other shot

other shot of Bohemia



Note:
300B also sounds good . There is no sense of power. This is because the high pressure is low.
2A3 has a sense of power. 71A, 45
I think it's pretty good. 2A3 is wide with 2A3C
There is a very undistorted sound. 71A and 45 are very good
It produces a sound that does not make you feel the sound of a small vacuum tube.

I thought it was a power supply or a socket. I tried to take measures, but after a while, there was no sound. The tubes are getting cold. When I looked at the UX pin, it looked like a cold sol.
Of course, in the case of 2A3, the current flows as much as 2.5A, so the solder is easily oxidized by heat. I saw a dent, so I tried re-soldering. It doesn't reproduce after that, and the sound is better than anything else.
Old Chinese vacuum tubes are unreliable, the sound is distorted over time, is it a rectifier tube? I thought, but it wasn't, it was the deterioration of 2A3 itself. The vacuum tube called 2A3C has excellent characteristics.
PSVANE's small 2A3B sounds close to 45. The plate is small and the sound itself is close to 45, but it is not as fresh as 45. Probably 2A3. When using 2A3, we recommend 2A3C.
I think it is no exaggeration to say that it is a small 300B. Since it outputs 4.5 W, it can drive a 91 dB speaker.
This amp has made it possible to use 300B at low voltage.this Amplifier can be use 300B instead of 2A3 almost 4.5 W rms .



Bohemia

Bohemia 2A3 by Nick 26th Mar 2022 at home . Tacoma WA USA



Check the impedance of your speaker. Most tube amps have an output transformer. Most output transformer impedances are 8Ω.
If the impedance of the output transformer is other than 8Ω, good sound may not be produced.
Do not use cheap 4Ω speakers. Use 8Ω impedance for tube amps with 8Ω output transformers. When using a 4Ω speaker, connect two speakers in series to make 8Ω.
Also, please note that the speaker has polarity. What is series? ◎---- (+)(-)(+)(-) ----◎ is in series.


update by Nick

he sent one shot to me on 6th May 2022 Tacoma WA USA .may be replaced speaker system



RIAA LCR by Mizushima



This RIAA using LCR, uploaded by Mr Victor Serrano in Germany

All of Amplifier are made by Mizushima Japan



venta

USD $ 1400 dollars include shipping and valves,only RCA input MM.



Customers say that they have purchased quite a few RIAA equalizers in the last 20 years.
Some of them cost thousands of dollars, but I was interested in the RIAA that Mr Mizushima made because I had the opportunity to use it.
He said he had time to listen to the thousands of vinyl records again. He said that he was very satisfied with the reproduction sound that was close to the original sound.
I think you can understand it even on youtube.

I think that the sound of recent vinyl discs can be played with a RIAA equalizer manufactured and sold by any major audio manufacturer and feel that the sound is thin.
I think that this LCR type equalizer can give you a relaxed and comfortable sound that you can feel when you listen to it.
You can make your own, but I don't think $1600 is an expensive price.
Mr Victor Serrano says that the sound is highly praised. In his case, it was a prototype, so it cost US$3,000, but he said that there would be people who would buy it for US$5,000.
Only this time, I am thinking of making and selling it for $1600 US dollars only for customers in the USA. We do not have stock, so it will take about 3 months.
Customers are limited to USA. One reason is that due to covid19, EMS distribution is only enabled in the United States.

The best sounding phono equalizer in the world at a low price. A very good sounding equalizer preamp that few people have experienced. make a sound
I'm sure you'll be impressed. This is an equalizer preamp designed in line with the RIAA.
Note:
The Recording Industry Association of America (RIAA) is the trade association of the recording industry in the United States.
Many record labels and distributors are members, and it accounts for 85% of the total distribution volume in the United States






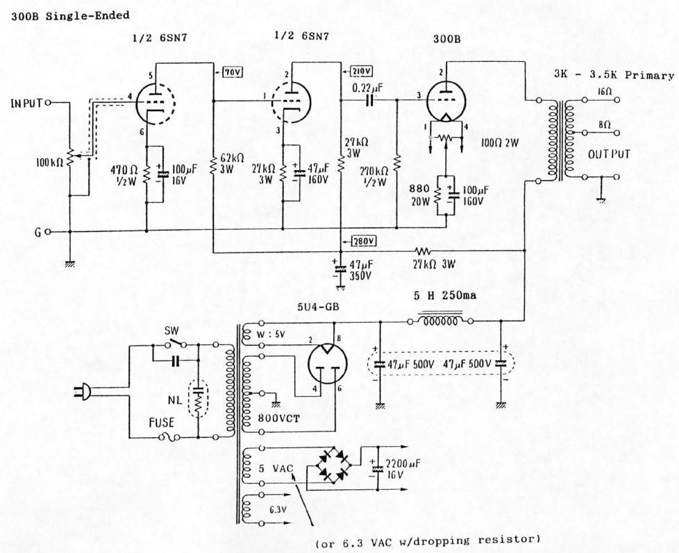
go 300B

Go 300B by Mizushima



2A3 PSVANE

PSVANE 2A3 and Kayra 2A3/45 Compatible Single Ended Amplifier



Mr Carlos Westman's house in Canada

Mr Carlos Westman's house in Vancouver Canada on July 2021 as 245 Single Ended Amplifier



yayoi


45 SET

Show all of system



2A3 my first 2A3 single ended amplifier

This is my first 2A3 Single-Ended Amplifier on 1990 ,frequency response is 10Hz to 130 Khz by Tango XE20S(All Tango)



2A3 Single Ended Amplifier D.I.Y

Design by Naoki Watanabe but ...same kind of circuit using Audio Note Kit too


frequency responce of 2A3 Single Ended amplifier 9/sep/1992

I found ,my old file ,frequency response is 10Hz from 130Khz by XE20S/FC20S but this is Hirata TANGO XE-20S using



Important things : cost of one of 2A3 Single Ended Amplifier 3.5 W and one of 300B Single Ended Amplifier 8 W is almost same cost about USD $ 3800 dollars



sometime does not get sound from one channel


I thought it was a power supply or a socket. I tried to take measures, but after a while, there was no sound. The tubes are getting cold. When I looked at the UX pin, it looked like a cold sol.
Of course, in the case of 2A3, the current flows as much as 2.5A, so the solder is easily oxidized by heat. I saw a dent, so I tried re-soldering. It doesn't reproduce after that, and the sound is better than anything else.

2A3C


free counters
counter started 10th May 2011

So,,,half cycle is clip 3.6 W and both clip is almost 4.5 W deliver .if use interstage transformer drive deliver around 7W rms max.but short life time.
only can do FC-20S and XE-20S transformer. 2A3's made mid and high frequency is very nice sound stage. even I like 300B but 300B can not made these sound charactor

But...Long time I am using this circuit so value of RC are not same as original circuit.power transformer 2ndary B+ must be use 290 V 180mA not more big transformer.
if would like to use RCA 45 same circuit using ,probably B+ is going up 340V.and must be use cathode resistance is 1500 ohm 20W ~ 10W.many person using as NO NFB.
Audio OUT PUT Transformer can be use only FC-20S ,XE-20S ,HO-808 same character.other type transformer are nothing same sound.so Must use FC-20S .ISO Transformer.
Efficiency of Speaker is at least 90dB/m/w.many people using over 95dB Speaker.Non NFB will be get 10Hz to 80 Khz -3dB.power is 3.5 W rms.
you do not try to use much more power like 5 W rms any 2A3 family of sound are goes out.so 2A3 have to use 250V B+. (between plate and cathode voltage)
if using out of 250V ,suppose be get sound tight.please use fuse is 3A .not 2A of AC line.2A is blow when turn on an amplifier.cause of 3 stage amplifier of loop
of NFB line.or 2A fuse and Non NFB.NON NFB GOT sound is very much Natural.so depend of you mind now....Not cheap Amplifier.is this one. coupling capacitor are
Old Vita Q or Blue Cactus by Arizona Capacitor.45 will be get 1.6W and must be use 100 dB Speaker system.
this Amplifier made 4.5 W rms.max around 5% by 2A3 China double plate old.remember ,,,was using FEN 225 full range by FOSTEX.got good bass and clear sound.
very important note:
2A3 If you are manufacturing single-ended amplifier, we recommend to produce 300B single amplifier. Because the manufacturing cost is almost the same except for the vacuum tube.
Inexpensive 2A3 single amplifier makes a poor sound.and if would like to use 5U4G for rectifier please use brand new valve of 5U4GB. EH 5U4G is very good.

Poetal site




Plays Tomomi Concertiste 300B Single Ended Amplifier



2A3/45

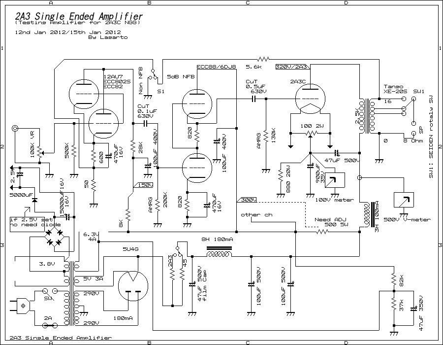
2A3/45/71A Compatible Single Ended Amplifier only schematic diagram on 21st April 2020 Bohemia

this shematic diagram for one audiophiler USA did orderd and this an Amplifier is first time sale into USA from my product



2A3/45/71A

this is USA version of Blackhawk 2A3/45/71A Single Ended Amplifier



UX Base for 2A3 teflon made in Korea



S-20 Yamamoto

Yamamoto Art S-20 instead of korean socket UX


gel pad

Cram works

Make Sound different and protect from earthqueque



Bohemian

Bohemian 2A3/45 Single Ended Amplifer on July 2020 for USA Customer




Bohemia 2A3

Bohemia 2A3 one week before send to USA 12nd Oct 2021 in Japan then add 300B switch.


The customer is Audiophile who lives in tacoma wa USA. 300B Single Ended Amplifier A person who has a monaural amplifier and so on.
It was the first time of Convic19, but it was the person who made the reservation in it.
I couldn't send it for a year due to bad shipping conditions in Japan,
but I was finally able to send it in late October 2021. It is a 2A3 single amplifier that he loves very much.
This amplifier will be the first tube amplifier in the USA with the first order.
The vacuum tubes that can be used are 71A and 45,2A3, which are different standards, but 300B can also can be used.



Nov 2020 Bohemia first run

2A3 Bohemia SET Nov 2020



Bohemia 2A3  2021Jan

Bohemia 2A3 Single Ended Amplifier 2021 still here ,can not send to USA



Bohemia

Bohemia 2A3 on 13rd Dic 2020 Yachiyo Chiba Japan



Price of this Amplifier Bohemia

2A3 Single Ended Amplifier .can be use 71A/45/300B but limited condition when use 300B


Price is USD $ 3300 dollars + Shipping cost without valves only include 2A3C PSVANE
Shipping cost is from USD $ 400 to USD $ 500 by EMS



long play by LCR RIAA Pre-Amplifier on 22nd Aug 2021



EF86


If do you have same circuit 300B Single Ended Amplifier or 2A3 Single Ended Amplifier please try to use replace EF86 various and use EF80 instead of EF86.
quite good EF86 of Valvo,Telefunken Mesh Plate.I am using UF86 instead of EF86 this valve is 4 V heater.



EF86



UF86

this UF86 is very low cost then any EF86 and good just like EF86 NOS
Specially speaking, the EF80 is low noise.
Other original mesh plate tubes have low noise
That's right. EF806 Gold is good too.



Stacy Kent sing song fine.mid is very nice mid low is good.



Song by Gina Saputo as 45 Single Ended Amplifier .45 is good for female Jazz vocal






This video sent to me from Germany on 18th June 2022 from by Mr Victor Serrano



This RIAA first stage is modificated by Mr Victor Serrano in Germany


He is using 2A3/45 Single Ended Amplifier by Mizushima and RIAA is special LCR RIAA for decca



RIAA LCR DIY by You tube using 2A3 Bohemia on Aug 2021




Listen Music Classic April 2021




This 2A3 FC-20S ISO Transformer uses an output transformer made by Tokyo. The very clear mid and high frequency sound gives a delicate sound that the 300B can't.
If you have speakers with an efficiency of 96dB or higher, it will give you a better dressed mid and wide frequency sound.
The sound tends to be good for classical stringed instruments and Jazz.
I really like the sound of the 2A3, and if you don't care about power, it's good enough for you. It is a good combination for high-resolution, but it costs about 250,000 yen to make yourself.
The classical pipe organ sound is very good, the 2A3 is still an organ.and the 2A3 is an amplifier for listening to organs.
LC2.5VIC output capacitor must choose less than 10 uF 16V if choose more than 10uF capacitor sometime can not get 2.5V voltage from IC.


2014 may be 45/71A Single Ended Amplifier song by Anna Caran 45 Single Ended Amplifier





Sound of Bohemia 2A3 Single Ended Amplifier



The sound: it's not like the 300B. This transformer, FC-20S, is excellent. It has a very good low frequency range, and the mid to wide range is a good reflection of the characteristics of the 2A3,
it sounds like the 300B without the 2A3.
There is a sense of power, but if you have a speaker with 92dB or more, it will express the sound field well enough.




Japanese version<

This site edited by Fedora Core 22 Linux and Blue Fish

Fedora Core Linux

Bohemia Amplifier as 45 Single Ended Amplifier 15th Jan 2021



this Analyzer Started on 23rd Feb 2018


It is said that the DF of a penthode valves is 0.5th place. It is the 2nd place of DF of direct heat triode.
DF goes up when negative feedback is applied but it is not delicate to the sound. penthode can easily obtain high output.
For that reason it is used in many devices. DF is an index called a damping factor. By the way, the DF in a semiconductor amplifier or pentaprism push-pull amplifier exceeds 100.
3 pole vacuum tube It is about 2 for single amplifier, that is, no feedback amplifier.
But if you connect speakers over 96 dB, you can enjoy music with clear sound even in small rooms. People who love 2A3 are using high-efficiency speakers.
Is it a legend that a vacuum tube that produces a clear sound of high quality sound is said to be RCA type 45?
If you find 45, enjoy the music with high efficiency speakers using the circuit introduced in this site.but you need high efficiency speakers like at least 96dB/m/w.
DF 0.5 means almost can not replay sound came from low frequency response.enen high frequency.valve single ended amplifier does not need much DF but need some 2.if to get around over
5 .became sound like ss amplifier.direct heating triode single ended amplifier' DF = 2 is worth.very nice sound stages.but have to use Amplifier Factor of valves are
less than 10.

The sound: it's not like the 300B. The FC-20S transformer is great. It sounds like a 300B without the 2A3.
There is a sense of power, but if you have a speaker over 92dB, it will express the sound field more fully. You can also use this amplifier with 45 and 71A.
I have the Guiguang 2A3C titanium plate and it has good low end and good mid to high end. It is the same sound with the older 2A3s made in China, and it sounds great for both jazz and classical music.
The 2A3C produces a sound similar to the 300B, but I think the bright and shiny sound is that of the 2A3. It's difficult to compare, but I think it's a different sonic trend than the XE20S as well. It's a good linear sound.
You can realize that the real sound is better because it's a small apartment and it can't produce a loud sound. I recommend you to make one unit with the same circuit and the same parts.
But it will cost about 3000 USD. The actual DF is 2.5 without negative feedback.
I used 45 for trial, but it is not so quick sound, why? Will you like this kind of ball? The ISO FC-20S is a very good transformer that produces a brighter sound than the ordinary Chinese made 2A3 2-Plate, which is also very cheap.
I found the ISO Tokyo FC-20S to be a great output transformer. very nice transformer for audio.as you knew.

71A SET

71A Single Ended Amplifier 0.8 W rms very nice sounding


It was a pretty bad vacuum tube in the used one, but it is a vacuum tube that has been aged without B + with filaments put in overnight.
It's a pretty old tube. Getter is also flying so I don't think it's bad
When B + was added, it was a vacuum tube that produced a surprisingly clear, low-frequency sound.
0.8W makes an incredible sound. It is a sound without distortion even at full power. This is a very good tube Amplifier.


2.5V DC voltage of 2.5A


There are many risky circuit configurations. In case of PMC-170M, 2.5V 3A terminal is coming out. This 3A is a problem. Will it be 3A?
It is 0-2.5-6.3. There are several ways to get 2.5 V. It is shown below.
1) 6.3-2.5 is 3.8 V. If you rectify this with silicon, it will be slightly above 2.5 V. This is when 2A3 is connected. At 45, it will be about 3V.
2) Regarding 0-2.5 V, the forward voltage is large in the case of a silicon diode, so it will be around 1.8 V. If you ignore the standard, the vacuum tube called 2A3 will come out at about 7W.
2) 2): 1.8V can not be used, but there are people who use it as it is. The filament remains at 1.8V and is set to around B+400V or around 350V. Evildoing
2) 3: If you rectify 0-2.5V with a Schottky diode, this will be a little lower than 2.5V. This is OK.
3) If you rectify 6.3 V with a shot key, about 8 V will come out. Insert a 1.2ohm 10W resistor in series with this. With a margin of about 3V
Attach a large heat sink to the latest semiconductor. IC is an IC called LDO. The name is LT1764ET-2.5. The standard is 2.5V 3A. Now you can get 2.35 V.
I think it is relatively cheap to use, unlike ICs that have been used before because they are very stable. I have less heat than I expected. It was stable and there was no thermal runaway.

Lt1764

LT1764ET is being tested LT1764 Analog Device


on 2014 Vina del Mar 45/71A Single Ended Amplifier


on 2014 Vina del Mar Chile all Hashimoto Transformer




45 Single Ended Amplifier Firevox play Stacy Kent singing



This Video clip is a courtesy video by Mr Victor Serrano, who lives in Germany



This RIAA first stage is modificated by Mr Victor Serrano in Germany and using CX 246 46family only 1.25W rms




relation of power amplifier with efficiency of speaker system

Not only power.  

    
DF is very important and output impedance


explain for DF ,please move mouse on the Icon.

DF





blue fish


ISO FC-20S
ISO Transformers Japan

Started from OCT 2016



245

RCA 245 Perque Drive 2A3/45 Single



inside

Kayra 2A3 inside of Amplifier,,,Kayra show




Dr Joaquin with Horn mono

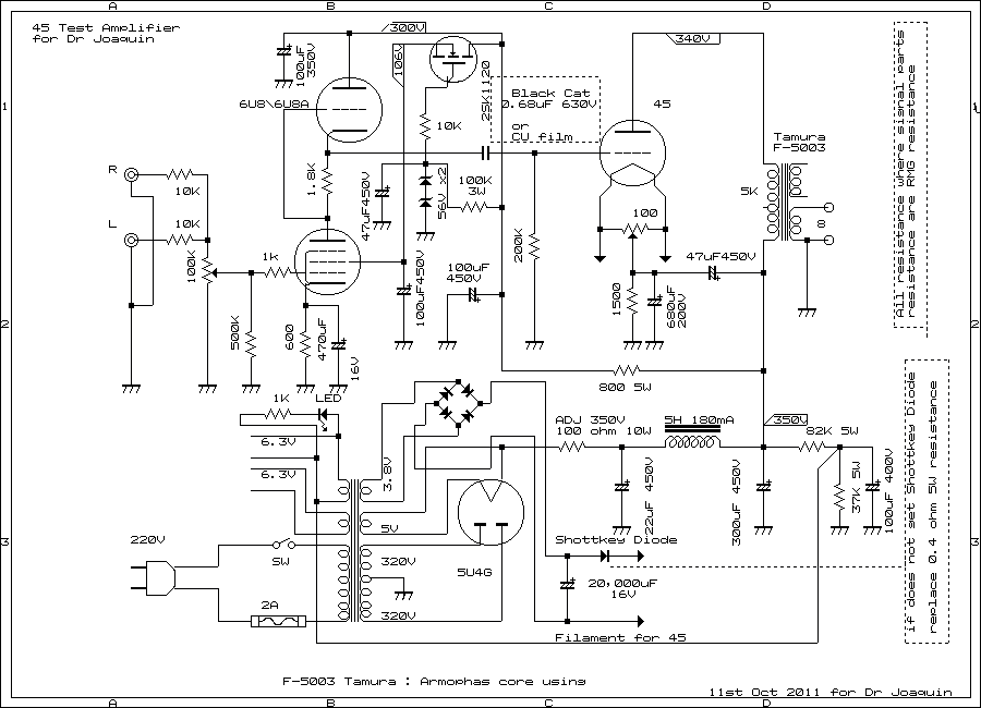
Show Dr Joaquin from Chile ,mono of 2A3/45 Single Ended Amplifier Mar 2016


Video is on Oct 2017 One of AudioPhile in Chillan Chile using Mizusima's 2A3 Single Ended Amplifier

Speaker System is Klipsch La Scala up loaded on 9th Nov 2018





RCA 2A3 SET 2003 made by Mizushima

Using RCA 2A3 Single Ended Amplifier on 2003 in Chile made



youtube

this is Youtube List for my site please viste




Mr Westman House Chile 2015

as Yayoi 2A3/45/71A Single Ended Amplifier on JAN 2015 by Mr C Westman

Just say.. Impossible to use with turntable near of Speaker system ,he said remove player other side so far from JBL

when owner(he)would like to use TurnTable or Cram-works for SL1200andCRAN-WORKS



2A3 71A 45 Single EndedAmplifier2015 Chile

Yayoi 2A3/45/71A Single Ended Amplifier on JAN 2015 Chile photo from C Westman



June 2015 with Audio Analog

Mr C Westman's house with Analog 2015 June




2013 ,first Mail from Mr Carlos Westman from Chile



Data: XE20S Tango,71A/45/2A3 Compatible Single Ended Amplifier live in Santiago,Chile
and Tested 71A 0.8W rms with Big Horn




How about use for sound source from Raspberry Pi B+ This is not toy..High End Audio
Raspberry Pi B+



WR2A3 PSVANE

WR2A3 PSVANE Replica of RCA 2A3





Allemande 2A3

You Can use this 2A3/45 Amplifier for at least 95dB/m/w ,many person use 95dB/m/w ~ 104 dB/m/w Speaker(Horn)

This version can be use 45 family ,2A3 family , 71A family and 300B family even can be use 275A China




About 2A3 ,if using Class C Amplifier for RF Transmitter ,will be get around 17 W Power of 7 Mhz with 400V of Plate
Minor-Audio.com (Audiophile A to Z )Good for study in this site

It is said that the sound of the 300B and spits out a plump sound sound of a thick low in general.
I think I think so too, but this also only if you use the high-quality output transformer.
It is common to be said very bright sound of mid-high range was enriched comes out to 2A3. The delight of the music mid-high range not in the 300B to 2A3. I think there is no sound of wide,
low-frequency, such as 300B, but can produce a sound that is similar to the 300B, depending on manufacturer of vacuum tube also is a feature of the 2A3.
Capacity of the power supply also the size of the transformer is also everything is the same as the single amplifier 300B of most,
but not less than half of 300B single amplifier power of 2A3. You can get enough power even at home if you use the speaker of 93dB or more at least if.
And RCA 45 Single Ended Amplifier.
You can enjoy at 1.6 watts you just sound full of low frequency in the sound of RCA45 single in particular 45 single,
but it is said this is also a sound that can be realized by using the speaker with high efficiency.
It is said that the sound of RCA45 and can realize the playback of sound clear mid-high range of very low distortion also unique is not even in 2A3 also 300B.
Of the unfortunate very, is that it is a 1.6W power output is just very small. You must use the speaker with high efficiency or even if the parallel single amplifier,
the nature of the sound will change even in a push-pull amplifier. This trend is also true 2A3. Trend of the sound will vary of course the second harmonic does not come out when you push-pull It is as you know.

XE20S Tango with KR2A3 Single Ended Amplifier on Feb 2014 from ChileEnLarge photo

You Can use this 2A3/45 Amplifier for at least 95dB/m/w ,many person use 95dB/m/w ~ 104 dB/m/w Speaker


KR 2A3


Atacama 45 + Passive Pre by Made Dr Joaquín Iglesias in Chile


Atacama 2014 May

Atacama 2A3/45 Single Ended Amplifier + Passive Pre made by Dr Joaquín Iglesias in Chile




Tango is goes out so Introduce you ! we are can use the other small transformer company,, we call it's HUT Audio Lab CO Japan.they are making just like 3rd party of
ISO Tango Transformer.good termination and electric character is good enough. Hatt Audio Lab transformer list is Hatt Audio

Hut Audio Lab Transformer

much better character than Tango Transformer and more economic



H808 Hatt Auudio 2014 July


H808 Transformer of Hatt Audio Lab

Hatt Audio Lab HO-808 Audio Transformer equivalent model of XE-20S Tango and U-808



How About Hashimoto(ex Sansui)Transformer

Hashimoto H20-3.5U 2A3

Schematic diagram for 2A3/45 Single Ended Amplifier on May 2014

Note : Using Arizona Cap and Vita Q(Audio Factory)for coupling capacitor and filaments diode are Shottky diode see figure

>
Arizona capacitor
>

Using Arizona Cap for Coupling

In general 3 stages Amplifier has much gain so not suitable with digital staff like DAC and modern CD player.because they has much gain too. over 2 V pp is not good for use
any valve amplifier.because sensiblity is almost around 0.5 V p-p to 1 V p-p( peak to peak) even my amplifiers are 500mV peak to peak.off course much better use with some
pad. I think you can buy local audio shop for PA system and make one easy too.please try to make one.L pad is more simple.please see next ..very useful.
one thing ,,, why do not use penthode voltages valves. because pentodo has miller effect so if using for triode driver , can not get good frequency response .if audio
transformer 's response has 10 Hz to 100Khz like XE-20S(FC-20S of New ISO), will be get 10 Hz to 40 Khz max response .this is effect of miller.
but if use triode driver make good frequency response.like 10Hz to 100 Khz.so many amplifier push by triode.must be use triode for driver.


Hashimoto H20-3.5U

Just Testing 2A3/45 Single Ended Amplifier on Apr 2014 Transformer are Hashimoto H20-3.5U

>

Pad 18dB

18dB L pad


Hashimoto H20-3.5U

2A3/45 Single Ended Amplifier with Hashimoto H-20-3.5U on 11st Apr 2014 from Japan


H20-3.5U is Universal Transformer can be use for 3.5K and 2.5K ohm impedance ,out put impedance are 4 , 8 and 16 ohms.so you can use
2A3,45,71A,KT88 and 300B as single ended amplifier. capability is 20W . from 20 Hz to almost 90Khz ...small NFB will be get 10Hz to 100 Khz 1dB with 2A3 SET.
price is just same as XE20S ISO Tango. so enough to use instead of ISO Tango Transformer. How about ? Sound is good enough. just same kind of sound of XE20S.
2.5K ohms : 13H and 3.5K 17H inductance.

Please use ONE-POINT-Groundone point

Very Important things for build up one of an amplifier any amplifier,never use all of chassis for ground.
either Sony,Mark levinson,Jeff Rowrand many many Good Amplifier are using one point ground at back of chassis.almost close to input line



2A3/45 Single Ended Amplifier 2014 Apr

Character is good, 3.5K and 2.5K 20W ,out are 16,8,4 ohms H20-3.5U 3.5K/2.5K

>


L type Pad 18dB

18 dB 100K impedance Pad ,,easy to build up and very util also you can buy Local Shop



Hashimoto 2A3/45 Single EndedAmplifier

4P1L wired triode Single Ended small Amplifier D.I.Y

4P1L Single Ended Amplifier DiY 25th May 2014



4P1L single ended amplifier 2014 Nov

4P1L Triode / UL Single Ended Amplifier Nov 2014



45/71A Single Ended Amplifier using H20-7U Hashimoto(Sansui)


45/71A Single Ended Amplifier

Fervox 45 and 71A Compatible Single Ended Amplifier ,only you can use 45 and 71A for JBL Horn


Hashimoto 71A/45 Single EndedAmplifier


tubebbs com china

Tubes Data from tubebbs.com



Sound of 2A3 Single Ended Amplifier



K Jarret play piano 2A3 Single Ended Amplifier at home 3.5W



K Jarrett plays piano 2A3 Single Ended Amplifier at home 3.5W


What's New :Sheung Wan 2A3C



K Jarrett plays piano 2A3 Single Ended Amplifier at home 3.5W


What's New : PSVANE 2A3B



K Jarrett plays Piano 2A3 Single Ended Amplifier at home 3.5W


What's New: Sovtec 2A3




S Kent sing 71A Single Ended Amplifier at home 0.7W with Noguchi PMF-15WS



Ana Caram sing 71A Single Ended Amplifier at home 0.7 W with Tango XE20S


Micheal Hedges plays guitar 2A3C Single Ended Amplifier at home(using fladance mp player)3.5 W with Tango XE20S



charly lloid plays by 5889 (W triode) Single Ended Amplifier at home 2.5W with Tango XE20S


Gina Saputo plays by 45 (2A3 / 71A) Single Ended Amplifier at home 2.0W with ISO FC20S

2A3 Single Ended Amplifier 's nominal(Normal Power)how many watts will be get ?

Show you step by step, normally 2A3 RCA type has 3.5 W rms,no more than 3.5 W. many Amplifier Maker said within 4 ~ 6 W rms with 2A3C
but actually does not get these power.either will be get lost charactor of sound of 2A3 and short life time.
2A3 JJ is not 2A3 as you know.2A3 JJ is actally 300B .plate voltage is normally using 290V etc but 2A3 RCA Plate Voltages is 250 V,
Look ! Spec is not corrent of Amplifier maker. prpbably some amplifier 2A3 Class A Single Ended has 5-6 W rms.but at more than 10 % distortion.

Sine wave just look like original sine wave



Wave form 3.5 W rms just start clipping top and down of sine

this wave form is just like max power under 5 % distortion.sound is normal and does not get feel bad.when listen music.



some Amplifier Product said 6W rms but actually this means this kind of waveform ...by 2A3 Class A Single Ended.

Upper side is normal but down side is clipping. they said this one is 5-6 W rms of Nominal power.this is not sound for Music.
may be can use for guitar amplifier but can not use for Music for at home.so please dont have big dream with 2A3 Single Ended Amplifier.
But 2A3 Single Ended Amplifier is good for us.if one's have good speaker system and good ear.3.5 W rms is enough power for small room.
Can enjoy any kind of Music.from Old Classic to Modern Jazz.You can make a good sound field in front of the eye,
depending on a small room and a good speaker system . 90dB/w/m ~ 105dB /w/m of efficiency .Prefer 91dB ~ 96dB .
even I like sound of 300B single ended class A. but 300B does not have same character of 2A3 Single Ended Amplifier.if one's have good
Speaker System I prefer use 45 Single Ended Amplifier.

How about Sound of 2A3 Single Ended Amplifier on 2014 by Youtube



45 Old
RCA 2A3

カウンター

this counter started 24th Dic 2009

firefox Please see Best by Firefox
I like 2A3 and 45, 45 is better than 2A3 and 45,2A3 are better than 300B SE

but both are very small power.if do you have over 92dB speaker system
you can enjoy music in your house.let's me show you picture and skematics
2A3 , 45 single ended Amplifier ever I did built up.2A3 is 3.5W and 45 is 1.6W

Frequency response of Amplifier is depend on Audio Transformer and driver.
if using penthodo for driver does not get good frequeny response. must be use tiode.
and have to use good frquency response transformer.I recommended use ISO Tango and
Amorphous Alloys Tamura Transformer.only can get good frequency response.
ex) 10Hz to 100Khz for Single Ended Amplifier. Tango XE-20S and FE12-S are very good
frequency response.

Point for 2A3/45 Single Ended Amplifier

Frequency Response is depend on

(1) Frequency Response of Audio OUT PUT Tranformer.
(2) Driver Tubes (must be use Triode).because pentodo has miller effect.
so if using pentodo for drived Triode ,would be get high frequency is rolling off rapidly.

(3) Coupling Capacitor.CU-Type film capacitor are good but expensive.
(4) input volume control.
(5) if use Inter Stage Transformer this one too.but generally does not get
good frequency response by Inter Stage Transformer Drive.
at least necesary thinking above. and,
(6) New type of 2A3 of plate voltage is 320V and cathode resistance is 880 ohm
from 1000 ohm much better condition. 330V and 1500 ohm for if using RCA 45.

new type of 2A3 are Sovtec 2A3, China 2A3C by NGG, China 2A3B by NGG,
Golden Dragon 2A3B (premiam),one thing ,not recomendable Shuguang Made under bad QC.
many person said New Type of 2A3 are "Small 300B". 300B is very difficult get more than
7 W rms. and not difficult get around 5 W rms by New Type 2A3.I think better to use
in your house with good effiency speaker system(at least 91dB/m/w).

2A3 JJ is not real 2A3 because disspation is 40W but same way can be use as 2A3 condition.
2A3 JJ is not 2A3 ,Name of 2A3 JJ of 300B is real.


so use same condition of RCA 2A3 much better but

any 2A3 family can get more than 5 W rms by A1+A2 drive.
which is load impedance 2.5K and 3.5K.
if use 2.5K must be use 250V for plate and cathode resistance is 750 Ohm.
if use 3.5K must be use 1K ohm for cathode resistance and plate
voltage is many case using around 275V. using under 15W disspation.
if you think 20W dissipation not problem 320V with 3.5K and 1K ohm of cathode resistance.

I like 2.5K but many person said 3.5K ohm for recent 2A3( 2A3C,2A3B and Sovtec 2A3)
2A3 Sovtec and 2A3 EH are different.sound is very diffierent, and
2A3EH is a little bit higher plate voltage.sound is very tight.
old chinese 2A3 H type are good but bad construction and many chinese 2A3's
using gold grid as you know.sound is good like RCA 2A3.
2A3 are mid and high range sound getting good as you know.sound of 2A3 does not
have 300B and 300B does not have 2A3.
how about 45? 45 sound and if use correct plate impedance transformer ,will
be get much better than both sound of 2A3 and 300B.
mid and high range is very good with good big 5K ohm audio transformer.



New line of 2A3 there are 2A3 's,new chinese 2A3 is 2A3C and 6C4C

RCA 45 Single Ended Amplifier

2A3/45 Compatible Single Ended Amplifier




6C4C is 6B4G, some one said 6C4C(6B4G) is very good sound get and manufucter are
same place of svetlana mfg on 1970.if can you find this 6C4C ,will be get good sound .
EH 2A3 and 2A3C are getting around 5 W rms music power max .2A3JJ is not real 2A3.
just like 300B so 2A3 JJ has sound like 300B and need high voltages than 2A3 typical
RCA type.6B4G base is US octal and 6.3V 1A for filaments voltages. useally 2A3 's
plate voltage is 250V and 60mA but 6B4G is 280 V DC.some one said music power get
a little bit bigger than 2A3.offcourse 2A3EH 's plate disspation is more than 15W.
sylvania 6B4G(W) is replacement of 6B4G but sylvania 6B4W is not direct heating tube
just like 6L6 connected triode. be carefully so triode connection inside of penthode tube.
6C4C is very nice tube.sound is good and better than 2A3 chinese.
I would like to say this is small 300B.easily to get 5W rms.
Bias and Valves

Name of Valve
u
imp Zp
Po
W
Vp
p-k         / Bias  
2A3
4.2
2500
3.5
250V      / -45
12A
7.5
6000
0.2
180V     / -15V
45
3.5
4600
2.0
275V    /  -56V
VT52
3.8
3580
2.4
300V    /  -60V
275A
2.8
3500
3.3
250V   /   -55
801A
8
7800
3.8
600V   /  -55
VT25
8
10200
1.6
425V   /  -40
211
12
9200
12
1250V     /-80V
300B
3.9
3500
10
400V      /-87V


And if would you like to study How to learn amplifier

How to lean build up valve amplifier but this version is only spanish.





baronly weekend log file show on my site data if would like to see



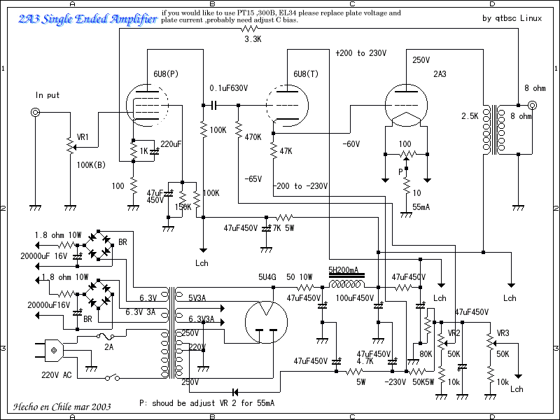
Cathode Drive 2A3 Single Ended Amplifier, this circuit can be use as any Valves






XE20S charactor


with XE20S Tango made up very wide range Amplifier 10Hz to 130Khz



2A3 Chinese American said 2A3C, new line of 2A3 has 2A3B type too
Shuguang 2A3C


Small 2A3 Single Amplifier small out put transformer


RCA 45 Single Ended Amplifier

All Tango small 45 single ended amplifier on 1990

Skematic show above typecal 91B type circuit under western electric


6C4C(6B4G)Single Ended Amplifier modificated from KT88 SE





日本語
How to modificate 2A3 to 45


in general: plate impedance of 2A3 is 2.5 K ohm , some time use 3.5K ohms.
45 is 5K ohm, some time use 7Kohm and 3.5 K ohms.
2A3 plate voltages is 250V to 260V, 45 is 250V to 270V .generally use 270V.
new type of 2A3 is not 250V, 280V is general.suppose be use 320V.
2.5K Ohms and 8 ohms Speaker can be use as 5 K Ohms if connectes 4 Ohms terminal with
8 Ohms Speaker system. so if do you have 2.5K Ohms and 4 and 8 ohms secondary Audio
Transformer easy to use both way 2A3 and 45 as single ended amplifier.


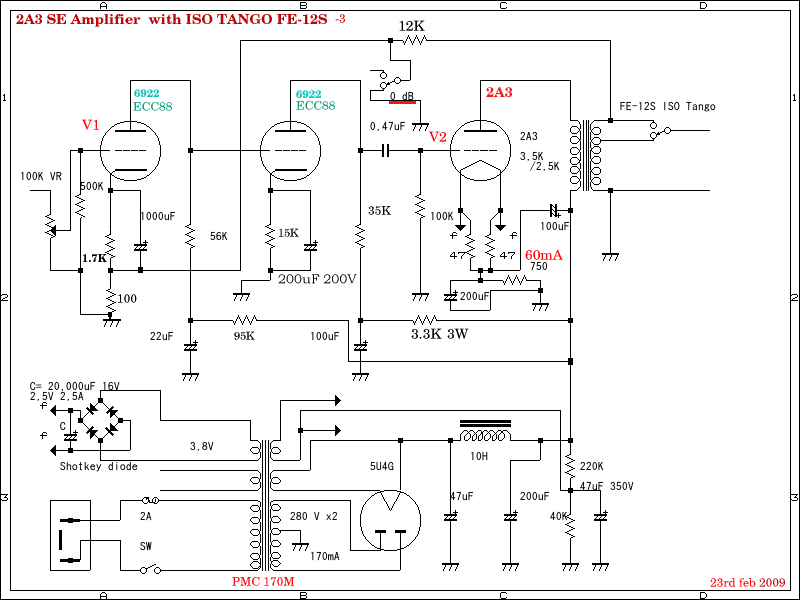
New Tango 2008 FE-12S with 2A3C Single Ended Amplifier


drive by ECC83 AFG SRPP into 2A3, I like sound of Sovtek 2A3 mono plate valuve
than new type such as 2A3EH and 2A3C.Sovtek old type mono plate sound very clear.
even usr cheap Touei Transformer.



Spec FE-12S Iso Tango

This is curve for ISO Tango FE-12S good for 2A3 Single Ended Amplifier



2A3C SE with ISO Tango FE-12S drived by 6N1P
2A3C 6N1P Single Ended Amplifier

and Skematic diagram is next.driver is 6N1P Sovtek sound very much great.
and very clear .I think better than 300B SE sound.power is around 5W rms.
a half of price of XE20S and some one using 8 ohm speaker ,budget type of ISO New Tango
seems ,FE12S is very similar with XE20S.20Hz to 90khz frequency response.
and 3 stage of amplifier can get good bass and good mid ,even High range.


2A3C + 6N1P drive

finaly I use this one SRPP P-Drive is next.


SRPP Perque Drive


300B and 2A3

Sovtek 2A3 is more cheap than any kind of new 2A3 but sound is very clear
than 2A3EH and 2A3C.feel like minor distortion than other new 2A3.I'm using 3.5K
out inpedance for plate.
Transformer are FE12S ISO Tango 10Hz to 90Khz -3dB with -3dB NFB . 4.5W rms very nice amplifier.
Max power is getting around 5.5W rms.Non NFB get 5.0 W rms and Max 5.8 W rms.

RCA 45 Single Ended Amplifier drive by 6SH7 sylvania

charactor FE-12S

Charactor of FE-12S of ISO Tango






Transformer are Noguchi New type transformer PMF-7WS very small one.skematic is next.




PMF7WS charactor



ISO Tango 2A3/45 SE

2A3/45 single Ended Amplifier on Dic 2009





2A3/45 Single Ended Amplifier 2010

2A3/45 Single Ended Amplifier with ISO Tango XE20S Jan 2010




Emission labs 45

Emission Lab 45 Single Ended Amplifier


Introducing 45 SET on JacMusic for Emission Lab

Dr Joaquin with Mizushima 2A3 single

He(Dr Joaquin in Chile) is using as mono Amplifier for Horn 2011-2012





Using ISO Tango XE20S 2A3/45 Single Ended Amplifier. 1.6W rms for RCA 45
2A3 is around 4 W rms.Max power is 5.6W rms.1.6W with RCA 45 but music power is
feel more than power of 2A3 SE.both very clear sound getting.frequency response
is 10Hz to 100Khz -1dB at 1 W rms when use -3dB NFB.sound is very clear sound
when position of Non NFB. 0.5 mV rms noise when RCA/XLR hook up short plug.
1st amplifier is EF86(triode connection)and driver is 6CG7/6FQ7,can be use 6N1P
too. final valve is 2A3(2A3,2A3B,2A3C,2A3Z) and 45 family.input line are 2 line
input RCA unbalanced and one line from XLR(using Tamura maching transformer inside).
600 ohm when use XLR and 100K ohm RCA.signal parts are using non inductive resistance



Emission Lab 45 with SET 2012

recently he is using flat speakers system with high effiency on Dec 2012



FN1242A with DSD

Emission Lab 45 and his 2A3/45 Single Ended Amplifier with DIY DSD DAC under FN1242A on Mar 2013



2A3 circuit diagram

Schematic diagram 45/2A3 Single Ended Amplifier




EM 300B from 2A3 on 2016 Dic

Modify from 2A3 SET to  ELRog 300B Single Ended Amplifier on Dec 3rd 2016


ELrog ER300B //From 2A3 SET to 300B SET modification

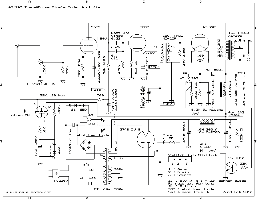
tamura Trans Drive 2A3 SET

Inter Stage Transformer Drive 2A3 SET


TansDrive2A3 SETAmplifier

2A3 SET drived 6BL8(Left),Trans-Drive 2A3 SET(Center),300B SET 6BL8 Drive(Right)
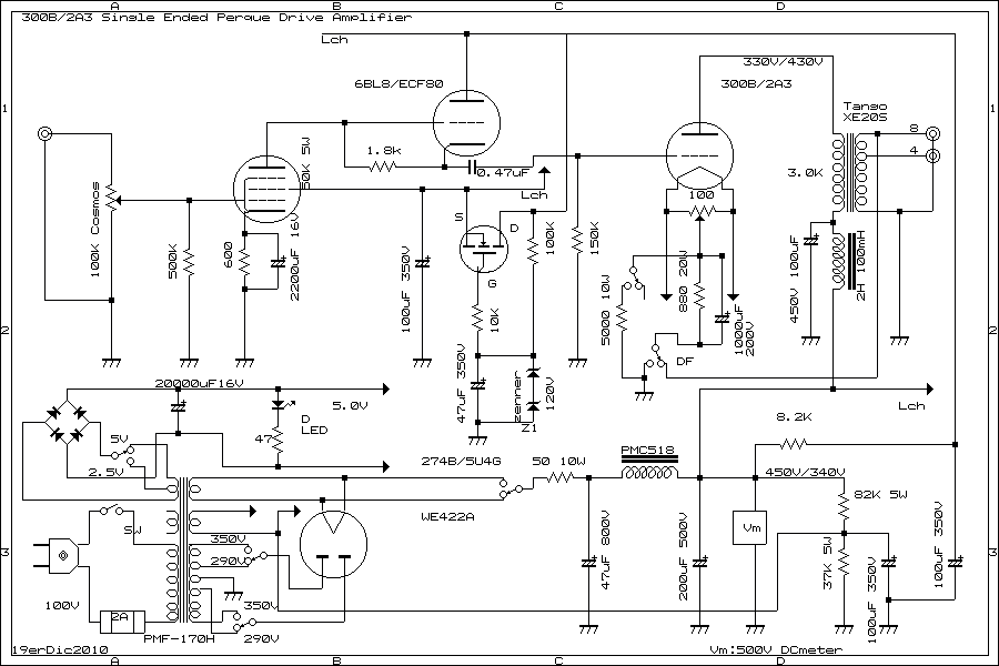
recently I am using Perque Drive for any Single Ended Amplifier drive.Perque Drive is
just same like Mu follower(SRPP) and SRPP.but this one use Triode and Penthode combination
valves like a 6AN8.Perque Drive is invented Mr Tetsu Kimura long time ago.
getting good frequency response and good low than any type of SRPP.



trans-drive 2A3/45

2A3/45 Single Ended Amplifier InterStage Drive on 2010


Sounding is good when using 45 old and getting 3 W rms max power.probably more.
because this amplifier getting soft clip.2A3 is more powerfull sounding. good bass
more powerfull than C coupling Single Ended Amplifier.only transformers cost are
almost USD $ 1800 dollares.detail is 3 of chork transformer and 2 of ISO Tango XE20S
2 of ISO Tango NC20F and Hashimoto(Sansui) Power Transformer PT-160V (220V).


NC-20F

Band width is good than small Inter stage transformer



circuit no5 2A3/45 SET

schematic is above



new circuit 45/2A3 SET

modificated 5687 Driver ,more powerfull circuit



5687 Driver circuit

Transformer Drive by 5687,more powerfull clear sound



New Type of 2A3/45 inter stage transformer drive SET

new style trans drive

new style inter stage transformer drive by 5687 on Oct 2010




45/2A3 SET

5687 Drived Inter Stage Transformer Single Ended Amplifier



45 single ended amplifier

Compatible Amplifier 45



2A3 single ended amplifier

Compatible Amplifier 2A3

View of this Amplifier


new 2A3C Titan Plate

This new 2A3C Guiguang is not same as Shuguang 2A3C


This 2A3C is not same of Shuguang 2A3C, very similar but construction is very different
and very low noise.Keikou(桂光)(Guiguang Electronics) 2A3C made by Titan Plate.size is just same of shuguang 2A3C.
many Shuguang 2A3C getting noise and many fail. but 2A3C Keiko China is super good valve.
Plate is Titan, sound is very similar of 45 single ended amplifier sound but much power.
this amplifier drived by perche drive.Driver is 6BL8(ECF80).getting good bass , off course
getting good mid and high.very clear and good bass getting from 2A3C single ended amplifier.
I like that's!!!.2A3C by NGG means by "Nanhai Gui Guang". new valve product company in china
detail indicated from here.
Spec is
Ua: 325V (250V)
Ia: 68mA (60mA)
Ug: -43.5V (-45V)
S: 5.2mA/V
Ri: 1.1K ohm
Zl: 2K ohm (2.5Kohm)
Po: 5W (3.5W) Uf: 2.5V
If: 2.5A (1.4A) *() what's meanning ?
Uamax:330V (300V)
Pamax: 20W (15W)

2A3C by NGG

2A3C by NGG


What different between 2A3C and 2A3B . 2A3C is sounding more bright and just will say
feel like new type of valve.very modern type of valve.2A3B seem like to old type
2A3.similuar of RCA 2A3. some time same as old type 2A3.but 2A3C is very different.
I like 2A3C of Guiguang. Shuguang 2A3C sound same as NGG 2A3C ,but not same.
I said before Shuguang 2A3C has only one big problem, physical dameges problem.

but actually, QC is not so good with any 2A3C. problem is noise when turn on main Switc.
both old 2A3C and new 2A3C. 2A3B is recomended but sound is narrow than 2A3C.
if you can get old 2 plate chinese 2A3 good too.NGG 2A3C is most budget good tube in this
moments.chinese tubes are always has problem of QC.2A3C NGG plate using Titan.very
beautifull termination, sound is good and perfect. I would like to say small 300B.te
Let's me show you,Shugyang 2A3C and NGG 2A3C next.

Foshan Nanhai GuiguangElectron Tube Factory Nanhai, Foshan City, Guangxi Liuzhou photoelectron tube tube factory in the original factory set of equipment,
technology, Nanhai District, Foshan City, moved to set up.
As we all know, the original tube factory was established in the Liuzhou early 1960s, has a long history,
strong technical base, and its products once won praise audio enthusiasts.
Due to various reasons, Liuzhou tube factory closed in 2000 and discontinued in 2007 moved to the package of equipment,
Nanhai District, Foshan City, after more than two years, put a lot of manpower,
material, capital, the old equipment was comprehensive maintenance, update, transformation. Especially in

Chinese original explication from NGG site traduced to english by Google on 31st Dic 2011.

NGG 2A3C


NGG 2A3C

NGG 2A3C picture on Dic 2011



EH300B and NGG 2A3C

Left is EH300B and Right is NGG 2A3C



Left is Shunguand and Right is NGG

Shuguang 2A3C(left)and NGG 2A3C(right)



Crisis of 2A3C and 2A3B in China 2012
What's matter with Foshan Nanhai Guiguang NGG are broken down in later of 2011.
for exsample. 2A3C titan plate is very good but could not buy anywhere in Japan.some tube shop said
NGG was broken or lay down.so does not get any more 2A3C and 2A3B of NGG. only avarable Shugyang 2A3C.
and now we can buy only new type of 2A3 but 2A3B.physically very different with 2A3B.
called PSVANE 2A3B ,shown next how is sound ? very small plate.just like RCA 45 constuction.
company of outside of china and MFG is Shugyang .they does not 2A3C yet.
Just my opnion, 2A3C by NGG was super 2A3C ,good construction and sound is very good than any 2A3 budget family
in world wide.this 2A3C by NGG is just like small 300B.wide range and good dinamic range has. but I would like to
say "Valve of Phantom".why Psvane does not make titan coat 2A3C ? why NGG are broken ???

yesterday sent mail chinese tubes dealer :I got a letter from him, they said not avarable anymore
any place in china even Japan.good tubes but discontinue model now.does not get any place.
I think some one(collecter) has a lot of 2A3C NGG and waiting going up price.
this is bad thing than NOS 2A3 by RCA.chinese are ,,what thinkin about ?
Name of company is CHANGSHA HENGYANG ELECTRON CO.,LTD.in China.
construction is same as one of one.same size of plate of 2A3B and 2A3C NGG.
if possible can you(PSVANE) make 45 ,copy of RCA 45.same size of 2A3B.???
if can do ,good news for audiophiler in the world.
2A3B Psvane Shugyang

Psvane Shugyang 2A3B brand new on 2012


Sound is very similar of NGG 2A3B and get good bass and clear mid,high range


quite so nice and fine sound came from small new PSVANE 2A3B by my 2A3 Single Ended Amplifier


Information for Takatsuki TA-300B where can you get from over sea?


TA-300B Tkakatsuki Electric Indust

This 300B is TA-300B by Takatsuki Electric Industry Japan, used to be making valves for
Matsushita Electric Co(Panasonic). original Japanese made of real product in Japan.
how to get TA-300B ?. only one company selling out side of Japan. his name is
A & M Limited and very famouse company as you know A&M Amplifiers.they are representant
of Takatsuki TA-300B in Japan.if would like to get TA-300B and A&M Amplifier please
ask to them please.
But Takatsuki 300B is very similar of arquitect of Chinese 300B family. one thing
sound is good and they has good control of QC (Panasonic).very similar of Goldern Dragon 300b family.


all Takatsuki product

TA-300B Amplifier and TA-300B Valve , TA-274B rectifier valve


by Takatsuki Electric Industry Japan


Takatsuki Electric Industry(only Japanese)

A&M Limited Air Tight Offial Site,Representant of Takatsuki TA-300B

High Fidelity Poland ask to them

2A3 Maniac



Boschmann 2A3 single ended amplfier

Boschmann 2A3 Single Ended Amplifier on 2012 Apl--up date version 2014


Just show you,,inside but I do not like show inside,, this is Test Amplifier



2012 April 2A3C/BSingle Ended AmplifierD.I.Y using Metal film resistance

EL3N single ended amplifier

V2 EL3N

EL3N wired triode Single Ended Amplifier circuit



2A3 300B Compatible SET

2A3 and 300B Compatible Digital Input Single Ended Amplifier


this amplifier is just start build up on 25th June 2011



2A3 300B compatible

schematic diagram of 2A3-300B Single Ended Amplifier SPDIF input



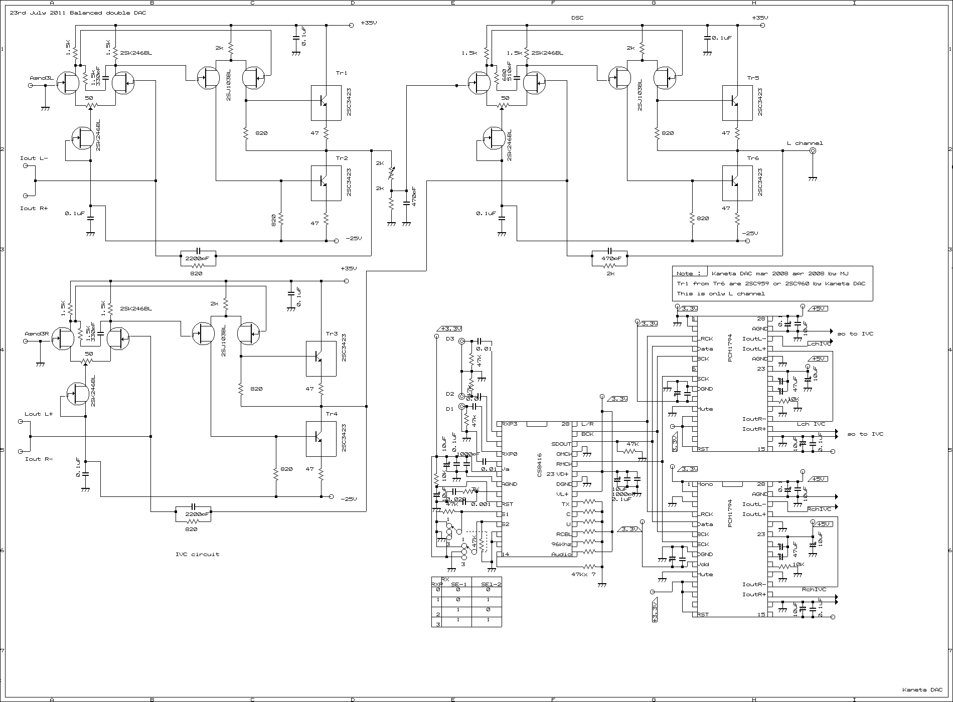
Kaneta DAC

Digital input line circuit for 300B/2A3 SET enlarge
Driver for Kaneta DAC isSchematic diagram for KanetaDAC
2A3/45 single ended amplifier oct 2011

2A3/45 Single Ended Amplifier Oct 2011



2A3/45 single ended amplifier Feb 2012

2A3/45/71A Single Ended Amplifier on 2012,ISO Tango XE-20S



2A3/45 single ended amplfier kayra

2A3/45/71A Compatible Single Ended Amplifier with Tango XE-20S on 2012 Feb



Kayra 2A3/45/71A Single Ended Amplifier 2012

Testing 2A3/45/71A Compatible Single Ended Amplfier on 16th Feb 2012



As 71A Single Ended Amplifier

As 71A Single Ended Amplifier




2A3 Single Ended Amplifier on June 2012 in Turkey



45 71A 2A3


2A3/45/71A Kayra Compatible Single Ended Amplifier (Custum Made Amplifier)

Mr S Visiedo Amplifier

This Amplifier is one of copy of Kayra 2A3 Single Ended Amplifier on 2013 from Italy




Many Amplifiers schematics Leserbriefe und L...... Introduce Many Amplifiers in world wide


2A3/45 CompatibleSingle Ended AmplifierD.I.Y on Aug 2011


(Under Construction)2A3/300B Digital input Compatible Single Ended AmplifierD.I.Y on 2011


EL3N triode wired connection Single Ended Amplifiereuropian sound on May 2011


High End Audioin ChileD.I.Y Site


NC20F Transformer Drived by 5687 2A3/452 stages C-coupleDriver update Ver on 2010


NC20F Transformer Drived 2A3/45Single EndedAmplifier on 2010


The Klipsch forums talking about 300B SE VS 2A3 SE go to clickhere


My Main Amplifier 300BJames JS 6123HS WE300B SEhere to GO!!


New ISO Tango XE20S2A3/45 SE Tango XE20SSingle Ended Amplifier


DIY Suppoted LinkBy ATTITUBE


2A3C paralle SingleEnded AmplifierBy KT-Electronics Co Japan


6B4G Single Ended AmplifierBy Mr Tetsu Kimura(Mr Perche)


Radio Engneer 90's schemacticDiagram


Softon English pagenew transformer maker using R-Core


Softon New technic High EndAudio Amplifier


Mr N.Watanabe triode AmplifiersFiles by Zip,801,CX350,300B,211


SUN Audio TriodeCircuit archive from Mr Uchida


Mr T Kimura 71A solid state drivecircuit archive


SARRIS /Handmade audio tube amplifiers, DIY loudspeakersand Monolith Magnetics

2A3/300B compatible single ended amplifier 2012


Dr Tim Williams KT88SE to 2A3/4300B Single EndedAmplifier D.I.Y Step by Step


DIY PASSDIY circuit archive from N Pass enthusiast'

Bartola site
DIY Amplifier his new design circuit archive and Cartoons from Bartola by Mr Alejandro Moglia



2A3 Maniac


2A3 Sovtec Made up 9 W rms Single Ended Amplifier but only Japanese archive


2A3C Single Ended Amplifier 2012

testing New 2A3/C/B Single Ended Amplifier on Jan 2012


3 Stages for 2A3C Single Ended amplifierfor TEST AmplifierD.I.Y

comun circuit

this schematic is show as 300BSET but just replace voltage you can use as 2A3 SET.



Over 92% of 300B single and 2A3 single amplifiers around the world use this schematic. This circuit is a commonly used schematic, a copy of this circuit with some differences in settings and constants. It is no exaggeration to say
. This circuit diagram is said to have been used by Mr. Morikawa, who specializes in audio, in the 1970s. I think this circuit is quite old. A copy of the Sun Audio schematic, but with the same circuit
I also use it for the KT88 single, but most of it has a fixed bias-I use it by adding a C power supply. In the case of 300B, self-bias is used. I think that I am self-biased in consideration of safety.
Safety is a remnant of an era when the individual price of the 300B was higher than that of the KT88. I think it will continue to be a circuit diagram that will be used in various amplifiers. Some foreign manufacturers are proud of it,
It's a copy of this, the original may be Mr. Morikawa's schematic or maybe Mr. Uchida of Sunaudio. It's unclear, it's the first circuit drawn by either person.
In any case, the circuit diagrams drawn by Japanese people are being used by manufacturers all over the world.
almost these kind of amplifier 300B and 2A3 are no made by some one designed .copy of copy of copy of above Sun Audio 300B circuit is original circuit
90 % of as merchanidise 300B Single Ended Amplifier are same circuit using.not original schematic using.sound is almost depend on audio transformer
very a little parts change or add component. all of not special circuit.so any one can do copy of copy.

this one is bad example of copy amplifier



It is a circuit diagram copied from youtube. What a sad fact to say that it is the same as the constants in the SunAudio schematic.
he is not saying he designed it, but it should be a copy.
It's a shame that it's a foreigner.


circuit
Link from France and they hold many of schematic diagram world wide and many data for any audio D.I.Y information



2A3 single ended circuit

New circuit for 2A3C/B Single Ended Amplifier on Jan 2012



2A3/45 Single Ended Amplifier

2 stages SRPP 2A3-45 Single Rnded Amplifiers 2011



Emission Lab 45 Mono Block Perque Drive Single End Amplifier Shematic

45 Mono Block SET

45 Mono Block Single Ended Amplifier by Perche Drive




RCA 45 singel ended amplifier

RCA 45 Single Ended Amplifier



2A3C single ended amplifier

2A3C Single Ended Amplifier but sound is Sovtec 2A3 is better


ISO Tango FE 12S using 2A3/45 single ended amplifier.sound is good
even FE-12S is 2/3 of XE-20S size.but sound is very good low range to high range.
non NFB can made good frequency resoponse.20Hz to 80 Khz -2dB at 0.5W rms.
Driver is 6U8 ,Perche SRPP.coupling capacitor are 0.68uF 630V cornell doubler Black Cat.
felts very low distortion sound from low plate voltage condition.
2A3C is good but goig to low range. Sovtec 2A3 is going mid high range.sound so nice
Sovtek 2A3. each other different charactor has.I like sound of Sovtec 2A3 than 2A3C.
be carefull to use any 2A3C has problem of pin's.make some problem with contact.
Call it's Perche Drive

Perche Drive 2A3/45 Single Ended Amplifier Schematic on Oct 2011



2012 245 Single Ended by Mizushima Amplifier

Avantgarde Horn Speaker with Perche Drive 2A3/45 Single Ended Amplifier from south America



Mr Serrano house 2013 Santiago Chile

Avantgarde Horn Speaker with Perque Drive 2A3/45 Single Ended Amplifier 2013 DecLarge Scale



compatible 2A3/300B single ended amplifier

2A3/300B Compatible SE Amplifier(only just plan)



recomended circuit 45/2A3 SET 2012 Feb

Recommended circuit for 45/2A3 Single Ended Amplifier on 2012



300B Single Ended Amplifier 2004

WE300B Single Ended Amplifier on 2004



300B on 2012 March

300B Single Ended Amplifier(Made on 2004) on 2012




PSVANE 300B Single-Ended Amplifier 2016 Apr
Next Page300B Single Ended Amplifier on 2016 going brew one



How about will you replace resistance in your an Amplifier

Do you know ? material of resistor change sound ?
actually we can use 2 type of film resistance for Audio circuit recently.

(A) Carbon film resistance

AMRG
AMRS
these are film carbon resistance
Charactor: sound is very clear low to high frequency and feel sound is clear and good
for pre-amplifier or flat amplifier.
famous resistance are "Allen & Bradley carbon solid resistance" "AMRG" "Rikenorm Riken RMG" "AMRS"
"Rikenorm Riken RMA" "Taiyo FTR" "Rikyu RD-25TJ" "Takman REX resistance" etc etc

(B) Metal film resistance


TDO resistance
and this is Metal film resistance RSN1S TDO resistance


Charactor: Sound is good low ranges and good high range . if your amplifier does not get good low(Good Bass).
please try to replace of all resistance of Metal film resistance. You will be get good Bass and high frequency
tone. famous resistance are "KOA metal film MOS1/2C " "Vishay Metal film Z201" "Skelton Fukushima-Furaba"
"TDO, Solist or Takman Metal film" "Vishay MBB0207-50F" "AMRA" "Rikyu RO-25CFK"
"Vishay RN65D" "Takman RLF" "Tokyo Koon denpa RD" "Nikkohm solid resistance RP" "Alfa Electronics FLCX"
"Vishay VSR" "Takman REY" etc etc.

so recently I like sound of "Takman REY" and "Takman RSN1S" to get good bass from
my single ended Amplifiers.Nikkohm RP are good too.
REX and REY resistance Takman

REX Takman Resistance Co Japan




Nikkohm Matal ResistanceNikkohm resistanceuse for High End Audio and RF


so Resistance change sound of your Amplifiers.
probably the carbon resitance are good for pre-amplifier and some parts in power supply circuit.
how about you ? please try to use different resistance into your amplifier D.I.Y




2A3 /45/71A compatible single ended amplifier 2012

2A3/45/71A Compatible Single Ended Amplifier Dic 2012



45 Single Ended Amplifier

45 Single Ended Amplifier on Dec 2012



71A Single Ended Amplifier Dic 2012

71A Single Ended Amplifier on Dec 2012




this is circuit diagram

Schematic diagram is above




2A3/45/71A Single Ended Amplifier in Chile 2013

2A3/45/71A Single Ended Amplifier on 2013





Back side of Amplifier, terminals are both impedance and input line are RCA and DIN




Mr Freddy 1

Mr Freddy 's Auido System on 28th July 2013




Naim with 71A 2013 July

And his audio system with Lowther




complate system

Lowther Speaker and his Audio System on 28th July 2013



New Amplifier Schematic diagram


new one 2013 2A3 SET

Just show you small up date 2A3 Single Ended Amplifier on 2013 Mar



2A3/45/71A Single Ended Amplifier in Chile Mr Carlos Westman sent me pictures on May 2013


Back side of Yayoi Amplifier

Just view from Back side of this amplifier single ended XLR using Tamura TK20



Yayoi 71A 2013

As 71 Single Ended Amplifier 2013



RCA245

As 245 Single Ended Amplifier 2013 in Chile



Yayoi


Yayoi in Chile,2013


all system Mr C Westman Chile

Mr Westman's house in Chile 2013 May




Some day Dic 2014 in Santiago, Chile --Demo--

Line up

2 Amplifier 2A3 and 45 and Pre of Mizushima in Chile on 2014



Demo in Santiago, Chile

Mr Daniel Adviz set up Demo with his Speaker System Dic 2014 Santiago Chile



demo 2014 Dic

Demo 45/2A3 Single Ended Amplifier on Dic 2014



The other Story of Amplifiers in my room


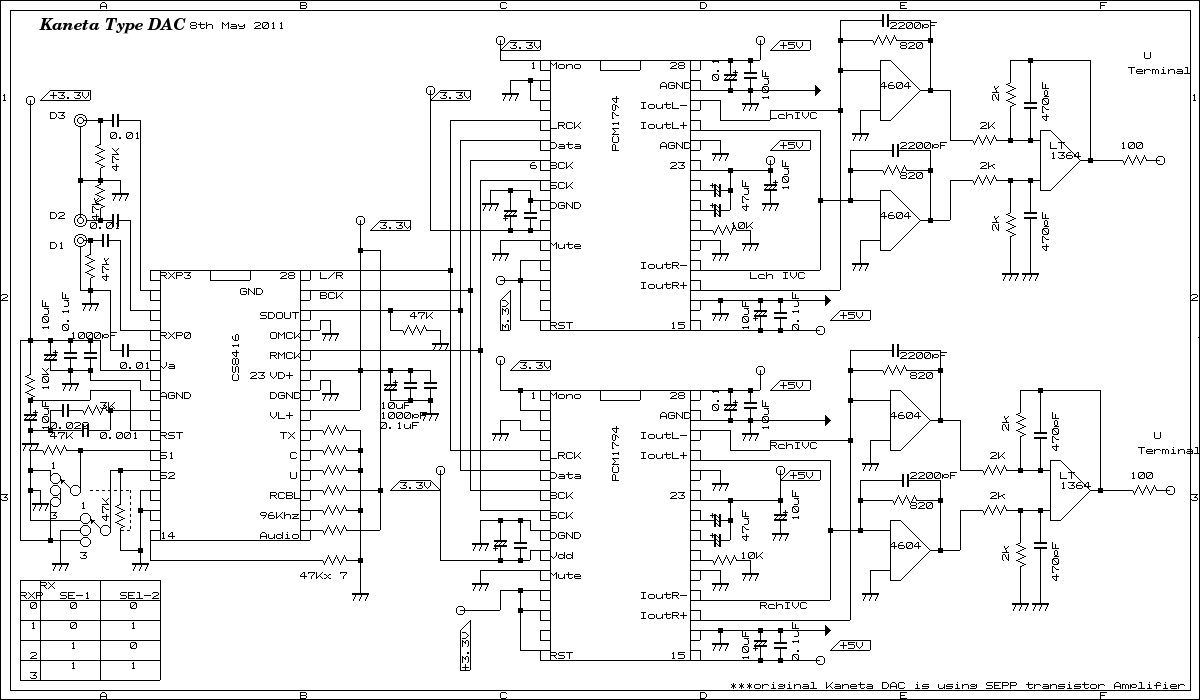
Valve DAC

Valve DAC 6DJ8 SRPP with 24 bit DAC


DAC with 6DJ8 SRPP line Amplifier


Kaneta DAC Circuit diagram if you would like to see IVC DAC Kaneta



6DJ8 differential with 24 Bit DAC

Differential 6DJ8 line Amplifier with 24bit DAC


DAC with 6DJ8 differential line Amplifier

Yayoi Amplifier this amplifier is 2A3/45/71A compatible

2A3/45/71A Single Ended Amplifier this is compatible by switches in Santiago, Chile 2013 May



71A/12A Compatible Single Ended Amplifier just same circuit of any my Amplifiers's so far way from Tango but sound is good


2A3 Single Ended Amplifier 2013


New 71A/12A Single Ended Amplifier

Let's me show you, circuit of 71A/12A Compatible SET by PFM15WS 71A/12A SETAmplifier DIY





71A Single Ended Amplifier Sound on 1st Sep 2013 ,SPl 91dB Speaker System at home



Mr A R 's room


Shishido 2A3 RW Amplifier

This Schematic is from Shishido Files 2A3 Single Ended Amplifier Roftin and White circuit

Nobu Shishido's Files

300B Single Ended Amplifier by Mizushima
300B Single Ended Amplifier DIY on Apr 2016

PAturro

2A3/45 Single Ended Amplifier


Paturro 2A3/45 SET 2014 May Chile

31st May 2014 in Chile VS with Leben CS-300 XS





HO-808 300B Single Ended Amplifier 2017

300B Single Ended Amplifier HO-808 by Hatt Audio Lab



Artisan Audio

Desde Sur de Chile : Mr Omar Villegas almost Valve Amplifier and Music Server



Vinil Savor if do you insteresting

Vinil Savor by Mr Thomas Mayer

he has very interesting site ,show as friendship site link




Perfectus Audio


Nano-Audio

Perfectus Audio from Queensland Australia show as friendship site link

By Mr Ben Johnson


in my house by small LAN and Music

LAN

Sound getting from LAN(home network) and CDP,DAT and LP player

>

Sound source are getting from DAT and DAC under DAT, CDplayer. 2A3 Single ended Amplifier has 24bit DAC inside of Amplifier . one of source came from LAN
File server using samba and test server. 4 PC connected each other by LAN. 2 of Server is using old PC low spec.file server using Samba and fireFly for mp3.
firefly can be connect any type of smart-phone.small system but enough to use at home.so I can replay FLAC ,wav any type of format(codec).
if do you have any old PC at corner of your room.please try to use as file server.It's very good idea.it is very economic and does not need to buy new NAS server.
OS are Linux, free OS.even if do you have modern type of PC ,you can use as Music Server lile Vortexbox and Voyage .etc Ubuntu Stereo too

If there is a pc that you no longer use the obsolete in a corner of your room, then this can be used You can make a Music server. It is also relatively easy. It does not introduce in detail here, but please bestowed the life of a second old PC with your memories. Vortexbox ,Voyage MPD, Ubuntu Studio ,Dephile, Audio Phile Linux and
Any Linux distribution but if use Linux and will be use IDE type old PC ,can be use until Fedora core 4,Centos 4 with old kernel Linux.
almost fabrication date is around from 2006 can be install Vortexbox, Voyage MPD and AP linux.if can not install Music Server please try old Linux version.
de JH1DAS

de JH1 DAS



HO-808 300B Single Ended Amplifier 2017

300B Single Ended Amplifier HO-808 Hutt Audio Lab Japan



Tango 2A3 SET


6U8 pentodo/triode valve drive for 2A3/45 on 2011 Aug



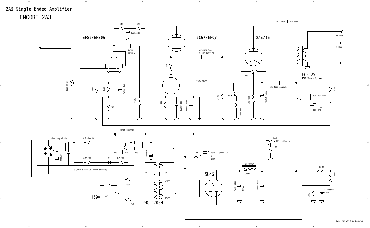
2018 2A3 single ended amplifier

2A3 Single Ended Amplifier on 2018 just show you circuit



Road of laputaas you know



atelier13audio

just please vist there if interesting



OGONOWSKI Transformer

very famous transformer for audio in Europa for Single Ended Amplifier



remnant




46 Single Ended Amplifier Class B(A2)

Price List of Mizushima Amplifier's


I will build up for you PRICE LIST of AMPLIFIERSmiz

this is offer 45 Single only45 Single Ended Amplifier

Kanto Sandokai Audiophiler Meetings , please make click next line if do you interesting about Japanese Amplifier builder


Just Let'me introduce you Japanese Amplifier builder meeting at Kanto Area please make click next line

KANTO SANDOKAIAudio Builder Meetings translated by Google Please Watch!!

How to get Japanese TransformerAcoustic Dimension from the Netherlands

If would like to know more ?information or order ?




7th Avenue


last up date 4th April 2025 from Yachiyo Chiba Japan

since 9th July 2008 from Sakura with Linux

Single Ended Amplifier D.I.Y 2008 - 2025 By JH1DAS ex WB4ACI/CE3

how good sound 2A3 Single Ended Amplifier