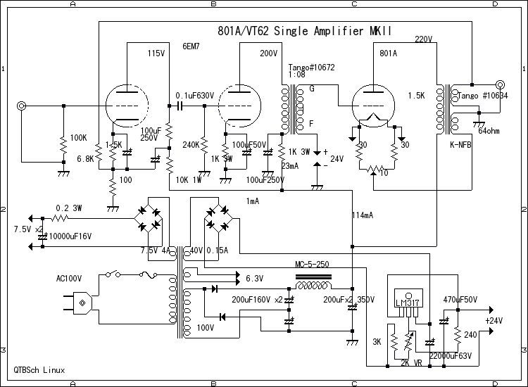
VT 62 Single Ended Amplifier by Nob Shishido Type

アクセスカウンター

this counter started 20th Sep 2019

Japanese

Mr. Shishido: I think you were the world famous vacuum tube designer as Nob Shishido. I heard that in 1998, I was working for Kyodo News. He lives with me
he lived in Yachiyo City, Chiba Prefecture, right next to the city. We were informed that we were from National Radio High School graduation. Famous here
I think it was Have uthority AudioPhile. He was a person who was active in the Sony shop. For some reason I was not acquainted. Was there any resistance? I do not know.

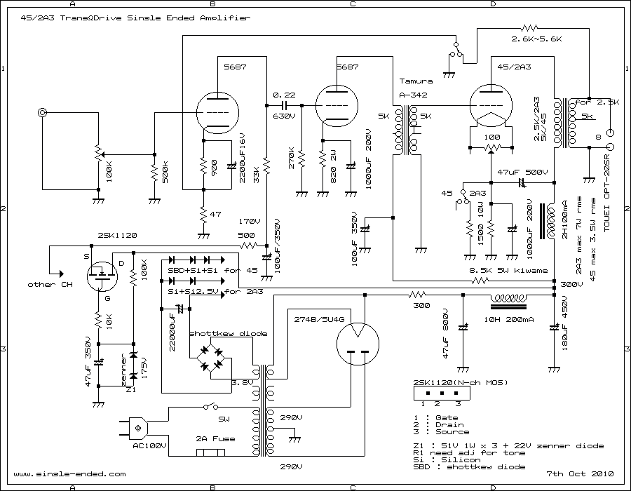
2A3 single trans-drive

2A3 Single Ended Amplifier trans-drived on 2010



schematic diagram 2A3

2A3 single ended trans-drived on 2010






VT62 Single Ended Amplifier but transformer drived see circuit.




SV 811-3 Single Ended Amplifier same amplifier different valve


2 of ShiShido Amplifier


shishido amplifier


shishido amplifier


shishido



This RIAA first stage is modified by Mr Victor Serrano in Germany




Vt 62 set

VT62 Single Ended Amplifier testing 24th June 2022 fine..



SV811-3 Single Ended Amplifier


7th Avenue


since 28th July 2010 latest update 21st June 2023

©Mizushima Audio Laboratory

How to build up Amplifier Single Ended Amplifier 2014-2022