2A3 Single Ended Amplifier with Tamura F475


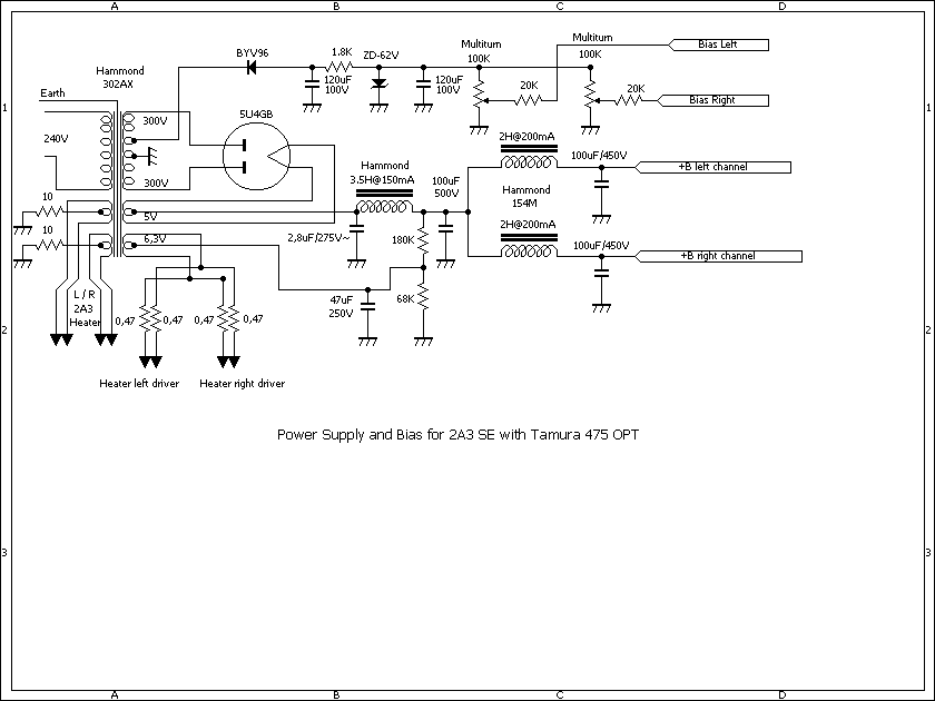
EL fuente de poder para 2A3 SE

Tamura F 475 2A3 Single Ended Amplifier in Germany 2009



"Durandal Dreams" since on 10th May 2008 up date on 22nd May 2009
K  Mizushima a part of 6550 Single Ended