不思議な世界
|
this counter started 27th Sep 2023
🇺🇸English
AK4490DAC と Nanopi 前書き
AK4490REQがマウント済みで格安で秋月で販売されている事に気が付きました、私の様にコロナで本職を放り出された人間には自作の世界はなくなってのでしょうか?そうではありません
そこでこの優秀と言われるDACを使って見ましょう。インターフェースを作る方法には2つあります。もっとありますそれはI2SとI2Cを使います。
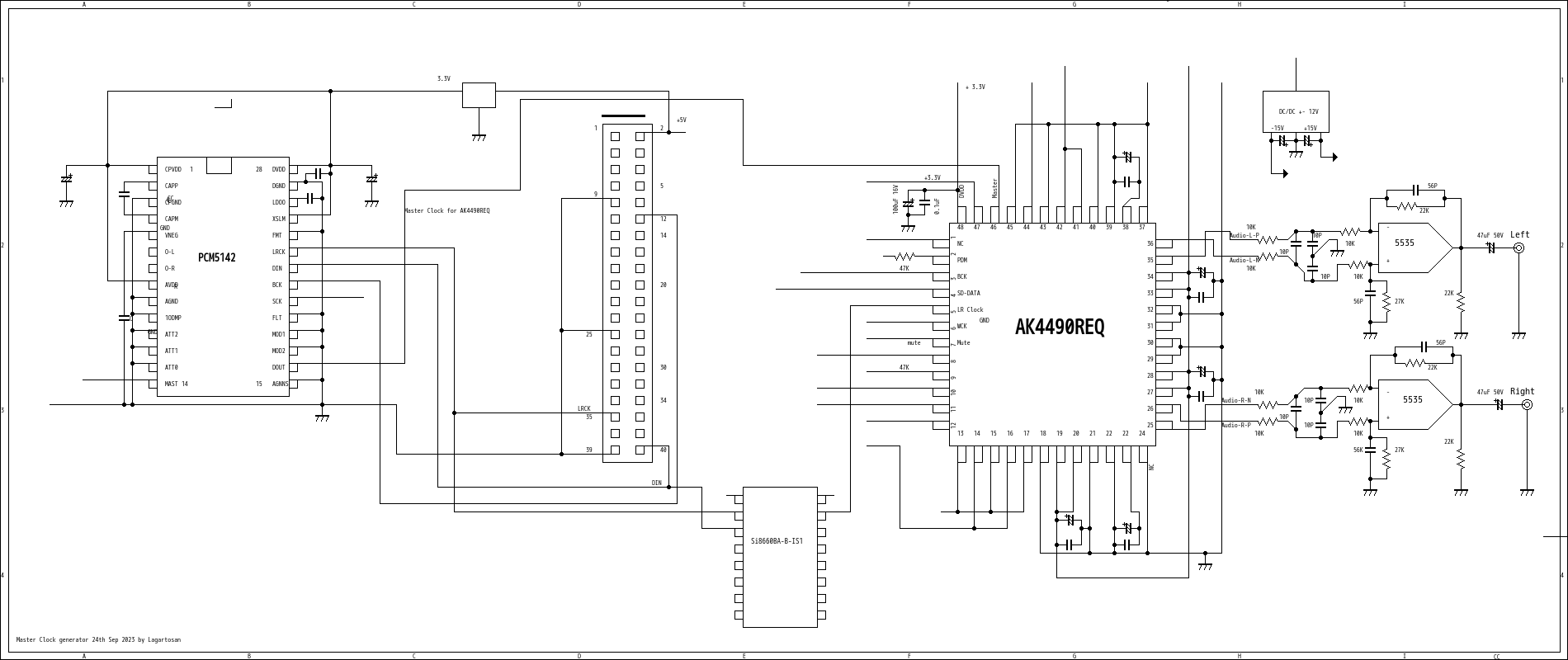
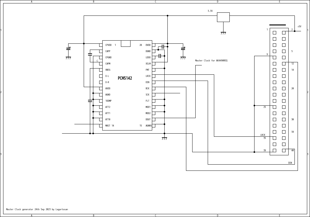
1) PCM5144 などのマスタークロックアウトのあるDACを使ってマスタークロックを作る
2) Si5351A を使う方法
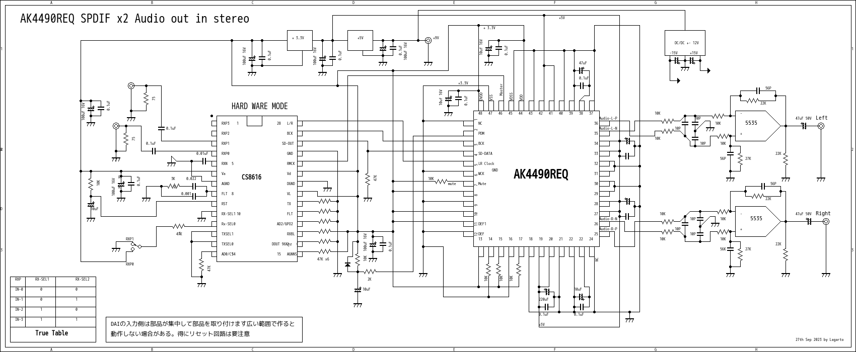
3) CS8416 を使う方法 つまりDAIを使います
4) マスタークロックを持つ Arm ワンボードCPUを使う方法
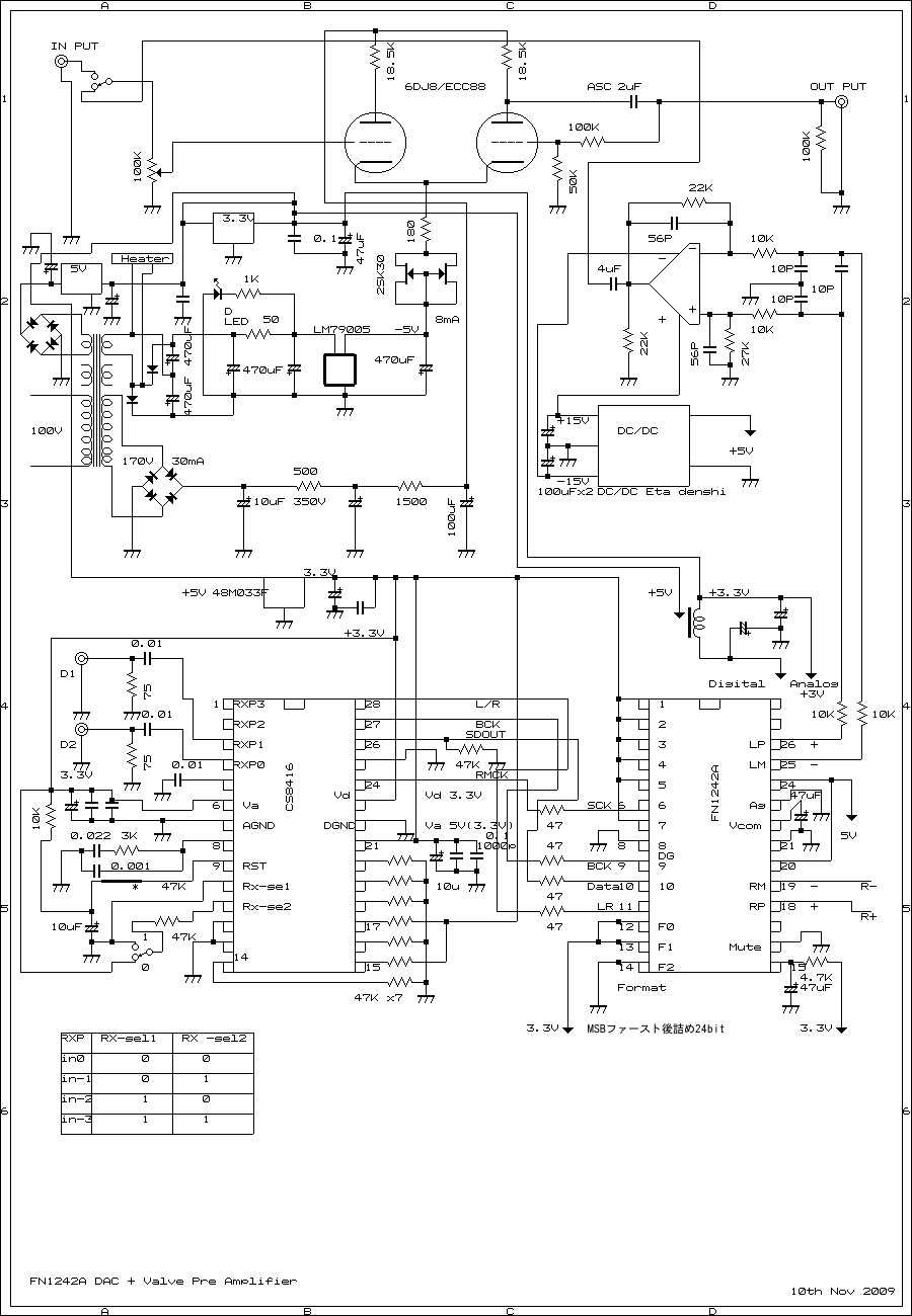
等があります。もっと良い方法があると思います。あまり頭を使わないで考えましょう。SKILLの問題もあります。過去に作ったDACの回路図を紹介しておきます。
部品は安価で入手出来ますが、これからはSkillがあるかになります。部品が入手出来てもこれで満足は出来ませんので個々の勉強が必要になります。
次、
ドライバーのバイナリーを押し込んだら、Nanopi-neo2のOSが壊れてしまいました。それはalsaがアップデートしたと思われます。
そこで立ち上がらなくなったのです。ドライバーはBootの中にありますので、それで再起不能になったのでしょう。ここで判ったのは
最新のバージョンではalsaのインストールがPython 3.11の関係でalsaがinstall 出来ないのです。py 3.11以上のalsaが開発されれば良いのです。ついでにninjaも同様です。
この状態では音が出ませんので、OSをマイナーバージョンアップとなりました。DACはオーソドックスなDAIを使ったDACになります。その他もう一つ入手しましたので
その他の方法つまりI2Sで音を出そうと思います。 時間がかかりますが、
Ref: Akitsuki
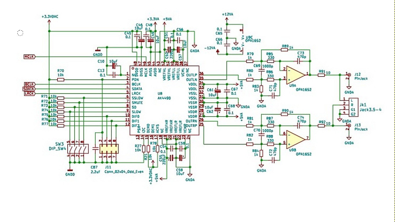
AK4490REQ Data
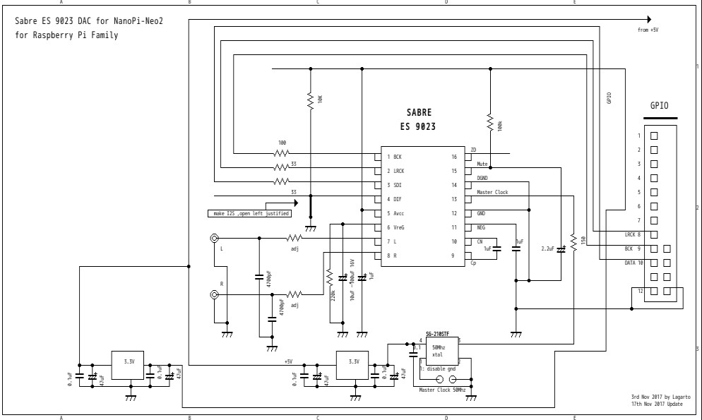
M9000 DAC
Idea 1 using SPDIF input DAC
this one is using with nanopi-neo with master clock unit
often using this type of interface for AK4490REQ or the other DAC need master clock
まだ始まったばかりです。ペンディングの製作中の真空管アンプが10台近くありますのでそれらを仕上げてからですが、現在は中国製の30ドル程度のSPDIF DACを使って
います。音はまあ悪くはないですが気持ちが満足感がありませんのでAK44090REQ DACの製作を急ごうと思います。若者だったら時間もかけずにできるのでしょうが
年齢もあって中々出来上がりません。お時間を頂きたいと思います。気がついたらまたお越し下さい
ちなみに、si5351aは能動型のクリスタルが搭載されています。このユニットは500円でした現在売り切れになっています。優秀なユニットです。
Master Clock unit
sold out they said
Ref : DAC
Master Clock Get from PCM5144 small IC is digital isolator
Since on 27th Sep 2023 and update 30th Mar 2024 Yachiyo Chiba Japan

Single Ended Amplifier D.I.Y
How to build up Amplifier Single Ended Amplifier 2004-2024