6AC5 Single Ended
Amplifier
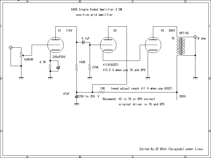
Just tell you very simple circuit,if you can get for diver
of 6AC5 is 76 and 6P5 better than 6CG7 Noval.because 76 and 6P5 has
already
-13.5V
grid bias.at 250 V plate voltage.so you can get easily into 1st grid of
6AC5
P+
+13.5 V.you can get very sweet sound like a RCA 45 .out put transformer
is
7 k ohm
or 5 k ohm.circuit is indicated next.

