300B Single Ended Amplifier
Please see with Firefox better see on your PC
about my site http://www.single-ended.com was
Note:
It was suddenly deleted from Google's search site data from November 10th 2022. so please use Bing , Ecosia to search all my sites.
No hits on Google, I take this as Google's harassment of my site. Why?
Please don't use the anti-social organization Google.
We recommend search sites such as Bing or Ecosia.
In November 2022, it was removed from Google's search list without any notice. this is a crime.
At least give a reason and for whatever reason it will be removed from the search list
Google should give you an email or a notice. I lost my trust in Google. We apologize for any inconvenience caused by your site. Even if it is small, the loss as a company will occur.
I hope you will compensate me. CEO Kenji Mizushima
Note3:
Google unknown search results, videos, images, etc.
Motivated to use Pinterest, which is famous for scam sites, etc.
We support it. These images are of course copyrighted.
Piterest is a scam site. You are copying the original images without permission. Google is ignoring those images and duplicating them, and it seems to support these thief sites. Google, this is illegal. Thinking that a big company can do anything is the key to fraud and thief sites.
Let's watch out.

300B single ended Amplifier

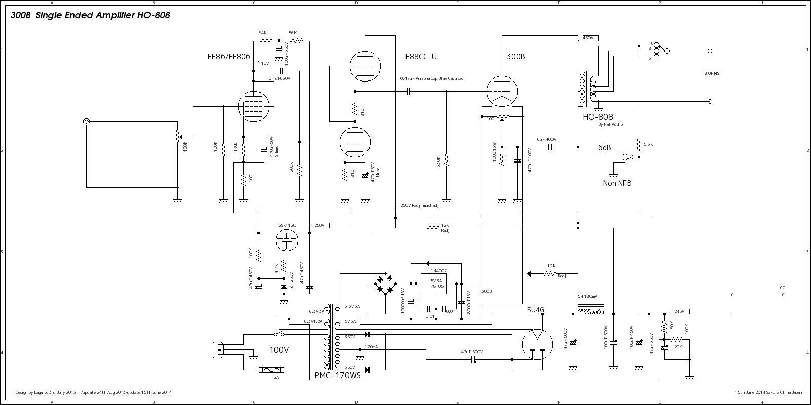
Next one is Hat Audio HO-808 Single Ended Amplifier 2014
Latest up Date 25th Nov 2022 in Sakura Chiba Japan
Single Ended Amplifier D.I.Y
how to build up Amplifier KT88 and 300B 2003-2022