300B +801A SE Amplifier D.I.Y
|
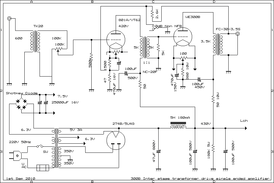
Introducing 300B Single Ended Amplifier drived 801A by Inter Stage Drive
just planing 300B Single ended Transed drived Amplifier
(since 1st/Sep/2010)last up date 1st Sep 2010 from Sakura Chiba Japan

Single Ended Amplifier D.I.Y
How to build up Amplifier Single Ended Amplifier 2010