*  2A3 SE Amplifier D.I.Y 2010


カウンター

this counter startrd 20thOct2010


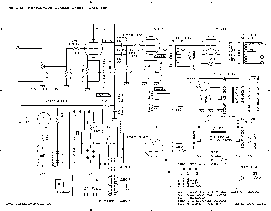
2A3/45 Single Ended Amplifier by IST 5687



This time I am doing version up model 2A3/45 Transformer Drived Single Ended Amplifier
Driver tubes are 5687, double triode computor valves.consist 2 stages C-Couplig Drive.
C is using Toichi Vitamin Q oil paper capacitor.then drived by Inter-Stage-Transformer ISO TANGO
NC-20F.Audio OUTPUT Transformer are XE20S same as WE417A / 2A3 Single Ended Amplifier.
this amplifier is compatible for 45 and 2A3 valves.change filament voltage with one of Switch.
45 and 2.5 are same filaments voltages but power supply does not have regurator for filaments of eah other,
so have to reduce voltage for 45 around 0.5 V from 3.0V,

Max power is 3 W rms for 45 and 7 W rms for 2A3 getting from Transformer Drive.
45 sound feel like not 45 original sound from this amplifier.off course 2A3 single ended amplifier.
if same circuit using for 300B ,good enough 300B single ended amplifier than C coupling amplifier.
I thought , I feel ,sounding is 100 time good than WE417A drived amplifier.very clear
and good tight low but non NFB amplifier. feel like some low NFB Amplifier with NC20F
sound is need adjust with resistace of 2ary of NC20F(terminated resistance).
2dary of NC20F resistace are choose 47Kohm , sounding is 100 time better than open.
now I can use with termination resistance because drive amplifier has enough gain.
7119, E182CC , 5687,5687WB,7044 valves can be use as this driver.
1st stage's plate current is around 3mA and 2nd Stage is about 15mA,1st stages are regurated
by MOS FET regurator. 1st stages +B is 215V regurated by Zenner diode with 2SK1120.
each driver power supply are using Black Gate capacitor.
result: sounding is very natural and very clear sound getting.sound is very musical.
and not choose music,good for any kind of Music.getting good bass and mid, high are very
clear.if are you interesting ? please see schematic.sound charactor can be change with
load of first stage 5687 and cathode resistance of 2nd stages and B+ of 2nd stage.
2nd stage plate current is 15mA, this time I got good sound.but if going up 20mA does
not get enough high frequency response.7044 plate disspation is a little bit up so
be carefull to use.no same as 5687.if amplifier is osclation cause of high conductance
please connect 1K-7K ohm resistance between input and 1st grid circuit.same way
input of 2nd driver amplifier.indicated as Rp first one is 1.5K and 2nd one is 1.2K ohm.
if does not get noise when move potentiometer,It's not necesary to connected Rp resisitance.
2nd 1.2 K ohm Rp is very effective.sound quality are same.

Note: Yamamoto Noval socket is very expensive and very bad quality.I do not like
these kind of aficion product. Yamamoto socket are not so good. and made damege of
valves pins.why I did use ? because client would like to use.only one thing.
recently chinese valves socket are very cheap and very good quality.I do not would like
to use Yamaoto product any more. very bad.
these kind of amplifier needed at least 91dB/m/w speaker system.over 92dB is best.


Sound of this 2A3/45 single ended amplifier is very great.about 45 is like 2A3 single
2A3 is just like 300B single ended sound getting.what do you think ?

This Amplifier real cost is appx USD $ 5000 dollars.
Note:if would like export your product into south asia and china.they (transfer company
logistic company)does not care quality of merchandise. any thing throw a way ,,,,,,,,,
off course getting big dameges. chinese and south asian logistic company does not care
about package condition.if would like to send packages to these area, have a lot of
"big Risk".chinese logistic company is like thatChinese EMS



Is Inter Stage coupling Amplifier good ?

I said, I do not like sound of inter stage couplong amplifier.you can build up
good amplifier with C coupling and better than IST coupling Amplifier.
Inter Stage Type is only 2 thing is good
good bass and more power than C coupling Amplifier.

リメーク版です、5687の2段C結合アンプでドライブしたインターステージ・トランス・ドライブ・シングル・アンプ
です。無理にNFBを設けず、NON NFB としました。構成はWE417Aのドライバーの回路に似ていますが、5687の2段増幅アンプと
しました。試作機でもトランスこそ違いますが、結果が良かった為にこの回路を選びました。
NC-20Fの2次側の終端抵抗(ダンピング)は色々試して、47Kにしました。
開放は確に明るい音がするのですが、ダンピング抵抗を付けると、10倍以上、音が良くなります。100倍良くなったと
言っても過言ではないと思います。

不安素材: Black Gate コンデンサーの耐圧は350Vであった為、家庭電圧が、不安定な、インドネシアでは、
ちょっと、不安ですので、このコンデンサーはドライバーのバイパスに使いました。分離も良く、とても 2 チャンネル・アンプ
とは信じがたい音になりました。フィラメントはショットキイ・ダイオードを使っているせいでしょう、とても
静かなアンプになりました。100点満点のアンプであると思います。音がいやで、1度程度しか聴いてないCDを
取り出して、好きな音源に変りました。

初段の負荷を低くすると、音の傾向が固くなり、歪みっぽくなりました、元を定電圧にしようと、まったく同じでした。
球に流れる電流を少なく、負荷の値を大きくしたほうが、歪み感が少なく、36Kオーム程度が良いと決めました。
せっかくNC20Fを使っているのですし、良い様に特性を出してみたいと思いました。
音は細く、そしてソースによっては、綺麗な締った太い音の低域になったと思います。
なお、ボリュームは東京光音電波のプラスチック抵抗を使ったCP-2500を2個使っています。とても良いボリューム(アッテネータ)
です。自分で使うには、マルツで売っている、210円のR1610G が良い。高級ボリューム以上の音がする。

注)このアンプは、WE417A で1本でのドライブのアンプでした。外国のサイトでこの球を使ったアンプの音が素晴らしいと
紹介されていたのですが、それを見た人たちは、それを作って欲しいと、事が弾んだ訳です。ところが、
音があまり良くはなく、とりあえず、以前、全段差動PPのヘッドホーンアンプで使った手持ちの5687を使いました。Tung-solのものですが
プレートの色が黒いものと、灰色にくすんだものがありました。評判では、灰色にくすんだプレートの物が良いと
情報を得、とりあえず、更に2本 灰色を見つけました。秋葉原の某所です。音は歪み感の少ない音なんです。
これ、白箱を入れて1050円也です。 秘密の某所の秋葉原にもまだ、探せばあります。5687WB はまだ安価の部類
ですので、新品を購入した方が良いかも知れません。何より、NC20F を使う必要はないと思いますので、NC16あたりや
ソフトンのインターステージトランス等を使っても良いと思います。

音が変る点: ドライバートランスの2次側のダンプ抵抗、2段目のドライバーアンプに流れる電流と+B電圧、
初段に流れる電流と+B電圧です。

45と2A3の切り替えは、最近売られはじめた、4連大型のスナップ・スイッチを使いました。容量も大きく、
頑丈に作られていますので、何もリレーやロータリースイッチにする必要はないと思います。
なお、ドライバーには、5687,5687WB,7119,E182CC,7044がそのまま挿し換えが出来ます。
7044 多少、陽極損失が大きい様ですので注意が必要です。
なお、発振するようでしたら、入力回路にシリーズに1Kから5K程度の抵抗を入れて下さい。
白い色のプレートの5687は、発振しませんでしたが、黒いプレートのものは、多少発振気味となりましたので
初段のグリッドにシリーズに1.5Kを挿入してあります。また、2段目の1.2K オームの抵抗も必要です。
このパラスチック止めの抵抗を入れても音質が変る様なことはありません。なお、発振気味でなかった場合は
必要はありません。上でも記しましたが、2種類の色のプレートがあり、黒色のプレートでは、ボリュームを回した時に
ごそ、ごそと音が出ていましたら、発振しています。シンクロをつないで見れば超高域で発振しているのがわかります。

2段目のアンプの+Bの電圧を上げて、20mAあたりにしましたが、低域よりの音になり、歪み感も増して、この
値は調整が必要です。15mA程度が良いと思います。
お客様の希望で、山本工芸の真空管ソケットを使って欲しいと言われて、この山本工芸のソケットの質の悪さ
と、高額な値段にには驚きました。良質な中国製のソケットを入手できる昨今ですが、私なら中国製を使いたい
ところですが、頭の固いお客には負けましたが、二度と使いたくない山本工芸製の真空管ソケットです。

ところで、わがままなお客でした。ハイエンド・オーディオ・ショップを持ちながら、半田ゴテも持ったこともない
店主、まして音響の知識はまったくなく、86dB位のスピーカで数ワットのアンプを鳴らそうと思っているのには、
困惑しました。部品の値段が高ければ音が良いと言う考えの持ち主で、これには困りました。
ところで、お値段は、色々な訳があって、USD$ 5000ドルほどになりました。これもお客がわがままで、
無知識で非常識であった為です。

インターステージアンプの特性

C カップリングでも十分に似た特性のアンプを製作出来ますが、ワイドな自由な音を望むのであれば、
C カップリングのシングルアンプであると思います。
ただ、容易にパワーが取れます。2A3 であれば、7W 近く出ますし、魅力的です。音も帯域が狭くなりますが、
低域に関して言えば、NC-20Fを使う限る、ドーーンと言うバスが出てきます。
-------------------------------------------------------------------------------------

お客様いわく、とても良い深い低域、とても明るいクリアーな中高域で、今のところ、気にいった音と言っていました。
低域は、得に素晴らしいと言っていました。5687とNC-20Fの威力でしょうか?。

注意点:中国系のところに輸出する場合、配送業者は荷物を投げる習慣がありますので、重いアンプは当然のことながら
壊れるリスクがあります。気にしないで、配送業者に責任を問うべきです。または、この地域には輸出するには、
高価でも良い配送業者を選ぶことです。保険も懸けて万全をきする事です。とにかく、投げる習慣には参って事です。
何かが欠けている民族です。地域としては、シンガポール、インドネシア、中国、とにかく、日本を除く地域は荷物を
大切にはしません。中国業者のリスク

Characteristics of interstage amplifier

You can create an amplifier with similar characteristics using C coupling, but if you want a wide and free sound,
I think it's a C-coupled single amplifier.
However, you can easily get power. 2A3 can output nearly 7W, which is attractive. Although the sound band becomes narrower,
When it comes to low frequencies, as long as you use the NC-20F, you'll hear a loud bass.
-------------------------------------------------- -----------------------------------

Customers have said that they like the sound so far, with very good deep low frequencies and very bright and clear mid- and high-frequency ranges.
He said the low range was especially great. Is it the power of 5687 and NC-20F? .

Note: When exporting to Chinese destinations, delivery companies have a habit of throwing packages away, so it is natural that heavy amplifiers will be shipped.
There is a risk of it breaking. Don't worry about it, you should hold the shipping company responsible. Or to export to this region,
Choose a good delivery company even if it is expensive. It is also important to take care of your insurance. Anyway, it's a good thing to get into the habit of throwing.
They are a nation that lacks something. In terms of regions, Singapore, Indonesia, China, and any region other than Japan do not accept luggage.
I don't value it. Risks of Chinese vendors
Circuit(schematic is next)



NC-20F drive with 5687

5687 Drived 2A3/45 SET schematic diagram



2A3/45 single ended 5687 drive

New style 2A3/45 Single Ended Amplifier



2A3 45 compatible SET Amplifier

2A3/45 Single Ended Amplifer IST by 5687 Drive



Testing 2A3/45 Single Ended Amplifier

Testing with RCA 45 ,5687 Inter Stage Transformer drive



2A3 and 45 SET Single Ended2A3/45Amplifier


(since 17th/Oct/2010)last up date 1st Nov 2023 from Yachiyo Chiba Japan


7th Avenue


Single Ended Amplifier D.I.Y

How to build up Amplifier Single Ended Amplifier 2010