*  71A/45 Hashimoto H-20-7U Single Ended Amplifier DIY
Hashimoto H-20-7-U 45/71A Single Ended Amplifier his name is Fervox


Fervox 2014 july



アクセスカウンター アクセスカウンター

this counter started on 26th May 2014



🇺🇸 English

Fervox 45/71A Single Ended Amplifier July 2014

Fervox 45 and 71A Compatible Single Ended Amplifier ,only you can use 45 and 71A for JBL Horn



Just starting build up Fervox 45/71A Single Ended Amplifier,An Amplifier name is Fervox , this 45/71A(Native) and 2A3(No Native)different condition use.
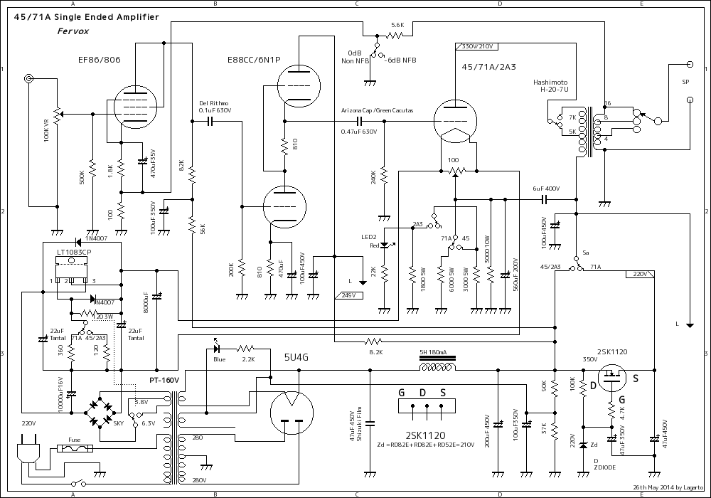
customer would like to use only 45 and 45 family tubes.so I choose this high impedance audio transformer for 45 and 71A single ended.
Audio Transformer are H-20-7U semi universal audio transformer.specially for high plate load tubes.like 45 ,71A and pentodo.this time use for 45 and 71A
bias is change by 2 switch and one of switch for filament voltages. voltage regurator is using for 2.5V but 1.25V refference x N, 7A LT1083CP and 6 addtional resister with
Switch .input AC line of 6.3V and 3.8 V will be make about 5V DC and 8 V DC for regurated 2.5V DC and 5V DC.
Audio transformer are specially for 45 and 71A high impedance transformer.this one can be use for high impedance pentode valves and transmitting valves such as
VT62 and RCA 50 too.this audio transformer can be use for them.H-20-7U is model name of Hashimoto. (Department of transformer of ex Sansui CO Japan)

71A necessary 220V DC for plate ,,so using N channel MOS FET for regulator down to 220V .please see schematic diagram for detail.
This is High gain amplifier using.EF86/EF83/EF80 + E88CC + 45/71A will be make good sound.sometime need attenuator for input line.even can be use L pad.

so This Fervox SET can be use 71A , 45 and 2A3 family and 300B too . 2A3 family can be use position of 5 K ohms impedance when connected 16 ohm position with 8 ohms
speaker system.bias switch is position of 2A3 made around 818 ohms .rectifier will be use 5U4G and if use 45 with 5V4G.
7 switches are top of panel. 1)Speaker impedance selector ,2) NFB ,3) filaments voltages ,4) bias and 5) +B for 45 and 71A ,6) transformer impedance and 7) 2A3 use.
many switch to change each bias and impedance etc but you may use many valves for test.even you can use WE275A too but very expensive valve.
may be can be use 183 ,483 and WE275A too.....

183/483

183/483 also you can use position of 71A ,will be get 1.5 W rms but difficults to get one.

>

filaments circuit for 45 2A3 and 71A even 300B

Filaments circuit for final power amplifier valves


Filaments circuit is show above and using LT1083CP 7A regurator(LDO) this regurator IC is just same like LM1084 National Semiconductor's.larger scale of IC show next.
2.5V for 3.8 V AC and 5V for 6.3V AC from power transformer.shottkey diode are D15XBS6

Voltage Data: 3.8 VAC => shottky diode => 5.01 V then LT1083CP 2.49 V DC for 45 and 2A3
and 6.3 VAC => shottky diode => 8.09 V then LT1083CP 5.01 V DC for 71A and 300B

LT1083CP LT

change filament voltages with 2 of double throw switch.very much stable filament voltages but if 6.3 V made 2.5V 2.6A will be get high temperature of surface of heat sink.
so must be change source voltages when change voltages. (Note: 2 circuit of double throw SW can buy local shop )
4T SW
this switch is very useful for DIY Amplifier ,etc and much better than digital circuit and some kind of relay.


71A 45 compatible single ended amplfier

This is Fervox 45/71A Single Ended Amplifier schematic diagram on 26th May 2014



Arizona Cap Green Cacutas 0.47uF

Coupling capacitor are using Green Cacutas (Arizona Capacitor USA)




As 2A3 Single Ended Amplifier 5th July 2014

2A3 Single Ended Amplifier ,16 ohm connected 8 ohm speaker with plate imp is 5K ohm postion

>


45/71A Single Ended Amplifier 5th July 2014

45/71A Single Ended Amplifier normal conditon use

>

45 and 71A sound stage are good enough ,I am using 91dB/m/w low sensibility speaker, enough to use small room.hum level is less than 0.5mV
2A3 sound stage is super just like 45 sound but much power of 2A3 SET.good charactor getting from Hashimoto H20-7U high impedance transformer.
off course if do you have 843 and WE275A original can be use with this amplifier. even nothing problem with 300B .
as 2A3 single ended amplifier sound is super.....!!!!
Note: for FET regulator . please use zenner diode are 0.5W 100V + 100V + 22V in sires when connected 100K ohm .will be get source 220V +B when use
71A Single Ended Amplifier.which ever 0.5W 82V +82V + 54V are good combination too. name is RD82E E means 0.5W .and be careful to use safix is F
is 1 W so different current of Zenner current. RD82F is 1 W please calculate correct resistance value.any way use half watts zenner diode.

Sound Testing





Stacey Kent sing 45 Single Ended Amplifier at home(using fladance mp player) 1.6W


Data: Yamaha NS300 91dB/w/m Speaker , DAC Pioneer DO6(DAT), and Yamaha old CD player.
Amplifier is H20-7U Hashimoto(Sansui) Transformer and Delco 45 + Driver E88CC JJ + EF86 EH rectifier is 5U4G RCA recorded on Sakura Chiba Japan.
Camera is small digital camera by Canon IXY. MVI change format to mp4 by Avidemux(Qt)under Linux FC18 .Disc is CANDID stacey kent the boy next door King Record 2003.


Joe MacBride plays



Diana K Sing song by Fervox Single Ended Amplifier



日本語による説明


この様なアンプの肝心な点は、フィラメントの電圧です。同時に各電圧を切り替える必要があります。必要な電圧は+Bが300V~と、フィラメントの+2.5V と+5Vとなります。LM338でも出来るのですが、
入力の電圧と出力の差が大きいと、かなりの熱消費となりますので、+5Vでは良いのですが、+2.5Vでは、6.3Vを整流した電圧では差が大きいためにヒートシンクがかなり熱くなりますし、熱暴走します。
別にどこかのサイトを参考にしたわけでもなく、同じ結果になりましたが、これでかなりの時間がかかりました。(熱暴走すると下側に出てきますので、比較的安全ですが、プロテクタが働く?)
トランスの3.8V つまり2.5Vの逆方向の巻端のタップを使います。この使い方はもう数年前から私の製作したアンプではそうなっていますが、0Vが6.3V 6.3V が0Vとなります。よって2.5Vの正規の端子は
3.8Vとなります。良質なトランスでは多分この巻線は同じ線径のはずですので、3.8V の3Aはとれると思います。これをシリコンダイオードのブリッジで整流すると都合良く、3V 程度が出てきます。負荷を
つなげ、2A3をつなげるとほぼ2.5Vになります。これでは、ここにレギュレータをぶらさげることが出来ない為に、シリコンダイオードではなく、ショットキイダイオードのブリッジで整流します。
5V以上が出てきますので、その後の回路にレギュレータをつなぎます。LDOと言うPC用に開発された、低損失の3端子レギュレータを使って2.5V を作ります。LT1083CPと言うICです。
秋葉原では、マルツと千石においてありますが、マルツの方多少安い様です。都合2個使います、調整固定抵抗を使って、5Vと2.5Vを作ります。それをスイッチで切り替えます。
結局は、千石でLT1083CPを2個と大きめのヒートシンクを購入しました。このICは、見た目も大きく、最大7.5Aとなっています。光南電気(ラジオデパートの2F)で、LM1084を見つけたので4つ実験用に
購入しました。これは同様のもので、最大電流が5AのローロスのICです。380円でした。ちなみに、千石のLT1083CPは一個 1880円でした。マルツでは2500 円ほどします。(2014,June)
大きめのヒートシンクを使えば高価なICを使わなくても構いません。380円のLM1084で十分であろうと思います。


5Vの時は6.3Vの整流したものを使い、2.5V は3.8Vのそれを使います。
ちなみに、ショットキイダイオードのブリッジで2.5V AC を整流すると2.5V DCになります。国内で使う分にはこれで良いのですが、外国の場合はこれは使えませんので、3.8Vを整流した電圧を使います。
220V の国はオーストラリアなどの地域を除いて、南米などは公称 220V と公表されていますが昼と夜では電圧が違うのが普通です。とにかく電線の口径が頼りないほど細いのです。
これが原因か不明ですが夜と昼では215V~235Vと言った様に、かなりの変動があるのが普通です。230Vでも220Vであったり、220Vなどでは昼間は230Vになったりするのが普通です。
(注:南米などの220V地域では、街路に立っている電柱は、四角いコンクリート製で、電線は頼りないほど細く、日本の電線の半分以下の重量であろうと思われます。220vなどの高圧での供給は
国土が広い為に設置が容易なように、電線が軽く出来ているのであろうと想像します。)
ちなみに、ショットキイのブリッジは1個 200円の物です。(秋月で購入)ヒートシンクを付けると15Aまで取れます。前回のアンプで実験済みですが、5A前後が無難な値であると思います。
D15XBS6 が品番です。数年前、インドネシアのお客様のアンプには数千円もするショットキイ・バリア・ダイオードを使ったのを思い出します。だいぶ安くなりました。前回のものは造りも大変丁寧でした。


スイッチが7個もついている、”弁慶の寄せ集め”のシングルアンプです。半導体などを使っていっきに、自動でも構わないのでしょうが、細かく設定することが出来るアンプも必要であると思います。
結構この方式が好まれるのが実状です。パチパチを儀式をするアンプが私のアンプです。5kΩ・7KΩのトランスですので、2A3と300Bはご愛嬌で付けることにしました。どうせ16Ω端子もついていますし、16Ωに8Ωを
つければ、5kΩでも2.5KΩとなりますし、ただ正規の特性は出てきませんが、何も5Kで使っても余り変わらない音がするものです。
71A ,45 シングルですので、この2つの真空管はまともに動く仕様にしました。橋本トランス様は1ヶ月が納期とありましたので、まだ10日ほどしかたっていませんので、ただ じーっと、、待つのみです。
電圧の切り替えですが、調整抵抗のみで切り替えるとどうなるか?
かなり大きなヒートシンクが必要になります。それは、2.5V時に最大の電流が流れる為供給側の電圧が高いと低い電圧を得る為に熱ロスとなります。
これがかなりチンチンとなります。供給電圧が小さい場合はロスが小さくなりますのでその分熱のロスが少なくなりますので、やってみるとわかりますが、ヒートシンクは比較的小さいものでも間に合います。
2.5A流しても温い程度です。実際は大きなヒートシンクを使った方が安全です。

heat sink LT1083CP

Heat Sink are 2 of them. 2個のヒートシンクをシャーシの端に取り付けました、

2個の中型のヒートシンクを内部に取り付けました、小さな基板は電圧切り替えの為の外つけ基板で抵抗と発振止めのタンタルとダイオードです。5V は5.01Vとなり2.5V は2.49Vとなりました。
まあこの程度で十分であろうと思います。フィラメント回路までは比較的太い線材を使います。細いと電圧がドロップします。
なおショットキイダイオードは秋月で200円の D15XBS6 を2個、特にヒートシンクを使っていませんが、アルミ端をワッシャーの代わりにして、シャーシにぴったりシリコングリスを塗布してネジ止めしてあります。
ヒートシンクがないと数アンペアしか流せないとのことですので、必ずヒートシンクをつけてください。とても良いショットキイダイオードです。ノイズも少ないし、まあLT1083CPを付けるのでノイズに関しては
これで十分ですが、特に3.8Vを整流するので、リスクが少なくなります。出力差の電圧は2.5Vですが、この電圧は少ない方が熱損失が少なくなります。1.5V 位が良いのですが、ここはぴったりいきません。
まして外国で使うのでそどんな電圧が来るかわかりませんので、2.5V差は良いと思います。210Vに下がっても3.6Vとして4.8Vですので、まあうまく行くと思いますが、熱が沢山出ます。


ちなみに、今回使う カップリング・キャパシターはアリゾナ・キャパシータのグリーン・カクタスを使います。前回のブルー・カクタスより大きな形のキャパシターです。
注)このグリーン・カクタスはスペック社より2014年4月より販売 大きさは28mm x 60mm で大変大きく狭いシャーシ内の為取り付けにくい状態です。
音は良いが、リード線が細く切れやすい、振動などで切れる可能性があります。補強に銀メッキの撚線を取り付けました。

Arizona Cap Green Cacutas 0.47uF

今回は2014年4月に販売された、グリーンカクタスを使います、ブルーカクタスより一回り大きいと言う感じを受けます。

>

グリーンカクタスですが、仕様 詳細はスペック社のHPを参照お願い致します。大変大きなキャパシターです。大きい為にSRDSL-8HGでないと中に入れることが難しいと思います。
横長の9HSなどでは、場所に一苦労すると思われます。東ーの銅箔のフィルムを何度か使いましたが、大きく込み入った中に入れるのは大変苦労しました。

補足:2A3はこのまま使ってもまあ良いかなと思います。
300B はどうでしょうか? 2A3のポジションで、プレート負荷は考えないとして、71Aのフィラメント電圧で使います。300Bとは、言え71Aの様な音が出てきます、どっちかと言うと45に近い音でしょうか?
パワーは300Bの為それなりに5ワット以上が出てきます。16オームに8オームをつなぎます。パワー感も大きくなります。2A3/45/71A シングルの音は素晴らしいと思います。
このアンプで、16オーム端子に8オームをつないで使う2A3シングルはとても素晴らしいのですが、フィラメント回路から発生する熱は尋常ではありません、10時間以上の連続テストをしてみようと思います。
このアンプで使える真空管は 45(245) ,71A ,171A ,183/483/,2A3 です。勿論 300Bも使えますが推奨ではありません。

H20-3.5Uは低域よりの音であったのですが、このトランスはインピーダンスが高いせいもあり、中高域が良い様に思います。音がXE-20Sにも似ています。が、、、、、、、
最初は高域がきつかったのですが、10時間を越しましたので、かなり落ち着いた様です。

FETのレギュレータのゲートのツエナー・ダイオードは 0.5W 84V x 2 と 52Vがシリーズに入っており、これでIz=4mA 程度になっています。これで電圧が低い場合は100Kの抵抗を80K 位に落として下さい。
これで、71A 時に220Vのプレート電圧を得ています。2SK1120 は大き目ですので、もう少し少なめのFETが良いかも知れません。
念のため、RD82F は82Vの1Wタイプで、RD82E は 0.5 W タイプになります。1W タイプを選ぶ場合は直列抵抗の値を計算して下さい。

熱に関しては右側に大きな放熱板があるために2A3使用時に限ってかなり熱を持ちますが、300Bの5Vではそうでもありません。窓を開けましたら、風が入ってきて、かなり冷えたようでそれほどでもなくなり
2A3 シングルとして使っても特に問題はないようです。右側は開放しておけば問題はない様です。扇風機で煽ったら問題もなくなりました。
観たくれを気にしないのであれば、放熱板をシャーシの外に出すべきでしょう。
とても良い音の出るアンプとなりました。



45 Single Ended Amplifier


Fervox

FerVox 45/71A Single Ended Amplifier 1st Aug 2014



Link to other side of this site


About 2A3/45 Single Ended Amplifier, Dr Joaquin Iglesias's 45/2A3 Atacama Amplifier 2009



7th Avenue


last up date 13rd Dic 2025 from Yachiyo Chiba Japan

since 26th May 2014 from Sakura Chiba Japan

Single Ended Amplifier D.I.Y 2008-2025

how good sound 71A/45 and 2A3 Single Ended Amplifier