*  45 and 2A3 Single Ended Amplifier
🇯🇵Japanese 2A3-6EJ7 single


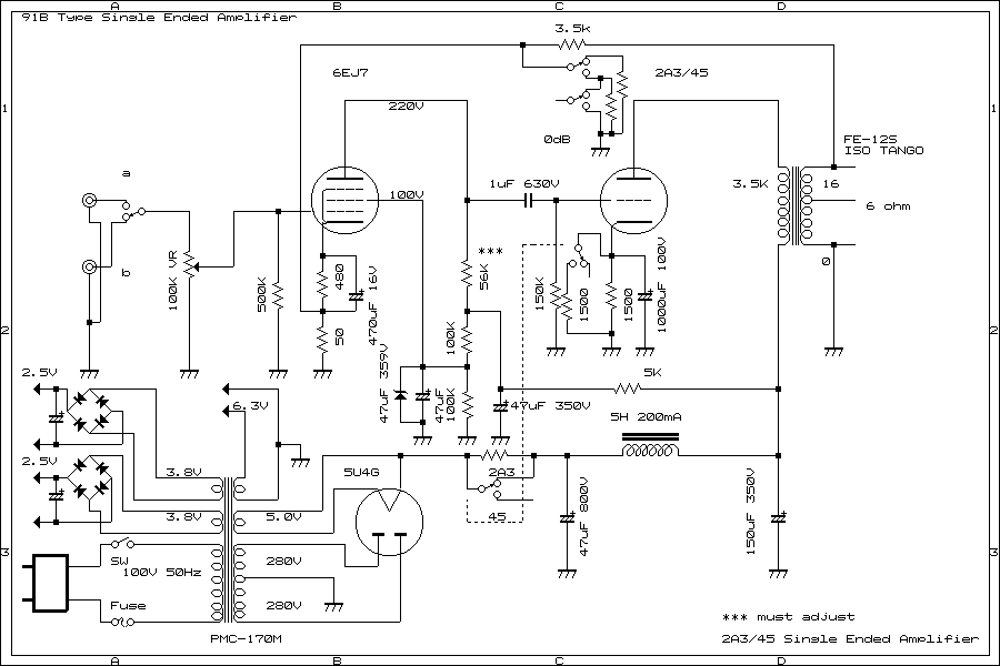
2A3 single ended Amplifier D.I.Y


circuit 2A3 SE

schematic diagram 2A3 + 6EJ7 Single Ended Amplifier


last up date 4th Oct 2009 from Sakura Chiba Japan

since 3rd Oct 2009 from Sakura Chiba Japan

Single Ended Amplifier D.I.Y

how good sound 2A3 Single Ended Amplifier 2010